初中数学湘教版九年级上册第3章 图形的相似3.4 相似三角形的判定与性质第3课时教学设计
展开3.4.1 相似三角形的判定
第3课时 利用两边及夹角证相似
课题
第3课时 利用两边及夹角证相似
授课人
教
学
目
标
知识技能
理解并掌握三角形相似的判定定理:“两边对应成比例且夹角相等的两个三角形相似”.
数学思考
在进行探索的活动过程中,发展类比的数学思想,激发学生的探索发现归纳意识,增强合情推理的语言表达能力.
问题解决
掌握相似三角形的判定定理,并能运用判定定理进行有关证明和计算,发展应用意识.
情感态度
培养学生积极思考、动手、观察的能力,使学生感悟几何知识在生活中的价值.
教学重点
掌握相似三角形的判定定理:“两边对应成比例且夹角相等的两个三角形相似”.
教学难点
相似三角形判定定理在实际问题中的灵活运用.
授课类型
新授课
课时
教具
多媒体
教学活动
教学步骤
师生活动
设计意图
回顾
回答下列问题.
1.相似三角形的相关概念
(1)三个角对应________,且三条边对应________的两个三角形叫作相似三角形.
(2)相似三角形的对应角________,对应边________.
(3)相似比等于________的两个三角形全等.
2.我们已经学习了哪些判别两个三角形相似的方法?
学生回忆并回答,为本课的学习提供迁移或类比方法.
活动
一:
创设
情境
导入
新课
【课堂引入】
1.如图3-4-60,A,B两点被池塘隔开,小明为了测量A,B两点间的距离,在池塘边任选一点C,连接AC,BC,并延长AC到D,使CD=eq \f(1,2)AC,延长BC到E,使CE=eq \f(1,2)BC,连接DE,如果测量得DE=20 m,那么AB=2×20=40(m).你想知道这是为什么吗?
图3-4-60
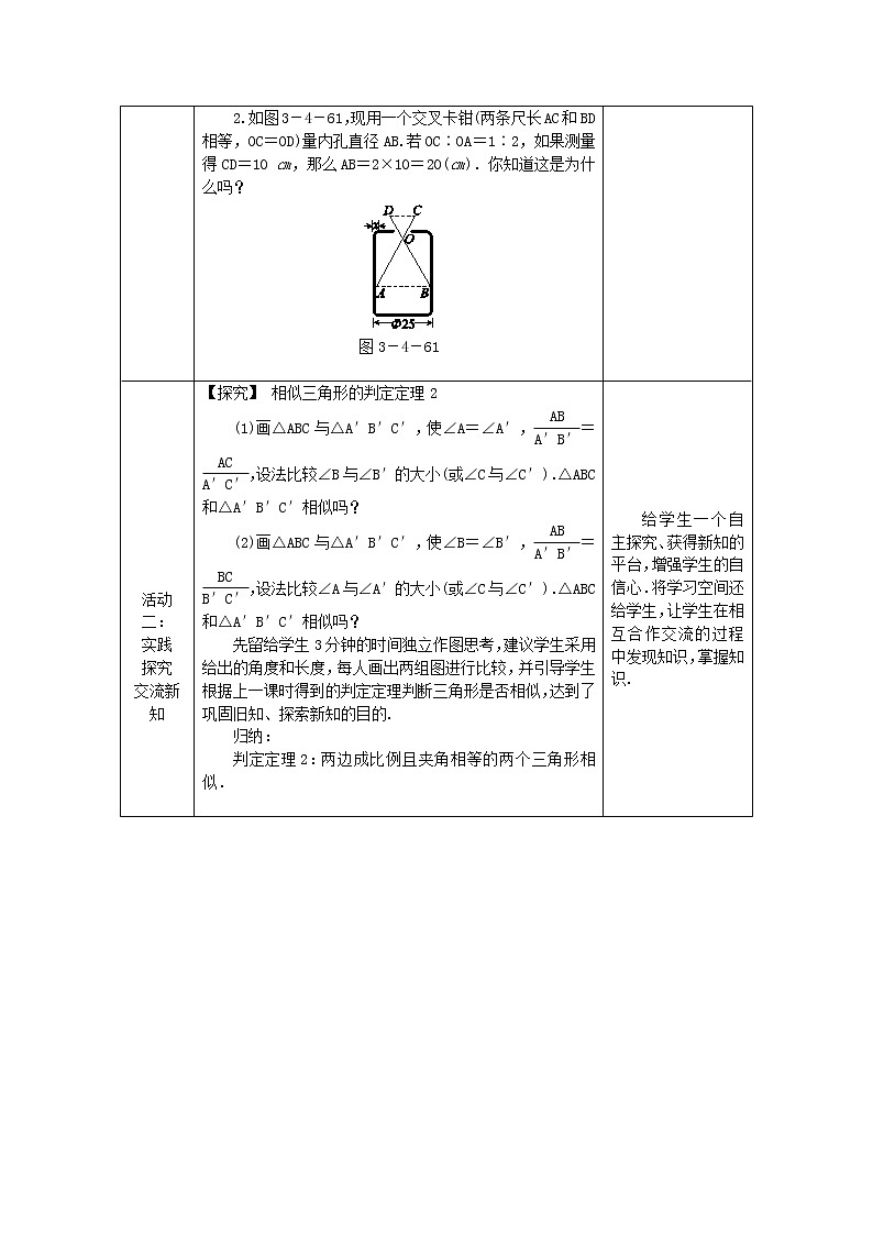
2.如图3-4-61,现用一个交叉卡钳(两条尺长AC和BD相等,OC=OD)量内孔直径AB.若OC∶OA=1∶2,如果测量得CD=10 cm,那么AB=2×10=20(cm).你知道这是为什么吗?
图3-4-61
从生活中的实际问题入手,激发了学生的求知欲和好奇心,激起了学生对探究活动的兴趣.
活动
二:
实践
探究
交流新知
【探究】 相似三角形的判定定理2
(1)画△ABC与△A′B′C′,使∠A=∠A′,eq \f(AB,A′B′)=eq \f(AC,A′C′),设法比较∠B与∠B′的大小(或∠C与∠C′).△ABC和△A′B′C′相似吗?
(2)画△ABC与△A′B′C′,使∠B=∠B′,eq \f(AB,A′B′)=eq \f(BC,B′C′),设法比较∠A与∠A′的大小(或∠C与∠C′).△ABC和△A′B′C′相似吗?
先留给学生3分钟的时间独立作图思考,建议学生采用给出的角度和长度,每人画出两组图进行比较,并引导学生根据上一课时得到的判定定理判断三角形是否相似,达到了巩固旧知、探索新知的目的.
归纳:
判定定理2:两边成比例且夹角相等的两个三角形相似.
给学生一个自主探究、获得新知的平台,增强学生的自信心.将学习空间还给学生,让学生在相互合作交流的过程中发现知识,掌握知识.
活动
三:
开放
训练
体现
应用
【应用举例】
例1 [教材P82例5] 如图3-4-62,在△ABC与△DEF中,已知∠C=∠F=70°,AC=3.5 cm,BC=2.5 cm,DF=2.1 cm,EF=1.5 cm.
图3-4-62
证明:∵AC=3.5 cm,BC=2.5 cm,DF=2.1 cm,EF=1.5 cm,
∴eq \f(DF,AC)=eq \f(2.1,3.5)=eq \f(3,5),eq \f(EF,BC)=eq \f(1.5,2.5)=eq \f(3,5),∴eq \f(DF,AC)=eq \f(EF,BC).又∠C=∠F=70°,∴△ABC∽△DEF(两边成比例且夹角相等的两个三角形相似).
变式一 如图3-4-63,D在△ABC的AB边上,AD=1,BD=2,AC=eq \r(3),问△ACD与△ABC相似吗?请说明你的理由.
图3-4-63 图3-4-64
变式二 如图3-4-64,已知BD,CE为△ABC的高,试说明△ADE与△ABC是否相似?
两个变式题都不是直来直去的题,变式一是让学生通过简单的计算找出夹公共角的两边对应成比例,变式二是让学生先通过证明三角形相似得出夹公共角的两边对应成比例,殊途同归,都是灵活运用了相似三角形的判定定理2,目的是突出重点,培养学生的自信心和勇气..
活动
三:
开放
训练
体现
应用
【拓展提升】
1.共角相似三角形及应用
例2 如图3-4-65,D,E分别是△ABC的边AC,AB上的点.若AE=1.5,AC=2,BC=3,且eq \f(AD,AB)=eq \f(3,4),求DE的长.
图3-4-65
2.灵活运用判定方法判定三角形相似
例3 如图3-4-66,△ABC与△A′B′C′相似吗?你有哪些判断方法?
图3-4-66
及时获知学生对所学知识的掌握情况,使每个学生都能有所收获、有所提高.
例4如图3-4-67,正方形ABCD中,E为AB的中点,BF=eq \f(1,4)BC,那么图中与△ADE相似的三角形有几个?选择其中的一组写出证明过程.
图3-4-67
活动
四:
课堂
总结
反思
【当堂训练】
1.教材P82练习中的T1,T2.
2.教材P89习题3.4中的T3.
当堂检测,及时反馈学习效果.
【知识网络】
eq \x(相似三角形的判定定理2)eq \x(相似三角形的判定定理2)eq \x(例题分析)
提纲挈领,重点突出.
【教学反思】
①[授课流程反思]
通过生活中的问题,调动学生学习的兴趣和求知欲.在课堂导入中采用不同的方式,让学生快速进入课堂教学中.
②[讲授效果反思]
通过探究及应用练习环节,强化了基础知识和基本技能的学习,同时通过拓展练习,培养了学生的数学经验,对于学生合情推理能力的提高大有好处.
③[师生互动反思]
______________________________________________________________________________________________
④[习题反思]
______________________________________________________________________________________________
反思,更进一步提升.
湘教版九年级上册第3章 图形的相似3.4 相似三角形的判定与性质优质教学设计: 这是一份湘教版九年级上册第3章 图形的相似3.4 相似三角形的判定与性质优质教学设计,共5页。
2020-2021学年3.4 相似三角形的判定与性质第4课时教案: 这是一份2020-2021学年3.4 相似三角形的判定与性质第4课时教案,共2页。教案主要包含了教学重点,教学难点等内容,欢迎下载使用。
数学北师大版4 探索三角形相似的条件第2课时教案: 这是一份数学北师大版4 探索三角形相似的条件第2课时教案,共2页。教案主要包含了教学目标,重点,课堂引入,例题讲解,课堂练习,课后练习等内容,欢迎下载使用。

