【化学】广东省佛山一中、珠海一中、金山中学2018-2019学年高一下学期期中考试试题
展开广东省佛山一中、珠海一中、金山中学2018-2019学年高一下学期期中考试试题
本试卷共8页,24小题,满分100分,考试时间90分钟。
可能会用到的相对原子质量:H:1、C:12、N:14、O:16、Cl:35.5、S:32。
第一部分 选择题(共40分)
一、单项选择题(本大题共20小题,每小题2分,共40分。在每小题给出的四个选项中,只有一个选项符合题目要求,选对的得2分,选错或不答的得0分。)
1.关于有机物说法正确是的( )
A.有机物可分烃和烃的衍生物 B.含有碳、氢元素的化合物叫烃
C.有机物都不溶于水,但易溶于有机溶剂 D.有机物都能燃烧
2.下列说法正确的是( )
A.只要含有金属元素的化合物一定是离子化合物
B.全部元素都由非金属元素构成的化合物一定是共价化合物
C.离子化合物一定是电解质
D.共价化合物一定是非电解质
3.下列各组物质中,化学键类型完全相同的是( )
A.SO2和NaOH B.CO2和BF3
C.Cl2和HCl D.CH4和NH4F
4.下列说法正确的是( )
A.双原子单质分子中的共价健一定是非极性键
B.含有共价键的化合物一定是共价化合物
C.离子化合物中不可能有共价键
D.所有物质都存在范德华力
5.下列叙述中能肯定说明金属A比金属B的活泼的是( )
A.A单质能与B的盐溶液反应
B.常温时,A能从稀盐酸中置换出氢,而B不能
C.A原子最外层电子数比B原子的最外层电子数少
D.1molA从酸中置换生成的H2比1mol B从酸中置换生成的H2多
6.X元素的阳离子和Y元素的阴离子的核外电子层结构相同,下列叙述正确的是( )
A. 离子半径X>Y B. 原子半径X<Y
C. 原子序数X<Y D. 原子最外层电子数X<Y
7.根据元素周期律,由下列事实进行归纳推测,推测不合理的是( )
| 事 实 | 推 测 |
A | 12Mg与水反应缓慢,20Ca与水反应较快 | 56Ba(ⅡA族)与水反应会更快 |
B | Si是半导体材料,同族的Ge也是半导体材料 | ⅣA族的元素单质都是半导体材料 |
C | HCl在1500℃时分解,HI在230℃时分解 | HBr的分解温度介于二者之间 |
D | Si与H2高温时反应,S与H2加热能反应 | P与H2在高温时能反应 |
8.下列说法正确的是( )
A.最外层电子数大于4的一定是非金属元素
B.元素周期表有18纵列,7横行,故有18个族,7个周期
C.第ⅠA族就是碱金属
D.某ⅡA族元素的原子序数为a,则和其同周期ⅢA的元素的原子序数可能为a+11
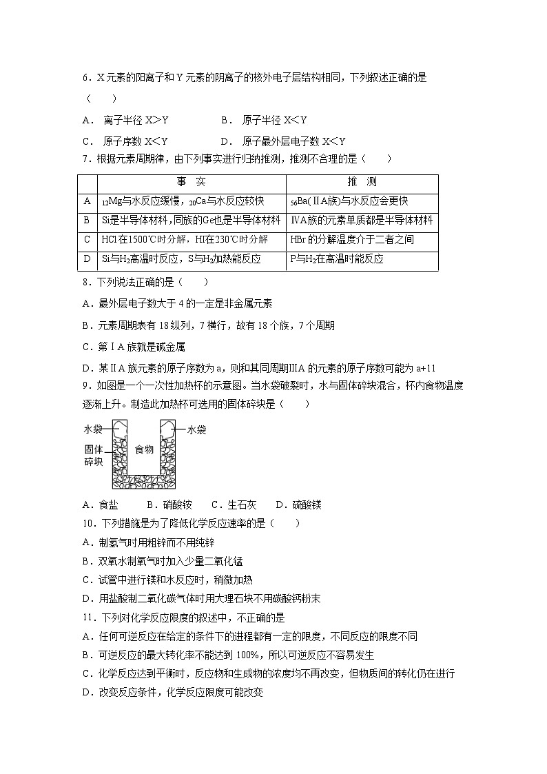
9.如图是一个一次性加热杯的示意图。当水袋破裂时,水与固体碎块混合,杯内食物温度逐渐上升。制造此加热杯可选用的固体碎块是( )
A.食盐 B.硝酸铵 C.生石灰 D.硫酸镁
10.下列措施是为了降低化学反应速率的是( )
A.制氢气时用粗锌而不用纯锌
B.双氧水制氧气时加入少量二氧化锰
C.试管中进行镁和水反应时,稍微加热
D.用盐酸制二氧化碳气体时用大理石块不用碳酸钙粉末
11.下列对化学反应限度的叙述中,不正确的是
A.任何可逆反应在给定的条件下的进程都有一定的限度,不同反应的限度不同
B.可逆反应的最大转化率不能达到100%,所以可逆反应不容易发生
C.化学反应达到平衡时,反应物和生成物的浓度均不再改变,但物质间的转化仍在进行
D.改变反应条件,化学反应限度可能改变
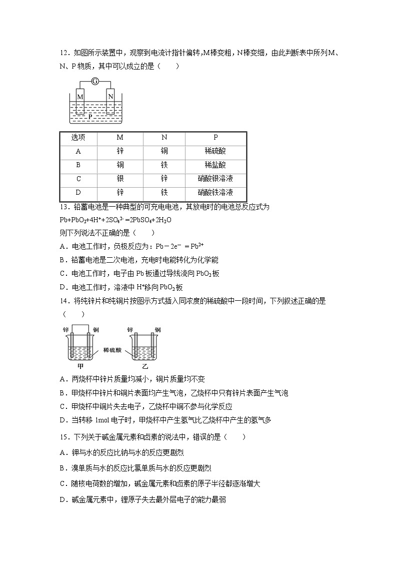
12.如图所示装置中,观察到电流计指针偏转,M棒变粗,N棒变细,由此判断表中所列M、N、P物质,其中可以成立的是( )
选项 | M | N | P |
A | 锌 | 铜 | 稀硫酸 |
B | 铜 | 铁 | 稀盐酸 |
C | 银 | 锌 | 硝酸银溶液 |
D | 锌 | 铁 | 硝酸铁溶液 |
13.铅蓄电池是一种典型的可充电电池,其放电时的电池总反应式为
Pb+PbO2+4H++2SO42- =2PbSO4+2H2O
则下列说法不正确的是( )
A.电池工作时,负极反应为:Pb-2e- = Pb2+
B.铅蓄电池是二次电池,充电时电能转化为化学能
C.电池工作时,电子由Pb板通过导线流向PbO2板
D.电池工作时,溶液中H+移向PbO2板
14.将纯锌片和纯铜片按图示方式插入同浓度的稀硫酸中一段时间,下列叙述正确的是( )
A.两烧杯中锌片质量均减小,铜片质量均不变
B.甲烧杯中锌片和铜片表面均产生气泡,乙烧杯中只有锌片表面产生气泡
C.甲烧杯中铜片失去电子,乙烧杯中铜不参与化学反应
D.当转移1mol电子时,甲烧杯中产生氢气比乙烧杯中产生的氢气多
15.下列关于碱金属元素和卤素的说法中,错误的是( )
A.钾与水的反应比钠与水的反应更剧烈
B.溴单质与水的反应比氯单质与水的反应更剧烈
C.随核电荷数的增加,碱金属元素和卤素的原子半径都逐渐增大
D.碱金属元素中,锂原子失去最外层电子的能力最弱
16.Na2CO3溶液与盐酸反应过程中的能量变化示意图如下,下列选项错误的是( )
A.等浓度、等体积的碳酸钠溶液和碳酸氢钠溶液分别与足量的盐酸反应均有气泡产生
B.CO32-(aq)+2H+(aq)=CO2(g)+H2O(l) 是放热反应
C.HCO3-(aq)+H+(aq)=CO2(g)+H2O(l) 是放热反应
D.CO2(g)+H2O(l)=H2CO3(aq) 是放热反应
17.下列说法正确是的( )
A.甲烷不能发生氧化反应 B.甲烷点燃前不需要验纯
C.二氯甲烷有2种同分异构体 D.甲烷和异丁烷互为同系物
18.下列各对物质中属于同分异构体的是( )
A.C与C B.O2与O3
C. D.
19.一定温度和压强下,在2 L的密闭容器中合成氨气:N2(g)+3H2(g)2NH3(g) 。在反应过程中反应物和生成物的物质的量随时间的变化如图所示。下列说法错误的是:( )
A.0~10 min内,以NH3表示的平均反应速率为0.005 mol • L-1• min-1
B.10~20 min内,NH3浓度变化的原因可能是加入催化剂或缩小容器体积
C.该反应在20 min时达到化学平衡状态
D.N2的平衡转化率与H2平衡转化率相等
20.下列说法中正确的是( )
A.对于吸热反应,生成物总能量一定低于反应物总能量
B.石墨和金刚石完全燃烧的化学方程式均可表示为“C+O2 点燃 CO2”,故相同条件下,12g的石墨和金刚石充分燃烧放出的热量相等
C.一定条件下,0.5 mol N2和1.5 mol H2置于某密闭容器中充分反应生成NH3,放热19.3 kJ,据此实验事实可知:该条件下,每生成1mol NH3,放热19.3 kJ
D.4 HCl(g)+O2(g)=2Cl2(g)+2H2O(g)是放热反应,Cl-Cl键和O=O键的键能分别为243kJ/mol和498kJ/mol,则可推算出H-O键的键能比H-Cl键的键能大
第二部分非选择题(60分)
二、非选择题(共60分,第21题12分,第22题16分,第23题14分,第24题18分)
21.(12分)某课外活动小组利用如图所示装置探究甲烷与氯气的反应。根据题意,回答下列问题:
(1)CH4与Cl2发生反应的条件是漫射光照射;若用日光直射,可能会引起______________。
(2)实验中可观察到的实验现象有:量筒内壁出现油状液滴,饱和食盐水中有少量固体析出,_________________________,_________________________等。
(3)实验中生成的油状液滴的化学式为____________________________。
(4)请写出其中生成一氯甲烷的化学方程式________________________________。
(5)用饱和食盐水而不用水的原因是____________________________________。
22.(16分)(1)随原子序数的递增,八种短周期元素x、y、z、d、e、f、g、h原子半径的相对大小、最高正价或最低负价的变化如图所示。根据判断出的元素回答下列问题:
① 比较y、z、d的气态氢化物的稳定性强弱是: > > (用化学式表示)
② 由表中两种元素的原子按1:1组成的化合物A,A中既含离子键又含非极性共价键,其电子式为 ;
③ 下列四种元素的原子序数如下,其中不是和f同一主族的是
a.5 b. 21 c. 49 d. 81
④能表示出g和h元素非金属性强弱的离子方程式是 ;
能表示出y和h最高价氧化物的水化物的酸性强弱的离子方程式是 。
(2)F、Cl、Br、I位于周期表的VIIA族。通过下列实验比较出卤族氧化性的强弱。
实验如下:
①通过卤素间置换反应比较氧化性强弱的实验是 。(填写1、2、3、4)
②滴加CCl4的目的是 。
③上述实验能否说明氯的氧化性强于溴?判断并说明你的依据 。
23.(14分)
(1)利用原电池装置可以验证Fe3+与Cu2+氧化性相对强弱,如下图所示。
该方案的实验原理是自发进行的氧化还原反应可以设计为原电池。写出该氧化还原反应的离子方程式:____________________________________________。
该装置中的负极材料是______(填化学式),正极反应式是____________________。
(2)某研究性学习小组为证明2Fe3++2I-⇌2Fe2++I2为可逆反应,设计如下两种方案。
方案一:
取5mL0.1mol/LKI溶液,滴加2mL0.1mol/L的FeCl3溶液,再继续加入2mLCCl4,充分振荡、静置、分层,再取上层清液,滴加KSCN溶液。
①方案一中能证明该反应为可逆反应的现象是___________________________。
②有同学认为方案一设计不够严密,即使该反应为不可逆反应也可能出现上述现象,其原因是(用离子方程式表示)____________________________________________。
方案二:
设计如下图原电池装置,接通灵敏电流计,指针向右偏转(注:灵敏电流计指针总是偏向电源正极),随着时间进行电流计读数逐渐变小,最后读数变为零。当指针读数变零后,在右管中加入1mol/L FeCl2溶液。
③方案二中,“读数变为零”是因为__________________________.
④“在右管中加入1mol/L FeCl2溶液”后,观察到灵敏电流计的指针______偏转(填“向左”、“向右”或“不”),可证明该反应为可逆反应。
24.(18分)汽车尾气中含有CO、NO等有害气体。(1)汽车尾气中NO生成过程的能量变化如图示。1molN2和1molO2完全反应生成NO会________(填“吸收”或“放出”)________kJ能量。
(2)通过NO传感器可监测汽车尾气中NO的含量,其工作原理如图所示:(提示:O2-可在此固体电解质中自由移动)
①NiO电极上发生的是___________反应(填“氧化”或“还原”)。
②外电路中,电子是从_________电极流出(填“NiO”或“Pt”).
③Pt电极上的电极反应式为_______________________________。
(3)一种新型催化剂用于NO和CO的反应:2NO+2CO2CO2+N2。已知增大催化剂的比表面积可提高该反应速率,为了验证温度、催化剂的比表面积对化学反应速率的影响规律,某同学设计了三组实验,部分条件已经填在下表中。
实验编号 | t(℃) | NO初始浓度 (mol/L) | CO初始浓度(mol/L) | 催化剂的比表面积(m2/g) |
Ⅰ | 280 | 1.2×10﹣3 | 5.80×10﹣3 | 82 |
Ⅱ | 280 | 1.2×10﹣3 | b | 124 |
Ⅲ | 350 | a | 5.80×10﹣3 | 82 |
①请将表中数据补充完整:a ___________。
②能验证温度对化学反应速率规律的是实验____________________(填实验序号)。
③实验Ⅰ和实验Ⅱ中,NO的物质的量浓度c(NO)随时间t的变化曲线如图所示,其中表示实验Ⅱ的是曲线________________(填“甲”或“乙”)。
(4)在容积固定的绝热容器中发生反应2NO+2CO2CO2+N2,不能说明已达到平衡状态的是________(不定项选择);
A.容器内混合气体温度不再变化 B.容器内的气体压强保持不变
C.2v逆(NO)=v正(N2) D.容器内混合气体密度保持不变
【参考答案】
选择题(单项选择题:本大题共20小题,每小题2分共40分)
1 | 2 | 3 | 4 | 5 | 6 | 7 | 8 | 9 | 10 |
A | C | B | A | B | D | B | D | C | D |
11 | 12 | 13 | 14 | 15 | 16 | 17 | 18 | 19 | 20 |
B | C | A | A | B | C | D | C | D | D |
非选择题(共60分,其中第21题12分,第22题16分,第23题14分,第24题18分)
21.(12分)
(1)爆炸 (1分)
(2)试管内黄绿色气体变浅,试管内液面上升。
(3) CH2Cl2、CHCl3、 CCl4 (共3分,漏一个扣1分,错一个扣1分)
(4)CH4+Cl2CH3Cl+HCl 。
(5)降低氯气在水中的溶解度,抑制氯气与水的反应。(只回答第一个原因也得两分,后面原因不作要求,不作为扣分点)
22.(16分,每空2分)
(1)① H2O > NH3 > CH4 ② ;③b
④S2-+Cl2 =S↓+2Cl- 或 H2S+Cl2 =S↓+2Cl-+2H+ ;
CO32-+2H+=CO2↑ + H2O或HCO3-+H+=CO2↑ + H2O
(2)①1、3(2分,漏一个扣1分,错一个扣1分) ②萃取、富集,说明I2的存在
③能,因Cl2能氧化I2,而Br2不能氧化I2(仅回答“能”与“不能”不得分)
23.(14分,每空2分)
(1)Cu+2Fe3+=Cu2++2Fe2+ Cu Fe3+ + e- = Fe2+
(2)①下层(CCl4层)溶液呈紫红色,且上层清液中滴加KSCN后溶液呈血红色
②4Fe2++O2+4H+=2H2O+4Fe3+ ③该可逆反应达到了化学平衡状态; ④向左
24. (18分,每空2分)
(1)吸收 180;
(2)①氧化 ②NiO ③O2+4e﹣=2O2﹣
(3)①1.2×10﹣3 ②Ⅰ和Ⅲ ③乙
(4)CD(错选或漏选均0分)

