【化学】广东省平远县梅青中学2018-2019学年高一上学期第一次段考试题
展开广东省平远县梅青中学2018-2019学年高一上学期第一次段考试题
本试卷分第Ⅰ卷(选择题)和第Ⅱ卷(非选择题)两部分。共100分,考试时间90分钟。
可能用到的相对原子质量: H-1,C-12,N-14,O-16, Al-27, S-32,Cl-35.5, Ca-40, Cu-64,Na-23
第Ⅰ卷(选择题 共50分)
一、 选择题(本题包括14题,每题4分,每题只有一个选项符合题意)
1、下列实验操作均要用玻璃棒,其中玻璃棒作用相同的是( )
① 过滤 ②溶解 ③向容量瓶转移液体 ④蒸发
A.①和② B.①和③ C.③和④ D.①和④
2、在容量瓶上无须标记的是( )
A..温度 B. 容积 C浓度 D. 刻度线
3、丙酮是一种常用的有机溶剂,可与水以任意体积比互溶,密度小于1 g/mL,沸点约55 oC,分离水和丙酮时最合理的方法是 ( )
A.蒸馏 B. 分液 C.过滤 D.蒸发
4、用NA表示阿伏德罗常数,下列叙述正确的是( )
A.标准状况下,22.4LH2O含有的分子数为1 NA
B.常温常压下, 1 NA 个CO2分子占有的体积为22.4L
C.通常状况下,1.06g Na2CO3含有的Na+离子数为0.02 NA
D.物质的量浓度为0.5mol·/L的MgCl2溶液中,含有Cl- 个数为1 NA
5、对实验Ⅰ~Ⅳ的叙述正确的是( )
A.实验Ⅰ:用托盘天平称量一定质量的氯化镁固体
B.实验Ⅱ:配制一定物质的量浓度的硫酸
C.实验Ⅲ:用苯萃取溴水中的溴后进行分液
D.实验Ⅳ:用于蒸馏,分离苯和溴
6、配制一定物质的量浓度的某溶液,下列情况会使配制结果偏低的是( )
A.容量瓶中原有少量蒸馏水 B.未洗烧杯及玻璃棒
C.未冷却即转移、定容 D.定容时俯视刻度线观察液面
7、实验中的下列操作正确的是( )
A.用浓硫酸配制一定物质的量浓度的稀硫酸时,浓硫酸溶于水后,应冷却至室温才能转移到容量瓶中
B.Ba(NO3)2 溶于水,可将含有Ba(NO3)2 的废液倒入水槽中,再用水冲入下水道
C.用蒸发方法使NaCl 从溶液中析出时,应将蒸发皿中NaCl 溶液全部加热蒸干
D.用试管取出试剂瓶中的Na2CO3溶液,发现取量过多,为了不浪费,又把过量的试剂倒入试剂瓶中
8、下列叙述正确的是( )
A.CH4的摩尔质量为16g
B.1 mol H2O的质量为18g/mol
C.标准状况下,1 mol任何物质体积均为22.4L
D.常温常压下, 3.01×1023个SO2分子的质量为32g
9、下列叙述错误的是( )
①1 mol SO2的体积是22.4L;②物质的量浓度为0.1 mol/L的AlCl3溶液中,Cl-的个数是0.3NA;③氢原子的摩尔质量是1 g;④1 mol任何物质都含有约6.02×1023个原子;
⑤HCl的摩尔质量就是36.5g;⑥摩尔是国际单位制中七个基本物理量之一。
A.①②⑤ B.②③④ C.全部D.②④⑤⑥
10、以下是一些常用的危险品标志,装运汽油的包装箱应贴的图标是( )
11、欲配制100ml 1.0 mol/L Na2SO4溶液,正确的方法是( )
①将20 ml 5.0 mol/L Na2SO4溶液用水稀释至100 ml
② 将32.2g Na2SO4·10H2O溶于少量水中,再用水稀释至100 ml
③l将14.2 g Na2SO4 溶于100ml水中
A.①② B.①③ C.②③ D.①②③
12、下列各组物质中,分子数相同的是( )
A. 0.2molO2与标准状况下4.48L水
B.6LCl2与6LHCl
C.在1.01×105Pa和25℃时,等体积的空气与O2
D. 36gH2O与标准状况下22.4LCO2
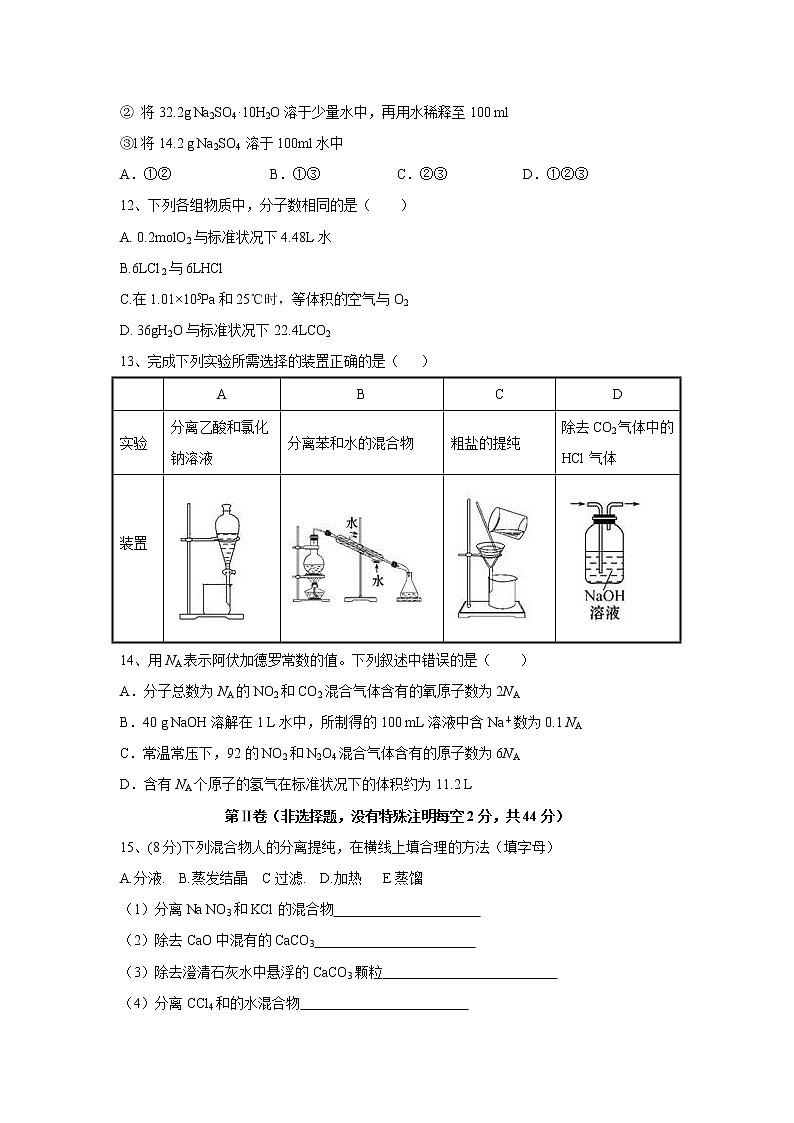
13、完成下列实验所需选择的装置正确的是( )
| A | B | C | D |
实验 | 分离乙酸和氯化钠溶液 | 分离苯和水的混合物 | 粗盐的提纯 | 除去CO2气体中的HCl气体 |
装置
|
14、用NA表示阿伏加德罗常数的值。下列叙述中错误的是( )
A.分子总数为NA的NO2和CO2混合气体含有的氧原子数为2NA
B.40 g NaOH溶解在1 L水中,所制得的100 mL溶液中含Na+数为0.1 NA
C.常温常压下,92的NO2和N2O4混合气体含有的原子数为6NA
D.含有NA个原子的氢气在标准状况下的体积约为11.2 L
第Ⅱ卷(非选择题,没有特殊注明每空2分,共44分)
15、(8分)下列混合物人的分离提纯,在横线上填合理的方法(填字母)
A.分液. B.蒸发结晶 C过滤. D.加热 E蒸馏
(1)分离Na NO3和KCl的混合物
(2)除去CaO中混有的CaCO3
(3)除去澄清石灰水中悬浮的CaCO3颗粒
(4)分离CCl4和的水混合物
16、(每空1分,共10分)
(1)1molHNO3的质量是 ,1molHNO3约含有 个氧原子及含有的电子总数 NA。
(2)标准状况下11.2L HCl的物质的量是 ,将这些气体溶于水中配成
500mL溶液,所得盐酸的物质的量浓度是 。
(4)某双原子分子构成的气体,其摩尔质量为M g/mol,该气体质量为m g,阿伏加德罗常数为NA,则(用符号式表示): 该气体的物质的量为 mol;该气体在标准状况下的体积为__________L;该气体在标准状况下的密度为 g/L;该气体所含原子总数为 个;该气体的一个分子的质量为 g。
17、(10分)为除去粗盐中的Ca 2+ 、Mg 2+ 、Fe 3+ 、SO 42- 以及泥沙等杂质,某同学设计了一种制备精盐的实验方案,步骤如下(用于沉淀的试剂稍过量):
(1)除杂时加入的三种试剂BaCl 2 、NaOH、Na 2CO 3 顺序、还可以用的这三种试剂加入顺序是(用化学式回答) 加入NaOH目的是除去 。
(2)第⑤步实验操作需要烧杯、 等玻璃仪器。
(3)若先用盐酸调pH值再过滤,将对实验结果产生影响,其原因是
。
(4)为检验精盐纯度,需配制400 mL 1 mol/L NaCl(精盐)溶液,下图是该同学
转移溶液的示意图,图中的两处明显的错误分别是: 。
18、(16分) 配制成浓度为1.0mol/L的稀硫酸250 mL,现用98%的浓H2SO4 (ρ=1.84 g/cm3)。
(1)请将下列操作序号按正确顺序填在横线上:
A.用量筒量取浓H2SO4 B.反复颠倒摇匀
C.用胶头滴管加水至刻度 D.洗涤烧杯、玻璃棒2-3次
E.稀释浓H2SO4 F.冷却后将溶液转入容量瓶
其操作正确顺序为__________________;
(2)现有主要仪器:A.量筒 B.烧杯 C.玻璃棒 D. 胶头滴管 还缺少的仪器_____ ;
(3)简要回答下列问题
①将浓H2SO4沿烧杯内壁慢慢注入盛水的烧杯中,不断搅拌,若搅拌过程中有液体溅出,会使最终结果_________ (填“偏高”、“偏低”或“无影响”,下同);若将量筒洗涤转移到容量瓶会使最终结果_________ ;定容时水加多后用滴管吸出会使结果_________;
②所需浓H2SO4的体积为___________mL;
(4)下列操作中,容量瓶所不具备的功能有________(填序号);
A.贮存溶液
B.量取一定体积的液体
C.测量容量瓶规格以下的任意体积的液体
D.配制一定体积准确浓度的标准溶液
E.用来加热和溶解固体溶质
(5)该浓硫酸与等质量的水混合所得溶液的物质的量浓度________9.2 mol/L (填“>”、“=”或“<”)。
【参考答案】
一、 选择题
1——14 BCACD BADCA ACCB
二、 非选择题
15、(每空2分,共8分)
(1) B (2) D (3) C (4) A
16、(每空1分,共10分)
(1) 63 g ,1.806×1024(或3NA), 32 NA 。
(2) 0.5 mol , 1 mol/L 。
(3) mol; _____L; g/L;
个; g。
17、(每空2分,共10分)
(1)NaOH、BaCl2、Na2CO3 或BaCl2、Na2CO3、NaOH Mg 2+ 、Fe 3+
(2)玻璃棒、漏斗
(3)在先用盐酸调pH值条件下,会有部分沉淀溶解,从而影响制得精盐的纯度
(4)未用玻璃棒引流;未用500mL容量瓶。
18、(每空2分,共16分)
(1)AEFDCB
(2)250mL容量瓶
(3)①偏低 偏高 ③偏低 ②13.6
(4)ACE
(5)<

