所属成套资源:2024年天津市各区县中考物理模拟试题分类精选汇编(Word版附解析)
2024年天津市中考物理模拟题分类精选31.电与磁 信息和能源(Word版附解析)
展开
这是一份2024年天津市中考物理模拟题分类精选31.电与磁 信息和能源(Word版附解析),共22页。
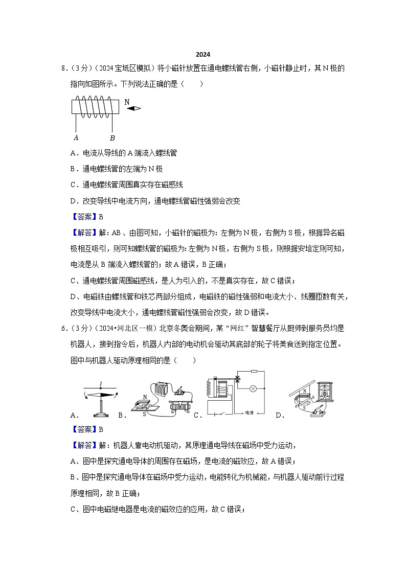
A.电流从导线的A端流入螺线管
B.通电螺线管的左端为N极
C.通电螺线管周围真实存在磁感线
D.改变导线中电流方向,通电螺线管磁性强弱会改变
【答案】B
【解答】解:AB、由图可知,小磁针的磁极为:左侧为N极,右侧为S极,根据异名磁极相互吸引,则可知螺线管的磁极为:左侧为N极,右侧为S极,则根据安培定则可知,电流是从B端流入螺线管的;故A错误,B正确;
C、通电螺线管周围磁感线,是人为引入的,不是真实存在,故C错误;
D、电磁铁由螺线管和铁芯两部分组成,电磁铁的磁性强弱和电流大小、线圈匝数有关,改变导线中电流大小,通电螺线管磁性强弱会改变,故D错误。
6.(3分)(2024•河北区一模)北京冬奥会期间,某“网红”智慧餐厅从厨师到服务员均是机器人,接到指令后,机器人内部的电动机会驱动其底部的轮子将美食送到指定位置。图中与机器人驱动原理相同的是( )
A.B.C.D.
【答案】B
【解答】解:机器人靠电动机驱动,其原理通电导线在磁场中受力运动,
A、图中是探究通电导体的周围存在磁场,是电流的磁效应,故A错误;
B、图中是探究通电导体在磁场中受力运动,电能转化为机械能,与机器人驱动前行过程原理相同,故B正确;
C、图中电磁继电器是电流的磁效应的应用,故C错误;
D、图中是探究电磁感应现象,故D错误。
故选:B。
8.(2024天津和平区一模)下列说法不正确的是( )
A.目前的核电站都是利用核聚变释放的核能来发电的
B.我国的北斗卫星定位系统是利用电磁波进行定位的
C.微波通信、卫星通信、光纤通信、网络通信都可以用来传递信息
D.以风能、水能、太阳能等为代表的可再生能源是未来理想能源的一个重要发展方向
【答案】A
【详解】A.目前的核电站都是利用核裂变释放的核能来发电的,故A错误,符合题意;
B.电磁波的传播不需要介质,我国的北斗卫星定位系统是利用电磁波进行定位的,故B正确,不符合题意;
C.传递信息的方式有很多种,微波通信、卫星通信、光纤通信、网络通信都可以用来传递信息,故C正确,不符合题意;
D.可再生能源可以从自然界中源源不断地得到的能源,以风能、水能、太阳能等为代表的可再生能源是未来理想能源的一个重要发展方向,故D正确,不符合题意。
11.(2024天津和平区一模)下列关于电与磁的各图中说法不正确的是( )
A.甲图电源的a端是电源的正极
B.乙图装置中闭合电路的部分导体在磁场中运动,导体中就产生感应电流
C.丙图实验中,闭合开关,滑动变阻器滑片P向左滑动时,弹簧测力计的示数变大
D.丁图开关闭合后铜块将受到水平向右的吸引力
【答案】BCD
【详解】A.根据异名磁极相互吸引可知,通电螺线管左端为S极,右端为N极,根据右手螺旋定则可知,电流从通电螺线管左端流入,右端流出,所以,甲图电源的a端是电源的正极,故A正确,A不符合题意;
B.乙图装置中闭合电路的部分导体在磁场中做切割磁感线运动,导体中产生感应电流,若运动时不切割磁感线,不会产生感应电流,故B错误,B符合题意;
C.丙图实验中,闭合开关,滑动变阻器滑片P向左滑动时,滑动变阻器接入电路的阻值变大,电路中电流变小,通电螺线管磁性减弱,对铁块的吸引力变小,弹簧测力计的示数变小,故C错误,C符合题意;
D.丁图开关闭合后,通电螺线管产生磁性,可以吸引铁、钴、镍一类的物质,但是不能吸引铜,铜块不会受到吸引力,故D错误,D符合题意。
8.(2024河西区一模)物理实践活动中,小明同学利用热敏电阻设计了一个“过热自动报警电路”,如图所示。热敏电阻的阻值随温度的升高而减小,将其安装在需要探测温度的地方。当探测温度正常时,仅指示灯亮;当探测温度升高到某一设定值时,仅警铃响。为了达到上述要求,警铃应安装在( )
A.位置aB.位置bC.位置cD.无法判断
【答案】B
【详解】热敏电阻的阻值随温度的升高而减小,所以当温度较高时,热敏电阻的阻值较小,电路中电流较大,电磁铁磁性较强,吸引衔铁,图中b所在的支路被接通,因题中要求当探测温度升高到某一设定值时,仅警铃响,所以电铃应接在位置b处。所以指示灯接在位置a处,c处不论衔铁是否被吸下均处于通路状态,所以电铃和指示灯都不能接在c处。
9.(3分)(2024•河东区一模)如图所示,电源、滑动变阻器与螺线管相连,闭合开关,在通电螺线管的右端放置一个小磁针,小磁针静止时N极指向水平向右。则下列说法正确的是( )
A.电源左端为负极
B.通电螺线管的左端为N极
C.将滑动变阻器滑片P向左移动,通电螺线管的磁性增强
D.将电源正负极位置对调,小磁针静止时N极指向将改变
【答案】D
【解答】解:AB.已知小磁针静止时N极水平向右,根据磁极间的相互作用可知,通电螺线管的右端为N极,左端为S极,
伸出右手握住螺线管,四指弯曲指示电流的方向,大拇指所指的方向为通电螺线管的N极,因电源左端为正极,右端为负极,故AB错误;
C.滑动变阻器滑片向左移动时,滑动变阻器接入电路中的电阻变大,电流变小,因此通电螺线管的磁性减弱,故C错误。
D.若对调电源的正负极位置,闭合开关,电流方向改变,则螺线管的磁极改变,则小磁针静止时其N极指向将改变,D正确。
8.(3分)(2024•红桥区一模)如图所示的实验装置与探究内容不相符的是( )
A.探究磁极间相互作用规律
B.探究磁性强弱与电流大小的关系
C.探究通电直导线周围存在磁场
D.探究产生感应电流的条件
【答案】B
【解答】解:A、据小磁针偏转的情况可以判断磁极间的作用规律,则该实验装置与探究内容相符,故A不符合题意;
B、该实验是探究电磁铁磁性的强弱与线圈匝数的关系,即电流一定时,线圈匝数多的磁性强,故该实验装置与探究内容不相符,故B符合题意;
C、据奥斯特实验可知,通电导线周围存在着磁场,则该实验装置与探究内容相符,故C不符合题意;
D、该装置中,若闭合开关,且导体做切割磁感线运动时,能产生感应电流,则该实验装置与探究内容相符,故D不符合题意。
8.(2024津南区一模)下列设备中应用了电磁感应现象的是( )
A.电磁起重机B.电热水壶C.发电机D.电动机
【答案】C
【详解】A.闭合电路的一部分导体在磁场中做切割磁感线运动时,导体中就会产生感应电流,这种现象叫电磁感应;电磁起重机是利用电磁铁通电时有磁性,断电时无磁性的原理来工作的,故A不符合题意;
B.电热水壶是利用电流的热效应工作的,故B不符合题意;
C.发电机是利用电磁感应的原理制成的,故C符合题意;
D.电动机是利用通电线圈在磁场中受力转动的原理制成的,故D不符合题意。
8.(2024南开区二模)发展新能源电动汽车是我国应对气候变化、推动绿色发展的战略举措。如今,新能源电动汽车随处可见,图所示选项中,能反映新能源电动汽车动力装置原理的是( )
A.B.
C.D.
【答案】B
【详解】新能源纯电动空调车的动力装置为电动机,其工作原理是通电导体在磁场中受力而运动。
A.图为探究电磁铁与电流大小的关系实验,通过移动滑动变阻器的滑片来改变电流的大小,故A不符合题意。
B.图中有电源,开关闭合后,导线中有电流通过,该实验说明通电导体在磁场中会受到力的作用而运动。故B符合题意;
C.图为奥斯特实验,说明通电导体周围存在磁场。故C不符合题意;
D.图中无电源,当导体做切割磁感线运动时,会产生感应电流,灵敏电流计的指针会发生偏转,这是发电机的原理,故D不符合题意。
(3分)(2024•红桥区二模)发展新能源汽车是我国应对气候变化、推动绿色发展的战略举措。图中能说明新能源汽车的动力装置工作原理的是( )
A.B.C.D.
【解答】解:新能源汽车的动力来源于电动机,电动机是利用通电导体在磁场中受到力的作用来工作的。
A、该装置说明通电导体的周围存在磁场,故A不符合题意;
B、该装置说明通电导体在磁场中会受到力的作用,电动机就是利用该原理制成的,故B符合题意;
C、该装置说明闭合电路的部分导体在磁场中做切割磁感线运动时会产生感应电流,这种现象叫电磁感应,发电机就是利用该原理制成的,故C不符合题意;
D、该装置可以探究电磁铁的磁性强弱与电流的大小有关,故D不符合题意。
6.(3分)(2024•北辰区二模)如图中各螺线管通电后,小磁针的指向正确的是( )
A.B.
C.D.
【答案】B
【解答】解:
A、由图知,电流从螺线管的右端流入、左端流出,根据安培定则可知,螺线管的左端是N极、右端是S极;由于同名磁极相互排斥,异名磁极相互吸引,所以图中小磁针的左端应是N极,右端是S极,故A错误。
B、由图知,电流从螺线管的右端流入、左端流出,根据安培定则可知,螺线管的左端是N极、右端是S极;由于同名磁极相互排斥,异名磁极相互吸引,所以图中小磁针的左端是N极,右端是S极,故B正确;
C、由图知,电流从螺线管的上端流入、下端流出,根据安培定则可知,螺线管的下端是N极、上端是S极;由于同名磁极相互排斥,异名磁极相互吸引,所以小磁针的下端应是N极,上端是S极,故C错误。
D、由图知,螺线管中正面的电流方向向下,根据安培定则可知,螺线管的右端是N极、左端是S极;由于同名磁极相互排斥,异名磁极相互吸引,所以小磁针的右端是S极,左端是N极,故D错误。
故选:B。
8.(3分)(2024•红桥区三模)如图所示,通电螺线管上方附近有一点M,小磁针置于螺线管的左侧附近。闭合开关K,下列判断正确的是( )
A.M点的磁场方向向左
B.螺线管的左端为S极
C.向右移动滑片P,螺线管的磁场增强
D.小磁针静止后,其N极的指向向左
【答案】D
【解答】解:AB、由安培定则可知,右手握住螺线管,四指指向电流的方向,大拇指指向左端,则通电螺线管的左端为N极。在磁体的外部,磁感线从N极指向S极,所以通电螺线管外M点的磁场方向向右,故AB错误;
C、向右移动滑片P,连入电路的电阻增大,电流减小,螺线管的磁性减弱,故C错误;
D、通电螺线管的左端是N极,根据异名磁极相互吸引可知,小磁针的S极应靠近螺线管的左端,则小磁计静止时,其N极的指向向左,故D正确。
故选:D。
9. (2024滨海新区二模)如图所示,图中的a表示垂直于纸面的一根导线,它是闭合电路的一部分。当它在磁场中按箭头方向运动时,能产生感应电流的是( )
A B.
C. D.
【答案】D
【解析】
【详解】A.如图,磁感线沿竖直方向,导线向上运动时,不切割磁感线,不能产生感应电流,故A不符合题意;
B.如图,磁感线沿竖直方向,导线向下运动时,不切割磁感线,不能产生感应电流,故B不符合题意;
C.如图,磁感线沿水平方向,导线向右运动时,不切割磁感线,不能产生感应电流,故C不符合题意;
D.如图,磁感线沿水平方向,导线向上运动时,切割磁感线,能产生感应电流,故D符合题意。
故选D。
3. (2024南开区三模)如图所示的四个实验中,能够说明发电机原理的是( )
A. B. C. D.
【答案】C
【详解】A.图中是奥斯特实验,小磁针发生偏转说明通电导体周围有磁场,故A不符合题意;
BD.电路中有电源,通电导体或线圈受到磁场力的作用发生运动,故BD不符合题意;
C.在外力作用下使导体左右移动,切割磁感应线,则电流表指针发生偏转,说明此时有感应电流产生,这是电磁感应现象,是发电机的工作原理,故C符合题意。
3. (2024武清区三模)如图甲所示的装置被称为“人造太阳”,有望成为世界上第一个投入运营的聚变示范堆,图乙是核聚变时的情境。下列关于“人造太阳”的理解不正确的是( )
A. “人造太阳”核变时的污染较小B. “人造太阳”将是一种新型能源
C. “人造太阳”通过裂变获得核能D. “人造太阳”通过聚变获得核能
【答案】C
【详解】AB.“人造太阳”核变时,生成物是水,对环境污染小,同时放出大量能量,原材料也极易找到,可以缓解传统能源危机问题,是一种新型能源,故AB正确,不符合题意;
CD.核裂变时会产生大量辐射,极易造成核污染。但“人造太阳”获得核能的方式是核聚变,故C错误,符合题意,D正确,不符合题意。
5. (2024武清区三模)随着水电、风电、光伏的发展,“绿电”已广泛应用于人们的生产生活,向全世界展示了中国推动能源革命的巨大成就。下列有关能源和能量说法正确的是( )
A. 核电站通过核聚变的方式获得核能
B. 太阳能、水能、风能、核能都是可再生能源
C. 能量无论是转化还是转移,其总和都会逐渐减少,所以我们要节约能源
D. 电能属于二次能源
【答案】D
【详解】A.核电站是利用中子轰击质量比较大的铀原子核,使其发生裂变,产生的能量,故A错误;
B.太阳能、水能和风能都可源源不断地从自然界获得,是可再生能源,而核能短期内不能从自然界获得,是不可再生能源,故B错误;
C.能量无论是转化还是转移,其总和都会保持不变,但能源的转化或转移具有方向性,所以需要节约能源,故C错误;
D.电能是通过消耗一次能源得到的,是二次能源,故D正确。
10.(2024武清区三模) 对图中实验现象分析,不正确的是( )
A. 图甲中,实验图像展示出某些材料一定温度下具有超导现象
B. 图乙中,闭合开关,当导体以在磁场中沿水平方向运动时,电流表指针会偏转
C. 图丙中,是发电机的工作原理图
D. 图丁中,发光二极管,简称LED, 具有单向导电性
【答案】C
【详解】A.图甲中,当温度降低到一定值时,电阻突然变为零的现象叫做超导现象,故A正确,不符合题意;
B.图乙中,闭合开关,当导体在磁场中沿竖直方向运动时,导体做切割磁感线运动,会产生感应电流,电流表指针会偏转,故B正确,不符合题意;
C.图丙中,图丙中有电源,是演示磁场对电流作用的实验装置,应用于电动机故,故C错误,符合题意;
D.图丁中,发光二极管,简称LED,只能允许电流单方向通过,反过来就不通路,具有单向导电性,故D正确,不符合题意。
9.(3分)(2024•天津模拟)如图是汽车油箱内监测油量的装置模型,电流表显示油量,电磁继电器控制指示灯L1、L2。当油量较低时( )
A.电流表示数变小,L1灯亮
B.电流表示数变小,L2灯亮
C.电流表示数变大,L1灯亮
D.电流表示数变大,L2灯亮
【答案】B
【解答】解:当油量较低时,浮标受到的浮力减小,浮标下降,连入电路的电阻变大,根据欧姆定律知,电路中的电流变小;
根据杠杆的知识,与浮标连接的触点向上运动,当触点与静触点相接触后,电磁继电器电路接通,电磁铁具有磁性,吸引上方的衔铁,衔铁向下运动,使L2接入电路,指示灯L2会亮,故B正确。
8.(3分)(2024•天津模拟)如图所示,在通电螺线管(导线中箭头表示电流方向)附近放置的小磁针(黑端为N极),静止时其指向正确的是( )
A.B.
C.D.
【答案】A
【解答】解:A、根据安培定则可知,通电螺线管N极在右端,由同名磁极相互排斥,异名磁极相互吸引,可知,小磁针左端为S极,右端为N极,故A正确;
B、根据安培定则可知,通电螺线管N极在上端,由同名磁极相互排斥,异名磁极相互吸引,可知,小磁针上端为S极,下端为N极,故B错误;
C、根据安培定则可知,通电螺线管N极在左端,由同名磁极相互排斥,异名磁极相互吸引,可知,小磁针左端为S极,右端为N极,故C错误;
D、根据安培定则可知,通电螺线管N极在左端,由同名磁极相互排斥,异名磁极相互吸引,可知,小磁针左端为S极,右端为N极,故D错误。
故选:A。
5. (2024河西区二模)电动汽车刹车时,汽车电动机“变身”为发电机,将汽车动能转化为电能,简称动能回收系统。如图实验中与动能回收系统原理相同的是( )
A. B.
C. D.
【答案】A
【解析】
【详解】电动汽车刹车时,汽车电动机“变身”为发电机,将汽车动能转化为电能,是电磁感应原理;
A.闭合开关,导体ab在磁场中做切割磁感线运动时,电路中产生感应电流,是电磁感应现象,与动能回收系统原理相同,故A符合题意;
B.闭合开关,通电导线周围存在磁场,是奥斯特实验的内容,是电流的磁效应,与动能回收系统原理不相同,故B不符合题意;
C.闭合开关,大头针被绕有螺线管的铁钉(电磁铁)吸引,说明电磁铁通电有磁性,与动能回收系统原理不相同,故C不符合题意;
D.闭合开关,导体在磁场中受力而运动,是通电导体在磁场中受力而运动,是电动机的工作原理,与动能回收系统原理不相同,故D不符合题意。
故选A。
8. (2024和平区三模)如图所示为温度自动报警器原理图,制作水银温度计时在玻璃管中封入一段金属丝,电源的两极分别与水银和金属丝相连。下列说法不正确的是( )
A. 若要提高报警温度,可以增大控制电路的电源电压
B. 金属丝下端所指的温度为报警温度
C. 当温度达到设定温度时,控制电路接通,电磁铁中有电流,电磁铁有磁性,吸引衔铁,使工作电路接通,电铃响报警
D. 电磁铁的工作原理是电流的磁效应
【答案】A
【解析】
【详解】ABC.水银液面到达金属丝下端时,与上方金属丝连通,左侧电路接通,电磁铁中有电流通过,产生磁性,吸引衔铁,使触点接触,右侧电路接通,电铃发出报警信号;而增大控制电路的电源电压并不能提高报警温度;要想提高报警温度,可以缩短金属丝在温度计中的长度,故A错误,符合题意,BC正确,不符合题意;
D.电磁铁是利用电流的磁效应工作的,通电后具有磁性,可以吸引衔铁。故D正确,不符合题意;
故选A。
15.(4分)(2024•天津模拟)在野外求生活动中,小明依靠指南针来辨别方向,当他把指南针水平放置时,内部“小磁针”静止时的情况如图甲所示,则“小磁针”指南的一端是 S 极(填“N”“S”),若将这个指南针放在如图乙所示的电磁铁左方,“小磁针”静止时仍呈现如图甲所示的指向,则电磁铁的上端是 N 极(填“N”“S”)。
【答案】S;N。
【解答】解:地磁场的N极在地理南极附近,其S极在地理北极附近,小磁针的N极指向地磁场的S极,小磁针的S极指向地磁场的N极,所以“小磁针”指南的一端是S极;
根据异名磁极相互吸引可知,电磁铁的上端为N极,下端为S极。
故答案为:S;N。
16.(4分)(2024•北辰区二模)如图所示的装置可以说明 发电 机的工作原理;若导体棒AB在磁场中竖直上、下运动时,灵敏电流表的指针 不能 (选填“能”或“不能”)发生偏转。
【答案】发电;不能。
【解答】解:由图可知,该装置为探究电磁感应现象的实验装置,根据电磁感应现象制成了发电机;
开关闭合后,当导体棒ab在磁场中竖直上下运动时,由于ab没有切割磁感线,所以电路中不会产生感应电流,灵敏电流表的指针不偏转。
故答案为:发电;不能。
14. (2024南开区三模)“司南”是我国四大发明之一,当自由旋转的“司南”静止时,___________(选填“勺头”或“勺柄”)指南,___________(选填“扬声器”或“话筒”)工作时和发电机的原理相同。
【答案】 ①. 勺柄 ②. 话筒
【解析】
【详解】[1]地磁场的N极在地理南方,勺柄是“司南”的S极,由于S极受力的方向与磁场的方向相反,所以“司南”静止时勺柄应指向地磁场的N极,即指向南方。
[2]发电机的原理是电磁感应现象,话筒工作时,声音会使得话筒内的振膜振动,带动线圈线圈振动,线圈在磁场中做切割磁感线运动,产生感应电流,将声信号转化为电信号,可知话筒的工作原理是电磁感应现象,故话筒工作时和发电机的原理相同。
17.(4分)(2024•河北区二模)如图所示的条形磁铁固定于小车上,小车静止在光滑的水平面上。电磁铁与条形磁铁在同一水平面上,电磁铁左端固定并保持水平,闭合电键后,小车将向 右 运动,当电路中滑动变阻器滑片P逐渐向上移动时,电磁铁的磁性 变强 (选填“变强”、“变弱”或“不变”)。
【解答】解:由安培定则得,电磁铁左端为N极,右端为S极,则与条形磁铁的同名磁极相互排斥,则条形磁铁受到电磁铁向右的排斥力,闭合电键后,小车将向右运动;
当滑片逐渐向上移动时,连入电路的电阻逐渐减小,由欧姆定律可得线圈中电流逐渐变大,则磁场逐渐变强。
故答案为:右;变强。
19. (2024武清区三模)下图所示的电路中,当开关S闭合时电磁继电器中电磁铁的A端是______(选填“N”或“S”),电动机_______(选填“甲”或“乙”)工作。
【答案】 ①. N ②. 乙
【解析】
【详解】[1]由图可知,控制电路中的电流是从电磁铁的下端流入、上端流出,由安培定则可知,电磁铁A端为N极,B端为S极。
[2]当闭合开关后,电磁铁产生磁性吸引衔铁,使动触点与下面的静触点接触,乙电动机所在的电路接通,乙电动机工作,甲电动机所在电路断路,甲电动机不工作。
18.(2024天津和平区一模)下水井盖的丢失给人们出行带来了安全隐患。为提示路人注意安全,小明设计了如图所示的模拟井盖丢失的报警电路,电路中利用一元硬币代替铁质井盖。当井盖丢失时,电磁铁的线圈中 (填“有”或“无”)电流通过,灯泡 (填“发光”或“不发光”)。
【答案】 无 发光
【详解】[1][2]由图可知,当井盖丢失时,控制电路断开,电路中无电流通过,电磁铁无磁性,动触点与上方触点接触,使工作电路连通,灯泡发光报警。
17.(4分)(2024•河东区一模)如图所示,a表示垂直于纸面的一根导线,它是闭合电路的一部分。它在磁场中的箭头方向运动时, ③④ (填序号)会产生感应电流,根据此现象可以制成 发电机 填“电动机”、“发电机”或“电磁铁”)。
【答案】③④;发电机
【解答】解:磁极间的磁感线是从N极指向S极,由图可知,③④中的导体做切割磁感线运动,所以会产生感应电流;而①②中的导体运动的方向与磁感线方向相同或相反,没有做切割磁感线运动,不会产生感应电流;人们利用电磁感应现象制成了发电机。
故答案为:③④;发电机。
19.(4分)(2024•滨海新区一模)小明学习了磁现象后,对图中甲、乙、丙所示实验进行了探究。由实验现象可知:
①通电导线周围存在磁场,且磁场的方向与 电流方向 方向有关;
②断开电源后,小磁针恢复到图甲状态,这是因为小磁针受到了 地磁场 的作用。
【答案】①电流方向;②地磁场。
【解答】解:①由图乙、丙可知,当导线中电流方向改变时,小磁针的N极的偏转方向发生变化,说明此时导线周围磁场方向发生变化,故通电导线周围存在磁场,且磁场的方向与电流方向有关。
②地球周围也存在磁场,断开电源后,小磁针恢复到图甲状态,这是因为小磁针受到了地磁场的作用。
故答案为:①电流方向;②地磁场。
17.(2024南开区二模)如图甲所示是我国古代四大发明之一的指南针司南,由其勺柄指南可知司南的勺柄是 (选填“N”或“S”)极;—如下图乙所示,当开关S闭合时,根据小磁针静止时的指向可知电源的正极在 (选填“c”或“d”)端。
【答案】 S d
【详解】[1]地球本身是一个巨大的磁体,地磁北极在地理南极附近,地磁南极在地理的北极附近,司南的勺柄指南,勺柄是S极。
[2]由小磁针静止时的指向可知,通电螺线管的左端为S极,右端为N极,由安培定则可知,电流由螺线管的右后方流入,左前方流出,所以电源的正极在d端。
19.(4分)(2024•红桥区二模)如图所示,小明利用电磁继电器设计了一个水位自动报警装置,当水位未达到金属块M时,灯泡不亮。水位达到金属块M时,灯泡亮,则接线柱C应与 B (选填“A”或“B”)相连,已知灯泡的规格为“12V 6W”,灯泡正常发光时,通电1min,灯泡消耗的电能是 360 J。
【解答】解:由图可知,当水位未达到金属块M时,控制电路开路无电流,电磁铁无磁性,不能吸引衔铁,此时灯泡不亮,则接线柱C与A没有连接;
当水位达到金属块M时,控制电路通电,电磁铁有磁性,吸引衔铁,灯泡亮,说明电路接通,则接线柱C应该与B连接;
通电1min,灯泡消耗的电能:W=Pt=6W×1×60s=360J。
故答案为:B;360。
15. (2024河西区二模)如图所示,闭合开关S前,小磁针的N极指向地理的_______(选填“南”或“北”)方;闭合开关S时,小磁针的N极向_______(选填“左”或“右”)偏转。
【答案】 ①. 北 ②. 右
【解析】
【详解】[1]人们规定小磁针自由静止时,指北的一端叫北极,而地理北极在地磁南极附近,所以小磁针自由静止时,小磁针的N极指向地磁场的S极。
[2]读图可知,电源的右侧为正极,用右手握住螺线管,使四指指向电流的方向,则大拇指所指的右端为N极,左端就是S极.根据异名磁极相互吸引可知,小磁针的N极将向右偏转。
18.(2024河东区二模)如图是说明巨磁电阻特性原理的示意图,图中GMR 是巨磁电阻(在磁场中电阻随磁场的增强而减小)。电源电压不变,闭合开关Sₗ、S₂,电磁铁的右端为 极;将滑片P向右滑动,指示灯亮度变 (选填“亮”或“暗”)。
【答案】 S 暗
【详解】[1]闭合开关Sₗ、S₂后,电流从电磁铁右端流入,利用安培定则可知,电磁铁的左端为N极、右端为S极。
[2]当滑动变阻器滑片P向右滑动时,滑动变阻器连入电路中的电阻变大,则电路中的电流变小,通电螺线管的磁性减弱;由右图可知,巨磁电阻和灯泡串联,因巨磁电阻的阻值随磁场的增强而减小,所以,此时巨磁电阻的阻值会变大,右侧电路中的总电阻变大,根据欧姆定律可知,右侧电路中的电流变小,通过灯泡的电流变小,其中灯泡的亮暗取决于实际功率的大小,由可得,灯泡的实际功率变小,灯泡变暗。
15.(2024西青区二模)物体沿着斜面匀速下滑,图中 (选填“G1、G2或G3”)为物体B所受重力的示意图;图中通电螺线管的C端是 极。
【答案】 G3 S
【详解】[1]如图,重力是由于地球吸引而产生的,重力的方向总是竖直向下,G3竖直向下,故图中G3为物体B所受重力的示意图。
[2]如图,通电螺线管中电流的方向从下端流入,上端流出,用右手握住通电螺线管,弯曲四指的方向为电流方向,大拇指所指方向为通电螺线管的N极,即上端为通电螺线管的N极,图中通电螺线管的C端是S极。
14.(2024•天津一中模拟)煤属于 不可再生 能源(选填“可再生”或“不可再生”);若煤的热值是3×107J/kg,2t煤完全燃烧放出的热量是 6×1010 J。利用不加控制的核裂变,制造的毁灭性武器是 原子弹 (选填“原子弹”或“氢弹”)。
【解答】解:(1)煤属于化石能源,一旦消耗,不能在短期内从自然界得到补充,属于不可再生能源;
(2)质量为m=2t=2000kg的煤完全燃烧放出的热量为:Q=mq=2000kg×3×107J/kg=6×1010J;
(3)原子弹是利用不加控制的核裂变的核武器。
故答案为:不可再生;6×1010J;原子弹。
17. (2024和平区三模)如图所示,开关闭合后,螺线管左端为___________极;小磁针的N极指向将变成水平向___________。
【答案】 ①. S ②. 右
【解析】
【17题详解】
[1]由图可知,电流从螺线管的左端流入,根据安培定则可判断螺线管左端为S极,右端为N极。
[2]由于同名磁极相互排斥,异名磁极相互吸引,可知小磁针将逆时针旋转,即小磁针的N极指向将变成水平向右。
15.(2024天津部分区二模)如图所示,闭合开关S后,螺线管右端为 极;若向右移动滑片,通电螺线管的磁性会 (选填“增强”或“减弱”)。
【答案】 S 增强
【详解】[1]如图,闭合开关S后,电流从螺线管右端流入,左端流出,根据右手螺旋定则可知,螺线管左端为N极,右端为S极。
[2]若向右移动滑片,滑动变阻器阻值变小,电路中电流变大,通电螺线管的磁性会增强。
25.(6分)(2024•红桥区三模)佛山某生态园在花棚里安装了自动喷雾和浇水系统,其简化后的电路图如图甲所示。浇水系统的开关S2是电子时控开关,每天上午7:00﹣7:15、中午12:00﹣12:15、下午17:00﹣17:15会自动闭合,启动浇水系统对花卉进行浇淋。喷雾系统用于调节空气湿度,其控制电路中电源电压U=12V,R为装在探头上的湿敏电阻,其阻值随相对湿度φ(空气中含有水蒸气的百分比,单位为:%RH)变化的图象如图乙所示。当控制电路的电流达到0.04A时,继电器的衔铁被吸合;当控制电路中的电流减小到0.03A时,衔铁被释放。
(1)浇水系统的水泵参数如下表,则水泵一个月(按30天)耗电 27 kW•h。
(2)随着花棚内空气湿度减小,控制电路的电流会 变小 (选填“变大”“变小”或“不变”),图甲中喷雾系统的C点应连接 A (选填“A”或“B”)点,浇水系统和喷雾系统的连接方式是 并 联。
(3)如果花棚的湿度小于50%时喷雾系统启动,则R0的阻值为 250 Ω;当花棚湿度到达 70% ,喷雾系统停止工作。当使用时间长以后,控制电路的电压U会降低,这时花棚所控制的最高湿度会 上升 (选填“上升”“下降”或“不变”)。
【答案】(1)27;(2)变小;A;并;(3)250;70%;上升。
【解答】解:(1)由题意可知,浇水系统每天工作的时间:t=15min+15min+15min=45min,
则水泵一个月工作的总时间:t总=30t=30×45min=1350min=22.5h,
由P=可知,水泵一个月消耗的电能:W=Pt总=1200×10﹣3kW×22.5h=27kW•h;
(2)由图乙可知,花棚的湿度减小,湿敏电阻R的阻值变大,由串联电路的电阻特点可知,控制电路的总电阻变大,由欧姆定律可知,控制电路的电流会变小;
由电磁铁的磁性影响因素可知,电磁铁的磁性减弱,衔铁被释放,动触点与A接触,由题意可知,此时应启动喷雾系统,因此图甲中喷雾系统的C点应连接A点;
由题意可知,浇水系统和喷雾系统可以不同时工作,因此浇水系统和喷雾系统的连接方式是并联;
(3)由图乙可知,湿度为50%时,湿敏电阻的阻值为150Ω,
由题意可知,喷雾系统启动时电路中的电流为0.03A,
由欧姆定律可知,此时控制电路的总电阻:R启动===400Ω,
由串联电路的电阻特点可知,R0的阻值:R0=R启动﹣R=400Ω﹣150Ω=250Ω;
由题意可知,喷雾系统停止工作时电路中的电流为0.04A,
由欧姆定律可知,此时控制电路的总电阻:R停止===300Ω,
由串联电路的电阻特点可知,此时湿敏电阻的阻值:R'=R停止﹣R0=300Ω﹣250Ω=50Ω;
由图乙可知,花棚湿度为70%;
由题意可知,喷雾系统停止工作时,控制电路中的电流一定,控制电路的电压U降低,由欧姆定律可知,控制电路的总电阻减小,由串联电路的电阻特点可知,湿敏电阻的阻值减小,由图乙可知,这时花棚所控制的最高湿度会上升。
故答案为:(1)27;(2)变小;A;并;(3)250;70%;上升。型号
SC****
材质
不锈钢
功率
1200W
颜色
灰白色
电源
220V/50Hz
重量
80kg
相关试卷
这是一份2023年天津市中考物理模拟题分类精选21.电学基础(Word版附解析),共30页。试卷主要包含了6×10-19 C,【答案】同种绝缘体等内容,欢迎下载使用。
这是一份2023年天津市中考物理模拟题分类精选22.电路识别与设计(Word版附解析),共9页。
这是一份2023年天津市中考物理模拟题分类精选25.电路故障(Word版附解析),共3页。试卷主要包含了【答案】D等内容,欢迎下载使用。
相关试卷 更多
- 1.电子资料成功下载后不支持退换,如发现资料有内容错误问题请联系客服,如若属实,我们会补偿您的损失
- 2.压缩包下载后请先用软件解压,再使用对应软件打开;软件版本较低时请及时更新
- 3.资料下载成功后可在60天以内免费重复下载
免费领取教师福利

