第二单元 第八课时 细胞器之间的协调配合-2025年高考生物大一轮复习(课件+讲义+练习)
展开1、注重基础;首先要通读教材。通过对教材的温习,能将课本相关知识有序地组织起来,形成知识链条和网络,使知识系统化、网络化,将所学的知识浓缩其中,将书本由“厚”变“薄”,了解各知识点在知识体系中的具体位置,弄清楚各知识点之间的内在联系,有利于联想记忆,也有利于深层次拓展知识,更利于培养综合运用知识去分析解决实际问题的能力。2、重视实验;从高考卷看,实验占有十分突出的位置。实验题不仅占分比例大,而且经常出现新的题型。是高考的重点也是难点,更是学生的失分点。 3、注重理论联系实际;生物的考试并不仅仅是考概念,学会知识的迁移非常重要,并要灵活运用课本上的知识。不过特别强调了从图表、图形提取信息的能力。历年高考试题,图表题都占有比较大的比例。 4、重视几种能力的训练。注重能力的考查是近几年高考的重点,基础知识是综合运用、提升能力的基石。夯实基础不能离开课本,无论什么综合题、联系实际的问题,原理都在课本里。在复习备考中,不能忽略现有教材的例子、资料分析、问题探讨、技能训练等。另外,生物考卷的阅读量越来越大,做题速度越来越重要,考生要在提高读题速度的同时不影响做题的正确率。
2025年高考生物大一轮复习
举例说明细胞各部分结构之间相互联系、协调一致,共同执行细胞的各项生命活动。
考点一 分泌蛋白的合成和运输
考点二 细胞的生物膜系统
核糖体、 内质网、高尔基体和细胞膜
(1)鲁宾和卡门用放射性同位素18O分别标记H2O和CO2进行光合作用实验,证明光合作用释放的氧气来自水( )
(2)分泌蛋白的合成与分泌过程中经过的细胞结构有:核糖体、内质网、高尔基体、线粒体、细胞膜( )
(3)与分泌蛋白的合成与分泌有关的膜结构:核糖体、内质网、高尔基体、细胞膜和线粒体( )
(4)分泌蛋白的合成与分泌过程中,依次经过的细胞器是核糖体、内质网、高尔基体、细胞膜( )
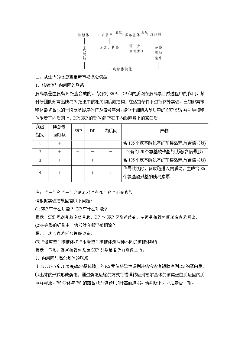
一、构建概念模型根据教材P51“分泌蛋白的合成和运输”的实验结果,用箭头和文字画出分泌蛋白合成、运输、分泌途径示意图,并用关键词(教材P52)描述各细胞结构在此过程中的作用。
二、从生命的信息观重新审视概念模型1.核糖体与内质网的联系胰岛素是由胰岛B细胞合成的。为探究SRP、DP和内质网在胰岛素合成过程中的作用,某科研团队分离出胰岛B细胞中的相关物质或结构,在适宜条件下进行体外实验。已知游离核糖体最初合成的一段氨基酸序列作为信号序列,被位于细胞质基质中的SRP识别并引导核糖体附着于内质网上,DP(SRP的受体)是存在于内质网膜上的蛋白质。
注:“+”和“-”分别表示“存在”和“不存在”。
请根据实验结果回答以下问题:(1)SRP有什么功能? DP有什么功能?
提示 SRP识别并结合信号肽。DP与SRP识别并结合,从而将核糖体固定在内质网上。
(2)在完整的细胞中,信号肽在哪里被切除?
提示 进入内质网后被酶切除。
(3)“游离型”核糖体和“附着型”核糖体是两种不同的核糖体吗?
提示 不是。游离核糖体是由SRP引导附着于内质网上的。
2.内质网与高尔基体的联系Ⅰ.(2021·山东,1改编)高尔基体膜上的RS受体特异性识别并结合含有短肽序列RS的蛋白质,以出芽的形式形成囊泡,通过囊泡运输的方式将错误转运到高尔基体的该类蛋白质运回内质网并释放。RS受体与RS的结合能力随pH的升高而减弱。请判断下列说法是否正确。
(1)胰岛素和抗体不属于该类蛋白( )(2)该类蛋白质运回内质网的过程消耗ATP( )(3)高尔基体内RS受体所在区域的pH比内质网的pH高( )(4)RS功能的缺失可能会使高尔基体内该类蛋白质的含量增加( )
Ⅱ.(2020·山东,1改编)经内质网加工的蛋白质进入高尔基体后,S酶会在其中的某些蛋白质上形成M6P标志。具有该标志的蛋白质能被高尔基体膜上的M6P受体识别,经高尔基体膜包裹形成囊泡,在囊泡逐渐转化为溶酶体的过程中,带有M6P标志的蛋白质转化为溶酶体酶;不能发生此识别过程的蛋白质经囊泡运往细胞膜。下列说法错误的是
A.M6P标志的形成过程体现了S酶 的专一性B.附着在内质网上的核糖体参与溶 酶体酶的合成C.S酶功能丧失的细胞中,衰老和 损伤的细胞器会在细胞内积累D.M6P受体基因缺陷的细胞中,带有M6P标志的蛋白质会聚集在高尔基 体内
化而来的,由此推测附着在内质网上的核糖体参与溶酶体酶的合成,B正确;
生识别过程,带有M6P标志的蛋白质会经囊泡运往细胞膜,D错误。
高尔基体与溶酶体的联系细胞内各种蛋白质的合成和转运途径如图:蛋白质在高尔基体中完成加工、分类和包装后,主要有三个去路:通过囊泡分泌到细胞外、成为膜蛋白和包裹在囊泡中形成溶酶体。
三、分析各种膜面积的变化1.人体进食后,血液中的葡萄糖含量升高。葡萄糖可作为信号分子作用于胰岛细胞,促进胰岛素的分泌,据此判断胰岛素的分泌会导致高尔基体膜面积发生什么改变?
提示 胰岛素的合成和分泌过程中存在内质网形成的囊泡与高尔基体融合,也存在高尔基体形成的囊泡与高尔基体脱离的过程,因此高尔基体的膜面积基本不变。
2.如图所示,胰岛细胞不断有囊泡融合到细胞膜上,细胞膜的面积暂时会增加,但总体上仍能保持相对稳定,请据图尝试做出解释。
提示 该细胞细胞膜与内质网膜直接相连,细胞膜可以转化为内质网膜。
考向一 细胞器之间的协调配合1.(2024·连云港高三模拟)研究人员发现了溶酶体修复的核心机制。在此过程中,内质网和受损溶酶体之间强力互作,激活胆固醇等物质转运至溶酶体起到修复作用。下列说法错误的是A.溶酶体几乎存在于所有动植物细胞,在其细胞自噬中发挥重要作用B.维持溶酶体的完整性及其水解能力有助于延缓衰老并推迟老年病的发生C.溶酶体和内质网间可能存在信息交流,推动了受损修复时二者间的强力互作D.溶酶体和内质网均由单层膜包被,前者含有较高的胆固醇,促进了膜结构的 稳定
溶酶体主要存在于动物细胞中,其在细胞自噬中发挥重要作用,A错误。
2.(2024·福建宁德第一中学高三质检)在分泌蛋白的合成过程中,游离核糖体最初合成的信号肽借助内质网上的SRP受体,将新生肽引导至内质网继续蛋白质的合成。当错误折叠蛋白在内质网聚集时,BiP-PERK复合物发生解离,形成游离的BiP与PERK蛋白。BiP可以将错误折叠的蛋白质重新正确折叠并运出。PERK被磷酸化激酶催化发生磷酸化,一方面抑制多肽链进入内质网,另一方面促进BiP表达量增加。下列说法正确的是A.与分泌蛋白的合成、加工及分泌有关的结构都属于生物膜系统B.SRP受体合成缺陷的细胞中,分泌蛋白会在内质网腔中聚集C.当PERK以游离状态存在时,内质网不能产生包裹蛋白质的囊泡D.提高磷酸化激酶活性可促进异常蛋白积累的内质网恢复正常
(1)生物膜系统指生物体内的所有膜结构,所以口腔黏膜、胃黏膜等也属于生物膜系统( )
(2)细胞膜、内质网、中心体都属于生物膜系统( )
(3)原核细胞的生物膜系统由细胞膜和核膜组成,病毒无生物膜系统( )
考向二 生物膜系统及其功能3.(2023·海南,3)不同细胞的几种生物膜主要成分的相对含量见表。
下列有关叙述错误的是A.蛋白质和脂质是生物膜不可或缺的成分,二者的运动构成膜的流动性B.高尔基体和内质网之间的信息交流与二者膜上的糖类有关C.哺乳动物红细胞的质膜与高尔基体膜之间具有膜融合现象D.表内所列的生物膜中,线粒体内膜的功能最复杂,神经鞘细胞质膜的 功能最简单
4.(2021·湖北,1)在真核细胞中,由细胞膜、核膜以及各种细胞器膜等共同构成生物膜系统。下列叙述错误的是A.葡萄糖的有氧呼吸过程中,水的生成发生在线粒体外膜B.细胞膜上参与主动运输的ATP酶是一种跨膜蛋白C.溶酶体膜蛋白高度糖基化可保护自身不被酶水解D.叶绿体的类囊体膜上分布着光合色素和蛋白质
1.(必修1 P51)分泌蛋白是指 的蛋白质。下列物质中属于该类蛋白的是 。①呼吸酶 ②胰岛素 ③血红蛋白 ④线粒体膜的组成蛋白 ⑤抗体 ⑥性激素2.请用箭头和文字的形式,构建分泌蛋白合成、运输和分泌过程中依次经过的结构: ,在此过程中消耗的能量主要来自 。
在细胞内合成后,分泌到细胞外起作用
核糖体→内质网→高尔基体→细胞膜
3.(必修1 P51)研究分泌蛋白的合成、运输的方法是 。常用的具有放射性的同位素:14C、32P、3H、 等;不具有放射性的稳定同位素: 等。
4.图甲表示分泌蛋白合成及分泌过程中膜面积的变化;图乙表示放射性颗粒在不同结构出现的先后顺序;图丙表示不同细胞器中放射性强度的变化。据图分析,图甲中A、B、C三条曲线所指代的膜结构分别是______________________________;图乙中1、2所指代的细胞器是 ;图丙中a、b、c所代表的细胞器分别为 。
核糖体、内质网、高尔基体
5.(必修1 P52)生物膜系统是由 共同构成。6.(必修1 P52)细胞膜不仅使细胞具有一个相对稳定的内部环境,同时在细胞与外部环境进行 的过程中起着决定性作用。
细胞器膜和细胞膜、核膜等结构
物质运输、能量转化和信息传递
7.2013年诺贝尔生理学或医学奖授予了三位科学家,因为他们解开了调控运输物在正确时间投递到细胞中正确位置的分子原理,也就是细胞通过囊泡精确地释放被运输的物质。图甲表示细胞通过形成囊泡运输物质的过程,图乙是图甲的局部放大。不同囊泡介导不同途径的运输。
(1)研究表明,图甲中的Y囊泡内的“货物”为多种水解酶,这些酶会储存在结构⑤中,推断结构⑤是 ,由内质网、高尔基体加工的蛋白质不一定是分泌蛋白,如 。
溶酶体中的水解酶、细胞膜上的蛋白质
(2)图乙中的囊泡能够精确地将细胞“货物”运送到相应位置并分泌到细胞外,据图推测可能的原因是_________________________________________________,此过程体现了生物膜具有 的功能。
囊泡上的蛋白质A和细胞膜上的蛋白质B
1.(2021·海南,2)分泌蛋白在细胞内合成与加工后,经囊泡运输到细胞外起作用。下列有关叙述错误的是A.核糖体上合成的肽链经内质网和高尔基体加工形成分泌蛋白B.囊泡在运输分泌蛋白的过程中会发生膜成分的交换C.参与分泌蛋白合成与加工的细胞器的膜共同构成了生物膜系统D.合成的分泌蛋白通过胞吐排出细胞
2.如图表示几种蛋白质的合成过程,其中①~③表示细胞器,④为囊泡的形成过程。下列叙述错误的是A.①是合成肽链的场所,在真核 细胞中①的合成与核仁有关B.②是多肽链进行加工的场所, 在蛋白质的运输过程中②的膜面积会发生变化C.③是物质运输的枢纽,其加工后的物质在囊泡中的位置存在差异D.图中囊泡可来源于②或③,其包裹的成熟的蛋白质可在细胞外发挥作用
3.(2022·广东,9)酵母菌sec系列基因的突变会影响分泌蛋白的分泌过程,某突变酵母菌菌株的分泌蛋白最终积累在高尔基体中。此外,还可能检测到分泌蛋白的场所是A.线粒体、囊泡 B.内质网、细胞外C.线粒体、细胞质基质 D.内质网、囊泡
4.(2024·重庆江北区高三联考)错误折叠的蛋白质对细胞有毒害作用。科学家发现,在酵母细胞的细胞核和液泡的交界处存在一个由核膜和液泡膜连接而成的“垃圾场”,细胞内错误折叠的蛋白质会被囊泡包裹转移到“垃圾场”,进而被转移到液泡内部进行降解。下列分析错误的是A.酵母细胞内蛋白质的折叠可能发生在内质网和高尔基体上B.错误折叠的蛋白质不能与双缩脲试剂发生紫色反应C.液泡内部可能含有水解酶,因而能降解错误折叠的蛋白质D.错误折叠的蛋白质被降解后的产物可能会被细胞重新利用
5.如图表示细胞中溶酶体(b)的发生过程和“消化”功能。下列叙述正确的是A.图中所示的膜结构共同构成 了该细胞的生物膜系统B.溶酶体中含有的多种水解酶 由细胞器a合成和加工C.f中线粒体被消化不利于维持细胞内部环境的稳定D.b的发生过程和f的形成过程均离不开膜的流动性
6.(2024·重庆长寿区高三期中)生物膜系统在结构和功能上联系紧密。COPⅠ、COPⅡ是两种包被膜泡,可以介导蛋白质在甲与乙之间的运输,过程如图所示。膜泡和囊泡的运输均依赖于细胞骨架。下列说法正确的是A.抑制细胞骨架的形成将影响溶酶体 的正常功能B.COPⅡ增多,COPⅠ减少,可导致 乙的膜面积逐渐减少C.图中溶酶体膜与细菌细胞膜的融合体现了生物膜的流动性D.使用3H标记该细胞的亮氨酸,细胞外检测到的放射性全部来自分泌蛋白
7.下列关于生物膜系统的叙述,正确的是A.生物膜系统包括细胞膜、细胞器膜、核膜、视网膜等体内各种膜B.各种生物膜的组成成分和结构完全一致,在结构和功能上有一定的联系C.生物膜系统保证了细胞生命活动高效、有序地进行D.没有生物膜系统的生物无法独立进行各种代谢活动
8.(2024·湖北宜昌一中高三模拟)分泌蛋白新生肽链的信号肽序列(位于肽链的N端,其末端常称为碱性氨基末端)合成后,可被信号识别颗粒所识别,引起蛋白质合成暂停或减缓;待核糖体及其上的新生肽链转移至内质网上,蛋白质合成又重新恢复。随后,已合成的肽链在信号肽引导下,穿过内质网膜进入内质网腔继续加工,其中信号肽序列将在信号肽酶的作用下被切除(如图)。下列相关叙述错误的是
A.胰岛素、抗体的形成需要经过该过程B.高尔基体膜内侧与内质网相连,外侧与 细胞膜相连,属于细胞的生物膜系统C.根据信号肽能引导肽链穿过内质网膜可 推测其上分布有重要的疏水序列D.分泌蛋白新生肽链的合成始于游离核糖体,说明附着型与游离型核糖 体在结构和功能上并无本质差异
9.存在于高尔基体膜上的GM130蛋白具有维持高尔基体结构稳定和捕获来自内质网的囊泡的功能。下列有关叙述错误的是A.高尔基体是单层膜细胞器,其周围的囊泡可以来自内质网和自身产生B.若GM130蛋白结构异常,则会影响高尔基体对蛋白质的合成、加工和 发送C.若GM130蛋白结构异常,则会影响来自内质网的囊泡与高尔基体膜融合D.若GM130蛋白出现在线粒体外膜上,则内质网产生的囊泡很可能会与 线粒体外膜融合
10.最新研究表明,内质网膜与线粒体膜、高尔基体膜等之间存在紧密连接的结构,称为膜接触位点(MCS),如图所示。MCS能够接收信息并为脂质、Ca2+等物质提供运输的位点,以此调控细胞的代谢。下列说法正确的是A.MCS中既有受体蛋白,又存在转运蛋白B.MCS加强了细胞之间的信息交流C.内质网与核糖体和中心体之间也存在MCSD.内质网和高尔基体进行信息交流必须经过MCS
11.(2024·常州前黄高级中学高三模拟)FtsZ蛋白是一种广泛存在于细菌细胞质中的骨架蛋白,与哺乳动物细胞中的微管蛋白类似。在细菌二分裂过程中,FtsZ蛋白先招募其他15种分裂蛋白形成分裂蛋白复合物,再促进细菌完成二分裂。下列说法错误的是A.FtsZ蛋白的合成不需要内质网、高尔基体的加工B.FtsZ蛋白与其他15种分裂蛋白都以碳链为骨架C.研发细菌FtsZ蛋白的抑制剂时,应考虑其对哺乳动物微管蛋白的影响D.亲代细菌二分裂过程中染色质和DNA经复制后可均分到子代细菌
12.内质网中的结合蛋白(BiP)可与进入内质网的未折叠蛋白的疏水氨基酸残基结合,促进它们重新折叠与装配,完成装配的蛋白质与BiP分离后进入高尔基体。当未折叠蛋白在内质网中过多时,与BiP结合的内质网Ⅱ型跨膜蛋白(ATF6)转移到高尔基体被激活,并通过细胞核的调控,恢复内质网中的蛋白质稳态。下列叙述错误的是A.未折叠蛋白在内质网中积累过多会影响细胞的正常代谢B.未折叠蛋白重新折叠与装配时需形成新的氢键或二硫键C.激活后的ATF6可降低内质网中未折叠蛋白的含量D.与BiP分离后的蛋白质都具有正常的生物活性
13.(2024·黄冈高三调研)酵母菌sec系列基因的突变会影响分泌蛋白的分泌过程。研究者发现:sec12基因突变体细胞中内质网特别大;sec17基因突变体细胞有大量的囊泡积累在内质网与高尔基体间;sec1基因突变体中由高尔基体形成的囊泡在细胞质中大量积累,下列说法不正确的是A.酵母菌将分泌蛋白分泌到细胞膜外需要膜上蛋白质的参与B.可通过检测突变体细胞中分泌蛋白的分布场所推理分析sec基因的功能C.野生型酵母菌细胞中分泌蛋白的转移途径:核糖体→内质网→囊泡→ 高尔基体→囊泡→细胞膜D.推测sec1基因编码的蛋白质可能参与囊泡与高尔基体融合的过程
14.内吞体是指细胞经胞吞作用形成的具膜小泡,可通过分裂等方式调控转运物质的分选,进而影响其胞内运输途径(包括进入溶酶体进行降解及转运至细胞膜或高尔基体循环利用)。研究发现,内吞体内P3P和P4P的相互转换与其分裂有关。敲除来源于高尔基体的S囊泡膜上的S蛋白,内吞体内的P3P含量下降,P4P含量上升,引起内吞体的分裂受阻。下列相关叙述不正确的是A.内吞体转运的物质需被溶酶体降解后才能被利用B.S蛋白的合成需要游离核糖体的参与C.内吞体内P4P向P3P转换有利于其完成分裂D.高尔基体在内吞体的分裂过程中发挥关键调控作用
15.高尔基体对损伤的神经细胞膜有修补作用,Src蛋白分布于高尔基体等处,参与细胞内信号转导。氧化应激是中枢神经系统损伤后产生的继发性损伤之一,科研人员使用H2O2构建氧化应激神经元模型并进行了相关实验,结果如图。下列说法不正确的是A.高尔基体可对来自内质网的蛋白质进行 加工、分类和包装B.高尔基体可能通过形成囊泡来修补损伤 神经元的细胞膜C.H2O2处理能影响神经元的正常功能,并使高尔基体平均长度增加D.注射SA激活神经元中的Src蛋白可加大氧化应激引起的继发性损伤
第二单元 第七课时 细胞器之间的分工-2025年高考生物大一轮复习(课件+讲义+练习): 这是一份第二单元 第七课时 细胞器之间的分工-2025年高考生物大一轮复习(课件+讲义+练习),文件包含第二单元第7课时细胞器之间的分工pptx、第二单元第7课时细胞器之间的分工-2025年高考生物大一轮复习课件+讲义+练习教师版docx、第二单元第7课时细胞器之间的分工-2025年高考生物大一轮复习课件+讲义+练习学生版docx、第二单元课时练7细胞器之间的分工-2025年高考生物大一轮复习课件+讲义+练习专练docx等4份课件配套教学资源,其中PPT共60页, 欢迎下载使用。
第二单元 第八课时 细胞器之间的协调配合-2025年高考生物大一轮复习课件: 这是一份第二单元 第八课时 细胞器之间的协调配合-2025年高考生物大一轮复习课件,文件包含第二单元第8课时细胞器之间的协调配合pptx、第二单元第8课时细胞器之间的协调配合教师版docx、第二单元第8课时细胞器之间的协调配合学生版docx等3份课件配套教学资源,其中PPT共60页, 欢迎下载使用。
2025届高三生物一轮复习课件第8课时 细胞器之间的协调配合: 这是一份2025届高三生物一轮复习课件第8课时 细胞器之间的协调配合,共42页。PPT课件主要包含了分泌蛋白的合成和运输,提示如图所示,细胞的生物膜系统,细胞器膜,细胞膜,物质运输,酶附着位点,线粒体,同位素标记法,18O等内容,欢迎下载使用。

