【开学考】2024秋高三上册开学摸底考试卷 化学-(北京专用).zip
展开(考试时间:90分钟 试卷满分:100分)
注意事项:
1.答卷前,考生务必将自己的姓名、准考证号填写在答题卡上。
2.回答选择题时,选出每小题答案后,用铅笔把答题卡上对应题目的答案标号涂黑。如需改动,用橡皮擦干净后,再选涂其他答案标号。回答非选择题时,将答案写在答题卡上。写在本试卷上无效。
3.考试结束后,将本试卷和答题卡一并交回。
可能用到的相对分子质量:C 12 O 16 Na 23 Ca 40 Cu 64
一、选择题:本题共14小题,每小题3分,共42分。在每小题给出的四个选项中,只有一项是符合题目要求的。
1.下列化学用语或图示表达不正确的是
A.的VSEPR模型:
B.反丁烯的分子结构模型:
C.丙酮的结构简式:
D.乙烯分子中的键:
2.下列解释事实的化学用语不正确的是
A.溶液遇闪锌矿生成铜蓝
B.铜与浓硝酸反应有红棕色气体生成:
C.用过量氨水吸收烟气中的少量
D.84消毒液不能与洁厕灵混用:
3.7-羟基香豆素的结构简式如图所示,下列说法不正确的是
A.分子式为C9H6O3
B.所有碳原子在同一平面上
C.1ml该物质与足量溴水反应,最多消耗3mlBr2
D.1ml该物质与足量NaOH溶液反应,最多消耗2mlNaOH
4.下列事实不能直接从原子结构角度解释的是
A.化合物ICl中I为+1价B.第一电离能:B>Al
C.沸点:CS2>CO2D.热稳定性:NH3>PH3
5.瓜环 是一种具有大杯空腔、两端开口的化合物(结构如图),在分子开关、催化剂、
药物载体等方面有广泛应用。瓜环 [n ] 可由和 HCHO 在一定条件下合成。下列说法不正确的是
A.合成 1 ml 瓜环 [7]时,有 7 ml 水生成B.分子间可能存在不同类型的氢键
C.合成瓜环的两种单体中分别含有酰胺基和醛基D.生成瓜环[n]的反应中,有π 键断裂
6.因生产金属铁的工艺和温度等因素不同,产生的铁单质的晶体结构也不同。两种铁晶胞(均为立方体,边长分别为以anm和1.22anm)的结构示意图如下。
下列说法不正确的是
A.用X射线衍射可测定铁晶体的结构
B.图2代表的铁单质中,一个铁原子周围最多有4个紧邻的铁原子
C.图1与图2代表的铁单质中,原子之间以金属键相互结合
D.图1与图2代表的铁单质的密度不同
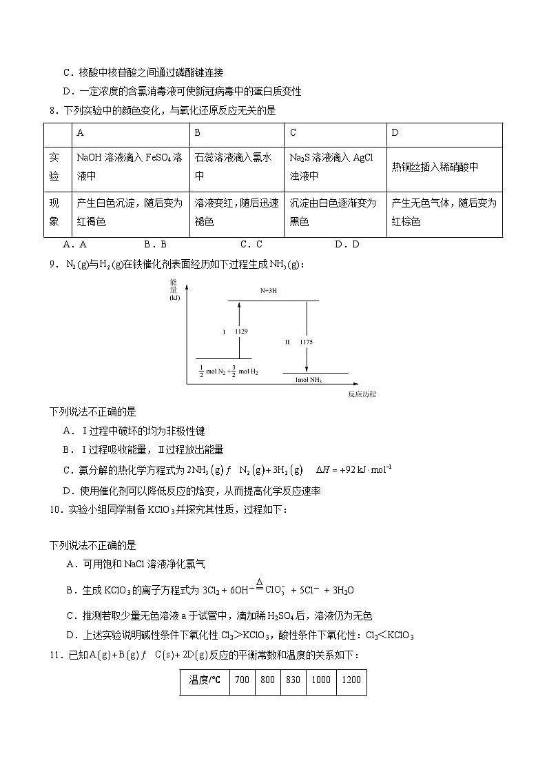
7.新冠病毒是一种具有包膜的RNA病毒,包膜的主要成分是蛋白质和脂质。核酸检测就是检测新冠病毒的RNA。下列说法不正确的是
A.核酸和蛋白质都是生物大分子
B.核酸和蛋白质都不能发生水解反应
C.核酸中核苷酸之间通过磷酯键连接
D.一定浓度的含氯消毒液可使新冠病毒中的蛋白质变性
8.下列实验中的颜色变化,与氧化还原反应无关的是
A.AB.BC.CD.D
9.(g)与(g)在铁催化剂表面经历如下过程生成(g):
下列说法不正确的是
A.Ⅰ过程中破坏的均为非极性键
B.Ⅰ过程吸收能量,Ⅱ过程放出能量
C.氨分解的热化学方程式为
D.使用催化剂可以降低反应的焓变,从而提高化学反应速率
10.实验小组同学制备KClO3并探究其性质,过程如下:
下列说法不正确的是
A.可用饱和NaCl溶液净化氯气
B.生成KClO3的离子方程式为3Cl2 + 6OH- + 5Cl- + 3H2O
C.推测若取少量无色溶液a于试管中,滴加稀H2SO4后,溶液仍为无色
D.上述实验说明碱性条件下氧化性Cl2>KClO3,酸性条件下氧化性:Cl2<KClO3
11.已知反应的平衡常数和温度的关系如下:
830℃时,向一个2L的密闭容器中充入0.6ml的A和0.6ml的B,反应初始4s内D的平均反应速率。下列说法不正确的是
A.该反应
B.4s时为0.56ml/L
C.1200℃时反应的平衡常数为2.5
D.830℃达平衡时,A的转化率为33.3%
12.硫酸盐(含、)气溶胶是的成分之一、科研人员提出了雾霾微颗粒中硫酸盐生成的转化机理,其主要过程示意图如下:
下列说法不正确的是
A.中的O为杂化
B.的VSEPR模型为平面三角形
C.是由极性键形成的极性分子
D.反应过程中涉及氧氢键断裂和硫氧键形成
13.一种新型高分子的合成方法如图:
下列说法不正确的是
A.酪氨酸能与酸、碱反应生成盐
B.环二肽最多能与反应
C.高分子中含有结构片断
D.高分子在环境中可降解为小分子
14.已知:i. ii.
某同学进行如下实验:
①取久置的KI固体(呈黄色)溶于水配成溶液:
②立即向上述溶液中滴加淀粉溶液,溶液无明显变化:滴加酚酞后,溶液变红:
③继续向溶液中滴加硫酸,溶液立即变蓝。
下列分析不合理的是
A.②说明久置的KI固体中有可能含有有,但是加水后发生了ii,所以不变蓝
B.③中溶液变蓝的可能原因:酸性增大,氧化了
C.①②说明在固体中与KOH可以共存,但是在溶液中不能大量共存
D.若向淀粉KI试纸上滴加硫酸,一段时间后试纸变蓝,则证实该试纸上存在
二、非选择题:本题共5小题,共58分。
15.(11分)锌在工业中有重要作用,也是人体必需的微量元素。回答下列问题:
(1)Zn原子核外电子排布式为 。
(2)具有较高的熔点(872℃),其化学键类型是 ;不溶于有机溶剂而、、却能够溶于乙醇、乙醚等有机溶剂,你分析其中原因可能是 。(已知电负性:Zn-1.6 F-4.0 Cl-3.0 Br-2.8 I-2.5)
(3)《中华本草》等中医典籍中,记载了炉甘石入药,可用于治疗皮肤炎症或表面创伤。中,阴离子空间构型为 ,C原子的杂化形式为 。
(4)某镍白铜合金的立方晶胞结构如图所示。晶胞中铜原子与镍原子的数量比为 。
(5)钒的某种氧化物晶胞结构如图1所示(O原子2个位于体内,4个位于面上)。该氧化物的化学式为 ,若它的晶胞棱长为x nm(假设为正六面体),则该晶体的密度为 。(原子量:V 51,O 16;;阿伏加德罗常数为)
16.(11分)用如图方法回收废旧CPU中的单质Au(金),Ag和Cu。
已知:①浓硝酸不能单独将Au溶解。②HAuCl4=H++AuCl
(1)酸溶后经 操作,将混合物分离。
(2)浓、稀HNO3均可作酸溶试剂。溶解等量的Cu消耗HNO3的物质的量不同,写出消耗HNO3物质的量少的反应的化学方程式: 。
(3)HNO3-NaCl与王水[V(浓硝酸):V(浓盐酸)=1:3溶金原理相同。
①将溶金反应的化学方程式补充完整:
Au+ NaCl+ HNO3=HAuCl4+ + + NaNO3
②关于溶金的下列说法正确的是 。
A.用到了HNO3的氧化性
B.王水中浓盐酸的主要作用是增强溶液的酸性
C.用浓盐酸与NaNO3也可使Au溶解
(4)若用Zn粉将溶液中的1mlHAuCl4完全还原,则参加反应的Zn的物质的量是 ml。
(5)用适当浓度的盐酸、NaCl溶液、氨水与铁粉,可按照如图方法从酸溶后的的溶液中回收Cu和Ag(图中标注的试剂和物质均不同)。
试剂1是 ,物质2是 。
17.(12分)罗沙司他可用于治疗由慢性肾病引发的贫血,其中一种合成路线如下。
已知:i.
ii.表示某易离去的基团
iii.
(1)A含有的官能团为 。
(2)B→D的化学方程式为 。
(3)D→E的反应类型为 。
(4)G的结构简式为 。
(5)K经多步可得到N,写出L与M的结构简式。
L: ;M: 。
(6)试剂b分子式为。N→P的转化过程中,还会发生多个副反应。写出其中一个副反应产物的结构简式: (核磁共振氢谱有2组峰,且峰面积之比为)。
18.(12分)绿色植物标本用醋酸铜处理后颜色更鲜艳、稳定。某化学小组制备醋酸铜晶体并测定产品中铜的含量,实验如下。
I.醋酸铜晶体的制备
(1)①中控制温度为40-60度的原因是 。
(2)②中化学方程式是 。
(3)③中采用的实验方法依据醋酸铜的性质是 。
Ⅱ.测定产品中铜的含量
i.取醋酸铜产品于具塞锥形瓶中,用稀醋酸溶解,加入过量溶液,产生沉淀,溶液呈棕黄色;
ii.用标准溶液滴定i中的浊液至浅黄色时,加入几滴淀粉溶液,溶液变蓝,继续用标准溶液滴定至蓝色近于消失:
iii.向所得浊液中加入溶液,充分摇动,溶液蓝色加深:
iv.继续用标准溶液滴定iii中浊液至终点,消耗标准溶液。
已知:①,溶液和溶液颜色均为无色;
②常温下,
③易吸附,不吸附。被吸附的不与淀粉显色。
(4) i中发生反应的离子方程式是 。
(5)结合平衡原理解释i中加入的目的 。
(6)醋酸铜产品中铜元素的质量分数是 。
19.(12分)某小组根据 SO2既有还原性又有氧化性,探究其能否实现 Cu2+→Cu 或 Cu→Cu2+的转化。
已知:i.水合 Cu+既易被氧化也易被还原,因此水溶液中无法生成水合 Cu+;
ii.CuCl 为白色固体,难溶于水,可溶于较大的溶液生成 ,也可溶于氨水生成(无色)。
Ⅰ.SO2与 Cu2+的反应:向试管中通入足量 SO2(尾气处理装置已略),记录如下。
(1)CuCl2溶液呈酸性的原因 (用离子方程式解释)。
(2)将 b 所得沉淀过滤,充分洗涤,进行下列实验,证实该沉淀为 CuCl。
①证明白色沉淀中有 Cu+,推理过程是 。
②iii 排除了干扰 Cl‒检验的因素。
写出 iii 中反应的离子方程式 ;
(3)进一步证实 b 中 SO2作还原剂,补全实验方案和预期现象:取 b 中反应后的上层清液于试管中, 。
(4)由实验Ⅰ可推知,该条件下:①a 中 SO2不能将 Cu2+还原为 Cu+或 Cu;②SO2、CuCl、Cu 的还原性由强到弱的顺序为 。
综上所述,改变还原产物的价态或形态可以影响氧化还原反应能否发生。
Ⅱ.SO2与 Cu 的反应:向试管中通入足量 SO2(尾气处理装置已略),记录如下。
(5)证明 d 所得棕色溶液中含有[CuCl3]2‒:用滴管吸取少量棕色溶液,滴入蒸馏水中,出现白色沉淀。用平衡移动原理解释产生该现象的原因: 。
(6)经进一步检验,铜表面黑色沉淀为 Cu2S。补全 d 中反应的离子方程式: 。
(7)与 c 对比,d 能够发生反应的原因是 A
B
C
D
实验
NaOH溶液滴入FeSO4溶液中
石蕊溶液滴入氯水中
Na2S溶液滴入AgCl浊液中
热铜丝插入稀硝酸中
现象
产生白色沉淀,随后变为红褐色
溶液变红,随后迅速褪色
沉淀由白色逐渐变为黑色
产生无色气体,随后变为红棕色
温度/℃
700
800
830
1000
1200
平衡常数
1.7
1.1
1.0
0.6
0.4
装置
编号
试剂
实验现象
a
1 ml·L‒1 CuSO4溶液
始终无明显变化
b
1 ml·L‒1 CuCl2溶液
溶液变绿,进而变棕黄色,一段时间后出现白色沉淀
装置
编号
试剂
实验现象
c
3 ml·L‒1 稀硫酸
始终无明显变化
d
3 ml·L‒1 稀盐酸
铜片表面变黑,溶液变为棕色
【开学考】2024秋高三上册开学摸底考试卷 化学(湖北专用).zip: 这是一份【开学考】2024秋高三上册开学摸底考试卷 化学(湖北专用).zip,文件包含化学湖北专用解析版docx、化学湖北专用考试版docx、化学湖北专用答案及评分标准docx、化学湖北专用答题卡docx、化学湖北专用答题卡pdf等5份试卷配套教学资源,其中试卷共27页, 欢迎下载使用。
【开学考】2024秋高三上册开学摸底考试卷 化学(江苏专用).zip: 这是一份【开学考】2024秋高三上册开学摸底考试卷 化学(江苏专用).zip,文件包含化学江苏专用解析版docx、化学江苏专用考试版docx、化学江苏专用答案及评分标准docx、化学江苏专用答题卡docx等4份试卷配套教学资源,其中试卷共30页, 欢迎下载使用。
【开学考】2024秋高三上册开学摸底考试卷 化学(广东专用).zip: 这是一份【开学考】2024秋高三上册开学摸底考试卷 化学(广东专用).zip,文件包含化学广东专用解析版docx、化学广东专用考试版docx、化学广东专用答案及评分标准docx、化学广东专用答题卡docx、化学广东专用答题卡pdf等5份试卷配套教学资源,其中试卷共36页, 欢迎下载使用。

