2025版高考物理全程一轮复习专题练习第九章静电场及其应用静电场中的能量实验十观察电容器的充放电现象
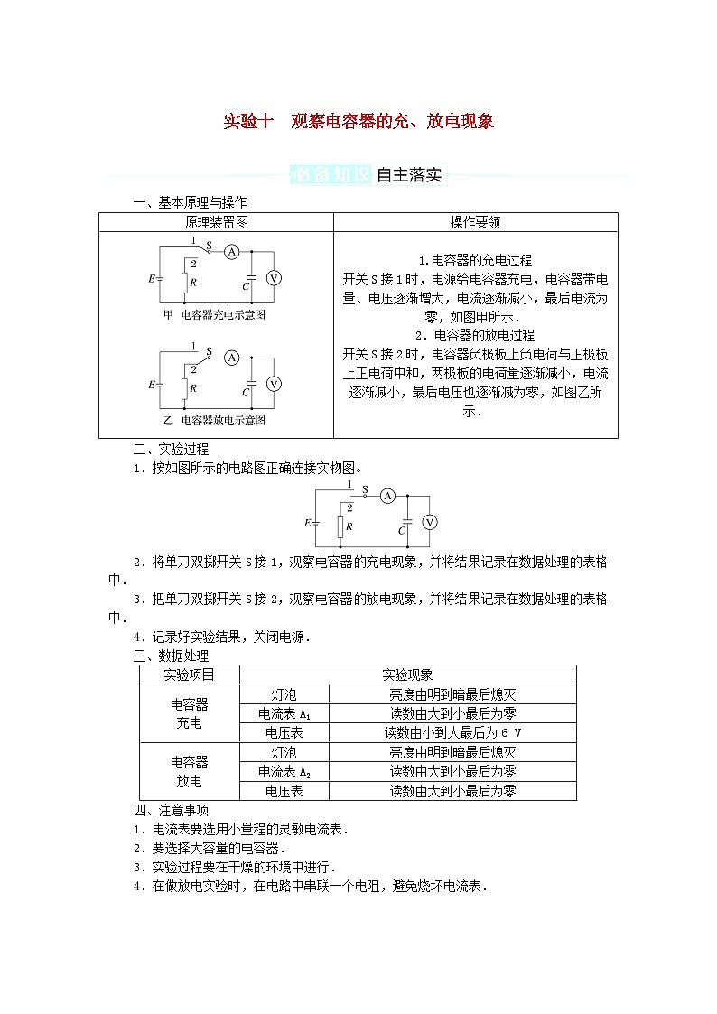
展开一、基本原理与操作
二、实验过程
1.按如图所示的电路图正确连接实物图。
2.将单刀双掷开关S接1,观察电容器的充电现象,并将结果记录在数据处理的表格中.
3.把单刀双掷开关S接2,观察电容器的放电现象,并将结果记录在数据处理的表格中.
4.记录好实验结果,关闭电源.
三、数据处理
四、注意事项
1.电流表要选用小量程的灵敏电流表.
2.要选择大容量的电容器.
3.实验过程要在干燥的环境中进行.
4.在做放电实验时,在电路中串联一个电阻,避免烧坏电流表.
考点一 教材原型实验
例 1[2023·新课标卷]在“观察电容器的充、放电现象”实验中,所用器材如下:电池、电容器、电阻箱、定值电阻、小灯泡、多用电表、电流表、秒表、单刀双掷开关以及导线若干.
(1)用多用电表的电压挡检测电池的电压.检测时,红表笔应该与电池的________(填“正极”或“负极”)接触.
(2)某同学设计的实验电路如图(a)所示.先将电阻箱的阻值调为R1,将单刀双掷开关S与“1”端相接,记录电流随时间的变化.电容器充电完成后,开关S再与“2”端相接,相接后小灯泡亮度变化情况可能是________(填正确答案标号).
A.迅速变亮,然后亮度趋于稳定
B.亮度逐渐增大,然后趋于稳定
C.迅速变亮,然后亮度逐渐减小至熄灭
(3)将电阻箱的阻值调为R2(R2>R1),再次将开关S与“1”端相接,再次记录电流随时间的变化情况.两次得到的电流I随时间t变化如图(b)中曲线所示,其中实线是电阻箱阻值为________(填“R1”或“R2”)时的结果,曲线与坐标轴所围面积等于该次充电完成后电容器上的________(填“电压”或“电荷量”).
例 2 小理同学利用如图甲所示电路观察电容器的充、放电现象,图乙是毫安表表头.
(1)小理先将单刀双抛开关打到1位置,发现毫安表指针向右偏转,电容器开始充电,充电电流逐渐变________,此时电容器的上极板带________电;再将开关打到2位置,发现毫安表指针向________偏转,电容器开始放电,放电电流逐渐变小.以上三空格,判断正确的是________.
A.大、正、右 B.小、正、左
C.大、负、右 D.小、负、左
(2)小理同学将放电过程所获得的数据绘制成图丙中的a图线(图中实线).再通过调节电阻箱,增大电阻R,重复电容器的充、放电过程,再收集放电电流的数据,将得到图丙中的________曲线(选填“b”或“c”).小理同学通过观察图像中的________(选填“截距”“斜率”或“面积”),认为在误差允许的范围内,控制充电电压不变,改变电路中的电阻,不会影响电容器放电的电荷量.
(3)在“观察电容器的充、放电现象”实验中,以下观点错误的是________.
A.在ef之间增加一个微型直流小风扇,可以展示电容器是储能元件
B.更换电容C值更小的电容器,在电源电压不变的情况下,电容器放电时释放的电荷量仍不变
C.将电源电压增大,且不超过电容器的耐压,可以增大电容器放电时释放的电荷量
D.将变阻箱转移到mn之间,可以减少电容器的充电时间
考点二 探索创新实验
例 3 某同学利用图(a)所示电路测量一电容器的电容,将开关S从2端拨至1端,电源对电容器充电;再将开关S拨至2端,电容器放电.回答下列问题:
(1)下表记录了放电过程中某个时刻t的物理量及其变化,在表中①②③空格处填上合理的答案;
(2)充电过程中,电流传感器和电压传感器将信息即时输入计算机,屏幕上显示出如图(b)所示的电流I、电压U随时间t变化的I-t图线、U-t图线.根据图(b)估算当电容器刚开始放电时所带的电荷量Q=________ C,计算电容器的电容C=________ F;已知待测电容器电容标称值为C0=900 μF,则测量值C与C0的差异为×100%=________%(结果均保留2位有效数字).
例 4 如图A所示,在两个相同竖直方向放置的平行导电板之间连接一电源,电源输出电压及两板间电压无法直接测得.将一个带电小球悬挂在两板之间的绝缘细线上.实验中可以改变小球的电荷量q并用静电计测量,带电小球能在两平行板内达到平衡.本实验是为了测出两带等量异种电荷的平行板间匀强电场的电场强度.
(1)除了小球的电荷量q,还需要测量的物理量是______________和__________________.
(2)以电荷量和重力加速度之比为横轴,______________为纵轴,将实验数据绘图后,能线性拟合出一条直线.再根据图像求出直线的斜率为k,则平行板间电场强度E的大小可表示为________.
(3)如图B所示,第1组同学将球悬挂在一根较长的绝缘细线下,使球在靠近板中心的地方达到平衡;第2组同学用一根短绝缘细线将球悬挂起来,使球在靠近板边缘的地方达到平衡.第______组(选填“1”或“2”)的实验装置更合适,理由是________________________________________________________________________
________________________________________________________________________.
实验十 观察电容器的充、放电现象
关键能力·分层突破
例1 解析:(1)多用电表红表笔流入电流,黑表笔流出电流,故电流表红表笔应该与电池的正极接触.
(2)电容器充电完成后,开始时两极板电量较多,电势差较大,当闭合“2”接入小灯泡,回路立即形成电流,灯泡迅速变亮;随着时间的积累,两极板电量变少,电势差变小,流过灯泡的电流减小,直至两极板电荷量为零不带电,则无电流流过,小灯泡熄灭,故选C.
(3)开始充电时两极板不带电,两极板电势差为零,设电源内阻为r,则开始充电时有E=I(R+r)
由图像可知开始充电时实线的电流较小,故电路中的电阻较大,因此电阻箱阻值为R2;图像的物理意义为充电过程中电流随时间的变化图线,故曲线与坐标轴所围面积等于该次充电完成后电容器上的电荷量.
答案:(1)正极 (2)C (3)R2 电荷量
例2 解析:(1)小理先将单刀双抛开关打到1位置,发现毫安表指针向右偏转,电容器开始充电,充电电流逐渐变小,此时电容器的上极板与电源正极相连,带正电;再将开关打到2位置,电容器放电,通过毫安表的电流方向相反,毫安表指针向左偏转,放电电流逐渐变小.故选B.
(2)增大电阻R,电容器放电时间延长,对应图中的c曲线;
图中电流—时间图像与坐标轴围成的面积表示电容器的放电量,所以小理同学通过观察图像中的面积,认为在误差允许的范围内,控制充电电压不变,改变电路中的电阻,不会影响电容器放电的电荷量.
(3)在ef之间增加一个微型直流小风扇,电容器放电时,小风扇工作,可以展示电容器是储能元件,故A正确,不符合题意;更换电容C值更小的电容器,在电源电压不变的情况下,由C=,可知电容器的带电量减少,电容器放电时释放的电荷量减少,故B错误,符合题意;将电源电压增大,且不超过电容器的耐压,由C=可知,电容器充电后,带电量增大,可以增大电容器放电时释放的电荷量,故C正确,不符合题意;将变阻箱转移到mn之间,可知增大电容器充电电流,可以减少电容器的充电时间,故D正确,不符合题意.故选B.
答案:(1)B (2)c 面积 (3)B
例3 解析:(1)①电容器上极板带正电,放电时,电流从正极板经电阻流向负极板,故通过R的电流方向是b→a.
②放电时,电流减小.
③放电时,电压减小.
(2)根据I-t图线与坐标轴所围的面积表示电容器所带的电荷量,所围的面积有8格,则
Q=8×0.4×2×10-3 C=6.4×10-3 C,此时电压为8 V,可计算电容器的电容C== F=8.0×10-4 F
将C和C0代入公式,可得×100%=11%
答案:(1)b→a 减小 减小 (2)6.4×10-3 8.0×10-4 11
例4 解析:(1)小球静止状态,受力分析得Eq=mg tan θ
除了小球的电荷量q,还需要测量的物理量是小球的质量m,细线与竖直方向的夹角θ.
(2)根据平衡关系式得tan θ=
将实验数据绘图后,能线性拟合出一条直线,故纵坐标应该为夹角的正切值tan θ;
根据图像求出直线的斜率为k,则平行板间电场强度E的大小可表示为E=mk.
(3)第1组的实验装置更合适,理由是靠近极板中心处的电场可视为匀强电场,极板边缘的电场分布不均匀.
答案:(1)小球的质量m 细线与竖直方向的夹角θ
(2)夹角的正切值tan θ mk
(3)1 靠近极板中心处的电场可视为匀强电场(或极板间除边缘附近外的电场为匀强电场或极板边缘的电场分布不均匀等合理答案均可)
原理装置图
操作要领
1.电容器的充电过程
开关S接1时,电源给电容器充电,电容器带电量、电压逐渐增大,电流逐渐减小,最后电流为零,如图甲所示.
2.电容器的放电过程
开关S接2时,电容器负极板上负电荷与正极板上正电荷中和,两极板的电荷量逐渐减小,电流逐渐减小,最后电压也逐渐减为零,如图乙所示.
实验项目
实验现象
电容器
充电
灯泡
亮度由明到暗最后熄灭
电流表A1
读数由大到小最后为零
电压表
读数由小到大最后为6 V
电容器
放电
灯泡
亮度由明到暗最后熄灭
电流表A2
读数由大到小最后为零
电压表
读数由大到小最后为零
放电过程中某个时刻t
通过电阻R的电流方向(选填“a→b”或“b→a”)
①______
通过电阻R的电流正在增大还是减小
②______
电容器两端的电压正在增大还是减小
③______
2025版高考物理全程一轮复习训练题课时分层精练四十三观察电容器的充放电现象: 这是一份2025版高考物理全程一轮复习训练题课时分层精练四十三观察电容器的充放电现象,共3页。试卷主要包含了解析等内容,欢迎下载使用。
2025版高考物理一轮复习微专题小练习静电场专题50静电平衡电容器实验:观察电容器的充放电现象: 这是一份2025版高考物理一轮复习微专题小练习静电场专题50静电平衡电容器实验:观察电容器的充放电现象,共4页。
备考2024届高考物理一轮复习讲义第九章静电场实验十观察电容器的充放电现象命题点1教材基础实验: 这是一份备考2024届高考物理一轮复习讲义第九章静电场实验十观察电容器的充放电现象命题点1教材基础实验,共4页。试卷主要包含了山东卷T14等内容,欢迎下载使用。

