高中化学人教版 (2019)选择性必修3第二节 研究有机化合物的一般方法复习练习题
展开1.下列表征仪器中,硝基乙烷()和甘氨酸()显示的信号(或数据)完全相同的是
A.元素分析仪B.质谱仪C.红外光谱仪D.核磁共振仪
2.下列各组混合物能用分液漏斗分离的是
A.苯和甲苯B.己烯和己烷
C.乙酸乙酯和水D.丙酮和乙醇
3.下列有机物的核磁共振氢谱不是4组峰的是
A.B.
C.D.
4.下列鉴别方法不可行的是
A.用水鉴别乙醇和溴苯B.用溴水鉴别苯和环己烷
C.用红外光谱鉴别丙醛和1-丙醇D.用核磁共振氢谱鉴别正戊烷和异戊烷
5.现有四组分散系:①汽油和水形成的乳浊液②含有泥沙的食盐水③溶有碘(I2)的氯化钾溶液④乙二醇和丙三醇混合溶液(乙二醇和丙三醇的部分物理性质见下表)。
请用下图所示的仪器分离以上各混合液,仪器和方法不能对应的是
(1) (2) (3) (4)
A.①—(3)—分液B.②—(1)—过滤
C.③—(1)—萃取D.④—(2)—蒸馏
6.乙酰苯胺是一种具有解热镇痛作用的白色晶体,某种乙酰苯胺样品中混入了少量氯化钠杂质。
已知:①20℃时乙酰苯胺在乙醇中的溶解度为36.9g
②氯化钠可分散在乙醇中形成胶体
③乙酰苯胺在水中的溶解度如下表:
下列提纯乙酰苯胺使用的溶剂和操作方法都正确的是
A.水;分液B.乙醇;过滤C.水;重结晶D.乙醇;重结晶
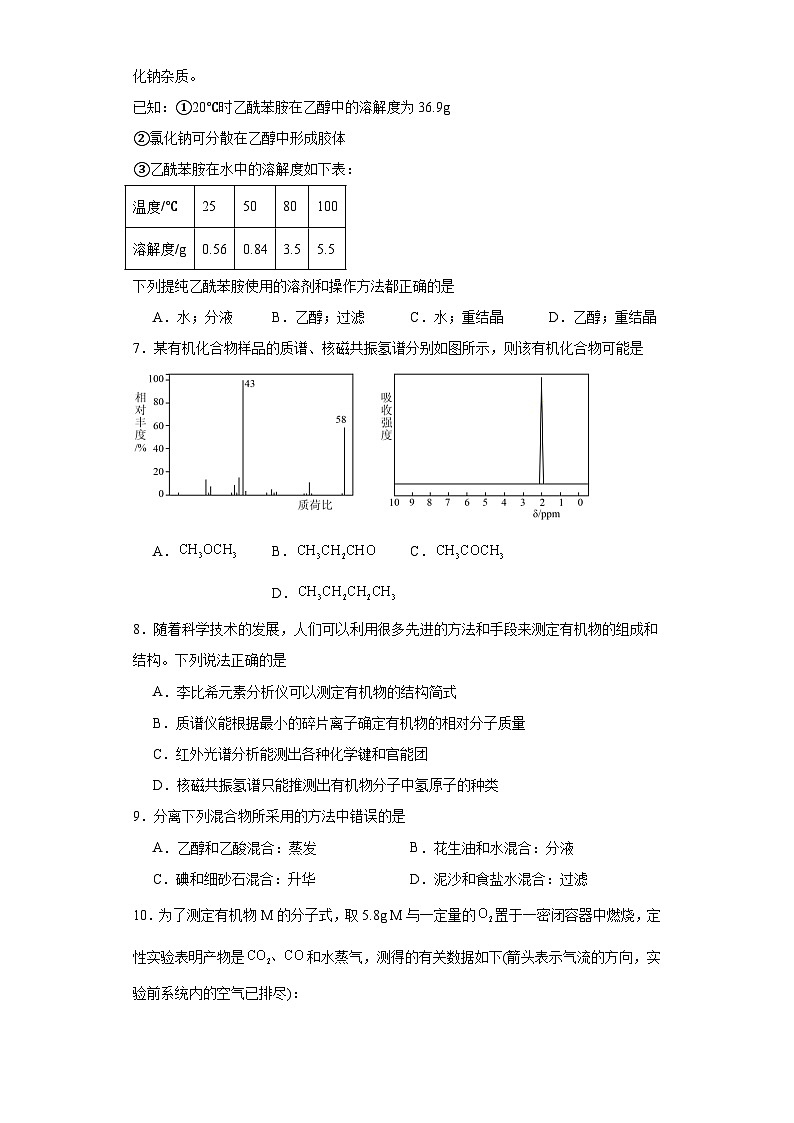
7.某有机化合物样品的质谱、核磁共振氢谱分别如图所示,则该有机化合物可能是
A.B.C.D.
8.随着科学技术的发展,人们可以利用很多先进的方法和手段来测定有机物的组成和结构。下列说法正确的是
A.李比希元素分析仪可以测定有机物的结构简式
B.质谱仪能根据最小的碎片离子确定有机物的相对分子质量
C.红外光谱分析能测出各种化学键和官能团
D.核磁共振氢谱只能推测出有机物分子中氢原子的种类
9.分离下列混合物所采用的方法中错误的是
A.乙醇和乙酸混合:蒸发B.花生油和水混合:分液
C.碘和细砂石混合:升华D.泥沙和食盐水混合:过滤
10.为了测定有机物M的分子式,取5.8g M与一定量的置于一密闭容器中燃烧,定性实验表明产物是和水蒸气,测得的有关数据如下(箭头表示气流的方向,实验前系统内的空气已排尽):
该有机物M的分子式可能是
A.B.C.D.
11.某有机物A的分子式为,对其结构进行光谱分析如图所示,则A的结构简式为
A.B.
C.D.
12.下列关于物质研究方法的说法不正确的是
A.区分石英玻璃和水晶最可靠的方法是X射线衍射
B.核磁共振氢谱能反映出未知有机化合物中不同化学环境氢原子的种类
C.根据红外光谱图的分析可以初步判断有机化合物中含有的化学键或官能团
D.在有机物的质谱图中,相对丰度最大值对应的质荷比数值为相对分子量
13.下列有机化合物中均含有酸性杂质,除去这些杂质的方法中正确的是
A.乙酸乙酯中含乙酸杂质:加入饱和碳酸钠溶液洗涤,分液
B.乙醇中含乙酸杂质:加入碳酸钠溶液洗涤,分液
C.乙醛中含乙酸杂质:加入氢氧化钠溶液洗涤,分液
D.苯中含苯酚杂质:加入浓溴水,过滤
14.将6.8 g X完全燃烧,生成3.6 g 和8.96 L(标准状况)。X分子中只含一个苯环且苯环上只有一个取代基,其质谱图与红外光谱图如下图所示。下列关于X的叙述不正确的是
A.化合物X的相对分子质量为136
B.化合物X分子中含有官能团的名称为酯基
C.符合题中X分子结构特征的有机化合物有2种
D.X分子中所有的原子在同一平面上
15.研究有机物的一般步骤:分离提纯→确定最简式→确定分子式→确定结构式。下列研究有机物的方法不正确的是
A.区别晶体与非晶体最可靠的科学方法是对固体进行X射线衍射实验
B.2,3-二甲基己烷的核磁共振氢谱中出现了7个峰
C.提纯苯甲酸可采用重结晶的方法
D.利用元素分析和红外光谱法能确定青蒿素的分子式
16.研究有机物的一般步骤:分离提纯→确定最简式→确定分子式→确定结构式。以下研究有机物的方法错误的是
A.蒸馏——分离提纯液态有机混合物
B.燃烧法——研究确定有机物成分的有效方法
C.核磁共振氢谱——通常用于分析有机物的相对分子质量
D.红外光谱——确定有机物分子中的官能团或化学键
17.某化学质检员在分析醋酸(CH3COOH)溶液中溶质的含量时,测得溶液中氢元素质量分数为10%,则该醋酸溶液中醋酸的质量分数是
A.9.8%B.18.5%C.25%D.75%
18.随着科学技术的发展,人们可以利用很多先进的方法和手段来测定有机物的组成和结构。下列说法正确的是
A.李比希元素分析仪可以测定有机物的结构简式
B.质谱仪能确定有机物的相对分子质量
C.红外光谱分析只能测出有机物中的各种官能团
D.核磁共振氢谱只能推测出有机物分子中氢原子的种类
19.有机物X的组成为CnH2nOm,其蒸气相对氢气的密度为51,X中氧元素的质量分数为31.37%,则X的能在NaOH溶液中发生化学反应的同分异构体(不考虑立体异构)有
A.9种B.13种C.4种D.17种
20.某有机物A的红外光谱和核磁共振氢谱图如下图所示,下列说法中错误的是
A.由红外光谱可知,该有机物中至少有三种不同的化学键
B.若A的化学式为C2H6O,则其结构简式为CH3—O—CH3
C.仅由其核磁共振氢谱图无法得知其分子中的氢原子总数
D.由核磁共振氢谱图可知,该有机物分子中有三种不同的氢原子
21.下列化合物在核磁共振氢谱中能出现两组峰,且其峰面积之比为2∶1的是
A.CH3COOCH3B.
C. D.
22.下列有关实验说法,不正确的是
A.纸层析点样所用的试剂的浓度应较小,点样时的试剂斑点直径应大于
B.“静置”是一种必要的实验操作,例如:滴定管读数前、萃取分液过程中都需要静置
C.“阿司匹林的合成”实验中,往乙酰水杨酸粗产品中加入足量的饱和碳酸氢钠溶液,充分反应后过滤,可除去聚合物杂质
D.银氨溶液不能留存,因久置后会变成氮化银,容易爆炸
23.立体异构包括顺反异构、对映异构等。四种化合物的转化关系如图所示:
下列说法错误的是
A.甲→乙过程发生了消去反应
B.乙的同分异构体中最多有8个原子共面
C.丙的同分异构体中含4种化学环境氢的有3种(考虑立体异构)
D.若丁属于醛,则丁无立体异构
24.下列研究有机物的方法错误的是
A.分离提纯有机物的常用方法是燃烧法
B.2,2,6,6—四甲基庚烷的核磁共振碳谱中出现了3个峰
C.图为某有机物的质谱图,可推知该有机物的相对分子质量为90
D.利用X射线衍射技术可以区分有机物的对映异构体
25.根据下表中烃的分子式的排列规律,判断空格中烃的同分异构体的数目是
A.6B.7C.8D.9
二、填空题
26.质荷比
有机分子离子或碎片离子的相对质量与电荷数的比值,即质荷比。质谱图中质荷比的最大值等于样品分子的 (与相对丰度无关)。
27.选择下列实验方法分离、提纯物质,将分离、提纯方法的字母填在横线上。
A.萃取 B.重结晶 C.分液 D.蒸馏 E.过滤 F.洗气
(1)分离水和汽油的混合物: 。
(2)分离四氯化碳 (沸点为76.75 ℃)和甲苯(沸点为110.6 ℃)的混合物: 。
(3)提取碘水中的碘: 。
(4)除去混在乙烷中的乙烯: 。
(5)从硝酸钾和氯化钠的混合溶液中获得硝酸钾: 。
28.具有独特的P、N杂化结构和突出的热学、电学性能的环境友好的磷腈化合物是目前无卤阻燃研究的热点之一,尤其是HPCTP更引起人们的关注。HPCTP的合成路线如下:
Pyridine、TBAC和PhOH分别为吡啶、四丁基溴化铵和苯酚。HPCTP的红外光谱表明分子中存在P-N、P-O-C、P= N的吸收峰以及单取代苯环的特征峰; HPCTP 的核磁共振磷谱表明分子中只有1种化学环境的磷;X射线衍射分析表明A和HPCTP分子结构均具有很好的对称性。
(1)分别写出化合物A、HPCTP的结构式:A ,HPCTP 。
(2)化合物 A反应生成HPCTP的反应类型是 。
物质
熔点/℃
沸点/℃
密度/
溶解性
乙二醇
-11.5
198
1.11
易溶于水和乙醇
丙三醇
17.9
290
1.26
能跟水、酒精以任意比互溶
温度/℃
25
50
80
100
溶解度/g
0.56
0.84
3.5
5.5
1
2
3
4
5
6
7
8
CH4
C2H4
C3H4
C4H10
C5H10
C6H10
C8H16
参考答案:
1.A
【详解】A.元素分析仪可确定物质中所含元素的种类,二者为同分异构体,所含元素种类相同,显示的信号(或数据)完全相同,故A符合题意;
B.质谱仪可用于精确测定有机物的相对分子质量,但由于同分异构体的结构不同,故质谱图中显示的碎片相对质量大小可能不完全相同,故B不符合题意;
C.红外光谱仪可确定物质中是否存在某些有机原子团,二者所含官能团不同,则显示的信号(或数据)不相同,故C不符合题意;
D.核磁共振仪用来测定有机物分子中等效氢原子的类型和数目,二者氢原子类型不同,则显示的信号(或数据)不相同,故D不符合题意;
答案选A。
2.C
【详解】A. 苯和甲苯相溶不能用分液漏斗分离,A项错误;
B. 己烯和己烷相溶不能用分液漏斗分离,B项错误;
C. 乙酸乙酯和水互不相溶能用分液漏斗分离,C项正确;
D. 丙酮乙醇相溶不能用分液漏斗分离,D项错误;
答案选C。
3.A
【详解】A.中的两个侧链不相同,共8种H,故核磁共振氢谱共8组峰,故A符合;
B.为对称结构,共4种H,故核磁共振氢谱共4组峰,,故B不符合;
C.为对称结构,共4种H,故核磁共振氢谱共4组峰,,故C不符合;
D. 中共4种H,故核磁共振氢谱共4组峰,,故D不符合;
故选A。
4.B
【详解】A.乙醇与水互溶,溴苯与水混合分层,现象不同,可鉴别,故A不符合题意;
B.苯和环己烷都能萃取溴水中的溴,且环己烷和苯密度都小于水,现象相同无法鉴别,故B符合题意;
C.丙醛和1-丙醇中化学键不同、官能团不同,则可利用红外光谱鉴别丙醛和1-丙醇,故C不符合题意;
D.正戊烷中含有3种不同环境的氢原子,异戊烷中含有4种不同环境的氢原子,两者核磁共振氢谱不同,可利用核磁共振氢谱鉴别两者,故D不符合题意;
故答案选B。
5.C
【详解】A.分液是分离互不相溶的两种液体的方法,汽油和水不相溶,故可用分液的方法分离,分液时用分液漏斗,故A正确;
B.过滤是把不溶于液体的固体物质跟液体分离开来的一种方法,泥沙和食盐水不相溶,故可用过滤的方法分离,过滤时用漏斗,故B正确;
C.萃取利用溶质在不同溶剂中溶解度不同,用一种溶剂把溶质从它与另一溶剂所组成的溶液中提取出来,碘(I2)微溶于碘化钾溶液,故可用萃取的方法分离,萃取时用分液漏斗,不能用漏斗,故C错误;
D.蒸馏是分离相溶的两种液体的方法,乙二醇和丙三醇互溶,故可用蒸馏的方法分离,蒸馏时用蒸馏烧瓶,故D正确;
所以答案为C。
6.C
【详解】A.乙酰苯胺和氯化钠可以溶于水中,不会出现分层,故不能通过分液分离,A错误;
B.乙酰苯胺可以溶于乙醇中,但乙酰苯胺和乙醇不能通过过滤分离,B错误;
C.乙酰苯胺在水中的溶解度随温度变化较大,而氯化钠的溶解度随温度变化较小,故采用重结晶法提纯乙酰苯胺,C正确;
D.乙酰苯胺在乙醇中溶解度大,不能通过重结晶提纯分离,D错误;
【点睛】
7.C
【详解】由质谱图可知该有机物的相对分子质量为58,由核磁共振氢谱图可知分子中所有氢原子的位置相同。
A.相对分子质量为46,A错误;
B.分子中氢原子的位置有3种,B错误;
C.相对分子质量为58,分子中所有氢原子的位置相同,C正确;
D.相对分子质量为58,分子氢原子的位置有两种,D错误;
故选C。
8.C
【详解】A.李比希的元素分析仪只能测定出元素种类,不能确定有机物的分子式,A错误;
B.质谱仪能根据最大的碎片离子确定有机物的相对分子质量,B错误;
C.不同的化学键或官能团吸收频率不同,在红外光谱图上将处于不同的位置,从而可以获得分子中含有任何化学键或官能团的信息,来确定有机物中的官能团或化学键,C正确;
D.核磁共振氢谱图中吸收峰的数目等于氢原子的种类数目,各峰的面积之比等于各类氢原子的数目之比,故核磁共振氢谱可以推测出有机物分子中氢原子的种类和各类氢原子的个数之比,D错误;
故答案为:C。
9.A
【详解】A.乙醇和乙酸是互溶液体,应利用蒸馏将两者分开,A错误;
B.花生油和水不互溶,混合后会分层,可以用分液的方法将二者分开,B正确;
C.碘和细砂石为固体混合,碘易升华而细砂石不易升华,可以用升华的方法将二者分开,C正确;
D.泥沙不溶于水,则泥沙和食盐水混合,可以用过滤的方法将二者分开,D正确;
故选A。
10.A
【详解】燃烧产物通入到浓硫酸中增重5.4g即水的质量为5.4g,物质的量为0.3ml,通入到浓氢氧化钠溶液中,增重8.8g即二氧化碳质量为8.8g,物质的量为0.2ml,通入大奥浓硫酸中干燥,根据CO+CuOCO2+Cu,灼热氧化铁质量减少1.6g即CuO物质的量为0.1ml,则CO物质的量为0.1ml,则m(C)= 0.3ml×12g∙ml−1=3.6g,m(H)= 0.6ml×1g∙ml−1=0.6g,则m(O)= 5.8g−3.6g−0.6g=1.6g,则氧原子物质的量,因此n(C):n(H):n(O)=0.3ml:0.6ml:0.1ml=3:6:1,故A符合题意。
综上所述,答案为A。
11.B
【详解】该有机物A的分子式为,红外光谱显示存在甲基、亚甲基和醚键;核磁共振氢谱显示该有机物有2组吸收峰,峰面积比为3:2;因此该有机物分子的结构简式为:;
故选B。
12.D
【详解】A.石英玻璃为非晶体,水晶为晶体,可用X射线衍射进行区分,故A正确;
B.核磁共振氢谱能测定有机化合物中不同化学环境氢原子的种类,故B正确;
C.红外光谱图的分析可以测定有机化合物中含有的化学键或官能团,故C正确;
D.在有机物的质谱图中,最大的质荷比数值为相对分子量,并不是相对丰度最大值对应的质荷比数值,故D错误;
故答案选D。
13.A
【详解】A.乙酸乙酯中含乙酸杂质:若加入碳酸钠溶液,乙酸与碳酸钠发生反应产生可溶性乙酸钠,而乙酸乙酯在该溶液的溶解度很小,因此可以通过洗涤,分液分离得到,正确;
B.乙醇中含乙酸杂质:若加入碳酸钠溶液,乙酸与碳酸钠发生反应产生可溶性乙酸钠,但是由于乙醇也能够与水混溶,所以不能通过洗涤,分液的方法分离,错误;
C.乙醛中含乙酸杂质:若加入氢氧化钠溶液酸发生反应产生乙酸钠,而乙醛也在水中容易溶解,所以不能通过洗涤,分液分离,错误;
D.苯中含苯酚杂质:若加入溴水会形成三溴苯酚白色沉淀,但是三溴苯酚能够在苯中溶解,因此不能通过过滤除去,错误;
故选A。
14.D
【分析】由质谱图数据可知,X的相对分子质量为136,6.8 g X的物质的量为0.05 ml,完全燃烧生成0.2 ml 和0.4 ml ,则氢原子的物质的量为0.4 ml,碳原子的物质的量为0.4 ml,氧原子的物质的量为 ml,故X分子中含有8个氢原子、8个碳原子、2个氧原子,则X的分子式为,结合红外光谱图可知,X的结构简式为 或 ,由此可知:
【详解】A.X的相对分子质量为136,A正确;
B.由X的结构简式可知,X中含有的官能团名称为酯基,B正确;
C.符合X的结构特征的化合物有2种,C正确;
D.化合物X中含有饱和碳原子,与饱和碳原子相连的4个原子形成四面体结构,故其分子中所有原子不共面,D错误;
故选D。
15.D
【详解】A.区别晶体与非晶体最科学的方法是对固体进行X射线衍射实验,A正确;
B.2,3-二甲基己烷结构简式为: ,共有7种等效氢,核磁共振氢谱中出现了7个峰,B正确;
C.提纯苯甲酸可采用重结晶的方法,主要步骤有加热浓缩、趁热过滤、冷却结晶,过滤,C正确;
D.元素分析只能确定元素种类,而红外光谱确定分子结构,两种方法无法确定分子式,D错误;
故选D。
16.C
【详解】A.蒸馏是利用互溶液态混合物中各成分的沸点不同而进行物质分离的方法,液态有机混合物中各成分沸点不同,因而可采取蒸馏,故A正确;
B.利用燃烧法,能得到有机物燃烧后的无机产物,并作定量测定,最后算出各元素原子的质量分数,得到实验式或最简式,故B正确;
C.核磁共振氢谱确定的是等效氢原子的种类和数量,故C错误;
D.不同的化学键或官能团吸收频率不同,在红外光谱图上处于不同的位置,所以红外光谱图能确定有机物分子中的化学键或官能团,故D正确;
故答案为:C。
17.C
【详解】设:醋酸的水溶液中水的质量为x,醋酸的质量为y。则水中氢元素的质量为:x××100%=x;醋酸中氢元素的质量为:y××100%=y由溶液中氢元素的质量分数为10%,则有:×100%=10%,解得=3,x=3y,则该溶液中溶质的质量分数为:×100%=×100%=25%;
答案选C。
18.B
【详解】A.李比希元素分析仪测定有机化合物中碳、氢元素质量分数,故A错误;
B.质谱仪测定的最大质荷比为相对分子质量,则利用质谱仪可以测定有机物的相对分子质量,故B正确;
C.红外光谱分析能测出有机物中的化学键和官能团,故C错误;
D.核磁共振氢谱用于测定有机物分子中氢原子的种类和数目,故D错误;
选B。
19.B
【分析】有机物A的蒸气相对氢气的密度为51,则A的相对分子质量为51×2=102,含氧的质量分数为31.37%,则分子中,分子中碳、氢元素的原子量之和为102-16×2=70,利用余商法,所以分子式为C5H10O2,结合能与NaOH溶液发生反应分析判断X的结构种类。
【详解】分子式为C5H10O2的有机物能与NaOH溶液发生反应,则X可能是饱和一元酯或羧酸。
若X为饱和羧酸,其同分异构体等于丁基的种类,共有4种;
若X为酯,可能为甲酸和丁醇形成的酯,丁醇有4种,可形成4种酯;可能为乙酸和丙醇形成的酯,丙醇有2种,可形成2种酯;可能为丙酸和乙醇形成的酯,丙酸有1种,可形成1种酯;可能为丁酸和甲醇形成的酯,丁酸有2种,可形成2种酯,属于酯类的共有9种;
因此能与NaOH溶液发生反应的X有4种羧酸,9种酯,共13种,故B正确;
答案选B。
20.B
【详解】A.红外光谱可知分子中至少含有C-H键、C-O键、O-H键三种不同的化学键,A正确;
B.核磁共振氢谱中有3个峰说明分子中3种H原子,且峰的面积之比为1:2:3,所以含有三种不同的氢原子且个数比为1:2:3,结构简式为CH3CH2OH,B错误;
C.核磁共振氢谱中只能确定H原子种类,无法得知其分子中的氢原子总数,C正确;
D.核磁共振氢谱中有3个峰说明分子中3种H原子,D正确;
答案选B。
21.C
【详解】A.CH3COOCH3有两种等效氢,核磁共振氢谱中能出现两组峰,且其峰面积之比为1∶1,故不选A;
B. 有两种等效氢,核磁共振氢谱中能出现两组峰,且其峰面积之比为3∶2,故不选B;
C. 有两种等效氢,核磁共振氢谱中能出现两组峰,且其峰面积之比为1∶2,故选C;
D. 有两种等效氢,核磁共振氢谱中能出现两组峰,且其峰面积之比为1∶9,故不选D;
选C。
22.A
【详解】A.斑点直径在0.5cm以内,不能太大,故A错误;
B.静置”时可充分反应或充分混合、分层等,则“静置”是一种必要的实验操作,故B正确;
C.加入饱和碳酸氢钠溶液使乙酰水杨酸转化为可溶性盐,充分反应后过滤除去乙酰水杨酸中的水杨酸聚合物杂质,再将乙酰水杨酸的可溶性盐重新转化为乙酰水杨酸,从而达到提纯的目的,故C正确;
D.银氨溶液不能留存,因久置后会变成氮化银,容易发生爆炸而产生危险,故D正确;
故选A。
23.C
【详解】A.甲→乙发生消去反应,甲应为醇,A正确;
B.乙的同分异构体可能为烯烃或者环烷烃,为烯烃时共面原子最多,为8个,B正确;
C.丙含4种化学环境氢的同分异构体为1,1-二溴丁烷,1,2-二溴丁烷,1,3-二溴丁烷,其中1,2-二溴丁烷和1,3-二溴丁烷有对映异构,所以丙的同分异构体中含4种化学环境氢的有5种,C错误;
D.若丁属于醛,丁醛和2-甲基丙醛均无立体异构,D正确。
故选C。
24.A
【详解】A.燃烧法是研究确定有机物成分的常用方法,但不是分离提纯有机物的方法,故A错误;
B.2,2,6,6—四甲基庚烷分子中氢原子的类型为3,则核磁共振碳谱中会出现了3个峰,故B正确;
C.由图可知,有机物的质荷比最大值为90 ,则有机物的相对分子质量为90,故C正确;
D.x射线衍射可以确定原子间的距离和分子的三维结构,从而确定有机化合物分子的空间结构,区分有机化合物的对映异构体,故D正确;
故选A。
25.D
【详解】根据表中烃的分子式的排列规律,可知序号7中的烃为C7H16,C7H16同分异构体有9种,分别为CH3CH2CH2CH2CH2CH2CH3、CH3CH(CH3)CH2CH2CH2CH3、CH3CH2CH(CH3) CH2CH2CH3、CH3CH(CH3)CH(CH3)CH2CH3、CH3CH(CH3)CH2CH(CH3)CH3、CH3C(CH3)2CH2CH2CH3、CH3CH2C(CH3)2CH2CH3、CH3CH2C(C2H5)CH2CH3、CH3C(CH3)2CH(CH3)CH3,故答案为D。
26.相对分子质量
【详解】质谱图中质荷比的最大值等于样品分子的相对分子质量,如图中所示,该分子的相对分子质量为46。
27.(1)C
(2)D
(3)A
(4)F
(5)B
【解析】略
28.(1)
(2)亲核取代反应
【解析】略
高中化学第二节 研究有机化合物的一般方法课堂检测: 这是一份高中化学<a href="/hx/tb_c4002460_t7/?tag_id=28" target="_blank">第二节 研究有机化合物的一般方法课堂检测</a>,共7页。试卷主要包含了下列有关实验原理或操作正确的是等内容,欢迎下载使用。
高中化学人教版 (2019)选择性必修3第二节 研究有机化合物的一般方法巩固练习: 这是一份高中化学人教版 (2019)选择性必修3<a href="/hx/tb_c4002460_t7/?tag_id=28" target="_blank">第二节 研究有机化合物的一般方法巩固练习</a>,共14页。试卷主要包含了单选题,填空题等内容,欢迎下载使用。
人教版 (2019)选择性必修3第二节 研究有机化合物的一般方法当堂达标检测题: 这是一份人教版 (2019)选择性必修3第二节 研究有机化合物的一般方法当堂达标检测题,共6页。试卷主要包含了下列实验操作错误的是等内容,欢迎下载使用。

