所属成套资源:2023-2024学年下学期小学数学人教版五年级同步分层作业
小学数学人教版五年级下册8 数学广角-----找次品同步达标检测题
展开这是一份小学数学人教版五年级下册8 数学广角-----找次品同步达标检测题,共7页。
A.4~9B.10~27C.28~81
2.阿凡提从他的朋友那里得到了8枚外表一模一样的金币,但是其中有1枚是假的,重量较轻.想一想,他至少需要用天平称( )次才能找出假的硬币.
A.2B.3C.4
3.有27个零件,其中有一个是次品比正品的重,如果用天平找至少需要( )次才能保证找出来.
A.2B.3C.4D.5
4.10个零件中有一个比较轻,其它的同样重.如果用天平称,至少称( )次,就一定能把它找出来.
A.2B.3C.4D.5
二.应用题(共3小题)
5.4个零件里有1个次品(次品轻一些),完成下面找次品的过程。
不平衡, 是次品。至少要称 次。
6.有10个玻璃珠,其中一个略轻一些,用天平称,至少称几次才能保证找到它,请写出称的过程。
7.现有5g和35g的砝码各一个,要把300g的白糖三等分,则至少需要用天平称几次?
三.解答题(共3小题)
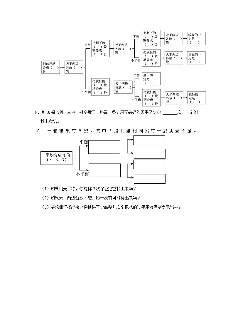
8.李阿姨买了16袋糖,其中15袋质量相同,另1袋稍微轻一些,是次品。她设计了用天平找次品的方案,请你帮她填完整。
9.有10瓶饮料,其中一瓶变质了,略重一些。用无砝码的天平至少称 次,一定能找出次品。
10.一箱糖果有9袋,其中8袋质量相同另有一袋质量不足。
(1)如果用天平称,你能称2次保证把它找出来吗?
(2)如果天平两边各放4袋,称一次有可能称出来吗?
(3)要想保证找出来这袋糖果至少需要几次?把找的过程用流程图表示出来。
(培优篇) 2023-2024学年下学期小学数学人教新版五年级同步分层作业8.1找次品
参考答案与试题解析
一.选择题(共4小题)
1.有一堆玻璃球,其中有一个较重的是次品,万老师告诉大家:若用天平称,至少称3次就一定能找出这个较重的玻璃球.这堆玻璃球可能有( )个.
A.4~9B.10~27C.28~81
【解答】解:根据天平平衡原理,(1)如果有3个玻璃球,最少需要1次能够找出次品:把3分成1、1、1,在天平两边各放1个,平衡,剩下的是次品,不平衡,下降的一方是次品;如果此时再多出1个玻璃球则最少需要2次才能找出次品;
(2)若有3×3=9个玻璃球,则最少需要2次找出次品:把9分成3、3、3,在天平两边各放一份,平衡,剩下的一份中有次品;不平衡,次品在下降的一边,再按照上面(1)的方法进行二次测量即可;如果此时再多出1个玻璃球则最少需要3次才能找出次品;
(3)若有3×3×3=27个玻璃球,则最少需要3次找出次品:把27分成9、9、9,在天平两边各放一份,平衡,剩下的一份中有次品;不平衡,次品在下降的一边,再按照上面(2)的方法进行二次测量即可;如果此时再多出1个玻璃球则最少需要4次才能找出次品;
据上述推算可得:当玻璃球个数多于9个,少于28个时,至少需要称量3次找出次品,所以玻璃球的个数可能是10~27这几个数.
答:玻璃球的个数可能是10、11、12、13…26、27.
故选:B.
2.阿凡提从他的朋友那里得到了8枚外表一模一样的金币,但是其中有1枚是假的,重量较轻.想一想,他至少需要用天平称( )次才能找出假的硬币.
A.2B.3C.4
【解答】解:将8枚分成3份:3,3,2;第一次称重,在天平两边各放3枚,手里留2枚;
(1)如果天平平衡,则次品在手里,然后再称一次就可以找到次品;
(2)如果天平不平衡,则次品在升起的天平托盘的3枚中,将这3枚中的2枚在天平两边各放1枚,手里留1枚,
a.如果天平不平衡,则找到次品在升起的天平托盘中,
b.如果天平平衡,则次品在手中。
故至少称2次才能找出假的硬币。
故选:A。
3.有27个零件,其中有一个是次品比正品的重,如果用天平找至少需要( )次才能保证找出来.
A.2B.3C.4D.5
【解答】解:把27个零件分成9个,9个,9个的三份,
第一次:把其中两份分别放在天平秤两端,若天平秤平衡,则次品即在未取的9个零件中(按照下面方法继续操作),若不平衡;
第二次:把天平秤较低端的9个零件分成3个,3个,3个的三份,把其中两份分别放在天平秤两端,若天平秤平衡,则次品即在未取的3个零件中(按照下面方法继续操作),若不平衡;
第三次:从天平秤较低端的3个零件中,任取2个,分别放在天平秤两端,若天平秤平衡,则未取的那个零件即为次品,若不平衡,天平秤较低端的零件即为次品,
故选:B.
4.10个零件中有一个比较轻,其它的同样重.如果用天平称,至少称( )次,就一定能把它找出来.
A.2B.3C.4D.5
【解答】解:把10个零件分成(5,5)两组放在天平上称,找出上升的一组,再把这5个零件分成(2,2,1)三组,把2个一组的放在天平上称,如平衡,则没称的一个是次品,需2次.
如不平衡,再把上升的2个零件分成(1,1)放在天平上称,上升的一个就是次品,需3次.
所以至少称3次就一定能找出次品.
故选:B.
二.应用题(共3小题)
5.4个零件里有1个次品(次品轻一些),完成下面找次品的过程。
不平衡, 较轻的 是次品。至少要称 2 次。
【解答】解:根据找次品的规律,把4个零件分成(2、2)两组;
第一次称,天平两边各放2瓶,天平不平衡,则次品在较轻的2瓶中;
第三次称,天平两边各放1瓶,天平不平衡,较轻的1瓶是次品。
所以不平衡,较轻的是次品。至少要称2次。
故答案为:较轻的,2。
6.有10个玻璃珠,其中一个略轻一些,用天平称,至少称几次才能保证找到它,请写出称的过程。
【解答】解:用天平称,至少称3次才能保证找到它。
第一次:把10个玻璃珠平均分成两份,每份5个,分别放在天平秤两端。
第二次:从天平秤较高端的5个玻璃珠中任取4个,平均分成两份,每份2个,若天平秤平衡,则未取那个玻璃珠即为较轻的,若天平秤不平衡,进行第三次称重。
第三次:把天平秤较高端的2个玻璃珠,分别放在天平秤两端,较高端的即为较轻的。
所以至少称3次才能保证找到它。
7.现有5g和35g的砝码各一个,要把300g的白糖三等分,则至少需要用天平称几次?
【解答】解:第1次:天平左盘放35克砝码,右盘放5克砝码并加白糖,直至平衡,右盘称出30克白糖。
第2次:天平左盘放两个砝码(35克+5克=40克)和30克白糖,右盘加白糖至平衡,右盘称出70克白糖。
第3次:将30克白糖和70克白糖一起(30克+70克=100克)放在左盘,右盘加白糖至平衡,此时两边各100克白糖,剩余的也是100克白糖。
答:至少需要用天平称3次。
三.解答题(共3小题)
8.李阿姨买了16袋糖,其中15袋质量相同,另1袋稍微轻一些,是次品。她设计了用天平找次品的方案,请你帮她填完整。
【解答】解:
9.有10瓶饮料,其中一瓶变质了,略重一些。用无砝码的天平至少称 3 次,一定能找出次品。
【解答】解:第一,先把10瓶水平均分成两份,在天平两边,每边放5瓶,看天平哪边重,重的5瓶中就有一瓶是盐水;
第二,再从重的5瓶中拿出4瓶,在天平两边,每边放2瓶,如果两边一样重,说明剩下的那一瓶是盐水;如果不一样重,重的2瓶中有一瓶是盐水;
第三,再把重的2瓶,在天平两边,每边放1瓶,重的那一瓶就是盐水了;所以至少称3次能保证找出这瓶饮料。
综上所述,用无砝码的天平至少称3次,一定能找出次品。
故答案为:3。
10.一箱糖果有9袋,其中8袋质量相同另有一袋质量不足。
(1)如果用天平称,你能称2次保证把它找出来吗?
(2)如果天平两边各放4袋,称一次有可能称出来吗?
(3)要想保证找出来这袋糖果至少需要几次?把找的过程用流程图表示出来。
【解答】解:(1)9=32,所以称2次保证把它找出来。
(2)当如果天平两边各放4袋,正好剩余的是质量不足的一袋时,一次就可找到这袋质量不足的。
(3)至少2次保证找出来这袋糖果。
如图:
相关试卷
这是一份小学数学人教版五年级下册8 数学广角-----找次品课时作业,共7页。试卷主要包含了有15袋瓜子,其中有一袋是轻的等内容,欢迎下载使用。
这是一份小学数学人教版五年级下册8 数学广角-----找次品课堂检测,共6页。试卷主要包含了一盒羽毛球中有1个较轻的次品等内容,欢迎下载使用。
这是一份小学数学人教版五年级下册约分课后测评,共5页。试卷主要包含了72和24的最大公因数是,先约分,再化成带分数等内容,欢迎下载使用。

