2022-2023学年辽宁省盘锦市盘山县八年级(上)期末物理试卷(含答案解析)
展开1.下列数据符合实际的是( )
A. 教室的高度是4m
B. 一块橡皮从书桌上自由落到地面所用的时间是5s
C. 教室内最舒适的温度是37℃
D. 一支粉笔的质量是10kg
2.下列事例中利用声传递能量的是( )
A. 通过声学仪器接收到的次声波等信息判断地震的方位
B. 利用超声波排除人体内的结石
C. 利用超声波给金属工件探伤
D. 医生通过听诊器给病人诊病
3.在运输食品的时候,为了防止食品腐烂变质,可以利用干冰来降温。这是因为( )
A. 干冰熔化吸热B. 干冰凝固放热C. 干冰升华吸热D. 干冰凝华放热
4.合成电视机画面颜色的三种色条是( )
A. 红、黄、蓝B. 红、绿、蓝C. 红、黄、绿D. 橙、绿、蓝
5.一束光通过透镜的光路如图所示,哪幅图是正确的?( )
A. B.
C. D.
二、多选题(本大题共4小题,共12分)
6.下列关于声音的说法中,正确的是( )
A. “曲高和寡”中的“高”指声音的音调高
B. “低声细语”中的“低”指声音的响度小
C. “悦耳动听”描述的是声音的音色好
D. “震耳欲聋”描述的是声音的频率高
7.雨后晴朗的夜晚,为了不踩到地上的积水( )
A. 迎着月光走,地上发暗的是水B. 迎着月光走,地上发亮的是水
C. 背着月光走,地上发暗的是水D. 背着月光走,地上发亮的是水
8.关于质量和密度,下列说法正确的是( )
A. 气凝胶是当今世界上密度最小的固体
B. 暖气一般都安装在窗户下面是根据气体的密度随温度升高而变大的道理
C. 不同物质的密度一定不同
D. 一粒种子被带入我国空间站后质量不变
9.如图所示为小明做“探究凸透镜成像规律”的实验装置图,透镜的焦距为10cm。此时要使蜡烛在光屏上成清晰的像,在蜡烛、凸透镜和光屏三者中只移动其中的一个,其余两个不动。下列措施中可行的是( )
A. 光屏向左移动B. 蜡烛向左移动C. 光屏向右移动D. 透镜向右移动
三、填空题(本大题共5小题,共17分)
10.如果以地面为参照物,房屋、桥梁、树木等物体,都是______ 的;如果以太阳为参照物,这些物体又都是______ 的。
11.用手拨动绷紧的橡皮筋,橡皮筋嗡嗡作响时,橡皮筋在______ ;说话时声带在______ 。大量的观察、分析表明,声音是由物体的______ 产生的。声音传播的快慢用______ 描述。声音在传播过程中,如果遇到障碍物,就会被______ 。
12.控制噪声要从三个方面着手,即防止噪声的______ 、阻断它的______ 、防止它进入______ .
13.如图所示,刚从水中出来的人,身上的水______ 时______ 热量,使人体的温度下降所以他会觉得冷。有风吹来时,空气的流速加快,使水的______ 加快,______ 更多的热量,他会觉得更冷。
14.小明在平静的湖边看到“鱼在云上游”这一有趣的现象。他看到的“鱼”是鱼通过水的______ 射所形成的______ 像,看到的“云”是云在水面下的______ 像。
四、实验探究题(本大题共4小题,共31分)
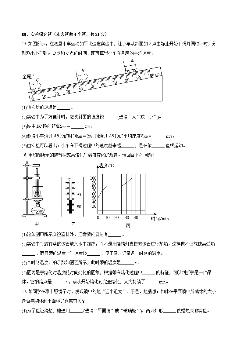
15.如图所示,在测量小车运动的平均速度实验中,让小车从斜面的A点由静止开始下滑并同时计时,分别测出小车到达B点和C点的时间,即可算出小车在各段的平均速度。
(1)该实验的原理是______ 。
(2)实验中为了方便计时,应使斜面的坡度较______ (选填“大”或“小”)。
(3)图中BC段的距离SBC=______ cm。
(4)测得小车通过AB段的时间tAB=2s,则通过AB段的平均速度VAB=______ m/s。
(5)由实验可以看出:小车在下滑过程中的速度越来越______ ,是在做______ 直线运动。
16.用如图所示的装置探究萘熔化时温度变化的规律。请回答下列问题:
(1)除如图甲所示实验器材外,还需要的器材有______ 。
(2)实验中将装有萘的试管放入水中加热,而不是用酒精灯直接对试管进行加热,这样做不但能使萘受热______ ,而且萘的温度上升速度较______ ,便于及时记录各个时刻的温度。
(3)某时刻温度计的示数如图乙所示,此时萘的温度是______ ℃。
(4)图丙是萘熔化时温度随时间变化的图象,根据萘在熔化过程中______ 的特征,可以判断萘是一种晶体,它的熔点是______ ℃,萘从开始熔化到完全熔化,大约持续了______ min。
17.某同学在家中照镜子时,发现镜中的她“远小近大”。于是,她猜想:物体在平面镜中所成像的大小是否与物体到平面镜的距离有关?
(1)为了验证猜想,她选用______ (选填“平面镜”或“玻璃板”)、两只外形______ 的蜡烛来做实验。
(2)她在前面放一支点燃的蜡烛A,在后面放一支没有点燃的蜡烛B,如图甲,在寻找蜡烛A的像的位置时,眼睛应该在蜡烛______ 这一侧观察。她把蜡烛A分别放在不同位置处,移动蜡烛B,发现蜡烛B与蜡烛A成的像总是______ (选填“重合”或“不重合”)的。
(3)她得出结论:物体在平面镜中所成像的大小与物体到平面镜的距离______ (选填“有关”或“无关”),像与物体大小______ (选填“相等”或“不相等”)。
(4)她完成上面的实验后,接着想探究成的像是实像还是虚像?她移去后面的蜡烛B,在像的位置放一个光屏,在光屏上______ (选填“能”或“不能”)承接到像,她于是又明白了:平面镜成的像是______ 像。
(5)根据平面镜成像规律,在图乙中作出物体ABC在平面镜中所成的像。
18.学校环保小组为了监测本地河流的污染情况,要经常测量河水的密度。在某次测量中进行了如下操作:
(1)他们把天平放在水平桌面上,当把______ 放到标尺左端零刻度处时,指针位置如图甲所示,此时他们应将平衡螺母向______ 调,使______ 平衡。
(2)接下来进行了如下三步操作:
A.用天平测出烧杯和剩余河水的总质量是30g。
B.如图乙所示,在烧杯中盛入河水,用天平测出烧杯和河水的总质量是______ g。
C.如图丙所示,把烧杯中部分河水倒入量筒中,测出这部分河水的体积是______ cm3。
以上操作正确的顺序是:______ (填字母)。
(3)河水的密度是______ kg/m3。
(4)由此可以得出:河水中含有密度比水______ 的杂质。
五、计算题(本大题共4小题,共25分)
19.凸透镜是许多光学仪器的重要元件,可以呈现不同的像。应用凸透镜,在照相机中成______ 、______ 立的______ 像;直接用凸透镜做放大镜时,成______ 、______ 立的______ 像。(填放大、缩小或不变;正或倒;实或虚)
20.太阳发出的光要经过8min才能到达地球.请你估算太阳到地球的距离.
21.星期日小刚骑共享单车游玩,以4m/s的平均速度共骑行了18km。共享单车的收费标准是每0.5小时收费1元,不足0.5小时的按0.5小时计算。此次骑行小刚需支付车费多少元?
22.加油站常使用密度瓶来检验汽油的密度,如果密度瓶空瓶的质量为130g,装满水后总质量为330g,装满某种汽油后总质量为276g,试判断该种汽油是否合格?(ρ汽油=0.71×103kg/m3)
答案和解析
1.【答案】A
【解析】解:A、教室的高度在4m左右,故A正确;
B、一块橡皮从书桌上自由落到地面所用的时间大约是0.5s,故B错误;
C、教室内最舒适的温度约是23℃,故C错误;
D、一支粉笔的质量在10g左右,故D错误。
故选:A。
新课程标准要求我们能根据日常经验或自然现象粗略估测一些物理量。例如:长度、质量、时间、温度、力、速度、电功率、电流、电压等。解答估测选择题的方法:利用生活中我们熟悉的一些数据作为根据,进行单位换算,有时要利用基本公式求未知物理量。
本题考查了对长度、时间、温度、质量的估测,注重理论与实际差异的应变能力的培养,体现新课程的基本理念。
2.【答案】B
【解析】解:A、通过声学仪器接收到的次声波等信息判断地震的方位,说明声音可以传递信息;
B、利用超声波排除人本内的结石,说明声音能够传递能量;
C、利用超声波给金属工件探伤,说明声音可以传递信息;
D、医生通过听诊器给病人诊病,说明声音可以传递信息。
故选:B。
声音可以传递信息,如:隆隆的雷声预示着一场可能的大雨,“声呐”的利用、医用“B超”等;
声音能够传递能量,如:利用声波来清洗钟表等精细的机械,“超声波碎石”等。
此题考查的是声的利用,是一道声学的基础题;声波传递信息和能量的性质可以应用在很多方面。
3.【答案】C
【解析】解:在运输食品的时候,为了防止食品腐烂变质,可以利用干冰升华吸热来降低温度。
故选:C。
在运输食品的时候,为了防止食品腐烂变质,可以利用干冰升华吸热来降低温度。
本题考查了干冰的升华,升华吸热,属于基础题。
4.【答案】B
【解析】解:用放大镜观察彩色电视画面,可以发现是由红、绿、蓝三种色光混合而成的,三种色光混合在一起的颜色是白色。
故选:B。
红、绿、蓝三种色光叫色光三原色,红、绿、蓝三种色光,按不同比例混合,可以产生不同颜色的光。彩色电视机的丰富多彩的画面是由三种色光混合而成。
由于人类肉眼有三种不同颜色的感光体,因此所见的色彩空间通常可以由三种基本色所表达,这三种颜色被称为“三原色”。
5.【答案】A
【解析】解:A、入射光线平行于主光轴,经过凸透镜折射后,折射光线过焦点,故A正确。
B、过焦点的入射光线经凸透镜折射后应该平行于主光轴射出,故B错误。
C、凹透镜对光线有发散作用,现在是会聚了,故C错;
D、平行于主光轴的入射光线经过凹透镜折射后,折射光线的反向延长线过焦点。故D错。
故选:A。
凸透镜三条特殊光线的作图:①通过焦点的光线经凸透镜折射后将平行于主光轴。②平行于主光轴的光线经凸透镜折射后将过焦点。③过光心的光线经凸透镜折射后传播方向不改变。
凹透镜三条特殊光线的作图:①延长线过另一侧焦点的光线经凹透镜折射后将平行于主光轴。②平行于主光轴的光线经凹透镜折射后,其折射光线的反向延长线过焦点。③过光心的光线经凹透镜折射后传播方向不改变。
关于凸透镜三条特殊光线:过焦点的;平行于主光轴的;过光心的。
关于凹透镜三条特殊光线:射向另一个焦点的; 平行于主光轴的;过光心的。关于这三条特殊光线的考查一般是告诉入射光线让画出出射光线或者告诉出射光线让画出入射光线。解这种题目时,把握入射光线和出射光线的特点的对应是解决此题的关键。
6.【答案】ABC
【解析】解:
A、“曲高和寡”中的“高”是指声音的音调高,故A正确;
B、“低声细语”中“低”是指声音的响度小,故B正确;
C、“悦耳动听”描述的是声音的音色好,故C正确;
D、“震耳欲聋”描述的是声音的振幅大、响度大,故D错误。
故选:ABC。
声音的响度是指声音的强弱。音调是指声音的高低。音色是指声音的品质与特色。声音的响度与声源振动的幅度和距离发声体的远近有关,振动幅度越大,响度越大。
解决此类问题要会根据响度、音色和音调的定义区分乐音特征的三个因素,属于易错的题目。
7.【答案】BC
【解析】解:AB、迎着月光走,地上的水面对月光发生镜面反射,反射光线大部分能入射到人的眼睛,地面对月光发生漫反射,反射光线进入眼睛的相对较少,所以地上发亮的是水,故A错误,B正确;
CD、背着月光走,人看不到水面发生镜面反射的月光,而能看到地面发生漫反射的月光,所以地上发暗的是水,故D错误,C正确。
故选:BC。
平行光射向平而光滑的反射面,反射光线平行射出,这种反射是镜面反射;平行光射向凹凸不平的反射面,反射光线射向四面八方,这种反射是漫反射。
人感觉物体的亮暗,关键是进入眼睛的光的多少,进入眼睛的光多就感觉亮,进入眼睛的光少就感觉暗。
掌握无论是镜面反射还是漫反射都遵循光的反射定律,正确区分镜面反射和漫反射。不要误以为镜面反射就一定亮,漫反射就一定暗,感觉亮暗关键是看进入眼睛的光的多少。
8.【答案】AD
【解析】解:A、气凝胶是当今世界上密度最小的固体,故A正确。
B、暖气一般都安装在窗户下面是根据气体的密度随温度升高而变小的道理,故B错误。
C、不同物质的密度也可能不同,如煤油与酒精,故C错误。
D、一粒种子被带入我国空间站后,位置变了,质量不变,故D正确。
故选:AD。
(1)物体密度一般随温度的升高而变小。
(2)不同的物质密度一般不同,但也有相同的。
(3)质量是物质的属性,它不随位置的改变而改变。
本题考查了密度与质量的特点,属于基础题。
9.【答案】BD
【解析】解:将蜡烛左移,在一倍焦距和二倍焦距之间时,在光屏上会出现一个清晰的像;
透镜向右移动,也可以实现物体在一倍焦距和二倍焦距之间,或物体在二倍焦距以外时,在光屏上能成实像的情形。
故选:BD。
本题首先要知道使蜡烛在光屏上成清晰的像的条件:物体在焦点上,无论怎样移动光屏,都不会在光屏上得到像;其次要用到透镜的焦距为10cm;可通过调节蜡烛或透镜满足蜡烛在一倍焦距以外。
凸透镜成像的规律:概括为三区域两点
u>2f,成倒立缩小的实像;
u=2f,成倒立等大的实像;
fu=f,不成像;
u
10.【答案】静止 运动
【解析】解:房屋、桥梁、树木与地面之间没有位置的变化,以地面为参照物,房屋、桥梁、树木等物体,都是静止的;
而房屋、桥梁、树木等物体相对于太阳的位置是不断变化的,因此以太阳为参照物,它们又是运动的。
故答案为:静止;运动。
判断运动还是静止需要选择一个参照物,然后来比较物体相对于参照物的位置有没有发生变化,发生变化就是物体相对于该参照物是运动的,否则就是静止的。
本题考查了怎样判断物体的运动与否,选取的参照物不同,判断的结果可能不同。
11.【答案】振动 振动 振动 声速 反射回来
【解析】解:用手拨动绷紧的橡皮筋,橡皮筋嗡嗡作响时,橡皮筋在振动;说话时声带在振动。大量的观察、分析表明,声音是由物体的振动产生的。
声音传播的快慢用声速描述。
当声音在传播过程中遇到障碍物时,能被反射回来,这种现象称为回声。
故答案为:振动;振动;振动;声速;反射回来。
声音是由物体振动产生的;
声音在空气传播过程中遇到障碍物时,能被反射回来,传到我们的耳朵即形成回声。
解决此类问题要结合声音产生和传播形式进行解答,是一道声学典型题目,要切实理解掌握。
12.【答案】产生;传播;人耳
【解析】解:控制噪声要从声源处防止噪声的产生,在传播过程中阻断噪声的传播,防止噪声进入人耳;
故答案为:产生,传播,人耳.
解决此题要根据所学知识可知,减弱噪声的途径有三种:在声源处减弱噪声;阻断噪声的传播;在人耳处减弱噪声.
解决此类问题要结合噪声的特点和防治噪声的途径进行分析解答.
13.【答案】蒸发 吸收 表面空气流动速度 蒸发
【解析】解:刚从水中出来的人,感觉冷是因为身上的水蒸发吸收热量,使人体温度降低,所以觉得冷。若有风吹来时身体表面的空气流动速度加快,使水蒸发加快,从身体吸收更多热量会觉得更冷。
故答案为:蒸发;吸收;表面空气流动速度;蒸发。
(1)物质由液态变成气态的现象叫做汽化,汽化包括蒸发和沸腾两种形式,汽化吸热;
(2)影响蒸发快慢的因素有:液体的温度、液体的表面积、液体表面的空气流动速度。
本题考查了学生对蒸发以及蒸发吸热的了解,属于基础知识的考查,比较简单。
14.【答案】折 虚 虚
【解析】解:鱼反射的光线由水中进入空气时,在水面上发生折射,折射角大于入射角,折射光线进入人眼,人眼会逆着折射光线的方向看去,就会觉得鱼变高了,所以看到了鱼的虚像;
看见水中的“云”属于平面镜成像,是由光的反射现象形成的虚像。
故答案为:折;虚;虚。
平面镜成像属于光的反射,所成的是正立等大的虚像;
当光从一种介质斜射入另一种介质时,传播方向发生偏折,这种现象叫做光的折射。
本题考查了学生对光的反射和折射现象的区分,抓住二者传播的介质不同是解题的关键,是一道光学基础题。
15.【答案】v=st 小 40.00.2快 变速
【解析】解:(1)测量平均速度的实验原理是v=st;
(2)斜面的坡度越大,小车在斜面上滑下的速度越快,不方便计时,因此为了方便计时,应使斜面的坡度较小,以减少测量时间的误差;
(3)由图可知,小车在BC段的路程:sBC=40.0cm;
(4)由图可知,小车在AB段的路程:sAB=80.0cm−40.0cm=40.0cm,
则AB段的平均速度:vAB=sABtAB=40.0cm2s=20.0cm/s=0.2m/s;
(5)从实验中可知,小车的速度是变化的,不是定值,因此小车做的是变速直线运动。
故答案为:(1)v=st;(2)小;(3)40.0;(4)0.2;(5)快;变速。
(1)测量平均速度的实验原理是v=st;
(2)斜面的坡度越大,小车在斜面上滑下的速度越快,不方便计时,据此分析;
(3)根据刻度尺的分度值读出BC段的路程;
(4)根据刻度尺的分度值读出AB段的路程,根据速度公式v=st可求出AB段的平均速度;
(5)如果小车速度保持不变,则小车做匀速直线运动,如果小车速度变化,则小车做变速直线运动。
本题考查了测量平均速度的实验,属于基本的实验题,难度不大。
16.【答案】秒表 均匀 慢 86 吸收热量,温度不变 80 15
【解析】解:(1)图甲的实验中,需要记录不同时间段的温度变化,所以还需要的器材有秒表。
(2)用水浴法加热萘,则其受热均匀,且温度变化较慢,便于温度的记录,能更好地探究萘熔化时的温度变化情况。
(3)图乙中温度计的分度值为1℃,其示数为86℃。
(4)由图丙可知,萘在熔化过程中吸收热量,温度不变,据此可以判断萘是一种晶体,它的熔点是80℃,萘从开始熔化到完全熔化,大约持续了25min−10min=15min。
故答案为:(1)秒表;(2)均匀;慢;(3)86;(4)吸收热量,温度不变;80;15。
(1)图甲的实验中,需要记录不同时间段的温度变化,所以还需要的器材有秒表。
(2)用水浴法加热萘,则其受热均匀,且温度变化较慢,便于温度的记录。
(3)温度计读数时要明确其分度值,并看清温度变化的方向,根据液柱的位置读出示数。
(4)晶体在熔化时吸收热量,温度不变,据此可从图像中读出其熔点,并得出熔化持续的时间。
本题为探究萘熔化时温度的变化规律的实验,考查图像分析、温度计读数、实验结论的归纳等知识。
17.【答案】玻璃板 相同 A 重合 无关 相等 不能 虚
【解析】解:(1)用薄玻璃板既可以看到像又可以找到像的位置,两只完全相同大小的蜡烛可以比较物像的大小,所以应选用薄玻璃板和两支完全相同的蜡烛。
(2)平面镜成的像是光的反射形成的,A蜡烛发出的光线经玻璃板反射,被人眼接收,才能看到像,故眼睛在A蜡烛所在这一侧;
把蜡烛A分别放在不同位置处,移动蜡烛B,发现总能找到一个对应位置,蜡烛B与蜡烛A的像均重合;
(3)由实验现象可知,物体在平面镜中所成像的大小与物体到平面镜的距离无关,像始终与物体大小是相等的;
(4)平面镜成虚像,所以移去后面的蜡烛B,并在其所在位置上放上一光屏,则光屏上不能承接到烛焰的像。;
(5)①作A点关于镜面的对称点A′;
②作B点关于镜面的对称点B′;
③作C点关于镜面的对称点C′;
④用虚线连接A′B′,B′C′,A′C′,△A′B′C′就是△ABC在平面镜MN中的像,如图所示:
故答案为:(1)玻璃板;相同;(2)A;重合;(3)无关;相等;(4)不能;虚;(5)见解答图。
(1)用薄玻璃板既可以看到像又可以找到像的位置,两支完全相同的蜡烛可以比较物像的大小,所以应选用薄玻璃板和两支完全相同的蜡烛。
(2)实验过程中,眼睛要在蜡烛A侧观察,眼睛既能看到蜡烛A,又能看到代替蜡烛A的蜡烛B;把蜡烛A分别放在不同位置处,移动蜡烛B,蜡烛B与蜡烛A的像均重合;
(3)物体在平面镜中所成像的大小与物体到平面镜的距离无关;
(4)实像和虚像的重要区别,实像能用光屏承接到,虚像不能用光屏承接到;
(5)依据平面镜的成像特点,分别做出A、B、C点关于镜面的对称点,然后连接,就是△ABC在镜中的像.
本题考查学生实际动手操作实验的能力,并能对实验中出现的问题正确分析,探究平面镜成像特点的实验是中考出题的一个热点。
18.【答案】游码 右 天平横梁 ×103 大
【解析】解:(1)把天平放在水平桌面上,将游码移至标尺左端的零刻线处后,发现指针在分度盘的位置如图甲所示,指针向左偏,此时应将平衡螺母向右调节,使天平的横梁平衡。
(2)接下来他进行了如下操作:
天平测出烧杯和河水的总质量是:50g+20g+1.2g=71.2g;
量筒的分度值为2mL,测出这部分河水的体积V=40mL=40cm3。
测量液体密度的实验步骤:将待测河水倒入烧杯中,用天平测出烧杯和河水的总质量m;将烧杯中河水的一部分倒入量筒,测出这部分河水的体积V;用天平测量烧杯和剩余河水的总质量m1,所以步骤是:BCA;
(3)河水的密度是:ρ=mV=71.2g−30g40cm3=1.03g/cm3=1.03×103kg/m3;
(4)河水的密度大于水的密度,所以河水中含有密度大于水的杂质。
故答案为:(1)游码;右;天平横梁;(2)71.2;40;BCA;(3)1.03×103;(4)大。
(1)把天平放在水平桌面上,将平衡螺母移至标尺左端的零刻线处后;平衡螺母向上翘的一端移动,直到使指针指在分度盘的中线处;
(2)烧杯和河水的总质量为砝码的质量和游码的读数之和;量筒的分度值为2mL,据此得出这部分河水的体积;
为避免液体在容器壁上有残留而造成实验误差,应先测出烧杯与液体总质量,然后向量筒中倒入适量液体,测出其体积,再测出烧杯与剩余液体的总质量,两者之差是所测液体的质量,据此合理安排实验步骤;
(3)根据图中数据,由公式ρ=mV计算河水的密度;
(4)根据测出的河水密度与水的密度比较即可。
本题为测量某种醋的密度的实验,考查天平的调节、质量的测量、测量液体密度的正确操作步骤及密度的计算等知识。
19.【答案】缩小 倒 实 放大 正 虚
【解析】解:①照相机是利用物距大于凸透镜的二倍焦距时,物体成倒立、缩小的实像而制成的。
②放大镜是利用物距小于凸透镜的一倍焦距时,物体成正立、放大的虚像而制成的。
故答案为:缩小;倒;实;放大;正;虚。
凸透镜成像的三种情况和应用。
①U>2f,成倒立、缩小的实像,应用于照相机和摄像机。
②2f>U>f,成倒立、放大的实像,应用于幻灯机和投影仪。
③U
20.【答案】已知:t=8min=480s;
求:太阳到地球的距离;
解:∵v=st,
∴太阳到地球的距离:
s=vt=3×108m/s×480s=1.44×1011m;
答:太阳到地球的距离是1.44×1011m.
【解析】已知光速与光的传播时间,由速度公式的变形公式可以求出太阳到地球的距离.
熟练应用速度公式的变形公式即可正确解题.
21.【答案】解:根据速度公式得,此次骑行小刚用的时间为:t=sv=18×1000m4m/s=4500s=1.25h;
由于骑行时间不足0.5h按0.5h计算,所以小刚骑行的收费时间为1.5h;
此次骑行小刚需支付车费为:n=×1元=3元。
答:此次骑行小刚需支付车费3元。
【解析】(1)知道速度和距离,根据速度公式的变形式t=sv可计算出时间;
(2)此次骑行小刚需支付车费为:n=t0.5h×1元,注意:不足0.5小时的按0.5小时计算。
本题考查了速度公式的应用,计费时注意:不足0.5小时的按0.5小时计算。
22.【答案】解:密度瓶中水的质量m水=330g−130g=200g,
密度瓶的容积V=V水=m水ρ水=200g1g/cm3=200cm3,
瓶中装满汽油则汽油的体积V汽油=V=200cm3,
瓶中汽油的质量m汽油=276g−130g=146g,
瓶中汽油的密度ρ汽油′=m汽油V汽油=146g200cm3=0.73g/cm3=0.73×103kg/m3≠0.71×103kg/m3,
所以该种汽油不合格。
答;该种汽油不合格。
【解析】先根据空瓶的质量和瓶和水的总质量计算瓶中水的质量,根据V=mρ计算水的体积,瓶的容积等于水的体积,瓶中装满汽油,汽油的体积等于瓶的容积,根据空瓶的质量和瓶和汽油的总质量计算瓶中汽油的质量,根据ρ=mV计算瓶中汽油的密度,与标准汽油的密度进行对比即可。
本题要求学生:知道一个瓶子装满水和装满其它液体时,体积相等,都等于瓶子的容积;能够运用密度公式进行计算。
2023-2024学年辽宁省盘锦市大洼区九年级(上)期末物理试卷(含解析): 这是一份2023-2024学年辽宁省盘锦市大洼区九年级(上)期末物理试卷(含解析),共24页。试卷主要包含了单选题,多选题,填空题,作图题,实验探究题,计算题,综合题等内容,欢迎下载使用。
2022-2023学年辽宁省盘锦市盘山县九年级(上)期末物理试卷(含详细答案解析): 这是一份2022-2023学年辽宁省盘锦市盘山县九年级(上)期末物理试卷(含详细答案解析),共18页。试卷主要包含了单选题,多选题,填空题,实验探究题,计算题等内容,欢迎下载使用。
2022-2023学年辽宁省盘锦市盘山县八年级(下)期末物理试卷(含答案解析): 这是一份2022-2023学年辽宁省盘锦市盘山县八年级(下)期末物理试卷(含答案解析),共13页。试卷主要包含了下列实例中属于减小压强的是,小华的家住在5楼,2m/s,下列情景中应用了弹力的是,关于机械效率,下列说法正确的是等内容,欢迎下载使用。

