所属成套资源:(2014-2023)2024年高考物理突破145分第一轮复习讲义(全国通用)
2024届高考物理一轮复习全书完整Word版第八章 实验十二
展开
这是一份2024届高考物理一轮复习全书完整Word版第八章 实验十二,共8页。试卷主要包含了电流表与电压表的改装,欧姆表原理,多用电表,二极管的单向导电性等内容,欢迎下载使用。
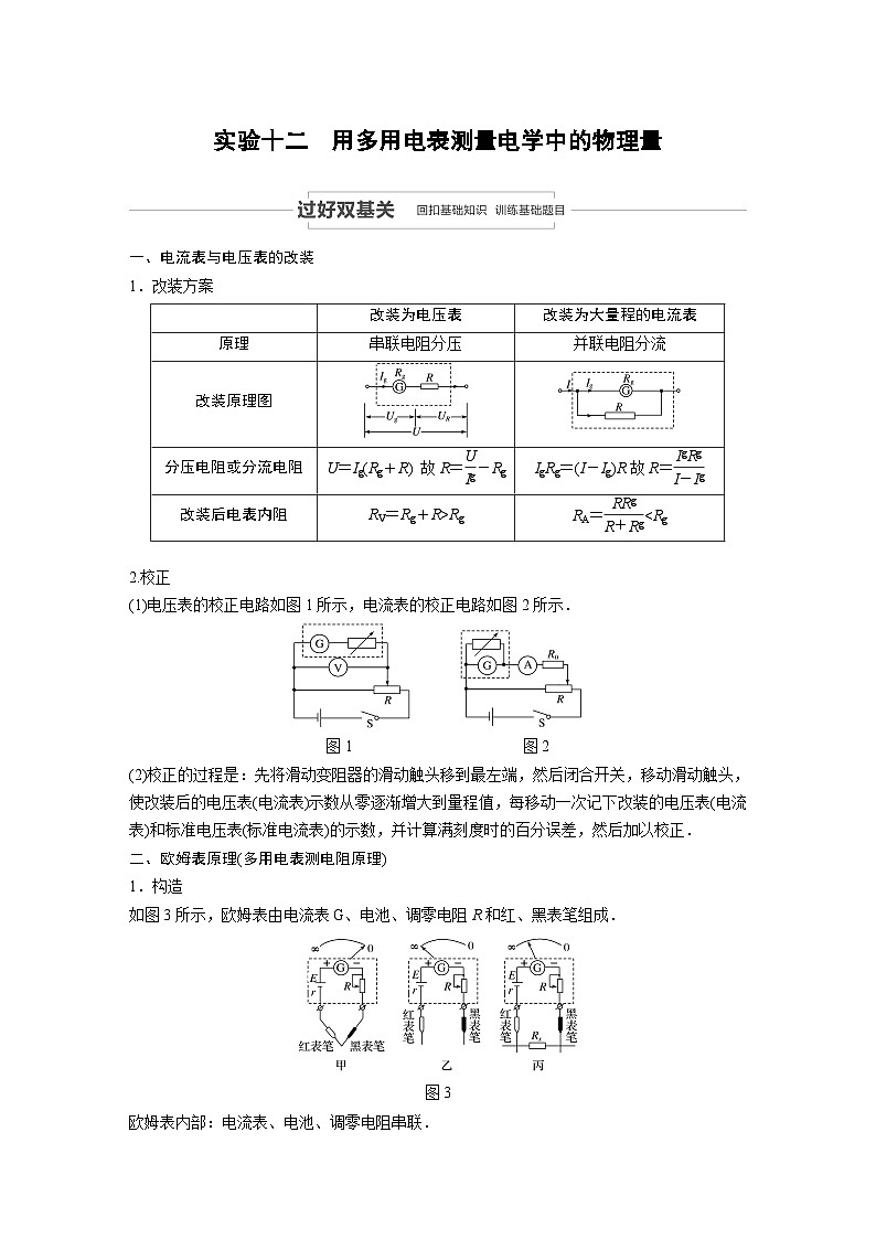
实验十二 用多用电表测量电学中的物理量一、电流表与电压表的改装1.改装方案 改装为电压表改装为大量程的电流表原理串联电阻分压并联电阻分流改装原理图分压电阻或分流电阻U=Ig(Rg+R) 故R=-RgIgRg=(I-Ig)R故R=改装后电表内阻RV=Rg+R>RgRA=<Rg 2.校正(1)电压表的校正电路如图1所示,电流表的校正电路如图2所示.图1 图2(2)校正的过程是:先将滑动变阻器的滑动触头移到最左端,然后闭合开关,移动滑动触头,使改装后的电压表(电流表)示数从零逐渐增大到量程值,每移动一次记下改装的电压表(电流表)和标准电压表(标准电流表)的示数,并计算满刻度时的百分误差,然后加以校正.二、欧姆表原理(多用电表测电阻原理)1.构造如图3所示,欧姆表由电流表G、电池、调零电阻R和红、黑表笔组成.图3欧姆表内部:电流表、电池、调零电阻串联.外部:接被测电阻Rx.全电路电阻R总=Rg+R+r+Rx.2.工作原理闭合电路欧姆定律,I=.3.刻度的标定红、黑表笔短接(被测电阻Rx=0)时,调节调零电阻R,使I=Ig,电流表的指针达到满偏,这一过程叫欧姆调零.(1)当I=Ig时,Rx=0,在满偏电流Ig处标为“0”.(图甲)(2)当I=0时,Rx→∞,在I=0处标为“∞”.(图乙)(3)当I=时,Rx=Rg+R+r,此电阻值等于欧姆表的内阻值,Rx叫中值电阻.三、多用电表1.多用电表可以用来测量电流、电压、电阻等,并且每一种测量都有几个量程.图42.外形如图4所示:上半部分为表盘,表盘上有电流、电压、电阻等多种量程的刻度;下半部分为选择开关,它的四周刻有各种测量项目和量程.3.多用电表面板上还有:欧姆表的欧姆调零旋钮(使电表指针指在右端零欧姆处)、指针定位螺丝(使电表指针指在左端的“0”位置)、表笔的正、负插孔(红表笔插入“+”插孔,黑表笔插入“-”插孔).四、二极管的单向导电性1.晶体二极管是由半导体材料制成的,它有两个极,即正极和负极,它的符号如图5甲所示.图52.晶体二极管具有单向导电性(符号上的箭头表示允许电流通过的方向).当给二极管加正向电压时,它的电阻很小,电路导通,如图乙所示;当给二极管加反向电压时,它的电阻很大,电路截止,如图丙所示.3.将多用电表的选择开关拨到欧姆挡,红、黑表笔接到二极管的两极上,当黑表笔接“正”极,红表笔接“负”极时,电阻示数较小,反之电阻示数很大,由此可判断出二极管的正、负极.1.实验器材多用电表、电学黑箱、直流电源、开关、导线若干、小灯泡、二极管、定值电阻(大、中、小)三个.2.实验步骤(1)观察:观察多用电表的外形,认识选择开关的测量项目及量程.(2)机械调零:检查多用电表的指针是否停在表盘刻度左端的零位置.若不指零,则可用小螺丝刀进行机械调零.(3)将红、黑表笔分别插入“+”、“-”插孔.(4)测量小灯泡的电压和电流.①按如图6甲所示的电路图连好电路,将多用电表选择开关置于直流电压挡,测小灯泡两端的电压.图6②按如图乙所示的电路图连好电路,将选择开关置于直流电流挡,测量通过小灯泡的电流.(5)测量定值电阻①根据被测电阻的估计阻值,选择合适的挡位,把两表笔短接,观察指针是否指在欧姆表的“0”刻度,若不指在欧姆表的“0”刻度,调节欧姆调零旋钮,使指针指在欧姆表的“0”刻度处;②将被测电阻接在两表笔之间,待指针稳定后读数;③读出指针在刻度盘上所指的数值,用读数乘以所选挡位的倍率,即得测量结果;④测量完毕,将选择开关置于交流电压最高挡或“OFF”挡. 1.多用电表使用注意事项(1)表内电源正极接黑表笔,负极接红表笔,但是红表笔插入“+”插孔,黑表笔插入“-”插孔,注意电流的实际方向应为“红入”、“黑出”.(2)区分“机械零点”与“欧姆零点”.机械零点是表盘刻度左侧的“0”位置,调整的是表盘下边中间的指针定位螺丝;欧姆零点是指刻度盘右侧的“0”位置,调整的是欧姆调零旋钮.(3)欧姆表读数时注意乘以相应挡位的倍率.(4)使用多用电表时,手不能接触表笔的金属杆,特别是在测电阻时,更应注意不要用手接触表笔的金属杆.(5)测量电阻时待测电阻要与其他元件和电源断开,否则不但影响测量结果,甚至可能损坏电表.(6)测电阻时每换一次挡必须重新欧姆调零.(7)使用完毕,选择开关要置于交流电压最高挡或“OFF”挡.长期不用,应把表内电池取出.2.多用电表对电路故障的检测(1)断路故障的检测方法①用直流电压挡:a.将电压表与电源并联,若电压表示数不为零,说明电源良好,若电压表示数为零,说明电源损坏.b.在电源完好时,再将电压表与外电路的各部分电路并联.若电压表示数等于电源电动势,则说明该部分电路中有断点.②用直流电流挡:将电流表串联在电路中,若电流表的示数为零,则说明与电流表串联的部分电路断路.③用欧姆挡检测将各元件与电源断开,然后接到红、黑表笔间,若有阻值(或有电流)说明元件完好,若电阻无穷大(或无电流)说明此元件断路.(2)短路故障的检测方法①将电压表与电源并联,若电压表示数为零,说明电源被短路;若电压表示数不为零,则外电路的部分电路不被短路或不完全被短路.②用电流表检测,若串联在电路中的电流表示数不为零,故障应是短路.例题 (2019·安徽皖江名校联盟摸底大联考)某实验小组在练习使用多用电表时,他们正确连接好电路如图7甲所示.闭合开关S后,发现无论如何调节电阻箱R0,灯泡都不亮,电流表无读数,他们判断电路可能出现故障.经小组讨论后,他们尝试用多用电表的欧姆挡来检测电路.已知保护电阻R=15 Ω,电流表量程为0~50 mA.操作步骤如下:图7①将多用电表挡位调到欧姆×1挡,再将红、黑表笔短接,进行欧姆调零;②断开图甲电路开关S,将多用电表两表笔分别接在a、c上,多用电表的指针不偏转;③将多用电表两表笔分别接在b、c上,多用电表的示数如图乙所示;④将多用电表两表笔分别接在c、e上,调节R0=20 Ω时,多用电表示数如图丙所示,电流表的示数如图丁所示.回答下列问题:(1)图丙中的多用电表读数为________ Ω;图丁中的电流表读数为________ mA.(2)操作步骤④中,多用电表红表笔应接________(选填“c”或“e”)点.(3)电路的故障可能是________.A.灯泡短路 B.灯泡断路C.保护电阻R短路 D.保护电阻R断路(4)根据以上实验得出的数据,同学们还计算出多用电表内部电源的电动势E′=________ V(结果保留三位有效数字).答案 (1)24 38.0 (2)e (3)B (4)1.48解析 (1)欧姆表的读数为24×1 Ω=24 Ω,电流表的最小分度是1 mA,需估读到0.1 mA,所以题图丁中的电流表读数为38.0 mA.(2)根据电流必须从电流表正接线柱流入,电流从欧姆表的红表笔流入,黑表笔流出,电路中电流表在e端为负极,即电流经过电流表的方向为d→e,则操作步骤④中,多用电表黑表笔应接c点,红表笔应接e点.(3)将多用电表两表笔分别接在a、c上,多用电表的指针不偏转,说明ac间有断路.将多用电表两表笔分别接在b、c上,多用电表的示数不为零,所以电路的故障是灯泡断路.(4)由操作步骤③中多用电表指针正好指在中间刻度,根据欧姆表的中值电阻等于其内阻,则知欧姆表的内阻为R欧=15 Ω.根据闭合电路欧姆定律得:I=,又R0+RmA=24 Ω,故E′=I(R0+RmA+R欧)=38.0×10-3×(24+15) V≈1.48 V.变式1 (2019·辽宁大连市第二次模拟)如图8甲所示是多用电表欧姆挡内部的部分原理图,已知电源电动势E=1.5 V,内阻r=1 Ω,灵敏电流计满偏电流Ig=10 mA,内阻rg=90 Ω,表盘如图丙所示,欧姆表表盘中值刻度为“15”.图8(1)多用电表的选择开关旋至“Ω”区域的某挡位时,其内部电路为图甲所示.将多用电表的红、黑表笔短接,进行欧姆调零,调零后多用电表的总内阻为________ Ω.某电阻接入红、黑表笔间,表盘如图丙所示,则该电阻的阻值为________ Ω.(2)若将选择开关旋至“×1”,则需要将灵敏电流计________(选填“串联”或“并联”)一阻值为________ Ω的电阻,再进行欧姆调零.(3)某同学利用多用电表对二极管正接时的电阻进行粗略测量,如图乙所示,下列说法中正确的是________(填选项前的字母).A.欧姆表的表笔A、B应分别接二极管的C、D端B.双手捏住两表笔金属杆,测量值将偏大C.若采用“×100”倍率测量时,发现指针偏角过大,应换“×10”倍率,且要重新进行欧姆调零D.若采用“×10”倍率测量时,发现指针位于刻度“15”与“20”的正中央,测量值应略大于175 Ω答案 (1)150 70 (2)并联 10 (3)AC解析 (1)设欧姆表总内阻为R,短接时有:E=IgR,代入数据计算得:R=150 Ω;当半偏时有:E=Ig(R+R中),所以R=R中,所以选择的是“×10”挡位,根据题图丙可知读数为70 Ω.(2)开关旋至“×1”,此时内阻R′=R中=15 Ω,短接时电流Im==100 mA,所以给表头并联一个分流电阻R0,根据欧姆定律:R0==10 Ω.(3)二极管具有单向导电性,由于表笔A与欧姆表内部电源正极相连,故需要表笔A、B应分别接二极管的C、D端,A正确;实验测量时,手不能触碰金属杆,否则会将自身电阻并联进电路,测量值偏小,B错误;若采用“×100”倍率测量时,发现指针偏角过大,说明电阻对该挡位太小,所以应该换小挡位,即“×10”倍率,且要重新进行欧姆调零,C正确;欧姆表表盘刻度不均匀,“左密右疏”且越往左阻值越大,所以测量值应小于175 Ω,D错误.变式2 如图9甲为一个多用电表的表盘,图中S、K、T为三个可调节部件,该多用电表用作欧姆表的原理图如图乙.图9(1)现用此多用电表测量一个阻值约为十几欧的定值电阻,主要操作步骤如下:①调节可调部件________,使电表指针停在表盘左侧零刻度位置;②调节可调部件________,选择“×1”挡位置;③将红、黑表笔分别插入“+”“-”插孔,笔尖相互接触,调节可调节部件________,使表笔指针指向右侧零刻度位置;④将红、黑表笔的笔尖分别接触电阻的两端,由表头指针示数得出该电阻的阻值.(2)选择欧姆表的“×1 k”挡,两表笔笔尖相互接触且调零时,图乙中电源电动势和内阻分别为E、r,表头G的内阻为Rg,滑动变阻器的阻值为R,则表头G的满偏电流Ig=________(用题给符号表示);再把表笔的笔尖和某电阻接触,欧姆表的示数如图丙,若电源电动势E=6 V,则通过表头G的电流I=________ mA.答案 (1)S K T (2) 0.2解析 (1)①多用电表的使用首先进行机械调零:调节可调部件S,使电表指针停在表盘左边的零刻度位置;②调节可调部件K选择合适的挡位:因电阻约为十几欧,为使指针指在中央刻度附近,则选择欧姆表的“×1”挡位即可.③欧姆表选好挡后要进行欧姆调零,短接红、黑表笔,调节T,使得电表指针指向右侧零刻度位置.(2)两表笔笔尖相互接触且调零时Rx=0,此时电流为满偏电流Ig,由闭合电路的欧姆定律E=Ig(r+R+Rg),则可得Ig=;欧姆表选择的“×1 k”挡,中值电阻值为15×1 000 Ω,则RΩ=Rg+R+r=15×1 000 Ω,而E=6 V,则Ig== A=0.4 mA,现接待测电阻后指针所在位置读得Rx=15×1 000 Ω,则I==0.2 mA.
相关试卷
这是一份2024届高考物理一轮复习全书完整Word版第十二章 第1讲,共15页。试卷主要包含了光电效应及其规律,爱因斯坦光电效应方程,光的波粒二象性与物质波等内容,欢迎下载使用。
这是一份2024届高考物理一轮复习全书完整Word版第二章 实验三,共8页。试卷主要包含了实验原理,实验器材,实验步骤等内容,欢迎下载使用。
这是一份2024届高考物理一轮复习全书完整Word版第二章 实验二,共7页。试卷主要包含了实验原理,实验器材,实验步骤等内容,欢迎下载使用。

