2023年山东省泰安市中考物理试卷(含答案解析)
展开2023年山东省泰安市中考物理试卷
1. 下列有关物理量的估测,符合实际的( )
A. 一个鸡蛋所受重力约为0.5N
B. 学校教学楼的高度约为12dm
C. 泰山山顶上的大气压约为1.01×105Pa
D. 汽车在高速公路正常行驶的速度约为120m/s
2. 关于声现象,下列说法正确的是( )
A. 在公共场所交谈要轻声,是指要控制声音的音调
B. 弹奏吉他时按压弦的不同位置,是为了改变声音的响度
C. 人们能辨别不同乐器发出的声音,是因为它们的音色不同
D. 用超声波清洗精密机械,是利用声波传递信息
3. 下列物态变化的实例中,属于凝固现象的是( )
A. 滴水成冰 B. 气凝结霜 C. 冰雪消融 D. 浓雾消散
4. “海市蜃楼“在我国古书《史记》《梦溪笔谈》中都有记载,下列光现象中与“海市蜃楼”形成原理相同的是( )
A. 树木在水中的倒影 B. 池水看起来比实际的浅
C. 树荫下圆形的光斑 D. 阳光下人的影子
5. 以下做法中,符合安全用电原则的是( )
A. 使用电冰箱时必须使用两孔插座 B. 人体不靠近高压带电体
C. 用湿布擦拭发光的日光灯 D. 控制电灯的开关与该电灯并联
6. 下列电路中,闭合开关后,电流表能正确测量出通过灯泡L2电流的是( )
A. B.
C. D.
7. 2023年跳水世界杯蒙特利尔站女子10米台决赛,中国选手全红婵发挥完美获得冠军。如所示是全红婵参加跳水比赛时向上起跳和下落的运动轨迹示意图。下列说法正确的是( )
A. 起跳时,运动员对跳台施加了力,跳台对运动员没有力的作用
B. 起跳后能继续向上运动,是因为运动员受到向上的力大于自身的重力
C. 起跳上升过程中,若运动员所受的力全部消失,她将做匀速直线运动
D. 从最高点到入水前的过程中,运动员的惯性增大
8. 如图所示电路,电源电压保持不变,闭合开关后,只有两个电表的指针发生偏转。已知灯泡L1、L2中只有一个出现了故障,其它元件均完好。下列说法正确的是( )
A. 可能是灯泡L1短路
B. 可能是灯泡L2短路
C. 可能是灯泡L1断路
D. 一定是灯泡L2断路
9. 北京时间2023年5月10日,搭载天舟六号货运飞船的长征七号遥七运载火箭,在我国文昌航天发射中心成功发射。天舟六号“快递员”给空间站携带了各类补给物资,是世界现役的上行载货能力最强的货运飞船。在火箭发射升空的过程中,下列说法正确的是( )
A. 以火箭为参照物,飞船是运动的 B. 飞船携带的各类补给物资质量变小
C. 飞船的重力势能变大 D. 飞船的机械能不变
10. 在初中物理的学习中,我们常会用到一些科学研究方法,如在“探究压力的作用效果与受力面积的关系”时,保持压力不变,改变受力面积。以下研究中所采用方法与此相同的是( )
A. “探究物体动能的大小与速度的关系”时,让同一小车由斜面的不同高度静止滑下
B. “探究杠杆平衡的条件”时,改变动力(臂)和阻力(臂),多次测量
C. 计算高速列车由泰安到北京全程的平均速度时,忽略列车的长度
D. 认识磁场时,用磁感线描述磁场
11. 关于下列四幅图的说法中( )
①如图甲,向下压活塞使筒内的硝化棉燃烧,说明压缩空气做功,空气的内能增加
②如图乙,从纸条上方吹气使纸条飘起来,说明气体流速大的位置压强小
③如图丙,奥斯特实验说明通电导线周围存在磁场
④如图丁,古人用桔槔提水既省力又省功
A. 只有②③正确 B. 只有①④正确 C. 只有②③④正确 D. 只有①②③正确
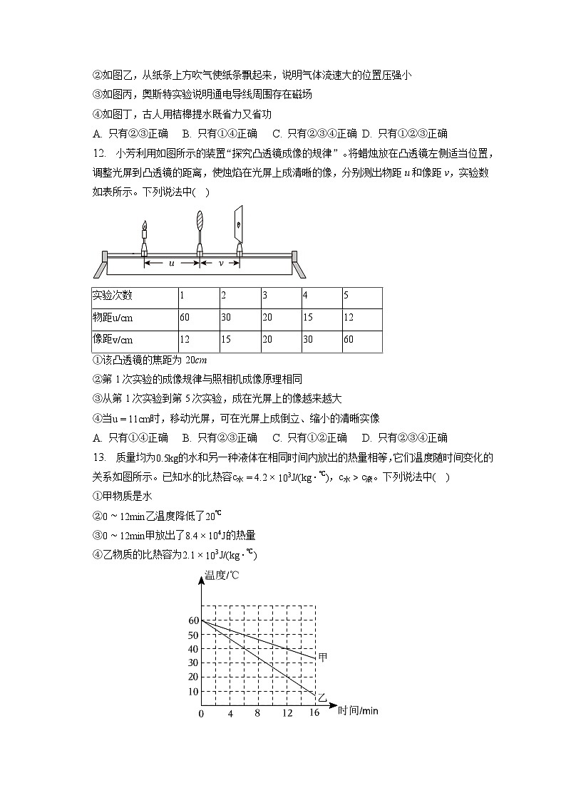
12. 小芳利用如图所示的装置“探究凸透镜成像的规律”。将蜡烛放在凸透镜左侧适当位置,调整光屏到凸透镜的距离,使烛焰在光屏上成清晰的像,分别测出物距u和像距v,实验数如表所示。下列说法中( )
实验次数
1
2
3
4
5
物距u/cm
60
30
20
15
12
像距v/cm
12
15
20
30
60
①该凸透镜的焦距为20cm
②第1次实验的成像规律与照相机成像原理相同
③从第1次实验到第5次实验,成在光屏上的像越来越大
④当u=11cm时,移动光屏,可在光屏上成倒立、缩小的清晰实像
A. 只有①④正确 B. 只有②③正确 C. 只有①②正确 D. 只有②③④正确
13. 质量均为0.5kg的水和另一种液体在相同时间内放出的热量相等,它们温度随时间变化的关系如图所示。已知水的比热容c水=4.2×103J/(kg⋅℃),c水>c液。下列说法中( )
①甲物质是水
②0∼12min乙温度降低了20℃
③0∼12min甲放出了8.4×104J的热量
④乙物质的比热容为2.1×103J/(kg⋅℃)
A. 只有①②正确 B. 只有②④正确 C. 只有①③正确 D. 只有①④正确
14. 如图所示,有两个正方体实心物体A、B叠放在水平桌面上,物体A重5N,B重40N。已知物体A对B的压强与此时物体B对桌面的压强相等,物体A对B的压力、物体B对桌面的压力分别为FA和FB。物体A和物体B的密度分别是ρA和ρB,下列说法中( )
①FA:FB=1:9
②FA:FB=1:8
③ρA:ρB=27:8
④ρA:ρB=9:8
A. 只有①③正确 B. 只有①④正确 C. 只有②③正确 D. 只有②④正确
15. 如图所示的电路中,电源电压U恒定,灯泡L上标有“2.5V1.25W”字样(忽略温度对灯丝电阻的影响),定值电阻R1阻值为15Ω,滑动变阻器R2的规格为“20Ω1A”,电流表量程为0∼0.6A,电压表量程为0∼3V。闭合开关S,断开开关S1、S2,在确保电路各元件安全的情况下,滑动变阻器接入电路的最小阻值为R2′,当滑动变阻器滑片移至中点时,电流表示数为0.3A;闭合开关S、S1、S2,在确保电路各元件安全的情况下,滑动变阻器在电路中消耗的最大功率为P,定值电阻R1在10s内产生的热量为Q。下列说法中( )
①U=6V
②R2′=4Ω
③P=1.35W
④Q=27J
A. 只有①④正确 B. 只有②③正确 C. 只有①③正确 D. 只有②③④正确
16. 图中物体的长度是______ cm。
17. 小红在家学做菜,厨房里菜香四溢属于______ 现象。
18. 智能手机等电子产品给人们带来了许多便利,但长时间盯着屏幕,容易导致视力受损。人看远处物体时,成像示意图如图所示,则他需要佩戴______ (选填“凸”或“凹”)透镜行矫正。
19. 如图所示的滑轮组在10s内将200N的重物匀速提升3m,滑轮组的机械效率为80%,不计绳重和摩擦,拉力F的功率为______ W。
20. 画出图中动力F的力臂,并用字母l表示。
21. 如图所示,从光源S发出的一条光线射向平面镜,经平面镜反射后过A点,请作出这条入射光线并完成光路图。
22. 小华用如图甲所示的实验装置“探究水沸腾时温度变化的特点”。用酒精灯给烧杯加热,当水温升高到时,每隔1min记录1次温度,同时观察水中发生的变化。7∼10min观察到烧杯中水的变化情况如图乙所示,同时观察到烧杯上方出现“白气”。根据实验数据画出水沸腾时温度和时间的关系曲线,如图丙所示。
根据以上现象和图象,完成下列问题:
(1)水的沸腾是一种______ (选填“剧烈”或“缓慢”)的汽化现象。
(2)水沸腾时,______ (选填“吸收”或“放出”)热量,温度______ (选填“升高”、“不变”或“降低”)。
(3)“白气”形成时,______ (选填“吸收”或“放出”)热量。
23. 在“探究影响滑动摩擦力大小的因素”实验中;
(1)某同学用如图甲所示的方式匀速拉动木块,测量滑动摩擦力,这样操作是______ (选填“正确”或“错误”)的。
(2)小明提出如下猜想:A.滑动摩擦力的大小与接触面所受的压力有关;B.滑动摩擦力的大小与接触面的粗糙程度有关。小明以v1的速度匀速拉动木块,进行了正确的实验操作,实验探究过程如下所示。
比较图______ 两次实验,可验证猜想A;比较图______ 两次实验,可验证猜想B。
(3)如图戊所示,小明以v2的速度匀速拉动木块再次进行实验。已知v2>v1,木块重4N,砝码共重2N,弹簧测力计的示数为2.4N,此时,毛巾对木块的摩擦力为______ N。
24. 物理实验小组连接了如图甲所示的电路,做“测量小灯泡的电功率”实验。可供选择的器材有:电源(可选电压为4.5V、6V),规格为“20Ω2A”的滑动变阻器一个,小灯泡(额定电压为2.5V,额定功率小于0.75W)一个,电压表、电流表各一个,开关,导线若干。
(1)甲图连接的电路有一处错误,请把接错的那根导线找出来打“×”,用笔画线代替导线画出正确的连接(只改接一根导线)。
(2)正确连接电路后,当变阻器的滑片P在中点时小灯泡正常发光。该实验所用的电压为______ V,小灯泡的额定功率为______ W。
(3)变阻器的滑片P移至某处时,电流表示数为0.18A,电压表示数如图乙所示为______ V,此时小灯泡的电阻为______ Ω。
(4)该实验小组的同学又设计了如图丙所示的电路,利用阻值为R0的定值电阻和电压表V1、V2等器材,测量额定电压为U额的小灯泡L的额定功率,经检查无误后进行实验。请你帮助他们将实验过程补充完整;
①闭合开关,移动滑动变阻器的滑片P,使电压表______ (选填“V1”或“V2”)的示数为U额,同时读出另一个电压表的示数,记为U;
②用已知物理量和测量量的符号表示出小灯泡额定功率P额=______ 。
25. 太阳能汽车利用太阳能板将太阳能转化为电能驱动汽车前进。某品牌太阳能汽车在试验场地内进行测试,30min行驶了27km的路程,消耗的电能为1.84×107J。已知汽油的热值q=4.6×107J/kg,在该测试过程中,求:
(1)太阳能汽车行驶的平均速度;
(2)消耗的电能相当于完全燃烧多少千克的汽油释放的能量。
26. 某同学受“怀丙打捞铁牛”故事的启发,设计了如下“打捞”过程:如图甲,金属块A部分陷入淤泥内,轻质小船装有18N的沙石,细绳将金属块A和小船紧连,细绳对小船的拉力为2N,水面与船的上沿相平;将小船内所有沙石清除后,金属块A被拉出淤泥静止在水中,如图乙所示。已知金属块A的体积为2×10−4m3,ρ水=1.0×103kg/m3,g取10N/kg,小船的质量忽略不计,细绳的质量和体积忽略不计。
(1)甲图中,金属块A上表面距离水面50cm,求金属块A上表面受到的水的压强;
(2)乙图中,小船有25体积露出水面,求金属块A的密度。
27. 2023年3月27日是第28个全国中小学生安全教育日,某校开展了安全创意设计比赛活动,物理兴趣小组利用磁性开关S2设计了烟雾报警与自动喷淋联动模拟系统,当烟雾达到一定浓度时触发自动报警喷淋,防范火灾发生。图甲为该模拟系统示意图,Rc为气敏电阻。控制电路中的电流I控⩾0.02A时,磁性开关动触片被电磁铁吸引与触点a接触,安全指示灯L熄灭,报警喷淋系统同时工作;控制电路中的电流小于0.02A时,动触片被释放,与触点b接触,安全指示灯亮,报警喷淋系统停止工作。已知控制电路电源电压U控大小可调节,电磁铁线圈电阻不计,气敏电阻Rc的阻值与烟雾浓度C的关系如图乙所示,R0为定值电阻。工作电路电源电压U=36V,报警电铃标有“36V 18W”字样。
(1)安全指示灯L标有“0.9W10Ω”字样(忽略温度对灯丝电阻的影响),要使灯L正常工作,则保护电阻的阻值为多大?
(2)报警电铃响时电流表示数为2.5A,喷淋系统工作20s消耗的电能是多少?
(3)通过调节U控大小,可改变该装置对烟雾探测的灵敏度。调至U控1时,触发报警喷淋的最低烟雾浓度C1=8%,电阻R0的功率为0.012W,控制电路消耗的总功率为P控1;将电压增大调至U控2,触发报警喷淋时的最低烟雾浓度为C2,控制电路消耗的总功率为P控2,P控1:P控2=25:31,求U控1、U控2和C2的大小。
答案和解析
1.【答案】A
【解析】解:A、一个鸡蛋的质量在50g=0.05kg左右,受到的重力为G=mg=0.05kg×10N/kg=0.5N,故A符合实际;
B、一层楼的高度在3m=30dm左右,故B不符合实际;
C、泰山山顶上的大气压远低于标准大气压,即小于1.01×105Pa,故C不符合实际;
D、汽车在高速公路上行驶速度约为120km/h,故D不符合实际。
故选:A。
首先要对选项中涉及的几种物理量有个初步的了解,对于选项中的单位,可根据需要进行相应的换算或转换,排除与生活实际相差较远的选项,找出合理的答案。
物理与社会生活联系紧密,多了解一些生活中的常见量的值可帮助我们更好地学好物理,同时也能让物理更好地为生活服务。
2.【答案】C
【解析】解:A、公共场所交谈要轻声是改变声音的大小,是在改变声音的响度,故A错误;
B、弹奏吉他时按压弦的不同位置,改变了弦的振动频率,改变声音的音调,故B错误;
C、人们能辨别不同乐器发出的声音,是因为它们的音色不同,故C正确;
D、用超声波清洗精密机械利用声音传递能量,故D错误;
故选:C。
声音的三个特性:音调、响度和音色,音调指声音的高低;响度指声音的大小;通过音色能辨别不同的发声体;
声音即可以传递信息,又可以传递能量。
本题考查了声学的相关知识。
3.【答案】A
【解析】解:A、滴水成冰是液态变成固态,是凝固现象,故A正确;
B、气凝结霜是气态直接变成固态,是凝华现象,故B错误;
C、冰雪消融是固态变成液态,是熔化现象,故C错误;
D、浓雾消散是液态变成气态,是汽化现象,故D错误;
故选:A。
物质由气态直接变为固态叫凝华,物质由固态直接变为气态叫升华;物质由气态变为液态叫液化,物质由液态变为气态叫汽化;物质由固态变为液态叫熔化,物质由液态变为固态叫凝固。
分析生活中的热现象属于哪种物态变化,关键要看清物态变化前后,物质各处于什么状态;另外对六种物态变化的吸热和放热情况也要有清晰的认识。
4.【答案】B
【解析】解:海市蜃楼是由于空气的密度不均匀,光在传播过程中发生折射产生的现象。
A、平静的水面相当于平面镜,倒影是平面镜成的像,这是利用光的反射原理,故A错误
B、池底的光线由水中进入空气时,在水面上发生折射,折射角大于入射角,折射光线进入人眼,人眼会逆着折射光线的方向看去,就会觉得池底变浅了,故B正确;
C、树荫下圆形的光斑,是小孔成像,都可以用光沿直线传播来解释,故C正确;
D、阳光下的影子属于光沿直线传播现象,不是光的折射现象,故D错误。
故选:B。
判断光的折射现象,要对折射的定义理解清楚,光从一种透明介质斜射入另一种透明介质中时,传播方向一般会发生改变,这是光的折射,生活中光在不均匀介质中不沿直线传播的现象也是光的折射。
此题主要考查身边本题通过几个日常生活中的现象考查了对光的折射、光的直线传播的理解,考查了学生理论联系实际的能力,在学习过程中要善于利用所学知识解释有关现象。
5.【答案】B
【解析】解:A、电冰箱属于金属外壳的用电器,电冰箱使用三孔插座,在电冰箱漏电时,人接触电冰箱,地线把人体短路,防止触电事故发生,故A不符合安全用电原则;
B、不接触低压带电体,不靠近高压带电体,这是安全用电的基本原则,故B符合安全用电原则;
C、生活用水是导体,用湿布擦拭发光的日光灯,容易发生触电事故,故C不符合安全用电原则;
D、开关应接在火线与电灯之间,当开关断开时,电路中不但没有电流通过,而且电灯与火线断开连接,防止人发生触电事故,故D不符合安全用电原则。
故选:B。
(1)有金属外壳的用电器,其外壳要接地;
(2)安全用电原则:不接触低压带电体、不靠近高压带电体;
(3)生活用水是导体;
(4)开关要想对某个电器起到控制作用,必须与这个电器串联。
本题考查了学生对安全用电原则了解与掌握,平时学习时多观察、多分析,加强安全意识,学好电、用好电!
6.【答案】D
【解析】解:A、电路中使用的是电压表,不能测量出通过灯泡L2电流,故A错误;
B、闭合开关后,该电路为并联电路,电流表与L1串联在支路中,能直接测量L1的电流,故B错误;
C、闭合开关后,该电路为并联电路,电流表接在干路中,测量的是总电流,无法直接测量L2的电流,故C错误;
D、闭合开关后,该电路为串联电路,电流表能测量通过L2的电流,故D正确。
故选:D。
电流表应串联接入电路中,电流从电流表的正接线柱流入,从负接线柱流出;电流表与谁串联,测量的就是谁的电流。
本题考查了电流表的连接方式、电流表的作用。
7.【答案】C
【解析】解:A.起跳时,运动员对跳台施加了力,根据力的作用是相互的,跳台对运动员也有力的作用,故A错误;
B.起跳后能继续向上运动,是因为运动员具有惯性,没有受到向上的力,故B错误;
C.起跳上升过程中,具有一定的速度,若运动员所受的力全部消失,根据牛顿第一定律,她将保持原来的速度做匀速直线运动,故C正确;
D.从最高点到入水前的过程中,质量不变,运动员的惯性不变,故D错误。
故选:C。
(1)力的作用是相互的;
(2)(4)任何物体都有惯性,惯性是一种性质,惯性大小与质量有关;
(3)根据牛顿第一定律分析运动员的运动状态。
本题所考查的内容都是基本的力学规律,是我们判断力学相关现象的基础,我们必须熟知并深入领会其意义。
8.【答案】B
【解析】解:由图知,开关S闭合后,两个灯泡串联,电流表测电路中的电流,电压表V1测电源电压,电压表V2测L2两端的电压;
若灯L1短路,电压表V1测量的是电源电压,示数不变;此时电路是通路,电流表A有示数,电压表V2测电源电压,V2有示数,故A错误;
若灯L2短路,则电压表V2被短路,V2的示数为0;此时电路是通路,电流表A有示数;电压表V1测电源电压,则V2有示数,故B正确;
如果灯L1断路,由图可知,电压表V1测电源电压,则V1有示数;电压表V1和电流表与电源之间是断开的,都没有示数,故C错误;
如果灯L2断路,由图可知,电压表V1测电源电压,则V1有示数;电压表V2和灯泡L1串联,由于电压表所在电路相当于断路,所以电流表无示数,电压表V2测电源电压,则V2有示数;
综上所述,B正确、ACD错误。
故选:B。
由图知,开关S闭合后,两个灯泡串联,电流表测电路中的电流,电压表V1测电源电压,电压表V2测L2两端的电压;已知只有一个灯泡出现了故障,只有两个电表的指针发生偏转,据此分析电路可能存在的故障。
此题考查了电流表、电压表在判断电路故障中的应用,要结合电路图和两表特点进行分析。
9.【答案】C
【解析】解:A、火箭与飞船一起向上运动,因此以火箭为参照物,飞船是静止的,故A错误;
B、在火箭发射升空的过程中,飞船携带的各类补给物资,位置发生改变,所含物质多少没有变化,所以质量不变,故B错误;
C、飞船随火箭升空过程中,质量不变,高度越来越高,所以重力势能越来越大,故C正确;
D、飞船升空过程中,质量不变,高度越来越高,速度越来越大,所以重力势能和动能都增大,机械能增大,故D错误。
故选:C。
(1)如果物体相对参照物的位置发生改变,那么它是运动的;否则,它就是静止的;
(2)质量是物体本身的一种属性,与物体的形状、状态、位置和温度无关;
(3)影响重力势能大小的因素:物体的质量和物体所处的高度,物体的质量越大,所处的高度越高,物体的重力势能就越大;
(4)物体具有的机械能是指动能和势能的总和。
本题考查运动和静止的相对性、质量是物体的一种属性以及机械能的变化等,是一道基础题。
10.【答案】A
【解析】解:在“探究压力的作用效果与受力面积的关系”时,保持压力不变,改变受力面积,这实验用了控制变量法:
A、“探究物体动能的大小与速度的关系”时,让同一小车由斜面的不同高度静止滑下,控制了小车的质量相同,本实验用了控制变量法,故A正确;
B、“探究杠杆平衡的条件”时,改变动力(臂)和阻力(臂),多次测量,是为了减小误差,故B错误;
C、计算高速列车由泰安到北京全程的平均速度时,忽略列车的长度,这里用了理想实验法,故C错误;
D、认识磁场时,用磁感线描述磁场,本实验用了模型法,故D错误。
故选:A。
控制变量法是物体实验探究题常用的方法。
本题考查了控制变量法,属于常识题。
11.【答案】D
【解析】解:①如图甲,向下压活塞使筒内的硝化棉燃烧,说明压缩空气做功,空气的内能增加,温度升高,达到硝化棉的着火点,故①正确;
②如图乙,从纸条上方吹气上方的空气流速快,使纸条飘起来,上方的压强小于大气压,说明气体流速大的位置压强小,故②正确;
③如图丙,通电小磁针转动,奥斯特实验说明通电导线周围存在磁场,故③正确;
④任何机械都不能省功,如图丁,古人用桔槔提水可以省力但不能省功,故④错误。
综上所述,只有①②③正确。
故选:D。
(1)改变内能的方式有做功和热传递;
(2)流体中流速越快的位置,压强越小;
(3)通电导体周围存在磁场;
(4)使用任何机械都不能省功。
本题考查改变内能的方式、流体的压强、电流的磁效应、功的原理,属于综合题,有一定的难度。
12.【答案】B
【解析】解:①由表中数据可知,u=v=20cm,根据u=v=2f,成倒立等大的实像,即2f=20cm,所以该凸透镜的焦距为f=10cm,故①错误;
②第1次实验,u=60cm>2f,根据u>2f,成倒立缩小的实像,照相机就是利用此原理制成的,故②正确;
③从第1次实验到第5次实验,物距逐渐减小,根据凸透镜成实像时,物近像远像变大,故③正确;
④当u=11cm,此时物距大于一倍焦距,小于二倍焦距,根据2f>u>f,成倒立放大的实像,故④错误。
故选:B。
①根据u=v=2f,成倒立等大的实像,据此确定凸透镜的焦距;
②根据u>2f,成倒立缩小的实像,照相机就是利用此原理制成的;
③根据凸透镜成实像时,物近像远像变大分析回答;
④根据2f>u>f,成倒立放大的实像。
此题考查了凸透镜成像规律的探究及应用,关键是熟记成像规律的内容,并做到灵活运用。
13.【答案】D
【解析】解:①时间相等时,两种液体放出的热量相等,由图示可以看出,乙液体的温度降低的快,甲液体温度降低慢,
根据热量的计算公式Q放=cmΔt可知,在质量相等、初温相同、放热也相同的情况下,谁的温度降低得快,它的比热容小,
所以,甲液体的比热容大,所以若甲、乙两种液体中,一种液体是水,则这种液体一定是甲液体,故①正确;
②由图可知:乙液体的初温是60℃,放热12分钟后乙液体的末温是20℃,乙温度降低了40℃,故②错误;
③读图可得,甲在12min内由60℃降低到40℃,降低的温度是60℃−40℃=20℃,甲液体已判断出是水,
所以甲放出的热量Q放=cmΔt=4.2×103J/(kg⋅℃)×0.5kg×20℃=4.2×104J,故③错误;
④由图知,0∼12min水放出的热量:
Q放=c水m水(t水−t0)=4.2×103J/(kg⋅℃)×m水×(60℃−40℃),
0∼12min乙液体放出的热量:
Q放=c乙m乙(60℃−20℃),
由题知,水和乙液体的质量相同,即m水=m乙
4.2×103J/(kg⋅℃)×m水×(60℃−40℃)=c乙m乙(60℃−20℃),
解得c乙=2.1×103J/(kg⋅℃),故④正确。
故选:D。
(1)选同样的加热时间,甲和乙吸热相同,根据温度变化的多少判断,温度变化多的比热容小,温度变化少的比热容大,据此分析判断;
(2)由图像知乙液体初温和末温;
(3)根据Q放=cmΔt可求出甲液体放出的热量;
(4)相同时间水和液体放出的热量相同,而水和液体的质量相同,变化的温度由图可知,根据放热公式求液体的比热容。
本题考查了学生对放热公式的掌握和运用,能从温度-时间图象得出相关信息是解题的关键。
14.【答案】A
【解析】解:物体A对B的压力与物体B对桌面的压力之比:
FAFB=GAGA+GB=5N5N+40N=19,故①正确,②错误;
正方体物体A对B的压强:pA=FASA=GASA=GALA2=5NLA2,
正方体物体B对桌面的压强:pB=FBSB=GA+GBSB=5N+40NLB2=45NLB2,
由题意可知:pB=pA,
即:5NLA2=45NLB2,
解得:3LA=LB;
根据重力公式和密度公式可得,物体对接触面的压强:p=FS=GS=mgS=ρVgS,
所以,pA=ρAVAgSA=ρALAg,
pB=ρAVAg+ρBVBgSB=ρBLBg+ρALA3(3LA)2g=3ρBLAg+ρALA9g,
因pB=pA,所以ρALAg=3ρBLAg+ρALA9g,
ρAρB=278,故③正确,④错误。
故选:A。
物体A对B的压力等于A的重力,物体B对桌面的压力等于AB的重力之和,据此计算物体A对B的压力与物体B对桌面的压力之比;
两个物体都是正方体,A和B的接触面积是A的底面积,也就是A边长的平方,B和桌面的接触面积是B的底面积,也就是B边长的平方,根据公式p=FS列出关系式,求出两个边长的关系,再利用密度与质量的关系,求出密度之比。
本题考查压强和密度的计算,关键是公式及其变形的灵活运用,还要知道在水平面上压力等于物体自身的重力。
15.【答案】B
【解析】解:(1)闭合开关S,断开开关S1、S2,灯泡和滑动变阻器串联接入电路,电流表测通过电路的电流,电压表测灯泡两端的电压,
在确保电路各元件安全的情况下,滑动变阻器接入电路的最小阻值为R2′,当滑动变阻器滑片移至中点时,滑动变阻器接入电路的电阻为12×20Ω=10Ω,电流表示数为0.3A,根据欧姆定律可得滑动变阻器两端的电压U2 =IR2=0.3A×10Ω=3V;
灯泡的电阻RL=UL2PL=(2.5V)21.25W=5Ω,
此时灯泡两端的电压UL′=IRL=0.3A×5Ω=1.5V,
串联电路总电压等于各部分电压之和,则电源电压U=UL′+U2=1.5V+3V=4.5V,故①错误;
灯泡正常发光的电流IL=PLUL=1.25W2.5V=0.5A,
电流表量程为0∼0.6A,串联电路各处电流相等,所以通过电路的最大电流为0.5A,
根据欧姆定律可得电路最小总电阻R=UIL=4.5V0.5A=9Ω,
串联电路总电阻等于各部分电阻之和,则滑动变阻器接入电路的最小阻值为R2′=R−RL=9Ω−5Ω=4Ω,故②正确;
(2)闭合开关S、S1、S2,两电阻并联接入电路,电流表测干路电流,根据电流表的量程可知通过干路的最大电流为0.6A,
并联电路各支路两端电压相等,根据欧姆定律可得通过定值电阻的电流I1=UR1=4.5V15Ω=0.3A,
并联电路干路电流等于各支路电流之和,通过滑动变阻器的最大电流I2=I′−I1=0.6A−0.3A=0.3A,
滑动变阻器在电路中消耗的最大功率为P=UI2=4.5V×0.3A=1.35W,故③正确;
定值电阻R1在10s内产生的热量为Q=W=UI1t=4.5V×0.3A×10s=13.5J,故④错误。
故选:B。
(1)闭合开关S,断开开关S1、S2,灯泡和滑动变阻器串联接入电路,电流表测通过电路的电流,电压表测灯泡两端的电压,
在确保电路各元件安全的情况下,滑动变阻器接入电路的最小阻值为R2′,当滑动变阻器滑片移至中点时,滑动变阻器接入电路的电阻为12×20Ω=10Ω,电流表示数为0.3A,根据欧姆定律计算滑动变阻器两端的电压;
根据R=U2P计算灯泡的电阻,根据U=IR计算此时灯泡两端的电压,根据串联电路电压规律计算电源电压;
根据I=PU计算灯泡正常发光的电流,电流表量程为0∼0.6A,根据串联电路电流特点确定通过电路的最大电流,
根据欧姆定律计算电路最小总电阻,根据串联电路电阻规律计算滑动变阻器接入电路的最小阻值;
(2)闭合开关S、S1、S2,两电阻并联接入电路,电流表测干路电流,根据电流表的量程确定通过干路的最大电流,
根据并联电路电压特点结合欧姆定律计算通过定值电阻的电流,根据并联电路电流规律计算通过滑动变阻器的最大电流,
根据P=UI计算滑动变阻器在电路中消耗的最大功率,
根据Q=W=UIt计算定值电阻R1在10s内产生的热量。
本题考查串联电路特点、并联电路特点、欧姆定律、电功公式、电功率公式的灵活运用。
16.【答案】3.45
【解析】解:刻度尺上1cm之间有10小格,所以每个小格代表的长度是0.1cm,即此刻度尺的分度值是0.1cm;物体左侧与零刻度线对齐,右侧在刻度3.40cm和3.50cm之间,所以物体的长度L=3.45cm。
故答案为:3.45。
使用刻度尺时要明确量程和分度值,起始端从0刻度线开始,读出末端刻度值,就是物体的长度;起始端没有从0刻度线开始的,要以某一刻度线为起点,读出末端刻度值,用末端刻度值减去起始端所对刻度即为物体的长度,注意刻度尺读数时要估读到分度值的下一位。
本题考查长度的测量,属于基础题目。
17.【答案】扩散
【解析】解:小红在家学做菜时,厨房里菜香四溢,是分子运动到空气中,是扩散现象,说明分子在不停地做无规则运动。
故答案为:扩散。
不同的物质在相互接触时,分子彼此进入对方的现象叫做扩散,这一现象说明一切物体的分子都在不停地做无规则运动。
本题考查学生对分子动理论的掌握
18.【答案】凹
【解析】解:近视眼看不清远处的物体,是因为晶状体太厚,物体成像会聚在视网膜的前方;凹透镜对光线有发散作用,配戴凹透镜使像推迟会聚在视网膜上。
故答案为:凹。
近视眼是因为晶状体太厚或眼球太长,像成在视网膜的前方,不能看清物体。要配戴凹透镜进行矫正,凹透镜对光线有发散作用,使像错后会聚在视网膜上,能看清物体。
本题主要考查学生对近视眼的成因和矫正方法的掌握。
19.【答案】75
【解析】解:拉力做的有用功:W有=Gh=200N×3m=600J,
由η=W有W总×100%可知,拉力F做的总功:W总=W有η=600J80%=750J,
拉力F做功的功率:P=W总t=750J10s=75W。
故答案为:75。
利用W有=Gh求有用功,利用η=W有W总×100%求拉力做的总功,根据P=W总t求拉力F做功的功率。
本题考查使用滑轮组时功、功率和机械效率的计算,难度不大。
20.【答案】解:先延长F的作用线,过支点O作拉力F的作用线的垂线段l,即为其力臂,如图所示:
【解析】力臂的画法:①首先根据杠杆的示意图,确定杠杆的支点。②确定力的作用点和力的方向,画出力的作用线。③从支点向力的作用线作垂线,支点到垂足的距离就是力臂。
本题考查力臂的画法,属于基础题,难度较小。
21.【答案】解:过镜面作出点S的对称点S′,即为点光源S在平面镜中的像,连接S′A与镜面交于O点,即为入射点(反射点),连接SO就得到入射光线,OA为反射光线,如下图所示:
【解析】根据平面镜成像的特点知,反射光线好像是由像点发出的,由物与像关于镜面对称,作出像点后,连接S′A,与镜面的交点为入射点,再完成光路。
本题考查了平面镜成像特点的应用,难度不大。
22.【答案】剧烈 吸收 不变 放出
【解析】解:(1)水沸腾时,水中产生大量气泡,上升变大,到水面破裂放出大量的水蒸气,因此水的沸腾是一种剧烈的汽化现象;
(2)水沸腾时,吸收热量,温度不变;
(3)“白气”是水蒸气遇冷液化成的小水滴,此过程水蒸气放出热量。
故答案为:(1)剧烈;(2)吸收;不变;(3)放出。
(1)水的沸腾是一种剧烈的汽化现象,蒸发是一种缓慢的汽化现象;
(2)水沸腾时的特点:不断吸热,但温度保持不变;
(3)液化是气态变为液态的现象,需要放出热量。
本题考查了“探究水沸腾时温度变化的特点”的实验,难度较小,属于基础性题目,需要重点掌握水沸腾的特点以及现象。
23.【答案】错误 丙、丁 乙、丙 2.4
【解析】解:(1)只有用弹簧测力计沿水平方向拉着木块做匀速直线运动,木块在水平方向上受到平衡力的作用,根据二力平衡的条件,弹簧测力计的示数才等于摩擦力的大小,甲图中,弹簧测力计沿斜上方拉动木块,故它的示数不等于木块所受的滑动摩擦力,这样操作是错误的;
(2)要验证滑动摩擦力的大小与接触面所受的压力有关,应保持接触面的粗糙程度相同,使接触面受到压力不同,所以应选择丙和丁,
要验证滑动摩擦力的大小与接触面的粗糙程度有关,应保持压力相同,使接触面的粗糙程度不同,所以应选择乙和丙;
(3)滑动摩擦力大小跟压力大小和接触面粗糙程度有关,跟物体的运动速度无关,小明以v2的速度匀速拉动木块再次进行实验,摩擦力的大小仍等于弹簧测力计的示数为2.4N。
故答案为:(1)错误;(2)丙、丁;乙、丙;(3)2.4。
(1)物体处于静止状态或匀速直线运动状态时,物体受到平衡力的作用;根据二力平衡的条件分析;
(2)滑动摩擦力的大小与接触面所受的压力和接触面的粗糙程度有关,根据控制变量法分析解答;
(3)滑动摩擦力大小跟压力大小和接触面粗糙程度有关,跟物体的运动速度无关。
本题是研究影响摩擦力大小因素的实验,考查了实验原理、注意控制变量法的使用。
24.【答案】4.50.51.810V1 U额⋅U−U额R0
【解析】解:(1)原电路图中,灯泡没有接入电路,电压表串联在电路中是错误的,在测量小灯泡的电功率实验中,灯泡、滑动变阻器和电流表串联,电压表并联在灯泡两端,如下图所示:
;
(2)已知小灯泡额定电压为2.5V,额定功率小于0.75W,由P=UI可知,小灯泡额定电流小于I′=P′UL=0.75W2.5V=0.3A;
假设灯泡额定电流为0.3A,当变阻器的滑片P在中点时小灯泡正常发光,此时电源电压为U′=UL+I′R滑=2.5V+0.3A×10Ω=5.5V,
因可选电源电压为4.5V和6V,故该实验所用的电压为U源=4.5V;
当变阻器的滑片P在中点时小灯泡正常发光,此时滑动变阻器两端电压为U滑=U源−UL=4.5V−2.5V=2V,
根据串联电路电流特点,小灯泡额定电流为IL=I滑=U滑R滑=2V10Ω=0.2A,
则小灯泡额定功率为:
PL=ULIL=2.5V×0.2A=0.5W;
(3)由图甲可知,电压表选用小量程;变阻器的滑片P移至某处时,电流表示数为0.18A,电压表示数如图乙所示,电压表分度值0.1V,其示数为1.8V,则此时小灯泡的电阻为:
R=UL′IL′=1.8V0.18A=10Ω;
(4)实验步骤:
①闭合开关,移动滑动变阻器的滑片P,使电压表V1的示数为U额,同时读出另一个电压表的示数,记为U;
②由图丙可知,灯泡、R0和滑动变阻器串联,电压表V1测灯泡两端电压,电压表V1测灯泡和R0两端电压,移动滑动变阻器的滑片P,使电压表V1的示数为U额,此时灯泡正常发光;
根据串联电路电压规律,R0两端电压为U0=U−U额,
根据串联电路电流特点,灯泡额定电流为I额=I0=U0R0=U−U额R0,
则小灯泡额定功率为:
P额=U额I额=U额⋅U−U额R0。
故答案为:(1)见解答图;(2)4.5;0.5;(3)1.8;10;(4)①V1;②U额⋅U−U额R0。
(1)在测量小灯泡的电功率实验中,灯泡、滑动变阻器和电流表串联,电压表并联在灯泡两端;
(2)已知小灯泡额定电压为2.5V,额定功率小于0.75W,根据P=UI求出灯泡额定电流的大约值;当变阻器的滑片P在中点时小灯泡正常发光,根据串联电路电压规律确定电源电压;根据串联电路电压规律求出滑动变阻器两端电压,利用欧姆定律求出灯泡正常发光时的电流,然后根据P=UI求出灯泡额定功率;
(3)根据图甲确定电压表量程,由图乙确定分度值读数,利用R=UI求出此时小灯泡的电阻;
(4)分析电路连接;根据串联电路电压规律求出R0两端电压,利用欧姆定律求出灯泡正常发光时的电流,然后根据P=UI求出灯泡的额定功率。
本题测量小灯泡的电功率实验,考查了电路连接、欧姆定律的应用、功率的计算、电阻的计算及设计实验方案测功率的能力。
25.【答案】解:(1)太阳能汽车行驶的平均速度为:
v=st=27km30min=27km0.5h=54km/h;
(2)相当于完全燃烧汽油的质量为:
m=Qq=Wq=1.84×107J4.6×107J/kg=0.4kg。
答:(1)太阳能汽车行驶的平均速度为54km/h;
(2)消耗的电能相当于完全燃烧0.4千克的汽油释放的能量。
【解析】(1)根据v=st求出太阳能汽车行驶的平均速度;
(2)根据m=Qq=Wq求出相当于完全燃烧汽油的质量。
此题考查了速度的计算、热值公式的应用,难度不大,属基础题目。
26.【答案】解:(1)金属块A上表面受到的水的压强为:
p=ρ水gh=1.0×103kg/m3×10N/kg×0.5m=5000Pa;
(2)甲图中小船受到竖直向下的压力、竖直向下的拉力、竖直向上的浮力,则小船受到的浮力为:
F浮=G沙+F=18N+2N=20N,
小船的体积为:
V=V排=F浮ρ水g=20N1.0×103kg/m3×10N/kg=2×10−3m3,
乙图中,小船有25体积露出水面,小船排开水的体积为:
V排′=(1−25)V=(1−25)×2×10−3m3=1.2×10−3m3,
此时小船受到的浮力为:
F浮′=ρ水gV排′=1.0×103kg/m3×10N/kg×1.2×10−3m3=12N;
乙图中小船受到竖直向下的拉力、竖直向上的浮力,
则小船受到金属块A的拉力为:
F拉=F浮′=12N,
由于物体间力的作用是相互的,所以绳子对A的拉力也为12N,
金属块A受到竖直向下的重力和竖直向上的浮力、竖直向上的拉力,
所以GA=FA浮+F拉′,
ρAgVA=ρ水gVA+F拉′,
代入数据得ρA×10N/kg×2×10−4m3=1.0×103kg/m3×10N/kg×2×10−4m3+12N;
解得金属块A的密度为:ρA=7×103kg/m3。
答:(1)金属块A上表面受到的水的压强为5000Pa;
(2)金属块A的密度为7×103kg/m3。
【解析】(1)根据p=ρgh计算出压强的大小;
(2)甲图中小船受到竖直向下的压力、竖直向下的拉力、竖直向上的浮力,根据F浮=G沙+F算出小船受到的浮力,由阿基米德原理公式算出小船的体积;
乙图中,小船有25体积露出水面,由V排′=(1−25)V算出小船排开水的体积,根据F浮′=ρ水gV排′算出乙图中小船受到的浮力,根据平衡力算出小船受到金属块A的拉力,根据物体间力的作用是相互的,算出绳子对A的拉力;
图中金属块A受到竖直向下的重力和竖直向上的浮力、竖直向上的拉力,根据GA=FA浮+F拉′,即ρAgVA=ρ水gVA+F拉′算出金属块A的密度。
本题考查了液体压强公式和阿基米德原理公式的应用,掌握平衡力的应用是解题的关键。
27.【答案】解:(1)由图甲可知,工作电路中,动触片与触点b接触时灯泡与保护电阻R′串联,
由P=UI=I2R可知,灯L正常工作时的电流:IL= PLRL= 0.9W10Ω=0.3A,
由欧姆定律可知,此时工作电路的总电阻:R总b=UIL=36V0.3A=120Ω,
由串联电路的电阻特点可知,保护电阻R′的阻值:R′=R总b−RL=120Ω−10Ω=110Ω;
(2)由图甲可知,工作电路中,动触片与触点a接触时电铃与喷淋系统并联,电流表测干路电流,
由P=UI可知,电铃正常工作时的电流:I电铃=P电铃U电铃=18W36V=0.5A,
由并联电路的电压特点可知,此时电铃两端的电压等于电铃的额定电压,电铃正常工作,通过电铃的电流I电铃=0.5A,
由并联电路的电流特点可知,通过喷淋系统的电流:I喷淋=I′−I电铃=2.5A−0.5A=2A,
喷淋系统工作20s消耗的电能:W喷淋=U喷淋I喷淋t=36V×2A×20s=1440J;
(3)由图乙可知,气敏电阻RC的阻值与烟雾浓度C的关系为一次函数,因此可设:RC=kC+b,
当C=0时,RC=300Ω,则b=RC−kC=300Ω−k×0=300Ω,
当C′=5%时,RC′=250Ω,则k=RC′−bC′=250Ω−300Ω5%=−1000Ω,
则RC与C的关系式为RC=−1000Ω×C+300Ω,
当C1=8%时,RC1=−1000Ω×8%+300Ω=220Ω,
由题意可知,触发报警喷淋的最低烟雾浓度时的电路电流:I0=0.02A,
由P=UI=I2R可知,R0的阻值:R0=P0I02=0.012W(0.02A)2=30Ω,
由串联电路的电阻特点和欧姆定律可知,此时控制电路的电源电压:U控1=I0(RC1+R0)=0.02A×(220Ω+30Ω)=5V,
则浓度C1=8%时,控制电路消耗的总功率:P控1=U控1×I0=5V×0.02A=0.1W,
由P控1:P控2=25:31可知,浓度为C2时,控制电路消耗的总功率:P控2=3125P控1=3125×0.1W=0.124W,
由P=UI可知:U控2=P控2I0=0.124W0.02A=6.2V,
由欧姆定律可知,电压增大调至U控2时电路的总电阻:R总2=U控2I0=6.2V0.02A=310Ω,
由串联电路的电阻特点可知,烟雾浓度为C2时,气敏电阻RC的阻值:RC2=R总2−R0=310Ω−30Ω=280Ω,
由RC=−1000Ω×C+300Ω可知:C2=RC2−300Ω−1000Ω=280Ω−300Ω−1000=2%。
答:(1)保护电阻的阻值为110Ω;
(2)喷淋系统工作20s消耗的电能是1440J;
(3)U控1为5V,U控2为6.2V,C2为2%。
【解析】(1)由图甲可知,工作电路中,动触片与触点b接触时灯泡与保护电阻R′串联,根据P=UI=I2R求灯L正常工作时的电流,根据欧姆定律求出此时工作电路的总电阻,根据串联电路的电阻特点求出保护电阻R′的阻值;
(2)由图甲可知,工作电路中,动触片与触点a接触时电铃与喷淋系统并联,电流表测干路电流,根据P=UI求出电铃正常工作时的电流,根据并联电路的电流特点求出通过喷淋系统的电流,根据W=UIt求出喷淋系统工作20s消耗的电能;
(3)根据图乙利用数学知识求出RC与C的关系式,进而求出C1=8%时,气敏电阻RC的阻值,根据控制电路中的电流I控⩾0.02A时,磁性开关动触片被电磁铁吸引与触点a接触,安全指示灯L熄灭,报警喷淋系统同时工作可知,触发报警喷淋的最低烟雾浓度时的电路电流,根据P=UI=I2R求R0的阻值,根据串联电路的电阻特点和欧姆定律求出U控1,根据P=UI求出P控1,根据P控1:P控2=25:31求出P控2,根据P=UI求出U控2,根据欧姆定律求出电压增大调至U控2时电路的总电阻,根据串联电路的电阻特点求出RC,根据RC与C的关系式求出最低烟雾浓度为C2。
本题考查串并联电路的特点、欧姆定律和电功率公式的应用,关键是根据图像读出相关的信息。
2023年山东省泰安市中考物理试卷(含解析): 这是一份2023年山东省泰安市中考物理试卷(含解析),共27页。试卷主要包含了单选题,填空题,作图题,实验探究题,计算题等内容,欢迎下载使用。
2023年山东省泰安市中考物理模拟试卷(含解析): 这是一份2023年山东省泰安市中考物理模拟试卷(含解析),共28页。试卷主要包含了单选题,填空题,作图题,实验探究题,计算题等内容,欢迎下载使用。
山东省泰安市2022年中考物理试卷解析版: 这是一份山东省泰安市2022年中考物理试卷解析版,共9页。试卷主要包含了单选题,填空题,作图题,实验题,计算题等内容,欢迎下载使用。

