浙江省高考化学三年(2021-2023)模拟题分类汇编21氮元素及其化合物(3)
展开浙江省高考化学三年(2021-2023)模拟题分类汇编21氮元素及其化合物(3)
一、单选题
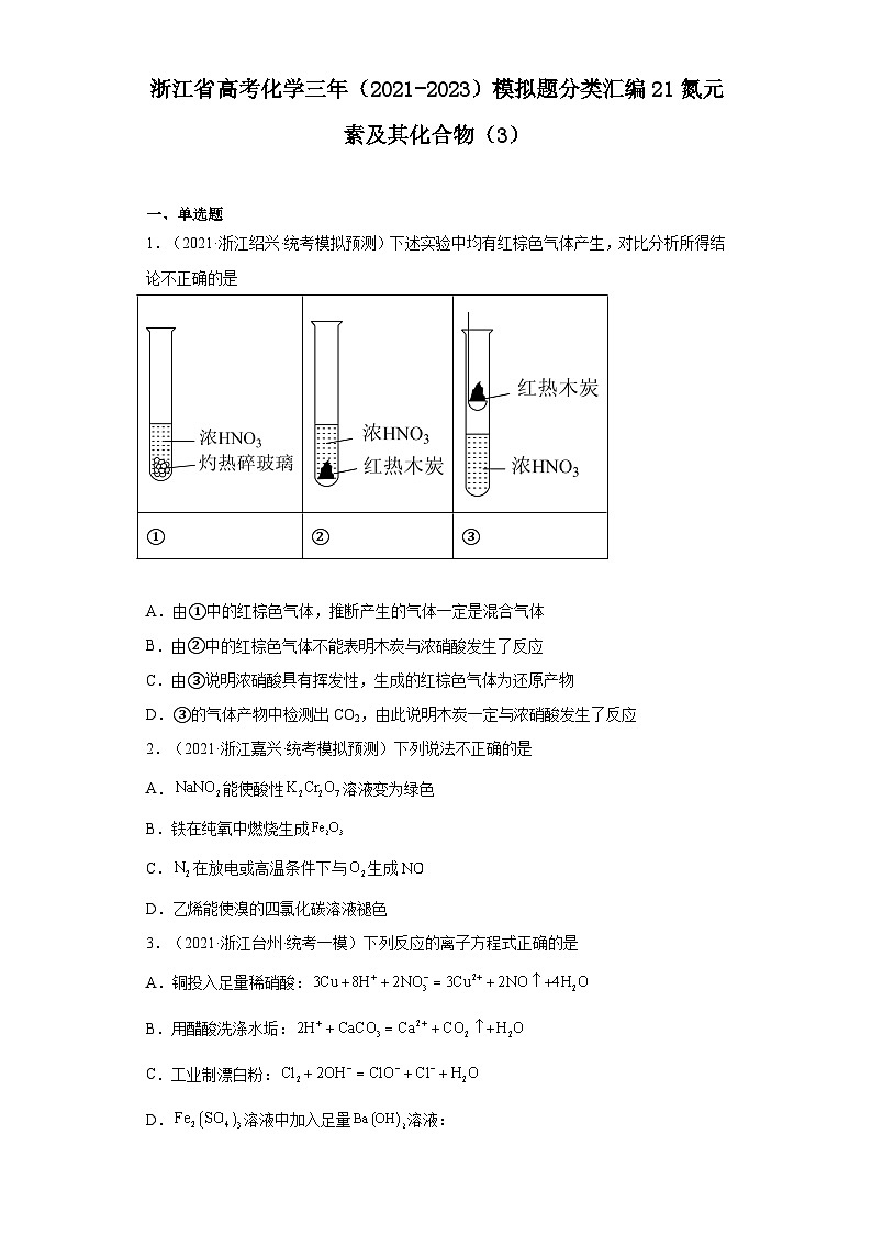
1.(2021·浙江绍兴·统考模拟预测)下述实验中均有红棕色气体产生,对比分析所得结论不正确的是
① | ② | ③ |
A.由①中的红棕色气体,推断产生的气体一定是混合气体
B.由②中的红棕色气体不能表明木炭与浓硝酸发生了反应
C.由③说明浓硝酸具有挥发性,生成的红棕色气体为还原产物
D.③的气体产物中检测出CO2,由此说明木炭一定与浓硝酸发生了反应
2.(2021·浙江嘉兴·统考模拟预测)下列说法不正确的是
A.能使酸性溶液变为绿色
B.铁在纯氧中燃烧生成
C.在放电或高温条件下与生成
D.乙烯能使溴的四氯化碳溶液褪色
3.(2021·浙江台州·统考一模)下列反应的离子方程式正确的是
A.铜投入足量稀硝酸:
B.用醋酸洗涤水垢:
C.工业制漂白粉:
D.溶液中加入足量溶液:
4.(2021·浙江温州·统考一模)下列说法正确的是
A.工业上,可由乙醇与氢氧化钠固体反应制取乙醇钠
B.工业上,氢气在氯气中燃烧生成氯化氢,然后溶于水制得盐酸
C.在催化剂作用下,NH3和O2反应主要得到NO2
D.通常情况下,用氧化铝坩埚熔融NaOH固体
5.(2021·浙江绍兴·统考模拟预测)关于化合物(与性质相似)的性质,下列推测不合理的是
A.与溶液共热产生 B.与铁盐反应生成血红色沉淀
C.与溶液共热产生氨气 D.加热后生成硫脲( )
6.(2021·浙江绍兴·统考模拟预测)下列说法不正确的是
A.硝酸可用来制造氮肥、染料、塑料、炸药等
B.人体中极少量的会促进血管扩张,防止血管栓塞
C.石膏可用于制造硫酸
D.硫酸铜能杀死某些细菌,因此可用于饮用水消毒
7.(2021·浙江·模拟预测)下列“类比”合理的是
A.Fe与Cl2反应生成FeCl3,则Fe与I2反应生成FeI3
B.钠在空气中加热生成Na2O2,则金属锂在空气中加热也生成Li2O2
C.NH3与HCl反应生成NH4Cl,则N2H4与HCl反应生成N2H6Cl2
D.Na2O2与CO2反应生成Na2CO3和O2,则Na2O2与SO2反应生成Na2SO3和O2
8.(2021·浙江·模拟预测)下列“类比”合理的是
A.Fe与Cl2反应生成FeCl3,则Fe与I2反应生成FeI3
B.SiH4的沸点比CH4高,则PH3的沸点也比NH3高
C.NH3与HCl反应生成NH4Cl,则N2H4与HCl反应生成N2H6Cl2
D.Na2O2与CO2反应生成Na2CO3和O2,则Na2O2与SO2反应生成Na2SO3和O2
9.(2021·浙江·模拟预测)关于化合物的性质,下列推测不合理的是
A.具有强还原性
B.不能与氨气发生反应
C.可发生反应:
D.实验室可用与共热来制备
10.(2021·浙江·模拟预测)下列说法不正确的是
A.纯碱因碱性过强,不可用于食品工业
B.人体中极少量的NO会促进血管扩张,防止血管栓塞
C.石灰石—石膏法、氨水法等常用于燃煤烟气的脱硫处理
D.电解 ZnSO4溶液可以制备金属锌
11.(2021·浙江·模拟预测)X、Y、Z、M、Q五种短周期元素,原子序数依次增大。Q原子半径是同周期最小的,化合物Z2X4的电子总数为18个。下列说法不正确的是
Y | Z |
|
|
M |
|
| Q |
A.原子半径:Z<Y<M
B.M的氢化物沸点一定比Y的氢化物沸点高
C.M与Q元素组成的MQ4分子,空间构型是正四面体
D.X2Z-ZX2溶液显示碱性
12.(2021·浙江·模拟预测)下列说法不正确的是
A.液氨汽化时吸收大量的热,工业上可用作制冷剂
B.工业上铁的冶炼通常用石灰石除去铁矿石中的二氧化硅
C.陶瓷、砖瓦、玻璃、水泥等都是硅酸盐产品
D.工业接触法制硫酸中,用水吸收 SO3 获得硫酸
13.(2021·浙江·模拟预测)下列离子方程式不正确的是
A.盐酸与大理石反应:2H+ + CaCO3= Ca2++H2O+CO2↑
B.二氧化硅与氢氧化钠溶液反应:SiO2 +2OH-=+H2O
C.铜和稀硝酸反应:Cu +4H++2 = Cu2+ +2NO2↑+2H2O
D.氯化氨溶液与氢氧化钙溶液混合加热:
14.(2021·浙江·模拟预测)下列物质与俗名对应的是
A.硫铵: NH4HSO4 B.重晶石: BaCO3 C.草酸: H2C2O4 D.胆矾:FeSO4·5H2O
15.(2021·浙江·统考模拟预测)NH3选择性催化还原NO的反应为,其反应历程如图所示,一定温度下,向恒容密闭容器中充入一定量的NH3、NO、O2,下列说法不正确的是
A.NO的转化率可能随NH3浓度的增大而增大
B.NH3与催化剂发生强的化学吸附,而NO在此过程中几乎不被催化剂吸附
C.反应①的活化能小,反应速率快,是控速步骤
D.过渡态Ⅱ化合物中,NH3提供的H原子中的2个与NO中的O结合生成H2O
16.(2021·浙江·统考模拟预测)下列“类比”合理的是
A.C和浓硝酸加热反应生成CO2和NO2,则S和浓硝酸加热反应生成SO2和NO2
B.AlF3能与NaF形成配合物Na3AlF6,则BeF2与NaF形成配合物Na2BeF4
C.工业上电解熔融Al2O3制Al,则工业上电解熔融MgO制Mg
D.Fe和浓硫酸在常温下钝化,则锌和浓硫酸在常温下钝化
17.(2021·浙江·统考模拟预测)下列说法不正确的是
A.工业制硝酸时在吸收塔用浓硝酸吸收二氧化氮获得硝酸
B.炼铁时,焦炭不仅提供CO,还用燃烧产生的热量维持高温
C.通常以海产品(如海带、紫菜等)为原料提取碘
D.氯化镁溶液蒸发结晶可获得MgCl2·6H2O
二、元素或物质推断题
18.(2021·浙江嘉兴·统考模拟预测)固体化合物X由3种短周期元素组成,某学习小组开展如下探究实验。
已知:非金属氧化物A的相对分子质量为44;气体C能使湿润的红色石蕊试纸变蓝色;气体G是空气中含量最多的单质。请问答:
(1)组成D的非金属元素是___________(填元素符号),写出C的电子式___________。
(2)步骤Ⅱ,发生反应的化学方程式是___________。
(3)工业上制备X是将金属单质与液态C反应得到,写出该反应的化学方程式为___________。
(4)某同学将擦亮的单质F投入装有足量浓硫酸的大试管中,微热,有黑色和白色的固体析出,但无气体产生(已知,黑色固体由2种元素组成,金属元素质量分数为80%,难溶于水和稀硫酸,可溶于硝酸)。请设计实验验证黑色固体的组成元素___________。
三、填空题
19.(2021·浙江·模拟预测)某合金(仅含铜、铁)中铜和铁的物质的量之和为 amol,其中Cu的物质的量分数为 b,将其全部投入c mol的稀硝酸中,加热使其充分反应(假设NO是唯一的还原产物)。
(1)若产生标准状况下NO 4.48 L,则反应转移电子的物质的量为___________mol
(2)若b=0.2,溶液中的Fe3+与Fe2+的物质的量相等,标准状况下产生NO6.72L,则c=___mol
四、实验题
20.(2021·浙江绍兴·统考模拟预测)实验室用下图装置(夹持装置已省略)制备氨基甲酸铵()。已知:
①,;
副反应:,
②常压下,沸点,熔点。氨基甲酸铵沸点58.76℃,熔点59.61℃。
③、
请回答:
(1)①装置A中发生的反应方程式是___________。装置B内盛放的试剂是___________。
②装置C用干冰产气的优点是___________。
A.干冰气化生成二氧化碳气体,提供低温环境 B.避免了二氧化碳气体的干燥
C.增大了反应物氨气的转化率 D.加快了氨基甲酸铵的生成速率
(2)装置的作用是①___________;②防止空气中的进入,使产品水解。若E中有气泡产生,接下来的具体操作是___________。
(3)产品分析:称取样品(内含杂质),溶于容量瓶,用蒸馏水定容到刻度,每次取试样于锥形瓶中进行滴定。已知:
,为避免碳酸钡的溶解,采用盐酸回滴过量的氢氧化钠标准液,然后计算氨基甲酸铵的氨含量。
实验数据如下表:
加入物质的量() | 25.000 |
回滴消耗盐酸物质的量() | 12.925 |
氨基甲酸铵纯度为___________。
(4)氨基甲酸铵(易分解)固体分解的标准平衡常数,其中P为系统总压,。针对测定实验装置图,从下列选项选择合适操作(操作不能重复使用)并排序:
_________________________________
a.将少量样品装入等压计中,在U形管中加入适量的硅油作液封
b.记录压差计两臂读数、恒温槽读数
c.开动真空泵,使体系呈负压,恒温10分钟
d.调整活塞1处于d位置,通过毛细管放入空气,使等压计U形管左臂压力始终略大于右臂压力,以保证反应向正方向进行。
e.反复操作,接近分解平衡时,调整等压计两边液面相平
f.将等压计接到真空系统,调整活塞1处于b位置,调节恒温槽温度为30.0℃
参考答案:
1.D
【分析】浓硝酸不稳定,易分解为二氧化氮、水和氧气。
【详解】A.①中的红棕色气体是NO2,N元素化合价降低,根据氧化还原反应规律,一定有元素化合价升高,推断产生的气体中还一定有O2,故A正确;
B.浓硝酸受热易分解,②中的红棕色气体可能是硝酸分解产生,不能说明木炭与浓硝酸发生了反应,故B正确;
C.硝酸中N元素化合价为+5价,生成二氧化氮中N元素化合价为+4价,化合价降低,所以生成的红棕色气体为还原产物,故C正确;
D.③的气体产物中检测出CO2,CO2可能是C和氧气反应生成的产物,故D错误;
选D。
2.B
【详解】A.具有还原性,可在酸性条件下将还原成Cr3+,所以能使酸性溶液变为绿色,A正确;
B.铁在纯氧中燃烧生成,B错误‘
C.在放电或高温条件下与生成,反应的化学方程式为:N2+O22NO,C正确;
D.乙烯的结构简式为CH2=CH2,可与溴的四氯化碳溶液发生加成反应而使其褪色,D正确;
答案选B。
3.A
【详解】A.Cu与稀硝酸反应生成硝酸铜、水和NO,反应的离子方程式为:,A正确;
B.醋酸是弱酸,应保留化学式,反应的离子方程式为:,B错误;
C.工业上将氯气通入石灰乳中制备漂白粉,石灰乳中氢氧化钙主要以固体形式存在,应保留化学式,反应的离子方程式为,C错误;
D.溶液中加入足量溶液,完全反应,即铁离子与硫酸根离子按2:3反应,反应的离子方程式为,D错误;
选A。
4.A
【详解】A.在工业上采用苯、乙醇、水三元共沸法制取乙醇钠,具体操作为:将固体氢氧化钠溶于乙醇和纯苯溶液中(或环己烷和乙醇溶液中),加热回流,氢氧化钠和乙醇反应生成乙醇钠和水,其中水又和苯形成共沸物,通过脱水工艺脱除,就得到了乙醇钠,A正确;
B.盐酸的工业制法之一 工业上制取盐酸时,首先在反应器中将氢气点燃,然后通入氯气进行反应制得氯化氢气体,氯化氢气体冷却后被水吸收成为盐酸。在氯气和氢气的反应过程中,有毒的氯气被过量的氢气所包围,使氯气得到充分反应,而不是氢气在氯气中燃烧生成氯化氢,B错误;
C.在催化剂作用下,NH3和O2反应主要得到NO,C错误;
D.Al2O3是两性氧化物,能够与NaOH在高温下发生反应,因此不能用氧化铝坩埚熔融NaOH固体,D错误;
故合理选项是A。
5.B
【详解】A.NH4SCN中的N为-3价,NaNO2中N为+3价,两者可以发生氧化还原反应生成N2,故A正确;
B.NH4SCN中的SCN-能和Fe3+反应生成血红色的Fe(SCN)3,Fe(SCN)3溶于水,不沉淀,故B错误;
C.NH4SCN中的能和OH-共热生成氨气,故C正确;
D.NH4CNO加热能生成尿素( ),NH4SCN 与NH4CNO性质相似,所以NH4SCN 加热能生成硫脲( ),故D正确;
故选B。
6.D
【详解】A.硝酸常用来制造氮肥、染料、塑料、炸药等物质,硝酸是一种重要的化工原料,故A正确;
B.NO是明星分子,在人体的血管系统内具有传送信号的功能, NO极少量时在人体的血管系会促进血管扩张,防止血管栓塞,故B正确;
C.石膏与碳在高温下可制得二氧化硫用于生产硫酸,故C正确;
D.硫酸铜属于重金属盐,有毒,不可用于饮用水的消毒,故D错误;
故选D。
7.C
【详解】A.Fe与Cl2反应生成FeCl3,则Fe与I2反应生成FeI2,与氧化剂的氧化性强弱有关,类比不合理,A错误;
B.钠在空气中加热生成Na2O2,则金属锂在空气中加热只生成Li2O,与金属的还原性强弱有关,类比不合理,B错误;
C.NH3中N的孤对电子与氢离子形成配位键,H2N-NH2中N的孤对电子与两个氢离子也可以形成配位键,与HCl反应生成N2H6Cl2,类比合理,C正确;
D.Na2O2与CO2反应生成Na2CO3和O2,而Na2O2与SO2反应生成Na2SO4,二氧化硫具有还原性,类比不合理,D错误;
故答案为:C。
8.C
【详解】A.氯气的氧化性大于碘单质,Fe与Cl2反应生成FeCl3,则Fe与I2反应生成FeI2,A错误;
B.组成与结构相似的共价分子:相对分子质量越大,分子间作用力越大,熔沸点越高,则 SiH4的沸点比CH4高,但氨气形成分子间氢键会增大熔沸点,则PH3的沸点比NH3低,B错误;
C. 氨气是碱性气体:NH3与HCl反应生成NH4Cl,氨基有碱性、N2H4由2个氨基连接而成,则N2H4可与HCl反应生成N2H6Cl2,C正确;
D. Na2O2与CO2反应生成Na2CO3和O2,则Na2O2具有强氧化性、SO2有强还原性,Na2O2与SO2反应生成Na2SO4,D错误;
答案选C。
9.B
【详解】A.化合物中B元素显示-3价,容易失去电子,表现还原性,A正确;
B.化合物中B有空轨道,可以和氨气形成配位键,可以发生反应,B错误;
C.化合物有还原性,氯气有氧化性,可以发生氧化还原反应,,C正确;
D.实验室可用与发生复分解反应来制备,方程式为:,D正确;
故选B。
10.A
【详解】A.纯碱可以用于食品工业,如制作面食、味精等,A错误;
B.NO在人体的血管系统内具有传送信号的功能,极少量的NO会促进血管扩张,防止血管栓塞,B正确;
C.石灰石—石膏法脱硫的原理为:石灰石在高温下发生分解生成CaO和SO2反应生成CaSO3,CaSO3和O2反应生成CaSO4,CaSO4可用来生产副产品石膏(生石膏CaSO4∙2H2O、熟石膏2CaSO4∙H2O);氨水法脱硫的原理为:氨水和SO2发生反应生成(NH4)2SO3,(NH4)2SO3和O2反应生成(NH4)2SO4,(NH4)2SO4可用作氮肥,C正确;
D.电解池中,Zn2+比H2O的H+先放电,可以通过电解ZnSO4制备金属Zn,D正确;
故选A。
11.B
【分析】根据各元素的相对位置可知,Y、Z为第二周期,M、Q为第三周期,Q原子半径是同周期最小的,则Q为Cl元素,所以Y为C元素,Z为N元素,M为Si元素,Z2X4即为N2X4,电子总数为18个,所以X为H元素。
【详解】A.同周期主族元素自左至右原子半径依次减小,同周期自上而下原子半径依次增大,所以原子半径M>Y>Z,A正确;
B.M为Si元素,Y为C元素,二者的氢化物均有多种,例如C9H20的沸点会高于SiH4,B错误;
C.MQ4为SiCl4,类比CCl4的空间构型,可知SiCl4为正四面体,C正确;
D.X2Z-ZX2为H2N-NH2,在水溶液中会结合水电离出的氢离子,促进水的电离,产生氢氧根,溶液显碱性,D正确;
综上所述答案为B。
12.D
【详解】A.液氨液化时,需要从外界吸收大量热,使周围气温降低,因此工业上可用作制冷剂,故A说法正确;
B.二氧化硅与石灰石反应生成硅酸钙,工业上冶炼铁通常用石灰石除去矿石中的二氧化硅,故B说法正确;
C.陶瓷、砖瓦、玻璃、水泥等属于传统硅酸盐产品,故C说法正确;
D.工业上接触法制硫酸时,常用98%浓硫酸吸收SO3,不用水吸收,用水吸收时容易产生酸雾,阻碍SO3被吸收,故D说法错误;
答案为D。
13.C
【详解】A.HCl为强电解质可以写成离子,大理石难溶于水不能拆,二者反应生成易溶于水的强电解质氯化钙,同时生成水和二氧化碳,A离子方程式正确;
B.二氧化硅为氧化物不拆,NaOH为强碱可以写成离子,生成的硅酸钠为可溶于水的强电解质,同时生成水,B离子方程式正确;
C.铜和稀硝酸反应时生成NO,离子方程式为3Cu +8H++2 =3Cu2++2NO↑+4H2O,C错误;
D.氯化铵、氢氧化钙都为可溶于水的强电解质,可以写成离子,反应的实质为铵根和氢氧根反应生成氨气和水,D离子方程式正确;
综上所述答案为C。
14.C
【详解】A.硫铵指硫酸铵,化学式为(NH4)2SO4,A不符合题意;
B.重晶石指硫酸钡,化学式为BaSO4,B不符合题意;
C.草酸指乙二酸,结构简式为HOOC-COOH,化学式为H2C2O4,C符合题意;
D.胆矾指五水硫酸铜,化学式为CuSO4·5H2O,D不符合题意;
故答案选C。
15.C
【详解】A.在NO的浓度不变时,增大NH3的浓度,化学平衡正向移动,可以使更多的反应物NO转化为N2,故NH3转化率可能随NH3浓度的增大而增大,A正确;
B.根据图示可知:在反应过程中NH3与催化剂发生强的化学吸附作用,而NO几乎不被催化剂吸附,B正确;
C.化学反应分多步进行时,总反应由慢反应决定。反应①的活化能小,反应速率快;而反应②活化能高,反应速率慢,因此控速步骤是反应②,C错误;
D.根据图示可知:在过渡态Ⅱ化合物中,NH3提供的H原子,NO提供O原子,2个H与1ge O结合生成H2O分子,D正确;
故选C。
16.B
【详解】A.浓硝酸具有强氧化性,浓硝酸和C加热反应生成CO2和NO2,SO2具有还原性,会进一步被硝酸氧化,所以S和浓硝酸加热反应生成H2SO4和NO2,A错误;
B.AlF3能与NaF形成配合物Na3AlF6,Al、Be处于对角线位置,性质相似,所以BeF2与NaF形成配合物Na2BeF4,B正确;
C.由于AlCl3是共价化合物,在熔融状态不能导电,因此工业上电解熔融Al2O3制Al,而MgCl2、MgO都是离子化合物,由于MgCl2的熔点比MgO低,因此在工业上一般电解熔融MgCl2制Mg,C错误;
D.浓硫酸具有强氧化性,在室温下遇Fe、Al会被氧化产生一层致密的氧化物保护膜,阻止金属的进一步氧化,即在常温下钝化;但Zn比Fe活泼,会被浓硫酸氧化为ZnSO4,不能产生致密的氧化物保护膜,因此不会发生钝化现象,D错误;
故合理选项是B。
17.A
【详解】A.工业上制硝酸时,在吸收塔中用水吸收二氧化氮获得硝酸,A错误;
B.炼铁时,焦炭与鼓入的空气中的O2反应产生CO2气体,放出大量的热量,维持反应所需的高温条件,并且CO2与C反应产生CO,为炼铁反应发生提供反应物,B正确;
C.海产品(如海带、紫菜等)中含有丰富的碘元素,因此通常以这些海产品为原料提取碘,C正确;
D.氯化镁的溶解度受温度的影响变化较大,可通过将氯化镁溶液蒸发浓缩冷却结晶获得MgCl2·6H2O,D正确;
故合理选项是A。
18.(1)
(2)
(3)
(4)分离出固体加水充分溶解,过滤、洗涤后取黑色固体于试管中加入足量硝酸溶液变蓝色说明有铜元素,向上述溶液中加入氯化钡溶液产生白色沉淀说明有硫元素
【分析】化合物D与CuO撞击可得到白色粉末E、金属单质F和无色气体G,气体G是空气中含量最多的单质,则G为N2,可知化合物D中含有N元素,又白色粉末F的焰色反应呈黄色,则F中含有Na、O元素,F为Na2O,推知D含有Na元素,3.9g的D反应得到2.016LN2(n=),根据原子守恒可得化合物D中n(N)=0.09mol×2=0.18mol,m(N)=0.18mol×14g/mol=2.52g,则化合物D中m(Na)=3.9g-2.52g=1.38g,n(Na)=,因此化合物D的化学式为NaN3,步骤Ⅱ发生的反应为:,化合物X由3种短周期元素组成,化合物X与A反应生成强碱B、无色气体C和化合物D,气体C能使湿润的红色石蕊试纸变蓝色,则C为NH3,则可知化合物X中含有Na、N、H 3种元素,强碱B为NaOH,又非金属氧化物A的相对分子质量为44,则A位N2O,即4.68g的X与N2O发生反应生成2.4gNaOH(n=),1.344LNH3(n=,m=0.06mol×17g/mol=1.02g)和3.9gNaN3(n=),根据质量守恒可得m(N2O)=2.4g+3.9g+1.02g-4.68g=2.64g,则n(N2O)=,在由原子守恒可得,化合物X中n(Na):n(N):n(H)=(0.06×2):(0.06+0.06×3-0.06×2):(0.06+0.06×3)=2:2:4=1:1:2,因此化合物X为NaNH2,据此分析解答。
【详解】(1)根据上述分析可知,D的化学式为NaN3,则组成D的非金属元素为N,C为NH3,是共价化合物,其电子式为。
(2)由上述分析可知,步骤Ⅱ发生的反应化学方程式为:。
(3)化合物X为NaNH2,工业上用Na和液态NH3反应得到,反应的化学方程式为:。
(4)单质F为Cu,将Cu投入装有足量浓硫酸的大试管中,微热,得到由两种元素组成的黑色固体,其中金属元素的质量分数为80%,又难溶于水和稀硫酸,可以溶于稀硝酸,排除铜的氧化物,根据元素守恒可推测该黑色固体中含有Cu、S元素,可以分离出固体加水充分溶解,过滤、洗涤后取黑色固体于试管中加入足量硝酸溶液变蓝色说明有铜元素,向上述溶液中加入氯化钡溶液产生白色沉淀说明有硫元素。
19.(1)0.6
(2)1.2
【分析】某合金(仅含铜、铁)中铜和铁的物质的量之和为 a mol,其中Cu的物质的量分数为 b,则n(Cu)=ab mol,n(Fe)=(a-ab)mol。
(1)
若产生标准状况下NO 4.48 L, 即=0.2mol,N由HNO3→NO,由+5价→+2价,得0.2mol×(5-2)=0.6mol,NO是唯一的还原产物,则转移电子的物质的量=得电子物质的量=0.6mol;
(2)
b=0.2,即n(Cu)=0.2a mol,n(Fe)=0.8a mol,溶液中的Fe3+与Fe2+的物质的量相等,即各为0.4a mol,则Fe失电子0.4a mol×3+0.4a mol×2=2a mol,Cu失电子0.2a mol×2=0.4a mol,共失电子(2a+0.4a)mol =2.4a mol;
标准状况下产生NO 6.72L,则失电子=×(5-2)=0.9mol,被还原的HNO3的物质的量为0.3mol;
因为得失电子守恒,则2.4a mol=0.9mol,解得a=0.375mol,即n(Cu)=0.2×0.375mol=0.075mol,n(Fe)=0.8×0.375mol=0.3mol,则所得溶液n[Cu(NO3)2]=0.075mol,n[Fe(NO3)2]=0.4×0.375mol=0.15mol,n[Fe(NO3)3]=0.4×0.375mol=0.15mol,则显酸性的硝酸的物质的量为0.15mol×3+0.15mol×2+0.075mol×2=0.9mol;
则硝酸的物质的量=0.3mol+0.9mol=1.2mol,即c=1.2。
20.(1) 固体氢氧化钠或碱石灰 BC
(2) 吸收未反应的氨气,防止污染 可以通过调节恒压滴液漏斗的旋塞控制浓氨水的加入速度,使两种气体混合比例适当
(3)85.46%
(4) d e
【分析】由实验装置可知,A装置中将浓氨水滴入氢氧化钠固体,氢氧化钠吸水后溶解放热,使一水合氨分解产生氨气,B装置用于干燥氨气,应盛放固体氢氧化钠或碱石灰,C装置中利用干冰气化产生低温二氧化碳,氨气和二氧化碳在反应器中反应得到产品氨基甲酸铵,E装置中盛有浓硫酸具有多种作用:可吸收未反应的氨气,防止污染;防止空气中的进入,使产品水解;还可以控制原料气按反应计量系数充分反应。
(1)
①由分析可知,装置A中发生的反应是一水合氨在氢氧化钠存在条件下分解为氨气和水,反应的化学方程式是。B装置用于干燥氨气,应盛放固体氢氧化钠或碱石灰,故答案为:;固体氢氧化钠或碱石灰。
②A.温度低,反应速率小,所以采用干冰气化生成二氧化碳气体,并不是为了提供低温环境,故A不选;
B.制备氨基甲酸铵,为防止其水解需要无水条件,采用干冰气化生成二氧化碳气体,可避免二氧化碳气体的干燥,故B选;
C.制备氨基甲酸铵的反应为可逆反应,增大二氧化碳气体浓度可以提高了氨气的转化率,故C选;
D.温度降低,反应速率减小,故D不选;
综合以上分析,符合装置C用干冰产气的优点的选项是BC,故答案为:BC。
(2)
E装置中盛有浓硫酸具有多种作用:①吸收未反应的氨气,防止污染;②防止空气中的进入,使产品水解。通过观察气泡,调节氨气和二氧化碳的通入比例,若浓硫酸中有气泡产生,说明CO2过量,因而应加快氨气的产生速率,所以接下来的具体操作是可以通过调节恒压滴液漏斗的旋塞控制浓氨水的加入速度,使两种气体混合比例适当,故答案为:吸收未反应的氨气,防止污染;可以通过调节恒压滴液漏斗的旋塞控制浓氨水的加入速度,使两种气体混合比例适当。
(3)
由反应方程式可知:,等物质的量的氨基甲酸铵和杂质消耗等量的NaOH,设1.976g样品中含和的物质的量分别为x、y,则有:①x78g/mol+y114g/mol=1.976g,②(x+y)=( 25.000m mol-12.925m mol)10-3,联立①②方程,解得:x=0.02165mol,y=0.0025mol,则1.976g样品中含的质量为:0.02165mol78g/mol=1.6887g,氨基甲酸铵纯度为:100%=85.46%,故答案为:85.46%。
(4)
该实验为测定氨基甲酸铵(易分解)固体分解的标准平衡常数,其中P为系统总压,。结合测定实验装置图,实验的操作顺序为:将少量样品装入等压计中,在U形管中加入适量的硅油作液封,再将等压计接到真空系统,调整活塞1处于b位置,调节恒温槽温度为30.0℃,开动真空泵,使体系呈负压,恒温10分钟,调整活塞1处于d位置,通过毛细管放入空气,使等压计U形管左臂压力始终略大于右臂压力,以保证反应向正方向进行,反复操作,接近分解平衡时,调整等压计两边液面相平,记录压差计两臂读数、恒温槽读数,即操作顺序为:fde,故答案为:;d;e。
河南高考化学三年(2021-2023)模拟题汇编-08氮族元素及其化合物: 这是一份河南高考化学三年(2021-2023)模拟题汇编-08氮族元素及其化合物,共23页。试卷主要包含了单选题,元素或物质推断题,实验题等内容,欢迎下载使用。
山西高考化学三年(2021-2023)模拟题汇编-05氮族元素及其化合物: 这是一份山西高考化学三年(2021-2023)模拟题汇编-05氮族元素及其化合物,共17页。试卷主要包含了单选题,工业流程题,实验题等内容,欢迎下载使用。
陕西高考化学三年(2021-2023)模拟题汇编-07氮族元素及其化合物: 这是一份陕西高考化学三年(2021-2023)模拟题汇编-07氮族元素及其化合物,共16页。试卷主要包含了单选题,实验题,元素或物质推断题等内容,欢迎下载使用。

