- 3.3 变压器 课后练 试卷 1 次下载
- 3.3 变压器-课前预习 试卷 0 次下载
- 3.4 电能的输送-课前预习 试卷 0 次下载
- 3.4 电能的输送课中练 试卷 0 次下载
- 专题一:交变电流规律的应用 课中练 试卷 0 次下载
人教版 (2019)选择性必修 第二册4 电能的输送优秀课时作业
展开3.4 电能的输送 课后练
1. 照明供电线路的路端电压基本上是保持不变的.可是我们在晚上七八点钟用电高峰时开灯,电灯比深夜时要显得暗些,这是因为此时 ( )
A. 总电阻比深夜时大,干路电流小,每盏灯分到的电压就小
B. 总电阻比深夜时大,干路电流小,每一支路的电流就小
C. 总电阻比深夜时小,干路电流大,输电线上损失的电压大
D. 干路电流一定,支路比深夜时多,分去了一部分电流
2. 远距离输送一定功率的交流电,若输电电压提高到原来的n(n>1)倍,则( )
A. 输电线上的电压损失增大 B. 输电线上的功率损失增大
C. 输电线上的电压损失不变 D. 输电线上的功率损失减少到原来的
3. 某水电站,用总电阻为2.5Ω的输电线输电给500km外的用户,其输出电功率是3×106kW,现用500kV电压输电,则下列说法正确的是( )
A. 输电线上输送的电流大小为2×105A
B. 输电线上由电阻造成的损失电压为15kV
C. 输电线上损失的功率为,U为输电电压,r为输电线的电阻
D. 输电线上损失的功率为9×107kW
4. 如图为远距离输电示意图,升压变压器和降压变压器均为理想变压器,R为输电线的等效电阻。保持交流发电机输出电压不变,若电压表示数变小,下列判断正确的是( )
A. 电流表示数变小 B. 降压变压器原副线圈两端的电压之比变小
C. 升压变压器输出电压变小 D. 输电线损失的功率变大
5. 用电器与电源相距L,线路上电流强度为I,为使输电线上的电压损失不超过U,已知输电线的电阻率为ρ,那么输电线的横截面积最小值应是( )
A. B. C. D.
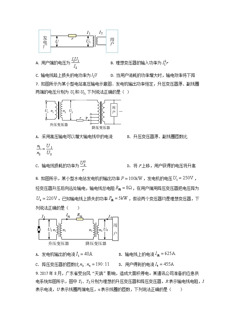
6. 如图所示远距离交流输电的简化电路图.发电厂的输出电压是U,用等效总电阻是的两条输电线输电,输电线路中的电流是I1,其末端间的电压为U1.在输电线与用户间连有一理想变压器,流入用户端的电流为I2.则( )
A. 用户端的电压为 B. 理想变压器的输入功率为
C. 输电线路上损失的电功率为 D. 当用户消耗的功率增大时,输电效率将下降
7. 如图所示为某小型电站高压输电示意图.发电机输出功率恒定,升压变压器原、副线圈两端的电压分别为U1和U2。下列说法正确的是( )
A. 采用高压输电可以增大输电线中的电流 B. 升压变压器原、副线圈匝数比
C. 输电线损耗的功率为 D. 将P上移,用户获得的电压将升高
8. 如图所示,某小型水电站发电机的输出功率,发电机的电压,经变压器升压后向远处输电,输电线总电阻,在用户端用降压变压器把电压降为。已知输电线上损失的功率,假设两个变压器均是理想变压器,下列说法正确的是( )
A. 发电机输出的电流 B. 输电线上的电流
C. 降压变压器的匝数比 D. 用户得到的电流
9. 2017年8月,广东省受台风“天鸽”影响,造成大面积停电。某通讯公司准备的应急供电系统如图所示,图中T1、T2分别为理想的升压变压器和降压变压器,R表示输电线电阻,I表示电流,U表示线圈两端电压,n表示线圈的匝数,下列说法正确的是( )
A. 如果发电机的输出功率为P,则P=U1I1=U2I2=U4I4
B. 若,则有U1=U4
C. 用户消耗的功率越大,输电线上消耗的功率越小
D. 如果发电机的输出功率为P,则输电线上消耗的功率为R
10. 如图所示为某一输电示意图,电厂的发电机输出功率为100 kW,输出电压U1=500 V,升压变压器原、副线圈的匝数比为n1:n2=1:20,输电线电阻为40Ω,用户需要的电压U4=220 V,变压器均为理想变压器.则
A. 输电线上的输送电流为250A B. 输电线上损失的电压为280V
C. 输电线上损失的电功率为4Kw D. 降压变压器的原、副线圈的匝数比为n3:n4=48:11
11. 如图所示,某学校有一台应急备用发电设备,内阻不计升压变压器匝数比为::4,降压变压器的匝数比为::1,输电线总电阻为,其他导线电阻可忽略不计全校有22间教室,每间教室安装“220V 40W”的电灯6盏,要求所有的电灯都正常发光,求:
(1)输电线上的电流是多大
(2)升压变压器的输入电压多大.
12. 如右图所示,发电机的输出功率P出=5×104W,输出电压U1=240V,输电线总电阻R=30Ω,允许 损失的功率为输出功率的6%,为满足用户的用电需求即让用户获得的电压为220V,则:
(1)该输电线路所使用的理想升压变压器、降压变压器的匝数比各是多少;
(2)能使多少盏“220V 100W” 的电灯正常发光.
13. 风力发电作为新型环保能源,近年来得到了快速发展,如图所示的风车阵中发电机输出功率为100kW,输出电压是250V,用户需要的电压是220V,输电线总电阻为10Ω。若输电线因发热而损失的功率为输送功率的4%。
(1)画出此输电线路的示意图;
(2)求在输电线路中设置的升、降压变压器原、副线圈的匝数比;
(3)求用户得到的电功率。
参考答案
1. C
【解析】
晚上七、八点钟用电高峰时开灯,由于负载增多,各个负载是并联,则总电阻减小,根据欧姆定律,输电线上的电流增大,输电线上损失的电压变大,由于照明供电线路的路端电压基本上是保持不变的,所以用电高峰时用户获得的电压减小,每盏灯两端的电压较低.故C正确,ABD错误.
故选C.
2. D
【解析】
AC.在输送功率一定时,由
知,输电电压提高到原来的n倍,则输电电流变为原来的,根据
可知输电线上的电压损失减为原来的,故AC错误;
BD.由
输电线上的功率损失减为原来的,故B错误,D正确。
故选D。
3. B
【解析】
A.由P=UI,得用500kV电压输电时输电线上输送的电流
故A错误;
B.由
得输电线上的电压损失
故B正确;
C.输电线上损失的功率为
U为输电线上损失的电压,故C错误;
D.输电线上损失的功率
故D错误。
故选B。
4. D
【解析】
AD.电压表示数变小,说明降压变压器的次级电压减小,则初级电压减小,因保持交流发电机输出电压不变,则升压变压器的初级电压不变,次级电压不变,可知导线上的电压损失变大,即导线上的电流变大,输电线损失的功率变大,电流表的示数变大,选项A错误D正确;
B.降压变压器原副线圈两端的电压之比等于匝数之比,则降压变压器原副线圈两端的电压之比不变,选项B错误;
C.升压变压器输出电压由匝数比和输入电压决定,则升压变压器输出电压不变,选项C错误;
故选D。
5. B
【解析】
根据欧姆定律得,根据电阻定律,又,解得.故B项正确,ACD三项错误.
6. AD
【解析】
由于输电线与用户间连有一理想变压器,设用户端的电压是,则,得,A正确;理想变压器的输入功率为线路上消耗的电功率与用户消耗功率之和,故为,B错误;发电厂的输出电压是U,末端间的电压为U1,输电线路上损失的电功率是:I1(U-U1),故C错误;当用户消耗的功率增大时,用户端的电流增大,根据可知输送电线上的电流增大,电厂的输出功率增大,则:,发电厂的输出电压不变,输电线上的电阻不变,所以输电线上损耗的功率占总功率的比例随着发电厂输出功率的增大而增大;输电效率随着发电厂输出功率的增大而减小,故D正确。
故选AD。
7. BD
【解析】
A.发电机输出功率恒定,根据
可知,采用高压输电可以减小输电线中的电流,故A错误;
B.变压器的原副线圈两端电压与匝数成正比,即
故B正确;
C.输电线上损失的功率为
为升压变压器副线圈两端的电压,故C错误;
D.若P上移,降压变压器的原线圈匝数减小
用户的电压增大,故D正确。
故选BD。
8. C
【解析】
A.根据电功率公式
发电机输出电流
A错误;
B.输电线上损失功率,由
可得
故B错误;
C.降压变压器原副线圈得到的功率为
P4=P-P线=95kW
根据理想变压器电流与线圈匝数成反比关系,可得
C正确;
D.用户得到的功率为,用户得到的电流
D错误。
故选C。
9. D
【解析】
如果发电机的输出功率为P,因理想变压器没有能量损失,故有
但输电线上消耗功率,故
故A错误;
B.因为输电线上有电压损失,所以U1≠U4,故B错误;
C.用户消耗的功率越大,三个回路中的电流越大,输电线上消耗的功率也越大,故C错误;
D.如果发电机的输出功率为P,则输电线中的电流为
输电线上消耗的功率为
故D正确。
故选D。
10. C
【解析】
A.根据理想变压器原副线圈两端的电压与匝数成正比得,所以有:,发电机的输出功率为100kW,所以有,输电线中电流为,故选项A错误;
B.输电线上的电压损失,故选项B错误;
C.输电导线上损失的电功率为,故选项C正确;
D.可得,降压变压器原、副线圈的匝数比是,故选项D错误.
11. 【答案】6A 226V
【解析】
所有电灯正常发光时消耗的功率为:,
由于灯正常发光时,降压变压器副线圈两端的电压:,
所有降压变压器原线圈两端的电压为:,
则输电线上的电流为:.
输电线上损失的电压为:,
则升压变压器副线圈两端的电压为:,
则升压变压器原线圈两端的电压为:.
12. 【答案】(1) ;(2) 470盏
【解析】
(1)线路上损耗的功率
所以
又
对升压变压器其变压比
用户消耗的功率
得
对降压变压器,其变压比
(2)灯盏数
盏
13. 【答案】(1)见解析;(2)240:11;(3)96kW。
【解析】
(1)如图所示
(2)输电线损耗功率
P线=100×4% kW=4kW
又P线=I22R线,输电线电流
原线圈中输入电流
则升压变压器匝数比
降压变压器输入电压
降压变压器匝数比
(3)用户端电流
解得:
故用户得到的电功率
高中4 电能的输送精品课后作业题: 这是一份高中4 电能的输送精品课后作业题,文件包含34《电能的输送》分层练习原卷版-人教版物理选修二docx、34《电能的输送》分层练习解析版-人教版物理选修二docx等2份试卷配套教学资源,其中试卷共16页, 欢迎下载使用。
人教版 (2019)选择性必修 第二册4 电能的输送精品精练: 这是一份人教版 (2019)选择性必修 第二册4 电能的输送精品精练,文件包含34《电能输送》分层练习原卷版-人教版高中物理选修二docx、34《电能输送》分层练习解析版-人教版高中物理选修二docx等2份试卷配套教学资源,其中试卷共15页, 欢迎下载使用。
高中物理人教版 (2019)选择性必修 第二册4 电能的输送复习练习题: 这是一份高中物理人教版 (2019)选择性必修 第二册4 电能的输送复习练习题,共4页。试卷主要包含了选择题,非选择题等内容,欢迎下载使用。

