人教版 (2019)选择性必修 第二册4 电能的输送精品精练
展开一、降低输电损耗的两个途径
1.中国已投产运行的1 000 kV特高压输电,是目前世界上电压最高的输电工程。假设甲、乙两地原来用500 kV的特高压输电,在保持输送电功率和输电线电阻都不变的条件下,现改用1 000 kV特高压输电,不考虑其他因素的影响,则( )
A.输电电流变为原来的2倍
B.输电线上损失的电压将变为原来的2倍
C.输电线上损失的电压将变为原来的eq \f(1,2)
D.输电线上损失的电功率将变为原来的eq \f(1,2)
【答案】C
【详解】由于P输不变,根据输送电功率P输=U输I输可知,输电电流I输=eq \f(P输,U输)∝eq \f(1,U输),当U输变为原来的2倍时,则I输变为原来的eq \f(1,2),故A错误;当输电电流变为原来的eq \f(1,2)时,根据输电线上损失的电压ΔU=I输R线∝I输可知,输电线上损失的电压也变为原来的eq \f(1,2),故B错误,C正确;输电线上损失的电功率P损=Ieq \\al(2,输)R线∝Ieq \\al(2,输),所以输电线上损失的电功率将变为原来的eq \f(1,4),故D错误。
2.远距离输电,输电功率一定。当输电电压为U0时,输电线上的电流为I0,损失的电功率为P0。当输电电压提高为2U0时,则( )
A.由I=eq \f(U,R)得,输电线上的电流变为2I0
B.由I=eq \f(P,U)得,输电线上的电流变为eq \f(I0,2)
C.由P=eq \f(U2,R)得,输电线上损失的电功率为4P0
D.由P=IU得,输电线上损失的电功率为2P0
【答案】B
【详解】设输电线的电阻为R,当输电线上的电流为I0时,损失的电功率P0=Ieq \\al(2,0)R。当输电电压提高为2U0时,由I=eq \f(P,U)可知输电线上的电流变为eq \f(I0,2),输电线上损失的电功率P损=eq \b\lc\(\rc\)(\a\vs4\al\c1(\f(I0,2)))2R=eq \f(P0,4),故选项B正确,选项A、C、D错误。
3.[多选]在远距离输电时,输送的电功率为P,输送电压为U,所用导线的电阻率为ρ,横截面积为S,总长度为L,输电线损失的电功率为P′,用户得到的电功率为P用。P′和P用的关系式正确的是( )
A.P′=eq \f(U2S,ρL) B.P′=eq \f(P2ρL,U2S)
C.P用=P-eq \f(U2S,ρL)D.P用=Peq \b\lc\(\rc\)(\a\vs4\al\c1(1-\f(PρL,U2S)))
【答案】BD
【详解】输电线电阻R=ρeq \f(L,S),输电电流I=eq \f(P,U),故输电线上损失的功率P′=I2R=eq \b\lc\(\rc\)(\a\vs4\al\c1(\f(P,U)))2ρeq \f(L,S)=eq \f(P2ρL,U2S),用户得到的电功率P用=P-P′=Peq \b\lc\(\rc\)(\a\vs4\al\c1(1-\f(PρL,U2S)))。故选项B、D正确。
远距离输电
4.发电机的输出电压为220 V,输出功率为44 kW,每条输电线的电阻为0.2 Ω。
(1)此时用户得到的电压和电功率各为多少?
(2)如果发电站先用变压比为1∶10的升压变压器将电压升高,经同样的输电线路后经10∶1的降压变压器将电压降低后供给用户,则用户得到的电压和电功率各是多少?
[答案] (1)140 V 28 kW (2)219.2 V 43.84 kW
[详解] (1)输电线上的电流
IR=eq \f(P,U)=eq \f(44 000,220) A=200 A
损失的电压UR=IRR=2×0.2×200 V=80 V
损失的功率PR=URIR=80×200 W=16 000 W=16 kW
故用户得到的电压U用户=U-UR=140 V
用户得到的功率P用户=P-PR=28 kW。
(2)已知升压变压器的匝数之比n1∶n2=1∶10
输入电压U1=220 V
因此,升压变压器的输出电压U2=eq \f(n2,n1)U1=2 200 V
输电线上的电流IR′=eq \f(P,U2)=eq \f(44 000,2 200) A=20 A
损失的电压UR′=IR′R=2×0.2×20 V=8 V
损失的功率PR′=UR′IR′=8×20 W=160 W
因此,降压变压器的输入电压U3=U2-UR′=2 192 V
已知降压变压器的匝数比n3∶n4=10∶1
所以用户得到的电压U4=eq \f(n4,n3)U3=219.2 V
用户得到的功率P用户′=P-PR′=43.84 kW。
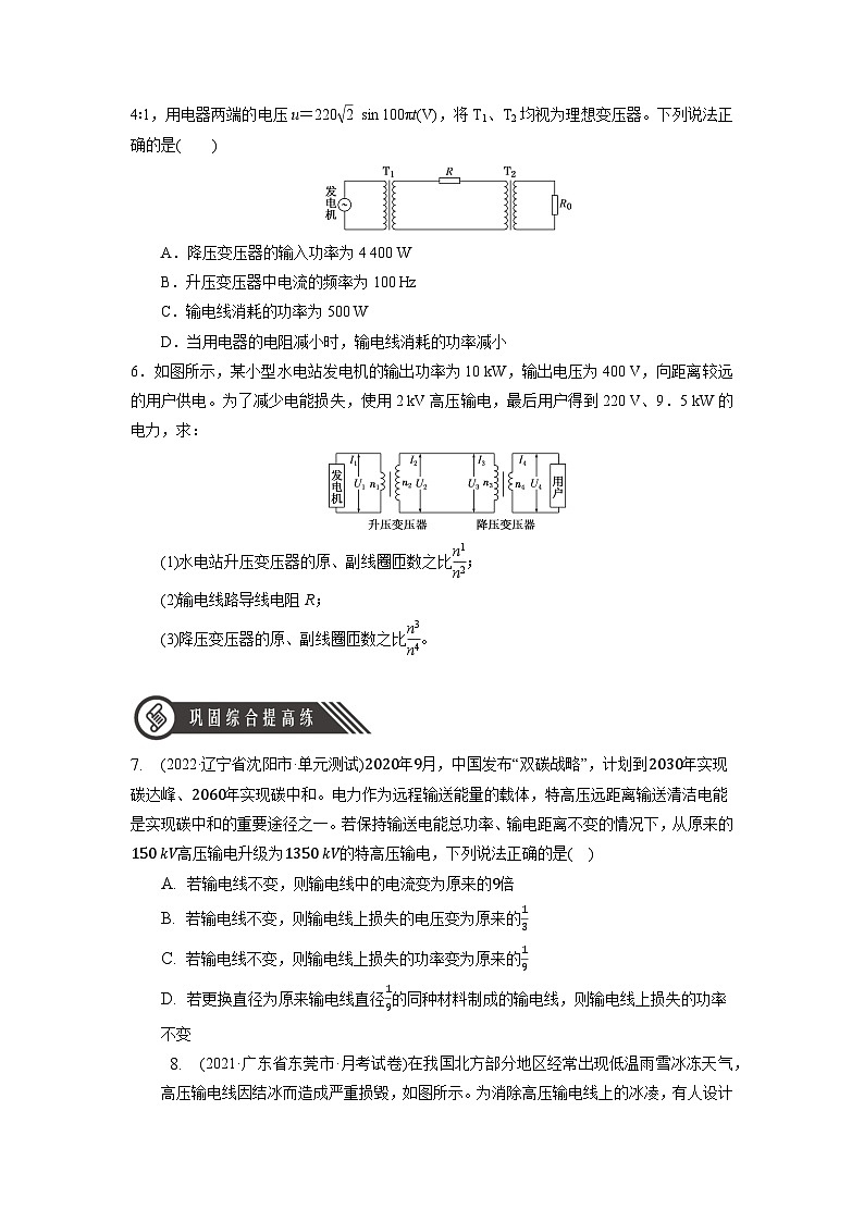
5.某小型水电站的电能输送示意图如图所示,发电机通过升压变压器T1和降压变压器T2向R0=11 Ω的纯电阻用电器供电。已知输电线的总电阻R=10 Ω,T2的原、副线圈匝数比为4∶1,用电器两端的电压u=220eq \r(2) sin 100πt(V),将T1、T2均视为理想变压器。下列说法正确的是( )
A.降压变压器的输入功率为4 400 W
B.升压变压器中电流的频率为100 Hz
C.输电线消耗的功率为500 W
D.当用电器的电阻减小时,输电线消耗的功率减小
【答案】A
【详解】由题可知,用电器两端电压有效值为220 V,由电功率公式可知,降压变压器输出功率P=eq \f(U2,R0)=4 400 W,理想变压器输入功率与输出功率相等,A项正确;交变电流频率f=eq \f(ω,2π)=eq \f(100π,2π) Hz=50 Hz,理想变压器不改变交变电流的频率,频率一直是50 Hz,B项错误;由变压规律eq \f(U1,U2)=eq \f(n1,n2)可知,降压变压器输入电压为880 V,由电功率定义式P=UI可知,降压变压器输入电流I=5 A,由焦耳定律可知,输电线电阻消耗的功率PR=I2R=250 W,C项错误;当用电器的电阻减小时,输出功率增大,故降压变压器输入功率增大,从而输入电流增大,再由PR=I2R可知,输电线消耗的功率增大,D项错误。
6.如图所示,某小型水电站发电机的输出功率为10 kW,输出电压为400 V,向距离较远的用户供电。为了减少电能损失,使用2 kV高压输电,最后用户得到220 V、9.5 kW的电力,求:
(1)水电站升压变压器的原、副线圈匝数之比eq \f(n1,n2);
(2)输电线路导线电阻R;
(3)降压变压器的原、副线圈匝数之比eq \f(n3,n4)。
【答案】(1)eq \f(1,5) (2)20 Ω (3)eq \f(95,11)
【详解】(1)升压变压器的原、副线圈匝数之比
eq \f(n1,n2)=eq \f(U1,U2)=eq \f(400 V,2 000 V)=eq \f(1,5)。
(2)升压变压器原线圈中电流I1=eq \f(P,U)=eq \f(10 000,400)A=25 A
由eq \f(n1,n2)=eq \f(I2,I1)得副线圈中电流I2=eq \f(n1,n2)I1=eq \f(1,5)×25 A=5 A
输电线上损失的电功率P损=(10 000-9 500) W=500 W,故输电线路导线电阻R=eq \f(P损,I\\al(2,2))=eq \f(500,25) Ω=20 Ω。
(3)降压变压器原线圈上的电压
U3=U2-I2R=U2-eq \f(P,U2)R=eq \b\lc\(\rc\)(\a\vs4\al\c1(2 000-\f(10 000,2 000)×20))V=1 900 V
所以降压变压器的原、副线圈匝数之比
eq \f(n3,n4)=eq \f(U3,U4)=eq \f(1 900 V,220 V)=eq \f(95,11)。
7. (2022·辽宁省沈阳市·单元测试)2020年9月,中国发布“双碳战略”,计划到2030年实现碳达峰、2060年实现碳中和。电力作为远程输送能量的载体,特高压远距离输送清洁电能是实现碳中和的重要途径之一。若保持输送电能总功率、输电距离不变的情况下,从原来的150 kV高压输电升级为1350 kV的特高压输电,下列说法正确的是( )
A. 若输电线不变,则输电线中的电流变为原来的9倍
B. 若输电线不变,则输电线上损失的电压变为原来的13
C. 若输电线不变,则输电线上损失的功率变为原来的19
D. 若更换直径为原来输电线直径19的同种材料制成的输电线,则输电线上损失的功率不变
【答案】D
【详解】A.由公式P=UI可知,在输电功率不变的情况下,电压升高为原来的9倍,则输送电流变为原来的19,A错误;B.由欧姆定律可知,导线上损失的电压ΔU=Ir,输电线不变,所以输电线上损失的电压变为原来的19,B错误;C.输电线上损失的功率为ΔP=I2r,所以输电线上损失的功率变为原来的181,C错误;D.根据R=ρLS,输电线的直径变为原来的19,则电阻变为原来的81倍,所以输电线上损失的功率不变,D正确。
8. (2021·广东省东莞市·月考试卷)在我国北方部分地区经常出现低温雨雪冰冻天气,高压输电线因结冰而造成严重损毁,如图所示。为消除高压输电线上的冰凌,有人设计了这样的融冰思路:利用电流的热效应除冰。在正常供电时,高压线上送电电压为U,电流为I,热耗功率为ΔP;若输电功率和输电线电阻不变,除冰时,需要输电线上热耗功率为9ΔP,则除冰时( )
A. 输电电流为13I B. 输电电流为9IC. 输电电压为3U D. 输电电压为13U
【答案】D
【详解】解:AB.高压线上的热耗功率为:ΔP=I2R线…①
若热耗功率变为9ΔP,则有:9ΔP=I'2R线…②
由①②得I'=3I,所以AB错误;
CD.又输送功率不变,由P=UI=U'I'得:U'=13U,所以C错误,D正确。
故选D。
9. (2023·广东省江门市·单元测试)节约能源是当今世界的一种重要社会意识。原来采用110kV高压向远方的城市输电,在输电线路上损耗的功率为ΔP。为减小输电线上损耗的功率,在输送功率一定、输电线路不变的同时,输电电压变为440 kV,则在输电线路上损耗的功率变为( )
A. ΔP2B. ΔP4C. ΔP8D. ΔP16
【答案】D
【详解】设输送功率为P,输送电压为U,输电线的总电阻为R,则ΔP=(PU)2R,因为输电电压变为原来的4倍,所以在输电线路上损耗的功率变为ΔP16,ABC错误,D正确。
故选D。
10. (2022·福建省泉州市·期中考试) 图甲为远距离输电示意图,升压变压器原、副线圈匝数比为1:1000,降压变压器原、副线圈匝数比为1000:1,输电线的总电阻为1000Ω,若升压变压器的输入电压如图乙所示,用户端电压为220V,下列说法正确的是( )
A. 输电线中的电流为3AB. 电站输出的功率为7500kW
C. 输电线路损耗功率为90kWD. 用户端交变电流的频率为100Hz
【答案】B
【详解】解:A.根据乙图可知升压变压器原线圈的电压有效值为:U1=25022V=250V,
根据变压器原理可得升压变压器副线圈两端电压为:U2=10001×250V=2.5×105V,
降压变压器原线圈两端电压为:U3=10001×220V=2.2×105V,
所以输电线的电压损失:ΔU=U2-U3=3×104V,
输电线中的电流为:I2=ΔUR=30A,故A错误;
B.根据功率关系可得电站输出的功率为:P出=U2I2=7.5×106V=7500kW,故B正确;
C.输电线路损耗功率为:P损=ΔUI2=9×105W=900kW,故C错误;
D.变压器变压不变频,所以用户端交变电流的频率为:f=10.02Hz=50Hz,故D错误。
故选:B。
11. (2020·江苏省淮安市·月考试卷)如图所示,某发电厂通过升压变压器和降压变压器向远距离输送一定功率的电能,假设输电线路电阻发热是电能损失的唯一原因。若远距离输电的电压加倍,其他条件不变,下列说法正确的是( )
A. 输电线上的电流加倍B. 输电线上的电能损失加倍
C. 输电线上电能损失是原来的二分之一D. 输电线上电能损失是原来的四分之一
【答案】D
【详解】输电线上输送的功率一定,根据P=UI知,输电电压越高输电电流越小,若输送电压提高到原来的2倍,则电流减小到原来的12,根据P损=I2R,可知,电线上损失的功率为原来的14,故D正确,A、B、C错误。
故选D.
12.(2022·广东省广州市·期中考试)某同学研究远距离输电的电路如图所示,a、b端接入电压为U0的交流电源,升压变压器T1和降压变压器T2均为理想变压器,且n1n2=n4n3。已知R1=R2=R3,三个电阻消耗的功率相同,电表均为理想交流电表,则( )
A. 升压变压器T1的匝数比为n1n2=14
B. 电压表的示数小于U0
C. 若R1短路,电流表示数将变为原来的1.5倍
D. 若R3断路,电压表示数将减小
【答案】BC
【解析】A.由于三个电阻消耗的功率相同,根据P=I2R
流过每个电阻的电流相等,因此I4=2I3
可得n1n2=n4n3=I3I4=12
A错误;
B.由于R1两端存在一定的电压,因此U3
可得U4
C.在R1未短路时,流过电流表的电流为I,设R2、R3的总电阻为R,可得U4=IR
而U3=n3n4U4=2IR
可知U2=U3+I2×2R=3IR
当R1短路后,流过电流表的电流为I',可得U'4=I'R
而U'3=n3n4U'4=2I'R
由于U2=U'3
可知I'=1.5I,C正确;
D.当R3断路时,流过n4的电流I4减小,导致I3减小,电阻R1分得的电压减小,U3增大,从而U4增大,D错误。
故选BC。
13. (2021·湖北省·单元测试)如图所示,某小型水电站通过升压变压器T1、高压输电线路和降压变压器T2将产生的电能输送给用户,水电站输出电压为400V,高压输电线总电阻为10Ω,用户端总功率为19kW,用户端电压为220V。变压器T1、T2为理想变压器,T1的匝数比n1:n2=1:5。下列说法正确的是
A. T1的输出电压为2000VB. T2的匝数比n3:n4=95:11
C. 高压输电线上的电流为5AD. 高压输电线上损失的电功率为1000W
【答案】ABD
【详解】A.根据T1的匝数比n1:n2=1:5,则:U1U2=n1n2=15,解得U2=2000V,故A正确;C.根据理想变压器的输出功率决定输入功率且相等,则有U2I2-I22R=19kW,解得I2=10A,故C错误;B.降压变压器原线圈电压:U3=U2-I2R=2000V-10×10V=1900V,故降压变压器原副线圈的匝数比为:n3n4=U3U4=1900220=9511,故B正确;D.高压输电线上损失的电功率为P损=I22R=1000W,故D正确。
14. (2023·湖北省孝感市·单元测试)如图,利用理想变压器进行远距离输电,发电厂的输出电压恒定,输电线路的电阻不变,当用电高峰到来时( )
A. 输电线上损失的功率增大
B. 电压表V1的示数减小,电流表A1的示数增大
C. 电压表V2的示数增大,电流表A2的示数减小
D. 用户消耗的功率与发电厂输出总功率的比值减小
【答案】AD
【解析】
A.当深夜用电高峰到来时,用户消耗的功率变大,则电流表A2读数变大,根据变压器的电流关系可知输电线上的电流变大,输电线上损耗的功率变大,故A正确;
B.电流表A1变大,因为发电厂的输出电压恒定,则升压变压器的次级电压不变,即电压表V1的示数不变,故B错误;
C.输电线上的电流变大,故输电线上的电压损失变大,降压变压器的初级电压减小,次级电压也减小,即电压表V2的示数减小,故C错误;
D.用户消耗的功率占发电厂输出总功率的比例P-P损P=1-I2RU2I=1-ΔUU2,因为输电线上的电流增大,则电压损失增大,U2不变,所以用户消耗的功率占发电厂输出总功率的比例减小,故D正确。
故选AD。
人教版 (2019)4 热力学第二定律精品同步达标检测题: 这是一份人教版 (2019)4 热力学第二定律精品同步达标检测题,文件包含34《热力学第二定律》分层练习原卷版-人教版高中物理选修三docx、34《热力学第二定律》分层练习解析版-人教版高中物理选修三docx等2份试卷配套教学资源,其中试卷共13页, 欢迎下载使用。
高中4 电能的输送精品课后作业题: 这是一份高中4 电能的输送精品课后作业题,文件包含34《电能的输送》分层练习原卷版-人教版物理选修二docx、34《电能的输送》分层练习解析版-人教版物理选修二docx等2份试卷配套教学资源,其中试卷共16页, 欢迎下载使用。
高中物理人教版 (2019)选择性必修 第二册1 电磁振荡优秀精练: 这是一份高中物理人教版 (2019)选择性必修 第二册1 电磁振荡优秀精练,文件包含41《振荡电路》分层练习原卷版-人教版高中物理选修二docx、41《振荡电路》分层练习解析版-人教版高中物理选修二docx等2份试卷配套教学资源,其中试卷共14页, 欢迎下载使用。

