所属成套资源:新课标沪科版初中物理九年级全一册2023年课堂同步过关测试练习
- 《连接串联电路和并联电路》同步练习2 试卷 1 次下载
- 《连接串联电路和并联电路》同步练习3 试卷 0 次下载
- 《“伏安法”测电阻》同步检测 试卷 2 次下载
- 《“伏安法”测电阻》同步练习 试卷 0 次下载
- 《“伏安法”测电阻》同步练习1 试卷 0 次下载
九年级全册第三节 连接串联电路和并联电路课后练习题
展开
这是一份九年级全册第三节 连接串联电路和并联电路课后练习题,共5页。试卷主要包含了汽车的手动刹车器等内容,欢迎下载使用。
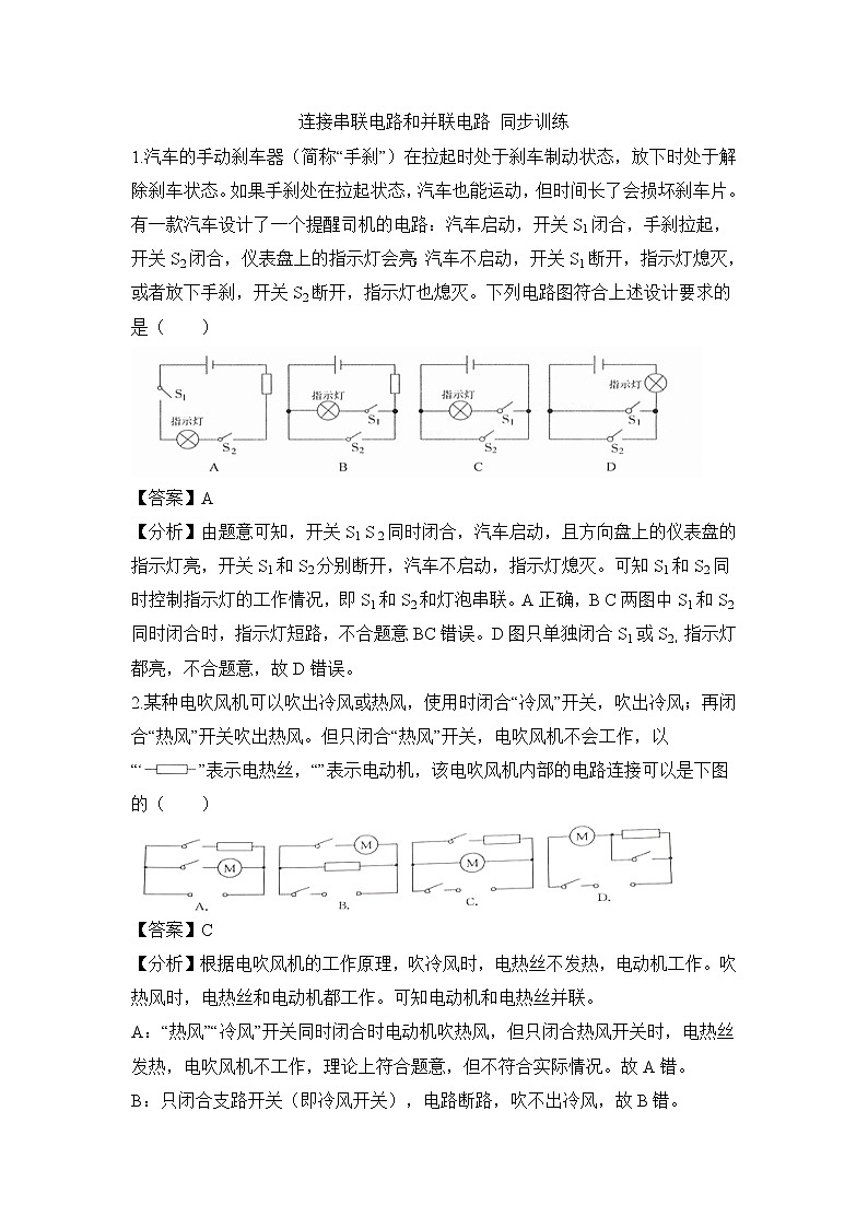
连接串联电路和并联电路 同步训练1.汽车的手动刹车器(简称“手刹”)在拉起时处于刹车制动状态,放下时处于解除刹车状态。如果手刹处在拉起状态,汽车也能运动,但时间长了会损坏刹车片。有一款汽车设计了一个提醒司机的电路:汽车启动,开关S1闭合,手刹拉起,开关S2闭合,仪表盘上的指示灯会亮;汽车不启动,开关S1断开,指示灯熄灭,或者放下手刹,开关S2断开,指示灯也熄灭。下列电路图符合上述设计要求的是( )【答案】A【分析】由题意可知,开关S1 S 2同时闭合,汽车启动,且方向盘上的仪表盘的指示灯亮,开关S1和S2分别断开,汽车不启动,指示灯熄灭。可知S1和S2同时控制指示灯的工作情况,即S1和S2和灯泡串联。A正确,B C两图中S1和S2同时闭合时,指示灯短路,不合题意BC错误。D图只单独闭合S1或S2,指示灯都亮,不合题意,故D错误。2.某种电吹风机可以吹出冷风或热风,使用时闭合“冷风”开关,吹出冷风;再闭合“热风”开关吹出热风。但只闭合“热风”开关,电吹风机不会工作,以“”表示电热丝,“”表示电动机,该电吹风机内部的电路连接可以是下图的( )【答案】C【分析】根据电吹风机的工作原理,吹冷风时,电热丝不发热,电动机工作。吹热风时,电热丝和电动机都工作。可知电动机和电热丝并联。A:“热风”“冷风”开关同时闭合时电动机吹热风,但只闭合热风开关时,电热丝发热,电吹风机不工作,理论上符合题意,但不符合实际情况。故A错。B:只闭合支路开关(即冷风开关),电路断路,吹不出冷风,故B错。C:先闭合冷风开关,电动机工作吹冷风,再闭合“热风”开关吹出热风。但只闭合热风开关,电路断路,电吹风机不工作,C正确。D:两个开关都闭合时,电热丝短路不合题意,D错误。3.某品牌的微型电脑吸尘器有两个开关,开关S1控制照明灯L和吸尘电动机M,开关S2只控制吸尘电动机M.下列电路图符合要求的是( ) A B C D【答案】B【分析】由题意可知,照明灯和吸尘电动机并联。其中S2只控制吸尘电动机M,即S2与M串联,A C错误。又因 开关S1控制照明灯L和吸尘电动机M,即S1在干路,B正确。D中S1只能控制照明灯,不合题意。D错误。4.如图所示的电蚊拍,具有灭蚊和照明等功能。当开关Sl闭合、S2断开时,只有灭蚊网通电起到灭蚊作用;当开关Sl和S2都闭合时,灭蚊网与灯都通电同时起到灭蚊和照明作用。下列电路设计符合这种要求的是( )【答案】C【分析】由题意可知,当开关Sl闭合、S2断开时,只有灭蚊网通电起到灭蚊作用,A图:当开关Sl和S2都闭合时,灭蚊网与照明灯被短路不工作。即A错误。B图:是一个串联电路,Sl,S2同时控制灭蚊网的工作。可知B错误。C图:当开关Sl闭合、S2断开时,只有灭蚊网有电流流过,灭蚊网工作起到灭蚊作用;当开关Sl和S2都闭合时,灭蚊网与灯都有电流通过,同时起到灭蚊和照明作用。满足题意故C正确。D图:当开关Sl闭合、S2断开时,照明灯工作,灭蚊网不工作,与题意不符合,D错误 5.小敏在爷爷的卧室设计了一个如图的“聪明”电路,方便爷爷。“光控开关”在光弱(晚上)时自动闭合,光强(白天)时自动断开;“声控开关”在有声时自动闭合,两分钟后自动断开,表中开关使用情况,不符合电路设计工作要求的是( ) 【答案】B【分析】由题意可知,“光控开关”在光弱(晚上)时自动闭合,光强(白天)时自动断开;“声控开关”在有声时自动闭合,两分钟后自动断开。分析选项A设计要求,白天光控开关自动断开,闭合S2断开S1时,整个电路断路,灯泡不亮。满足题意,A正确。B选项晚上光控开关自动闭合,当闭合S1断开S2时,因S2在干路上,故整个电路是断路,灯泡不亮,与题意不符B错误。C选项晚上光控开关自动闭合,当拍手时声控开关也自动闭合,灯泡在干路上,此时闭合S2断开S1,电路通路灯亮。C正确 D选项晚上光控开关自动闭合,当遇打雷时声控开关也自动闭合,灯泡在干路上, 此时闭合S1断开S2时,因S2在干路上,整个电路断路,灯泡不亮。D正确6.某档案馆的保密室进出门有下列要求:甲、乙两资料员必须同时用各自的钥匙(S甲S乙分别表示甲、乙两资料员的钥匙)使灯亮才能进入保密室;而馆长只要用自己的钥匙(S馆长表示馆长的钥匙)使灯亮就可以进入保密室。下列电路中符合上述要求的是( )【答案】C【分析】由题意可知,甲、乙两资料员必须同时用各自的钥匙S甲S乙,才能使灯亮进入保密室,可推论S甲S乙,和灯泡串联,而馆长只要用自己的钥匙S馆长就能使灯亮进入保密室,可知S馆长与灯泡串联。因S甲S乙和S馆长 都控制灯泡的亮与灭,进一步推论出灯泡在干路上,且S馆长 和S甲S乙并联在支路上,故ABD错误,C正确二设计电路7.一只玩具猫外形如图所示,猫体内有电池,猫手相当于一开关,向下压猫手,猫脸上的两个小电灯会一齐发光.把你猜想的猫体内的电路图画在方框内.【分析】:猫手相当于一个开关,向下压猫手,猫脸上的两个小电灯会一齐发光,则两个小电灯可能是并联(开关在干路中),也可能串联.见图如下: 或 8.为了防范灰太狼的入侵,聪明的喜羊羊给羊村安装了一套报警系统。要求:用细导线a,b将羊村围住,合上开关,值班室的灯亮而铃不响;当灰太狼碰断导线a,b进入羊村时,灯亮铃也响。根据题目要求画出电路图。【分析】由题意可知,无论灰太狼来与不来,开关总是处于闭合状态,当灰太狼碰断导线a,b进入羊村时,灯亮铃也响。可推出灯泡,开关和电铃串联且电路通路。当导线a,b没有被灰太狼碰断时,灯亮铃不响,可知导线a,b与电铃并联,将电铃短路。电路图如下:9.小奥署假坐火车去北京,在火车上发现车厢后面有两个厕所,只有当两个厕所的门都关上时,车厢指示灯才会发光,指示牌才会显示“厕所有人”字样,提醒旅客两个厕所都有人。请你把图中的各元件符号连接成符合上述设计要求的电路图。【分析】由题意可知,当两个厕所的门都关上了,车厢指示灯才会发光,指示牌才会显示“厕所有人”字样。故两个厕所的开关与指示灯串联。见图如下:
相关试卷
这是一份初中物理沪科版九年级全册第三节 连接串联电路和并联电路综合训练题,共5页。试卷主要包含了选择题,填空题,作图题,简答题等内容,欢迎下载使用。
这是一份沪科版九年级全册第三节 连接串联电路和并联电路课后测评,共6页。试卷主要包含了开关和用电器总是_____联的,如图3-1所示,要使灯L1等内容,欢迎下载使用。
这是一份初中沪科版第十四章 了解电路第三节 连接串联电路和并联电路当堂检测题,共8页。

