所属成套资源:【最新版】23届生物新高考二轮专题总结+练习
【最新版】23届生物新高考二轮专题总结+练习之专题10 实验与探究
展开
一、探究类
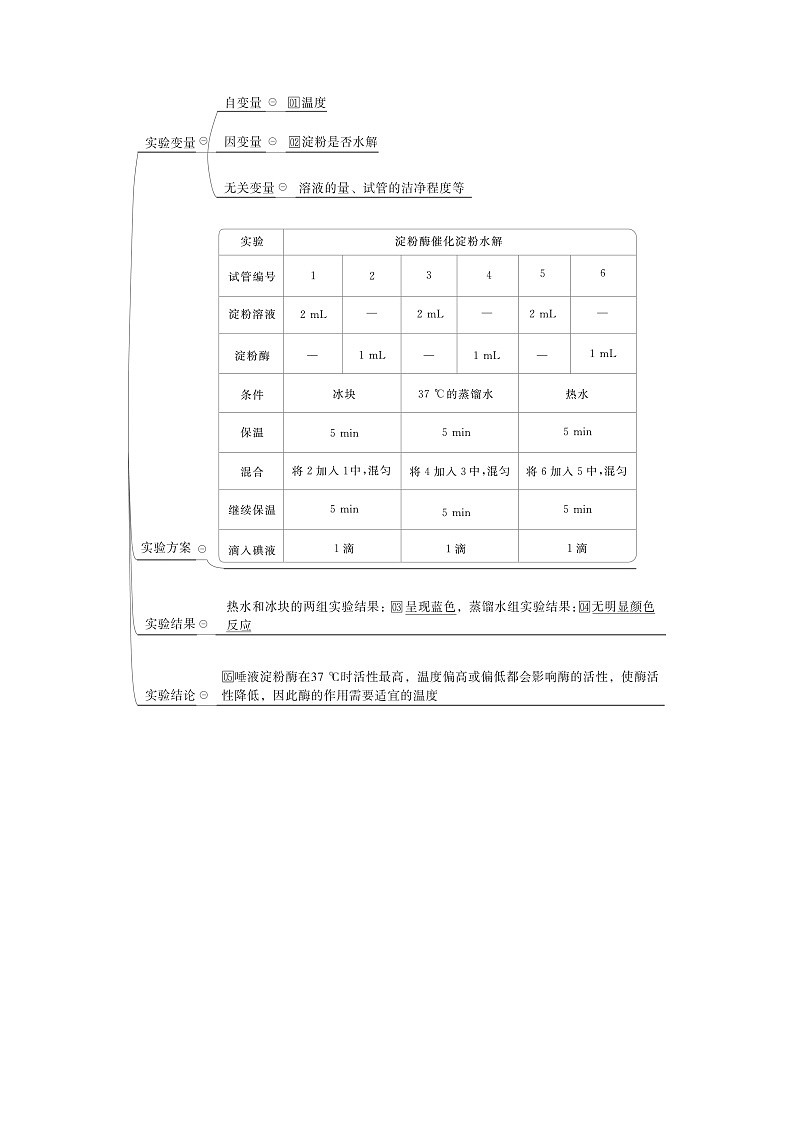
1.探究温度对酶活性的影响(以唾液淀粉酶为例)
2.探究酵母菌细胞呼吸的方式
3.探究光照强度对光合作用强度的影响
4.探究生长素类似物促进插条生根的最适浓度
5.探究培养液中酵母菌种群数量的变化
二、鉴定与提取类
1.检测生物组织中还原糖、脂肪和蛋白质
2.绿叶中色素的提取和分离
三、观察类
1.用显微镜观察多种多样的细胞
2.观察DNA、RNA在细胞中的分布
3.观察线粒体和叶绿体
4.观察植物细胞的质壁分离和复原
5.观察根尖分生组织的有丝分裂
6.观察蝗虫精母细胞减数分裂的固定装片
7.低温诱导植物染色体数目加倍
四、模拟类
1.设计并制作生态缸,观察其稳定性
2.性状分离比的模拟实验
五、调查类
1.调查常见的人类遗传病
2.用样方法调查草地中某种双子叶植物的种群密度
3.调查土壤中小动物类群丰富度
1.蔗糖、麦芽糖、果糖、淀粉等都能与斐林试剂发生反应,产生砖红色沉淀。( )
2.可以用淀粉酶探究pH对酶活性的影响,用过氧化氢酶探究温度对酶活性的影响。(必修1 P84—探究实验)( )
3.探究温度对酶活性的影响时,将酶与底物溶液在室温下混合后于不同温度下保温。( )
4.根据石灰水是否变混浊或溴麝香草酚蓝水溶液是否变黄,可以检测酵母菌培养液是否产生CO2从而判断酵母菌的呼吸方式。(必修1 P92—探究实验)( )
5.在色素的提取实验中,色素在层析液中的溶解度不同,溶解度高的随层析液在滤纸上扩散得快。(必修1 P97—实验)( )
6.在95%乙醇中加入无水Na2CO3后可利于色素的溶解。( )
7.利用纸层析法可分离4种叶绿体色素。( )
8.在低倍镜下观察蝗虫卵母细胞减数分裂固定装片,识别不同类型细胞。(必修2 P21—实验)( )
9.调查人类遗传病时,最好选取群体中发病率较高的单基因遗传病。(必修2 P91—调查)( )
10.调查人群中色盲发病率时,若只在患者家系中调查将会导致所得结果偏高。( )
11.在普通光学显微镜下紫色洋葱鳞片叶外表皮细胞中细胞核清晰可见。( )
12.在低倍镜视野的右下方观察到物像后,可直接换用高倍镜观察。( )
13.植物细胞放在0.3 g/mL的蔗糖溶液中,都能发生质壁分离现象。( )
14.可选用绿色植物任何部位的叶片进行色素的提取和分离。( )
15.向研钵中加入少量的CaCO3和少量的SiO2作用是相同的。( )
16.光照强度对光合作用强度的影响实验中,可以通过调节台灯与实验装置间的距离来调节光照强度。( )
17.探究实验中,小圆形叶片浮起的原因是叶片进行呼吸作用产生的CO2导致的。( )
18.制作细胞的有丝分裂装片时,洋葱根尖解离后直接用龙胆紫溶液染色。( )
19.开展遗传病的监测,在一定程度上能够有效地预防遗传病的产生和发展。( )
20.演示减数分裂过程中非同源染色体的自由组合,最少需要两种颜色橡皮泥制作的染色体各一条。( )
21.在性状分离比的模拟实验中,两桶内小球总数不一定要相等,但每个小桶内两种颜色的小球数目一定要相等。( )
22.经低温诱导后,在显微镜下可以看到大多数细胞的染色体数目改变。( )
23.在探究培养液中酵母菌种群数量的变化实验中,用血细胞计数板计数时,应先将培养液滴在计数室上,再轻轻盖上盖玻片。( )
答案
1.× 2.× 3.× 4.× 5.× 6.√ 7.√ 8.× 9.√ 10.√ 11.× 12.× 13.× 14.× 15.× 16.√ 17.× 18.× 19.√ 20.× 21.√ 22.× 23.×

