高中物理人教版 (2019)必修 第三册1 电路中的能量转化精品课后复习题
展开第1节 电路中的能量转化
一、单选题
1.三个电阻R1、R2、R3并联后,接入电源,每个电阻的伏—安特性曲线如图所示,则下列说法错误的是( )
A.R1>R2>R3 B.通过三个电阻的电流I1<I2<I3
C.电阻上消耗功率P1<P2<P3 D.P1∶P2∶P3=I3∶I2∶I1
2.下列说法中错误的是( )
A.额定功率大的用电器,消耗的电能一定多 B.电功率越大的用电器,电流做功越快
C.电功率小的用电器,电流做功不一定少 D.相同时间内,电流做功多的用电器电功率大
3.某品牌的电动汽车电池储能为60,充电电压为400V,充电电流为35A,充电效率为95%,该电动汽车以108的速度匀速行驶时,机械能转化效率为90%,可匀速行驶388.8,则该电动汽车( )
A.充电时间约为6h B.匀速行驶时输出的功率为10
C.匀速行驶时所受的阻力大小为500N D.匀速行驶时每秒消耗的电能为
4.把两完全相同的电阻丝串联后接在电压为U的电源上,它们在时间t内产生的热量为Q1;若把它们并联起来接在同一电源上,在相同的时间t内产生的热量为Q2,则( )
A.Q1:Q2=1:4 B.Q1:Q2=4:1 C.Q1:Q2=1:2 D.Q1:Q2=2:1
5.扫地机器人是智能家用电器的一种,它利用自身携带的小型吸尘部件进行吸尘清扫。如图所示为某品牌扫地机器人,已知其工作时额定电压为,额定功率为,充电时额定电压为,额定电流为,充电时间约为,锂电池容量为,则下列说法正确的是( )
A.电池容量是指电池储存电能的大小 B.机器人正常工作的电流为
C.机器人充满电时储存的化学能为 D.机器人充满电后一次工作时间约为
6.“抗疫”期间,关键区域用机器人运送防疫物资,从而降低了感染的风险。某机器人电动机的额定工作电压为36 V,正常工作时的额定功率为90 W,其所用锂电池的容量为5 000 mAh,当机器人工作到电池剩余容量为总容量的10%时会停止工作,然后自动充电。下列说法正确的是( )
A.机器人正常工作时的电流为0.4 A
B.机器人的内电阻为14.4 Ω
C.机器人可以连续正常工作的时间为108 min
D.机器人充满电后正常工作期间总共消耗的电能为6.48×105 J
7.如图所示,横截面都是正方形的三段导体,它们的材料和长度都相同,导体B刚好能嵌入导体A,导体C刚好能嵌入导体B,现将三段导体串联接入到同一电路中,则( )
A.导体C的电阻最大
B.导体A两端的电压最大
C.导体B消耗的电功率最大
D.三段导体在相等时间内产生的热量相等
8.风能是清洁能源,利用风力发电机可以将风能转化为电能。某风力发电机的叶片转动时可形成半径为20 m的圆面,风速垂直圆面且大小恒为10 m/s,空气密度取1.2 kg/m3,若该发电机能将此圆面内10%的空气动能转化为电能,则其发电功率约为( )
A.75 kW B.25 kW C.7.5 kW D.3.75 kW
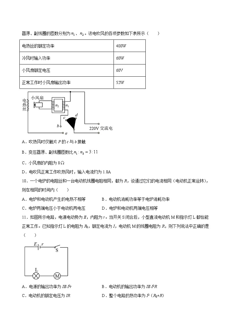
9.某品牌电吹风机内部构造电路图如图所示,a、b、c、d为四个固定触点。可动的扇形金属触片P可同时接触两个触点。触片P处于不同位置时,电吹风可处于吹冷风、吹热风、停机三种工作状态。理想变压器原、副线圈的匝数分别为、。该电吹风的各项参数如下表所示( )
电热丝的额定功率 | 400W |
冷风时输入功率 | 60W |
小风扇额定电压 | 60V |
正常工作时小风扇输出功率 | 52W |
A.吹热风时仅触片P的c与b接触
B.变压器原、副线圈匝数比
C.小风扇的内阻为8
D.电吹风正常工作吹热风时,输入电流约为1.8A
10.一个电炉的电阻丝和一台电动机线圈电阻相同,都为R,设通过它们的电流相同(电动机正常运转),则在相同的时间内( )
A.电炉和电动机产生的电热不相等 B.电动机消耗功率等于电炉消耗功率
C.电炉两端电压小于电动机两电压 D.电炉和电动机两端电压相等
11.如图所示电路,电源电动势为E,内阻为r。当开关S闭合后,小型直流电动机M和指示灯L都恰能正常工作。已知指示灯L的电阻为R0,额定电流为I,电动机M的线圈电阻为R,则下列说法中正确的是( )
A.电源的输出功率为IE-I2r B.电动机的输出功率为IE-I2R
C.电动机的额定电压为IR D.整个电路的热功率为I2(R0+R)
12.智能手机耗电量大,移动充电宝应运而生,它是能直接给移动设备充电的储能装置。机场严禁携带能量超过的充电宝搭乘飞机。某品牌充电宝的铭牌标志如图所示,其中有部分数据因磨损而显示不出。下列说法正确的是( )
产品名称:充电宝 输入: 输出1: 输出2: 电池容量: |
A.相当于使的物体升高增加的重力势能
B.该充电宝充电时输入的功率为
C.满电时输出端1、2同时输出大约能使用
D.该充电宝不能被携带乘机
13.一根长度为,横截面为正方形(边长为)的电阻丝1接在电源两端,电源电动势和内阻恒定,相同材料、质量相等、横截面为圆(直径为)的电阻丝2与电阻丝1接在同一电源上,不考虑温度对电阻率的影响,则下列说法正确的是( )
A.电阻丝2的阻值是电阻丝1的
B.电阻丝2两端的电压小于电阻丝1两端的电压
C.单独接电阻丝2时电源的输出功率比单独接电阻丝1时电源的输出功率大
D.两电阻丝分别与电源相接时在相同时间内产生的热量可能相等
14.通过电阻R的电流为I时,在t时间内产生的热量为Q,若电阻为R,电流为2I,则在时间内产生的热量为( )
A.4Q B.2Q C. D.
15.一个小型电动机加上2V电压,电动机没有转动,测得电流为1A;加上12V电压,观察到电动机转动了,则此时流过电动机的电流( )
A.小于6A B.大于6A C.等于6A D.无法确定
16.某同学用如图所示的电路进行电动机M的输出功率的研究,其实验步骤如下所述,闭合开关后,调节滑动变阻器,电动机未转动时,电压表的读数为U1,电流表的读数为I1;再调节滑动变阻器,电动机转动后电压表的读数为U2,电流表的读数为I2,则此时电动机的输出功率为( )
A. B. C. D.
17.电源、电阻箱、电压表与开关连接成如图所示的电路。闭合开关S后,当电阻箱接入电路的阻值R2.0Ω时,电压表示数为2.00V。当电阻箱接入电路的阻值R=2.0Ω时,电阻箱的热功率P为( )
A.1.0W B.1.5W C.2.0W D.2.5W
二、多选题
18.如图所示,一直流电动机与阻值R=9Ω的电阻串联在电源上,电源的电动势E=10V,内阻r=1Ω。闭合开关,电动机正常工作时,用理想电压表测出电动机两端电压U=5V,已知电动机线圈的电阻RM=1Ω,则下列说法中正确的是 ( )
A.通过电动机的电流为 B.电阻R的电压为4.5V
C.电源的输出功率为5W D.电动机的输出功率为2.25W
19.如图是某款新能源汽车铭牌上的部分内容,该车充电器的充电效率为90%,从没电充到额定容量的80%,正常充电需要8h,快充状态下仅需0.8h。下列说法正确的是( )
A.充80%的电需要消耗约60kWh的电能
B.汽车行驶时,电池的化学能全部转化为机械能
C.快充时的电功率为正常充电时电功率的10倍
D.汽车在水平面加速时,若实际功率保持不变,则加速度减小
20.下表列出了某品牌电动自行车及所用电动机的主要技术参数。若该车在额定状态下以最大速度行驶,不计自行车自身的机械损耗,则( )
自重 | 40kg | 额定电压 | 36V |
载重 | 75kg | 额定电流 | 12A |
最大行驶速度 | 20km/h | 额定输出功率 | 300W |
A.电动机的输入功率为432W B.电动机的内电阻约等于2Ω
C.该车获得的牵引力约为78N D.该车受到的阻力约为54N
21.电动汽车由于节能环保的重要优势,越来越被大家认可。电动汽车储能部件是由多个蓄电池串联叠置组成的电池组,如图所示。某品牌电动小轿车蓄电池的数据如下表所示。下列说法正确的是( )
电池只数 | 输入电压 | 充电参数 | 放电时平均电压/只 | 电池容量/只 |
100只 | 交流220 V | 420V,20A | 3.3V | 120Ah |
A.电池容量的单位Ah就是能量单位 B.电池容量的单位Ah就是电量单位
C.该电池组充电时的功率为8.4kW D.该电池组充满电所储存的能量约为1.4×108J
22.家用灯暖型浴霸的电路如图所示,其中照明灯额定电压为、额定功率为;四只相同的取暖灯额定电压均为、额定功率均为;排气扇电机的内阻为。当将浴霸接入的交流电路中时,闭合全部开关后各用电器均正常工作,此时通过保险丝的电流为8.6A。以下判断中正确的是( )
A.交流电的频率为
B.排气扇电机的输出功率为
C.闭合全部开关,浴霸的总功率为
D.只闭合、,通过保险丝的电流为
23.目前,一般情况下很多用电器工作过程都使用小型的电动机,然而较长时间不更换和清洗电动机,电动机的内阻会变大。某直流电动机工作的电路简图如图所示,电动机内阻为3,保护电阻R0=2,电源电动势为10V、内阻为1,流表内阻不计,当电动机正常工作时,电的输出电压为9V,下列说法正确的是( )
A.电流表的示数为1.8A
B.电流表的示数为1A
C.电动机的发热功率为3W
D.长时间工作后,电流表的示数将变大
24.某电动车总质量为,若它匀速前进用时,该过程中驱动电机的输入电流,电压为,电动车行驶时所受阻力为车总重力的,重力加速度取,机械效率是输出功率占输入功率的百分比。不考虑其他损耗,下列说法正确的是( )
A.驱动电机的输入功率为 B.电动车的机械功率为
C.驱动电机的内阻为 D.驱动电机的机械效率为85%
25.如图所示是某电吹风的简化电路图,它主要由电动机M和电热丝R构成。调节开关S1、S2的通断,可使电动机驱动风叶旋转,将冷空气从进风口吸入,从出风口吹出冷风或热风。已知电吹风的额定电压为220 V,吹冷风时的功率为100 W,吹热风时的功率为1200 W。关于该电吹风,下列说法正确的是( )
A.当开关S1、S2均闭合时,电吹风吹出冷风
B.电动机的内阻为484Ω
C.电热丝的电阻为44Ω
D.正常工作吹冷风时,电动机每分钟消耗的电能为6000J
26.某同学在研究微型直流电动机的性能时,采用如图所示的实验电路。闭合开关,并调节滑动变阻器R的阻值,使电动机不转动,此时电流表和电压表的示数分别为I1和U1;重新调节R的阻值,使电动机正常运转,此时电流表和电压表的示数分别为I2和U2。则下列说法正确的是(电表均可视为理想电表)( )
A.这台电动机的线圈电阻为
B.这台电动机正常运转时线圈的发热功率为
C.电源的内阻为
D.这台电动机正常运转时的输出功率为
27.电动机是把电能转化成机械能的一种设备,在工农业、交通运输、国防及家电、医疗领域广泛应用。图示表格是某品牌电动机铭牌的部分参数,据此信息,下列说法中不正确的是( )
型号 | 额定电压 | 220V | |
额定功率 | 1100W | 额定转速 | |
频率 | 50Hz | 效率 |
A.该电动机的额定电流为5A
B.该电动机的输出功率为110W
C.该电动机的线圈电阻为
D.该电动机正常工作时每分钟对外做的功为
高中物理人教版 (2019)必修 第三册1 电路中的能量转化优秀测试题: 这是一份高中物理人教版 (2019)必修 第三册1 电路中的能量转化优秀测试题,文件包含第1节电路中的能量转化分层作业原卷版docx、第1节电路中的能量转化分层作业解析版docx等2份试卷配套教学资源,其中试卷共39页, 欢迎下载使用。
人教版 (2019)必修 第三册1 电路中的能量转化优秀精练: 这是一份人教版 (2019)必修 第三册1 电路中的能量转化优秀精练,文件包含同步讲义人教版2019高中物理必修三121电路中的能量转化讲义学生版docx、同步讲义人教版2019高中物理必修三121电路中的能量转化讲义教师版docx等2份试卷配套教学资源,其中试卷共34页, 欢迎下载使用。
物理必修 第三册1 磁场 磁感线巩固练习: 这是一份物理必修 第三册1 磁场 磁感线巩固练习,文件包含人教版2019高中物理必修三131磁场磁感线同步练习详解doc、人教版2019高中物理必修三131磁场磁感线同步练习习题doc等2份试卷配套教学资源,其中试卷共29页, 欢迎下载使用。

