中考物理专项突破——电学实验通用版
展开
这是一份中考物理专项突破——电学实验通用版,共13页。试卷主要包含了探究电流与电阻的关系等内容,欢迎下载使用。
中考物理二轮复习专题突破——电学实验
一.串并联电路电流和电压规律
1.同学们在“探究串联电路电压的规律”的实验中,设计了如图甲所示的电路。
UAB/V
UBC/V
UAC/V
1.5
1.5
3
(1)连接电路时,开关应处于 (选填“断开”或“闭合”)状态。连接电路时,小丽发现电压表指针如图乙所示,分析出现这种现象的原因是 。
(2)小丽根据图甲连接好电路,闭合开关后,发现两灯不亮,且电压表示数为零,若只有L1或L2中的一处发生故障,则故障是 。
(3)排除故障后,小丽完成了实验,并把数据记录在表中。分析实验数据得出两个实验结论:①串联电路两端的总电压 (选填“大于”“小于”或“等于”)各部分元件两端电压之和;②串联电路中,各部分元件两端的电压相等。
(4)实验结束后小丽和小华互相交流,小华指出结论②是错误的,造成结论错误的原因是选用了 做实验,改进的方法是应 ,进行多次实验。进行多次实验的目的是 。
(5)小丽和小华还进行了深入交流,为了节省时间,利用原来的电路图,在测L2两端的电压时,电压表所接的B接点不动,只断开A接点,并把接线改接到C接点上,这个方法 (选填“能”或“不能”)测出L2两端的电压,理由是 。
2.如图是“探究串联电路电流特点”的实验电路图:
电流表的位置
A
B
C
电流I/A
0.3
0.3
1.5
(1)连接电路时,开关应 (选填“闭合”或“断开”)。
(2)闭合开关后,发现电流表指针向“0”刻度的左侧偏转,这是因为 。
(3)上表是某同学实验中的一组数据,其中明显错误的是在位置 (选填“A”、“B”、“C”)所测的电流值。
(4)实验中某同学发现两个串联的小灯泡中,一个发光,一个不发光。造成这个灯泡不发光的原因可能是 。
A.小灯泡的灯丝断了B.灯丝的电阻较小C.小灯泡靠近负极
(5)为了使实验结论更具科学性,请你提出合理化建议(1条即可): 。
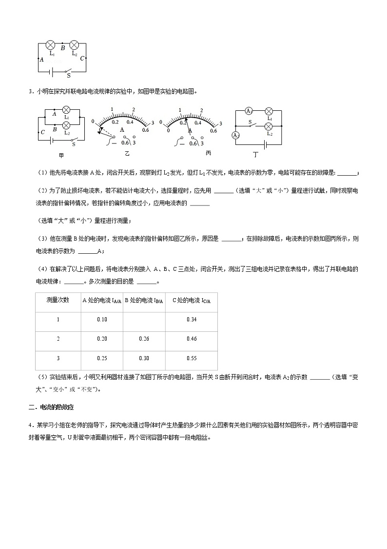
3.小明在探究并联电路电流规律的实验中,如图甲是实验的电路图。
(1)他先将电流表接A处,闭合开关后,观察到灯L2发光,但灯L1不发光,电流表的示数为零,电路可能存在的故障是: ;
(2)为了防止损坏电流表,若不能估计电流大小,选择量程时,应先用 (选填“大”或“小”)量程进行试触,同时观察电流表的指针偏转情况,若指针的偏转角度过小,应用电流表的
(选填“大”或“小”)量程进行测量;
(3)他在测量B处的电流时,发现电流表的指针偏转如图乙所示,原因是 ;在排除故障后,电流表的示数如图丙所示,则电流表的示数为 A;
(4)在解决了以上问题后,将电流表分别接入 A、B、C三点处,闭合开关,测出了三组电流并记录在表格中,得出了并联电路的电流规律: 。多次测量的目的是 。
测量次数
A处的电流IA/A
B处的电流IB/A
C处的电流IC/A
1
0.10
0.34
2
0.20
0.26
0.46
3
0.25
0.30
0.55
(5) 实验结束后,小明又利用器材连接了如图丁所示的电路图,当开关S由断开到闭合时,电流表A2的示数 (选填“变大”、“变小”或“不变”)。
二. 电流的热效应
4.某学习小组在老师的指导下,探究电流通过导体时产生热量的多少跟什么因素有关他们用的实验器材如图所示,两个透明容器中密封着等量空气,U形管中液面最初相平,两个密闭容器中都有一段电阻丝。
(1)请你用笔画线代替导线,把图甲中两个容器内的电阻丝连接到电路中;
(2)实验中通过观察液面高度的变化来比较电流通过导体产生热量的多少,这种方法叫 ;
(3)接好电路,闭合开关,通电一段时间后, (填“左”或“右”)侧U形管中液面高度变化大,此实验现象表明,在电流和通电时间均相同的情况下, 越大,所产生的热量越多;
(4)让两个密闭容器中的电阻一样大,在其中一个容器的外部将一个相同阻值的电阻和这个容器内的电阻并联(如图乙所示).移走图甲中的电阻,换接图乙中的电阻到电路中,重新做这个实验,此时通过两容器中电阻的电流不同,在通电时间相同的情况下,观察U形管中液面高度变化,由此得到的结论是 ;
(5)如果热量用Q表示,电流用I表示电阻用R表示,时间用t表示,则Q= ;
[拓展]若将乙图中右侧两个电阻并联后﹣并放入容器内,相同时间内,U形管左右液面高度变化之比为 (不考虑热量损失)。
5.为探究电流通过电阻丝产生的热量与电阻的关系,并测出标签污损的电阻丝R2的阻值,在两个相同的锥形瓶内装入等质量的煤油,设计的电路图如图甲。
(1)开关闭合后,电压表有示数,但电流表无示数,电路故障是 。
(2)排除故障后,调节滑动变阻器的滑片P得到电表示数如图乙所示,则电流表的示数为 A,R2的阻值为 Ω,一段时间后,观察到电阻丝 所在锥形瓶中的温度计示数升高得比较多。
6.电炉丝正常工作时,导线和电炉丝通过的电流相同,但电炉丝热得发红,而导线却几乎不发热。为探究其原因,小乐设计了如图所示的实验电路,其中R1>R2。
(1)用笔画线替代导线将实物电路连接完整,要求向左移动滑片时电流表示数变大。
(2)实验中用到的煤油是 (填“导体”或“绝缘体”),通过观察 (选填“加热时间”或“温度计示数的变化”)来反映电阻丝产生热量的多少。
(3)由实验可知,电炉丝热得发红而导线却几乎不热的原因在于:电炉丝和导线 联,电流和通电时间相同,电炉丝的 ,电流产生的热量越多。
三.探究电流、电压、电阻关系
7.在“探究电流和电阻关系”实验中,提供器材有电源(恒为4.5V),定值电阻R1(5Ω)、R2(10Ω)、R3(15Ω)、R4(20Ω)、R5(25Ω),滑动变阻器R'“50Ω 1A”、电压表(0~3V、0~15V)、电流表(0~0.6A)、开关、导线若干。小明设计了如图甲所示的电路进行实验。
(1)连接电路时,开关应处于 状态;
(2)根据图甲中的电路图,连接实物图,使滑动变阻器的滑片P应位于右端时接入电路中阻值最大。
(3)电路连接完毕,闭合开关S,发现电流表有示数、电压表无示数,若电路故障只出现在R1和R'上,则电路故障是 ;排除电路故障后,闭合开关并调节滑片P,使电压表的示数为2.5V,此时电流表示数如图乙所示,为 A;
(4)分别用定值电阻R2、R3、R4、R5依次替换R1,重复实验,并绘制出I﹣R图象如图丙所示,由图象可得出的结论是 ;
(5)为完成该实验探究,滑动变阻器连入电路的最小阻值为 Ω;
(6)以现有的实验器材实验,定值电阻两端的预设电压可取的最小值为 V。
8.探究电流与电阻的关系:
用如图甲所示的电路“探究电流与电阻的关系”,电源电压为6V,滑动变阻器规格为“20Ω,1A”,有5Ω、10Ω、15Ω的定值电阻各一个。
(1)请你将实验电路连接完整。连接电路时,开关应 。
(2)将5Ω的电阻接入电路,闭合开关,移动滑片P发现电压表有示数,电流表始终无示数,其原因可能是定值电阻 (选填“断路”或“短路”);
(3)排除故障后,使电压表示数为U1,电流表示数如图乙,此时电流为 A,电压表示数为 V。
(4)将5Ω的电阻分别换成10Ω、15Ω的电阻,继续实验。发现当定值电阻为15Ω时,无法完成实验。为了让15Ω的电阻也能完成实验,请你提出一个可行的实验方案: 。
9.小佳和小宁两位同学在“探究电流与电压的关系”的实验中,电源使用两节新干电池,滑动变阻器的规格是“20Ω 1A”。
(1)如图甲所示是小佳画出的电路图,小宁进行实物连接如图乙所示,请你在虚线框内把电路图补画完整(要求所补画的元件与实物电路对应)。
(2)小宁刚接上最后一根导线,就发现电流表立即有示数,其操作不当之: 。
(3)确认电路无误后,闭合开关进行实验,第4次实验时电流表示数为0.5A,电压表示数如图丙所示,记为 V;他们记录的数据如表所示,老师指出其中一组数据有拼凑的嫌疑,你认为是第 组(填写实验序号),理由是 。
实验序号
①
②
③
④
电压/V
0.5
1.2
1.8
电流/A
0.10
0.24
0.34
0.5
(4)排除有拼凑嫌疑的数据后,分析数据可以得到的结论是:在 不变时,通过导体的电流与导体两端的电压成 比。
(5)小佳利用实验数据计算出定值电阻R的阻值为 Ω。
(6)以下实验与“探究电流与电压的关系”进行多次测量目的相同的是 。
A.探究重力与质量的关系
B.测量定值电阻的阻值
C.用刻度尺测物体的长度
四.测电阻
10.小明做“伏安法测量电阻“的实验,所用的器材有:电压为3V的电源,待测电阻Rx,以及符合实验要求的滑动变阻器、电流表、电压表、导线和开关。
图(甲)是没有连接完整的实物电路。
(1)闭合开关前,经检查发现电路有一根导线连接错误,请你在图中错误的连线上画“×”并用笔画线代替导线将电路连接正确。
(2)连好电路闭合开关前,应将滑动变阻器滑片P置于 端(选填“最左”或“最右”)。
(3)连接完电路后,闭合开关,无论怎样移动滑片电流表指针均无偏转,电压表的指针有明显的偏转,这可能是由于 断路造成的。
(4)排除故障后进行实验,当电压表示数为2.4V时电流表的示数如图(乙)所示,这时电流为 A,他们利用此组数据即得出该待测电阻Rx的阻值,结束了实验。你认为他们这种做法有何不妥? 。
次数
1
2
3
4
5
1.0
1.6
2.0
2.4
3
0.12
0.18
0.22
0.26
0.32
(5)另一组的小红在测量未知电阻时,将电压表和电流表的示数记录在表格内,分析数据时她很困惑,请你帮她找到数据中问题的原因: 。
11.小明同学进行“伏安法测电阻”的实验,实物图如图甲所示。
(1)请你用笔画线代替导线,将图甲中电路连接完整,导线不得交叉。
(2)闭合开关前,滑动变阻器的滑片应滑到最 端,闭合开关后。发现电压表无示数,电流表有示数,移动滑动变阻器的滑片时,电流表的示数发生变化,则故障原因可能是 。
(3)排除故障后,某次实验中,移动滑片使电压表示数为2.4V,此时电流表的指针位置如图乙所示,则电流表的示数为 A,本次测得Rx的阻值为 Ω。
(4)上述实验结束后,小明同学又设计了图丙所示的电路,只用一个电流表测量额定电流I额=0.2A小灯泡正常发光时的电阻。已知滑动变阻器的最大阻值R=50Ω,电源电压未知,测量过程如下:
①移动滑动变阻器的滑片使其连入阻值为最大,闭合开关S2,断开开关S1,并记下电流表的示数为I1=0.12A;
② ,移动滑动变阻器的滑片使电流表的示数为0.2A;
③闭合开关S2,断开开关S1,滑片位置 ,记下电流表的示数为I2=0.5A;
④小灯泡正常发光时的阻值为 Ω。
12.在测电阻的实验中,电源电压为3V,滑动变阻器规格为“10Ω,1A”。
(1)在图甲中用笔画线代替导线将实验电路连接完整。(要求滑片向左移动电流变大)
(2)电路连接正确后,当电压表示数为2.8V时,电流表的示数如图乙所示为 A;
(3)实验中,突然发生“电流表无示数,电压表有示数,且示数接近3V”的实验故障,其发生的原因是 .
(4)分析表中数据发现实验序号 的数据不是本实验测得的,根据正确的数据可知待测电阻阻值为 Ω。(结果保留1位小数)
实验序号
电压表示数U/V
电流表示数I/A
电阻R/Ω
1
0.9
0.10
2
1.5
0.16
3
2.0
0.20
4
2.8
(5)若该实验电源电压未知且恒定不变,因缺少电压表,小组同学设计一种方案,电路如图丙所示,R0为阻值已知的定值电阻,也测出了Rx的阻值。
测量步骤如下:①当开关S1闭合、S2断开时;电流表读数为I1;
② ;电流表读数为I2;
③待测电阻Rx= 。(用已知和测出的物理量符号表示)
13.小明做“测小灯泡电阻”的实验时,所用器材有电压为6V的电源,额定电压为2.5V的小灯泡,以及符合实验要求的滑动变阻器、电压表、电流表、开关和导线。
(1)在图甲中请你用笔画线代替导线,将实验电路连接完整;
(2)小明连接好最后一根导线,灯泡立即发出明亮耀眼的光并很快熄灭。检查后,发现连线正确,请你找出实验中两个操作可能不当之处:
① ;
② ;
(3)改正(2)的错误,在实验开始前应将滑动变阻器的滑片先调到甲图所示的最 端(选填“左”或“右”)。
(4)小明根据实验数据绘制了如图乙所示的U﹣I图象,根据图象提供的信息,小灯泡正常工作时的电阻约为 Ω;
(5)小明根据图乙计算出灯泡在不同电压下的电阻,发现所测小灯泡的电阻值相差较大,原因可能是由于 引起。(填序号)
A.实验误差
B.灯泡电阻受温度影响
(6)完成上述实验后,小明进一步思考,只用一只仪表结合已知最大阻值为R滑的滑动变阻器,在不超过2.5V恒定的电源电压下,不考虑温度对电阻的影响,能否测出小灯泡的阻值呢?于是他设计了两种情况的电路如图丙、丁所示。其步骤如下:
A.在丙图中将滑动变阻器滑片滑到a端,记下电压表示数Ua,再滑到b端记下电压表示数Ub。
B.小明通过这两个数据和R滑可计算出灯泡电阻R灯1,其表达式为R灯1= ;
C.在丁图中将滑动变阻器滑片滑到a端,记下电流表示数Ia,再滑到b端记下电流表示数Ib。
D.小明通过这两个数据和R滑也可计算出灯泡的电阻R灯2其表达式为R灯2= 。
14.如图所示,同学们在实验室测两个阻值未知的定值电阻R1、R2的阻值,使用的电源为两节新干电池。
(1)图甲是小明测量R1阻值的部分实物图;
①用一根导线将电路连接完整(要求滑动变阻器的滑片P向右移时电阻增大;连线不交叉);
②闭合开关前,滑动变阻器的滑片P滑到B端;
③闭合开关,移动滑片P、发现电压表有示数,电流表无示数,故障可能是导线 (填“a”、“b”或“c”)内部断路;
④排除故障后,闭合开关,移动滑片P,当电压表示数为1.2V时,电流表示数如图乙所示,则R1= Ω;
(2)小华设计了图丙所示的电路测R2的阻值,其中R0是电阻箱(阻值可调、可读),并完成了实验:
①只闭合开关S1、S3,移动滑动变阻器的滑片,使电压表指针指在合适位置,读出电压表读数为1V;
②只闭合开关 ,保持滑动变阻器的滑片位置不变,调节电阻箱使电压表示数为 V,读出电阻箱的读数为65Ω,则R2= Ω。
【拓展】若步骤②中,不小心将滑片向左移动了少许,使滑动变阻器接入的电阻增加了2Ω,其它操作正确,则小华测得R2的阻值为 Ω。
五.测量小灯泡电功率
15.小张用两节干电池测小灯泡的电功率,电路如图甲所示,小灯泡额定电压为2.5V,电阻约10Ω,滑动变阻器规格为“20Ω 1A”。
(1)用笔画线代替导线,连接完整图甲所示的实物电路。
(2)连接电路时开关应 (选填“断开”或“闭合”)。
(3)闭合开关前,图甲中滑动变阻器的滑片P应位于 (选填“A”或“B”)端。
(4)小张连接好实验电路,检查连接无误后,闭合开关,却发现灯泡不发光,电流表无示数,电压表示数为3V,可能发生的故障是 。
A.滑动变阻器处断路
B.灯座接线短路
C.小灯泡的灯丝断了
D.开关接触不良
(5)排除故障后,闭合开关,移动滑片P至电压表的示数如图乙所示,其读数为 V。当滑动变阻器的滑片P向B端移动时,滑动变阻器两端的电压 (选填“增大”或“减小”)。
(6)改变滑片P的位置,获得多组对应的电压、电流值,绘制得如图丙所示的I﹣U图像,根据图像比较小灯泡的电阻值,你有什么发现?把你的发现写成一句具有概括性的结论: 。
(7)小灯泡的额定功率是 W。
16.小明设计如图甲所示的电路图,用来测定额定电压为“2.5V”小灯泡的电功率。各元件都完好,电源电压保持不变。
(1)请用笔画线代替导线,完成如图甲实物电路的连接。(要求:连线不要交叉)
(2)电路调整正确后,闭合开关,移动滑动变阻器的滑片,当观察到 时,表明小灯泡正常发光,并记录电流表的示数。
(3)小张设计了如图乙所示的电路也完成了“测量小灯泡额定功率”的实验(电源电压不变,R阻值已知,小灯泡的额定电压为U额)。
①闭合开关S和S1,断开S2,并调节滑动变阻器的滑片使电压表示数为 。
②闭合开关S和S2,断开S1,保持滑动变阻器滑片P不动,读出此时电压表示数为U,小灯泡额定功率的表达式P额= 。(用U额、R、U表示)
17.在“测量小灯泡的电功率”的实验中小灯泡的额定电流为0.3A,灯丝阻值大约为12Ω。所提供的器材有:电流表、电压表、电源(新干电池3节)、开关各一个,滑动变阻器(20Ω 1A)一个,导线若干。
(1)如图甲所示是小琴没有连接完的实物电路,请用笔画线代替导线将实物图补充完整;
(2)闭合开关前甲图中的滑片P应位于 (选填“A”或“B”)端;闭合开关后无论怎样移动变阻器滑片P,发现电压表和电流表都有较小示数,但始终不发生变化,原因可能是 ;
(3)排除故障,闭合开关,移动滑片,当电流表的示数为0.3A时,电压表的示数如图乙所示,读数为 V,小灯泡的额定功率为 W;
(4)小红没用电压表,但多用了一个开关,其他器材与小琴的相同,也测出了另一个额定电流为I的小灯泡额定功率。她设计了如图丙所示的电路图,请你帮她完成实验步骤并写出额定功率的表达式。实验步骤:
①按图连接电路,然后只闭合开关S1,移动滑片P,使电流表的示数为I;
②再闭合开关S2, ;
③小灯泡的额定功率的表达式:P额= 。
(可能用到的物理量:电源电压U;额定电流I和测出的物理量)
(5)小英利用该电路探究电流跟电阻的关系,她将小灯泡换成多个定值电阻R,保持电压表示数始终为2V,多次更换阻值不同的定值电阻R,并记录各次电流表的示数,若不更换其他器材,为了能够完成实验。更换的电阻阻值不能够大于 Ω。
中考物理二轮复习专题突破——电学实验
参考答案
一.串并联电路电流和电压规律
1.断开; 电压表没有调零; L2断路; 等于; 相同规格的灯泡; 换用不同规格的灯泡; 寻找普遍规律; 不能; 电压表的正负接线柱接反了;
2.断开; 电流表正负接线柱接反了; C; B; 应换用不同规格的小灯泡多次实验;
3.L1断路; 大; 小; 电流表正负接线柱接反了; 0.24; 并联电路中,干路电流等于各支路电流之和; 避免实验偶然性,得到普遍规律; 变大;
二.电流的热效应
4.转换法; 右; 电阻; 在电阻和时间相同的情况下,电流越大,产生的热量越多; I2Rt; 2:1; 5.R2断路; 0.50; 16; R2; 6.绝缘体; 温度计示数的变化; 串; 电阻大;
三.探究电流、电压、电阻关系
7.断开; 定值电阻R1短路; 0.5; 在导体两端电压一定时,通过导体的电流与导体的电阻成反比; 4; 1.5;
8.断开; 断路; 0.4; 2; 可以在电路中串联一个10Ω的电阻来完成实验;
9.连接电路时开关没有断开; 2.5; ①; 电路的最小电流为0.12A; 电阻; 正; 5.1; A;
四.测电阻
10.最右; 待测电阻Rx; 0.3; 实验次数较少应多次实验求平均值减小误差; 电流表使用前没有校零;
11.右; 电阻Rx短路(或电压表短路,或电压表断路); 0.16; 15; 闭合开关S1,断开开关S2; 不变; 18;
12.0.28; 电阻R断路; 1; 9.8; 当开关S1、S2都闭合时; I2−I1I1•R0;
13.连接电路时开关没有断开; 闭合开关前,滑动变阻器滑片没有置于阻值最大处; 左; 12.5; B; UbR滑Ua−Ub; IbR滑Ia−Ib;14.b; 5; S1、S2; 1; 65; 66;
五.测小灯泡电功率
15.断开; A; C; 2.2; 减小; 灯泡的电阻随温度变化而变化; 0.5; 16.电压表示数为2.5V; U额; U额×U−U额R; 17.B; 滑动变阻器接下面两个接线柱;3.5;1.05;不移动滑片P位置,记下电流表示数为I'; II′−I2I′•U; 16;
相关试卷
这是一份中考物理一轮复习突破练习专项17 电学探究性实验专练(含解析),共42页。试卷主要包含了探究并联电路的电流规律等内容,欢迎下载使用。
这是一份【中考物理】2022-2023学年第二轮专项复习练习—电学实验(突破篇)含解析,共18页。
这是一份初中物理中考复习专项突破——教材探究实验通用版,共44页。

