初中物理中考复习专项突破——教材探究实验通用版
展开
这是一份初中物理中考复习专项突破——教材探究实验通用版,共44页。
中考二轮复习专项突破——教材探究实验
声学实验
1.如图所示,将塑料刻度尺的一端紧压在桌面上,另一端伸出桌面,拨动刻度尺使之振动,听塑料尺振动时发出的声音。
(1)实验通过改变 来改变声音的响度,通过改变 来改变声音的音调。
(2)换用钢尺做此实验,钢尺伸出桌面的长度、振动幅度和频率与塑料尺均相同时,听到声音的主要差异是 (选填“响度”、“音调”或“音色”)不同.
(3)实验设计隐含的物理方法是比较法和 法。
(4)实验中当刻度尺伸出桌面的部分超过一定长度时,无论如何用力拨动也听不到声音.原因是 。
2.小红做了几个与声音有关的实验,如图所示,这些实验说明了:
(1)发声的扬声器旁的烛焰晃动,说明声音可以传递 。
(2)不能听到真空罩闹钟的闹铃声,说明 。
(3)发声的音叉将乒乓球弹开,说明 。
(4)8个相同的玻璃瓶装不同高度的水,敲击它时发出声音的 不同。
热学实验
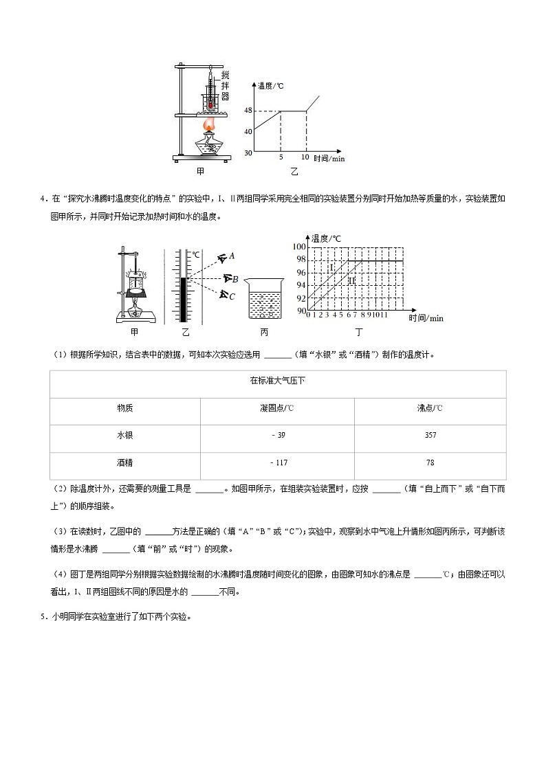
3.学习小组的同学用如图甲所示的装置探究某种晶体熔化时温度变化的规律。
(1)如图甲的器材组装有一不当之处是 。实验中用水来加热晶体的目的是 ,但仅限于这种晶体的熔点 水的沸点。
(2)待温度升高到40℃开始,每隔1min记录一次温度计的示数,根据记录的数据得到如图乙的图象,熔化经历了 min,该物质在固态时的比热容 液态时的比热容,同等条件下该物质吸收热量3分钟,固态时吸收的热量 液态时吸收的热量。
4.在“探究水沸腾时温度变化的特点”的实验中,I、Ⅱ两组同学采用完全相同的实验装置分别同时开始加热等质量的水,实验装置如图甲所示,并同时开始记录加热时间和水的温度。
(1)根据所学知识,结合表中的数据,可知本次实验应选用 (填“水银”或“酒精”)制作的温度计。
在标准大气压下
物质
凝固点/℃
沸点/℃
水银
﹣39
357
酒精
﹣117
78
(2)除温度计外,还需要的测量工具是 。如图甲所示,在组装实验装置时,应按 (填“自上而下”或“自下而上”)的顺序组装。
(3)在读数时,乙图中的 方法是正确的(填“A”“B”或“C”);实验中,观察到水中气泡上升情形如图丙所示,可判断该情形是水沸腾 (填“前”或“时”)的现象。
(4)图丁是两组同学分别根据实验数据绘制的水沸腾时温度随时间变化的图象,由图象可知水的沸点是 ℃;由图象还可以看出,I、Ⅱ两组图线不同的原因是水的 不同。
5.小明同学在实验室进行了如下两个实验。
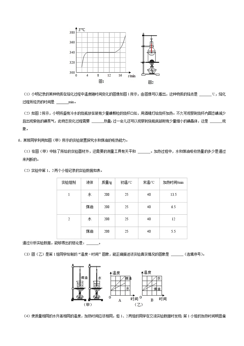
(1)小明记录的某种物质在熔化过程中温度随时间变化的图像如图1所示,由图像可以看出,这种物质的熔点是 ℃,熔化过程所经历的时间是 min。
(2)如图2所示,小明将盛有冷水的烧瓶放在装有少量碘颗粒的烧杯口处,用酒精灯给烧杯加热。不久可观察到烧杯内固态碘减少且出现紫色的碘蒸气,此物态变化过程需要 热量;过一会儿还可以观察到烧瓶底部附有少量细小的碘晶体,这是 现象。
6.某班同学利用如图(甲)所示的实验装置探究水和煤油的吸热能力。
(1)在图(甲)中除了所给的实验器材外,还需要的测量工具有天平和 。加热过程中,水和煤油吸收热量的多少是通过 来判断的。
(2)实验中第1、2两个小组记录的实验数据如表。
实验组别
液体
质量/g
初温/℃
末温/℃
加热时间/min
1
水
200
25
40
13.5
煤油
200
25
40
6.5
2
水
200
25
40
12
煤油
200
25
40
5.5
通过分析实验数据,能够得出的结论是: 。
(3)图(乙)是第1组同学绘制的“温度﹣时间”图象,能正确描述该实验真实情况的图象是 (选填序号)。
(4)使质量相同的水升高相同的温度,加热时间应该相同,但1、2两组的同学在交流实验数据时发现:第1小组的加热时间明显偏长,其原因可能是 。
7.如图所示,甲、乙、丙三图中的装置完全相同,燃料的质量都是10g,烧杯内的液体质量和初温也相同。
(1)比较不同燃料的热值,应选择 两图进行实验,燃料完全燃烧放出的热量,是通过 来反映的(选填“温度计上升示数”或“加热时间”);
(2)比较不同物质吸热特点:
①应选择 两图进行实验;
②不同物质吸热的多少是通过 来反映的(选填“温度计上升示数”或“加热时间”);
(3)若图甲烧杯中为50mL的水,若200mg酒精完全燃烧放出的热量全部被水吸收时,温度计示数升高了20℃,水的比热容为4.2×103J/(kg•℃),则酒精的热值 J/kg.
光学实验
8.在“探究平面镜成像的特点”实验中:
(1)除图甲提供的器材外,实验中还用到一种测量距离的工具,它是 。
(2)为了便于观察,该实验最好在较 (选填“明亮”或“黑暗”)的环境中进行。
(3)实验时,用透明 (选填“薄”或“厚”)玻璃板代替平面镜,目的是 。
(4)为了比较像与物的大小关系,需要选用两根大小 (选填“相同”或“不同”)的蜡烛。
(5)为了得到像和物到平面镜的距离关系,需要将镜前蜡烛放在 (选填“同一”或“不同”)位置进行多次实验。
(6)实验中将点燃的蜡烛A放在玻璃板前,然后将未点燃的蜡烛B放在玻璃板后面并移动,直到蜡烛B与蜡烛A的像完全重合,此实验现象说明像与物大小 。
(7)将蜡烛B拿走,然后在蜡烛B的位置上放一张白纸,在白纸上 (选填“能”或“不能”)看到蜡烛A的像。说明平面镜所成的像是 (选填“实”或“虚”)像。
9.为了探究光的反射规律,小宇选用了平面镜、可沿ON折叠的白色硬纸板和激光笔进行了如图所示的实验。
(1)实验时,小宇发现每次用铅笔把光的传播路径描下来非常不方便,认真思考后,他认为在正确操作时,只要在光传播的路径上标记两个合适的点就能确定了,他用到的光学知识是 。
(2)要探究光反射时,光路具有可逆性,需要进行的操作是 (选填字母)。
A.将平面镜换成玻璃板 B.将F纸板绕ON向后折转 C.多次改变入射角的大小 D.将入射光由AO入射改为由BO入射
10.某小组同学在探究光的折射规律时,意外发现:当光沿某方向从半圆玻璃砖射向空气时,折射光消失而反射光却变得更亮,如图所示,老师告诉他们这是光的全反射现象。课后,他们查到光从玻璃射向空气时的一些数据如表。
入射角α
0°
10°
20°
30°
40°
41.2°
41.8°
42°
折射角β
0°
15.2°
30.9°
48.6°
74.6°
81°
90°
反射能量
5%
7%
26%
43%
77%
84%
100%
100%
(1)分析上表中的光从玻璃斜射向空气时,反射能量与入射角大小的关系可知:光从玻璃斜射向空气时,入射角越大,折射角越 ,反射能量越 ,当入射角≥ °时,就发生了全反射现象。
(2)根据光的折射规律,请猜想当光从空气斜射向玻璃时, (选填“能”或“不能”)发生全反射现象,理由是 。
11.在“探究凸透镜成像规律”的实验中:
(1)图甲中光屏上能成清晰的像,生活中 (选填“照相机”、“投影仪”或“放大镜”)就是利用这一原理制成的。
(2)如图乙,线段AB为凸透镜成像的物距倒数和像距倒数的对应关系,则凸透镜焦距为 cm。
(3)当光屏上呈现清晰的像时,不改变图甲中蜡烛和透镜位置:
①若将凸透镜换成焦距相同、镜面较小的凸透镜,再次做实验,光屏上所成的像与原来相比 (选填“变小”、“变暗”或“变不完整”)了。
②实验过程中,某同学随手把他自己戴的近视镜放到蜡烛及凸透镜之间,光屏上的像变模糊了,要想再次看到清晰的像,则需将光屏 (选填“向左”或“向右”)移动。
12.在探究“近视眼的矫正”课外实验中,小明同学用水袋做成一个水凸透镜来模拟人眼晶状体,并与注射器相连,其凸起程度可通过注射器注水或吸水量来调节。
(1)在调整烛焰(模拟远处所视物)、水透镜、光屏(模拟人眼视网膜)在光具座上的位置,如图所示,此时在光屏上得到了烛焰清晰的像,该像是倒立 (填“放大”“缩小”或“等大”)的实像。
(2)向水凸透镜内 (填“注入”或“吸取”)适量的水来模拟近视眼,发现光屏上原来清晰的像变模糊了,若将光屏向 移动适当距离,再次得到清晰的像,说明近视眼将远处的物体成像在视网膜 (填“前”或“后”)方。
(3)在上述(2)操作的基础上,张老师取下自己戴的眼镜放于蜡烛和凸透镜之间,光屏上的像又变得模糊,小明同学发现当光屏向左移动适当距离后像又清晰,由此可知,张老师所戴的眼镜是 透镜,张老师的眼睛属于 眼(选填“近视”或“远视”)。
力学实验:
13.如图所示,如图是测量小车运动的平均速度实验。
(1)本实验测平均速度的原理公式是: ;
(2)除图中的刻度尺外,本实验中用到的测量工具还有 (填名称);
(3)小车所放的斜面应保持较 (填“大”或“小”)的坡度,这样小车在斜面上运动时间会 (填“长”或“短”)些,便于测量;
(4)图中AB段的距离sAB= cm,测得时间tAB=1.6s,则AB段的平均速度 m/s。实验中可以发现vBC vAC(选填“>”、“<”或“=”);
(5)实验中若小车过了B点才停止计时时,AB段的平均速度会偏 (填“大”或“小”)。
14.我省宝鸡市眉县猕猴桃驰名中外,品质鲜嫩,营养丰富,风味鲜美。小明利用天平和烧杯等器材对家乡猕猴桃的密度进行了测量。
(1)实验过程:
①将天平放在水平桌面上,游码拨至O刻线处,调节 使天平平衡。
②将猕猴桃放在了左盘,测出猕猴桃质量m(如图所示)。
③他将烧杯装满了水,称得质量m1。
④把猕猴桃全部放入水中后,猕猴桃沉入水底,并且溢出了一部分水,然后他又将猕猴桃从烧杯中取出,抖干净水后称得烧杯和剩余水的质量m2。
(2)收集与处理实验数据:请你将实验所数据填入下表并计算。
猕猴桃质
量m/g
烧杯和水的总质量m1/g
烧杯和剩余水质量m2/g
猕猴桃排开水的体积V/cm3
猕猴桃受到的浮力F浮/N
猕猴桃的
密度ρ/kg•m﹣3
84.2
27.4
(3)在该实验中你认为操作过程中,对猕猴桃体积测量的主要误差来源是 ,使测量密度结果 (选填“偏大”、“偏小”或“不变”)。
15.在学习了弹力及弹簧测力计的相关知识后,小红同学发现,弹簧测力计的刻度是均匀的,由此她想探究“弹簧的伸长与所受拉力的关系”,于是她采用了图一的装置进行了探究。
(1)要完成实验,除了需要如图一所示的铁架台,一根两头带钩的弹簧,若干相同的钩码(已知每个钩码重0.5N)以外,还需要的测量仪器是 。
(2)通过实验,小红同学收集了弹簧受到大小不同的拉力F以及所对应的弹簧长度L,并在坐标纸上绘制了图二的图象。分析图象可知:
①该弹簧的原长L0为 cm,当弹簧受到2N的拉力时,弹簧伸长量△L为 cm;
②可以得到的实验结论是 ;
③若用该弹簧制作一只弹簧测力计,其量程是 N。
16.某实验小组探究“物重与物体质量的关系”,得到如下表数据:
次数
1
2
3
4
质量m/kg
0.1
0.2
0.3
0.4
重力G/N
1.0
2.0
3.0
4.0
(1)在测物重时,小明和小红的操作分别如图中甲和乙所示,两人中 的操作是正确的。
(2)分析表格中数据,其中能正确描述物体所受的重力G与质量m关系的图像是
(3)本实验需要多次测量,其目的是
(4)经过精确测量,发现物体所受重力的大小跟它的质量比值g,在不同的地理位置存在着微小差异,下表列出了一些城市和地区的g值大小。根据表中提供的信息分析,各国的贸易往来中的发货单上所标的“货物重量”,应该是指货物的 。
地点
赤道
北京
纽约
莫斯科
北极
g值N/kg
9.780
9.801
9.803
9.816
9.832
17.某次探究实验中,小明依次将毛巾、棉布分别铺在水平木板上,让小车分别从斜面上滑下,再观察和比较小车在水平面上滑行的距离,实验情景如图所示。
(1)实验中每次让小车从斜面同一高度由静止滑下,目的是使小车在水平面上开始滑行时的 相等。
(2)分析小车运动情况可知:小车受到的阻力越小,速度减小得越 (选填“快”或“慢”);
(3)3月23日下午空间站“天宫课堂”,宇航员完成了太空抛物实验。实验中,只见王亚平把冰墩墩正对着叶光富手的方向顺手一推,只见冰墩墩稳稳地沿着原来抛出去的方向,一路飘到了同伴叶光富的手里,如图,冰墩墩在太空中处于失重状态,在空中不受力的作用,它在空中飞行做 运动;这个小实验直接验证了 定律,也说明物体的运动 (选填“需要”或“不需要”)力来维持。
18.如图甲装置中A为木块,乙装置中B为小车,丙装置中C为纸片,来探究“二力平衡条件”。
(1)小明在甲、乙装置选择时,优先选择了乙装置,他选择的理由是 ,并在乙图上画出小车所受重力的示意图。
(2)在图乙装置中,当向左右两托盘放入相同的砝码,小车静止在水平桌面上,为了探究不在同一直线上的两个力能否平衡,接下来应该 ,观察小车能否静止;
(3)小红用图丙装置进行实验,但滑轮安装的高度不同,你认为她 (选填“能”或“不能”)完成实验探究。
19.在“探究影响滑动摩擦力大小因素”的实验中小宇同学做了如图甲所示的三次实验,用到了一个弹簧测力计、一个木块、一个砝码、两个材料相同但表面粗糙程度不同的长木板。实验中第1次和第2次用相同的长木板,第3次用表面更加粗糙的长木板。
(1)用弹簧测力计沿水平方向拉动木块,使其在水平桌面上做匀速直线运动,此时滑动摩擦力的大小等于拉力的大小;此实验是利用 的原理;
(2)比较 两次实验,是为了探究滑动摩擦力的大小与接触面粗糙程度的关系;
(3)刚开始小宇做第1次实验时控制不好力度,拉力随时间变化的图像如图乙所示,木块的速度随时间变化的图像如图丙所示,则木块在第4s时的摩擦力为 N;则木块在第7s时的摩擦力为 N;
(4)小宇同学将实验方法进行了改进,实验装置如图丁所示:将弹簧测力计一端固定,另一端钩住木块,木块下面是一长木板,实验时拉着长木板沿水平地面向右运动,此时弹簧测力计的读数是 ,这样改进的好处是 ;
(5)如图戊所示,若斜向上拉动木块A做匀速直线运动,那么相比水平匀速拉动,木块A受到的滑动摩擦力将 (选填“变大”、“变小”或“不变”)。
20.如图甲、乙、丙是阳阳探究“影响压力作用效果的因素”实验。
(1)实验中,通过海绵的凹陷程度体现 。
(2)比较甲、乙两次实验得出结论:当 一定时, 越大,压力的作用效果越明显。
(3)如图丁,阳阳用两手的食指分别用沿水平方向的力顶在削好的铅笔两端,两根手指上的肌肉的凹陷程度不同,这一现象可以通过比较 两次实验得出的结论进行解释。
(4)阳阳利用如图戊所示装置练习测量滑动摩擦力,用弹簧测力计沿水平方向 拉动小桌,则滑动摩擦力的大小为 N。
21.用压强计探究“影响液体内部压强大小的因素”:
(1)如图甲所示,压强计是通过比较 来反映被测压强大小的;该实验方法为 ;当金属盒在空气中时,U形管两边的液面应当相平,而小明同学却观察到如图甲所示的情景,此时U形管左支管液面上方的压强 (选填“大于”“小于”或“等于”)右支管液面上方的压强,调节的方法是 (选填“A”或“B”);
A.将此时右边支管中高出的液体倒出 B.取下软管重新安装
(2)压强计调节正常后,小明将金属盒先后浸入到两杯液体中(已知其中一杯为水,另一杯为盐水),如图乙和丙所示,他发现图乙中U形管两边的液柱高度差较小,由此确定图乙杯子中盛的是水。小明的结论是否正确? ,理由是 。
22.380年前,意大利物理学家托里拆利通过玻璃管证明了真空的存在以及水银高度和大气压的关系,但水银有毒。在老师建议下,科学小组设计了如图甲所示方案,并使用镓基合金(一种金属材料)代替水银来探究大气压与液体压强的关系,请回答下列问题:
(1)小组同学采用镓基合金来代替水银进行该实验,可以推测镓基合金应具备哪些优点? (至少写出两条)。
(2) 在一个标准大气压下实验时,小组成员查询了两种物质的密度如表所示:
水银密度
镓基合金密度
13.59×103kg/m3
6.5×103kg/m3
讨论比较后提出需要对玻璃管的长度进行调整,应选择长度 (选填“大于”、“小于”或“等于”)760毫米。
(3)如果使用该装置进行实验,可能出现的情况是 。
A.将玻璃管稍微倾斜一点,液柱的长度不变
B.将玻璃管换成更粗的玻璃管,液柱的高度降低
C.若有少量空气残留在玻璃管内,液柱的高度降低
(4)小组同学在原装置基础上,如果把这套装置移入如图乙所示的装置中(足够大的玻璃钟罩内),用抽气机逐渐抽出里面的空气,将会看到的现象和原因是 。
23.小明利用一个装有适量水的瓶子、两端开口的玻璃管、大小合适的带孔瓶塞制作了一个气压计,如图所示。为了使玻璃管内液面高于瓶内液面,瓶内的气压应 大气压(选填“大于”、“等于”或“小于”)。这种气压计在使用时为了避免其他因素的干扰,应该选择在受力时 形变的瓶子(选填“容易”或“不容易”)。
24.为了测量大气压强,小明选择的器材有:2.5mL的注射器、0~10N的弹簧测力计、刻度尺和细线。
(1)实验步骤如下:
①如图甲,用刻度尺测出注射器有刻度部分的长度l= cm。
②如图乙,把注射器活塞推至筒的底端,用橡皮帽封住注射器的小孔,水平向右慢慢拉动注射器筒。当注射器中的活塞开始滑动时,记录弹簧测力计的示数F= N。
③小明所测得的大气压强值为 Pa。
(2)实验时,小明用手托住弹簧测力计,使其保持在水平方向,目的是为了减少 对实验的影响。
(3)同组的小华发现注射器顶端装针头处的空气无法排尽,则测得的大气压值 (选填“偏大”、“偏小”或“不变”)。
25.小明利用如图甲所示的装置测量我区大气压的大小,其中弹簧测力计和2mL注射器的自重可忽略不计,活塞与针筒之间气密性很好,但摩擦较大。他进行了如下实验。
(1)拔去橡皮帽,将活塞推至底端,当右端挂上一定数量的钩码时,注射器中的活塞开始滑动,稳定时弹簧测力计示数为1.0N,则活塞与针筒间的摩擦力为 N,若继续增加钩码数量,弹簧测力计的示数将 (选填“增大”、“减小”或“不变”)。
(2)他重新将活塞推至底端,用橡皮帽密封小孔。增加钩码数量活塞开始滑动时,弹簧测力计示数为4.6N;小明又找来刻度尺测量针筒全部刻度的总长度,如图乙所示,则总长度为 cm,本地大气压强的测量值为 Pa。小明发现这个值和气压计测得的大气压值仍有较大偏差,可能原因是 。
26.利用传感器做“探究流体压强与流速的关系”的实验,装置如图甲。装置中A、B、C三节直径不同的塑料管连接在一起,右端与吹风机的尾部相连。
(1)将气体压强传感器探头分别插入三节管中,传感器与电脑相连,打开吹风机吹气时,电脑屏幕如图乙所示,已知①②③三条图线分别对应三节管中气体压强随时间变化的情况,图线①反映的是装置 中塑料管的气体压强随时间变化的情况。(填“A”、“B”或“C”)
(2)利用流体压强与流速的关系,解决某地下商城“工”字形通道中过道的通风问题,技术员设计了以下几种方案。如图所示,黑色部分为墙面凸出部分,是安装在过道顶的换气扇,其中既有效又节能的是 (填字母序号)。
27.小茗同学在家里找到一个漏斗和乒乓球,设计了如图实验装置,他通过漏斗用力吹气,发现无法把乒乓球吹走。
(1)小茗通过查询资料了解到,这是因为乒乓球上下表面气流流速不一样,乒乓球上表面空气流速小,压强 ,使乒乓球上下表面存在 ;
(2)小红对小茗的实验产生疑问,是不是因为乒乓球质量太大,导致乒乓球无法被吹走?小茗利用以上器材重新设计了实验,消除了小红的疑问。
实验步骤: ;实验现象: 。
28.在阿基米德原理的实验中。
(1)为了方便操作和减小测量误差,最合理的实验步骤顺序是 。
(2)由图中所给实验数据可知,石块重力为 N。
29.下图是探究浮力的大小跟哪些因素有关的几个实验情景。实验甲,乙和丙中,弹簧测力计的示数分别为3.0N、2.4N和1.0N,实验丁中盐水的密度为1.1×103kg/m3。
(1)请在图甲中画出圆柱体所受到力的示意图。
(2)分析比较 两图中的实验,可以探究浮力的大小是否跟物体浸在液体中的体积有关。分析比较 两图中的实验,可以探究浮力的大小是否跟液体的密度有关。
(3)图丁实验中弹簧测力计的示数为 N。
30.小利在探究“影响动能大小的因素”实验中,准备的器材有:质量分别为m、2m的两个钢球、木块和斜面等,实验过程如图所示。
(1)该实验是通过观察 来比较钢球动能的大小,从而得出结论的。下面的四个实例中也采用这种研究方法的是 。
A.认识电压时,我们可以用水压来类比
B.用磁感线来描述磁场
C.探究电功大小与哪些因素有关,通过重物提升的高度来判断电流做功的多少
D.保持电阻不变,改变电阻两端电压,探究电流与电压关系
(2)为了探究物体动能大小与质量的关系,应选择 两次实验进行分析。如果水平面是绝对光滑的,则 (选填“能”或“不能”)完成本实验。
(3)比较甲、丙两次实验,可以得出结论 。
31.某学校“牛顿小组”的同学在探究重力势能的实验中用到三个体积相同的小球,它们的质量关系为m1<m2=m3,实验的情景如图所示。
(1)通过观察小球陷入细沙的深度来反映重力势能的大小,运用的物理方法是 (选填“转换法”或“类比法”);
(2)分析比较 (选填“甲和乙”、“甲和丙”或“乙和丙”)两种情况可知,重力势能的大小与物体的高度有关;
(3)小铁球m2落入细沙后,速度不断减小直至静止,它的机械能转化为 能。
32.小聪利用如图所示装置探究“物体动能的大小与哪些因素有关”。
(1)该实验是通过观察 ,从而判断 (填“木块”或“钢球”)动能的大小。
(2)甲、乙两次实验中,将质量不同的钢球拉到相同的高度。由静止释放,小球向下摆动过程中,小球的 转化为动能。观察到质量大的钢球将木块推动的距离远,说明动能的大小和 有关。
(3)甲、丙两次实验中,将质量相同的钢球拉到不同的高度,由静止释放,观察木块被推动的距离,可以探究动能的大小和 的关系。
(4)小聪将木块下的铁板换成光滑的玻璃板,观察木块被钢球推动的距离。我们可以探究 对物体运动的影响,并可推断出:如果运动物体不受力将 。
33.小明在“探究杠杆平衡条件”的实验中:
(1)实验前调节平衡螺母使杠杆在水平位置平衡,目的之一是方便测量 。
(2)如图甲所示,在杠杆左边A处挂4个钩码,要使杠杆在水平位置平衡,应在杠杆右边B处挂 个钩码(每个钩码的质量均为50g)。若把杠杆右边的受力作为阻力,请在甲图中画出此时杠杆受到的动力的示意图。
(3)小明又用弹簧测力计在C处竖直向上拉,如图乙所示,当弹簧测力计逐渐向右倾时,使杠杆仍然处在水平位置平衡,则弹簧测力计的示数将逐渐 (选填“变大”、“变小”“不变”)。
34.测量如图所示滑轮组的机械效率,部分实验数据如表,请问答以下问题:
次数
钩码重力
G/N
钩码上升的
高度h/cm
拉力
F/N
绳端移动的
距离s/cm
机械效率
η
1
1.0
10
0.6
30
55.6%
2
1.5
10
0.8
30
3
2.0
10
1.0
30
66.7%
4
2.0
20
1.0
60
66.7%
(1)实验过程中,应缓慢拉动弹簧测力计,使钩码竖直向上做匀速直线运动,第1次实验时,弹簧测力计示数如图所示,为 N;
(2)第2次实验时,滑轮组的机械效率是 ;
(3)分析1、2、3次实验的数据可知,使用同一滑轮组提升重物时,重物重力越 。滑轮组的机械效率越高;
(4)结合生产生活实际,用滑轮组提升重物时,下列选项中也可提高机械效率是 。
A.增大绳重 B.减轻动滑轮重 C.加快物体提升的速度
35. 如图所示是小红同学探究影响斜面机械效率因素的实验装置,物体在沿斜面向上的拉力F作用下匀速向上运动。实验准备的器材有:三个质量不同的木块A、三个高度不同的长方体铁块C、刻度尺、弹簧测力计。
实验序号
重物G/N
弹簧测力计示数F/N
重物沿斜面移动得距离L/m
重物上升得高度h/m
机械效率η/%
1
2.0
1.51
0.80
0.40
66.2
2
2.5
1.89
0.80
0.40
66.1
3
3.0
2.26
0.80
0.40
66.4
上述实验中,保持斜面长度不变,将斜面高度改为0.2m,把一个重3N木块沿斜面匀速向上拉时,所需拉力为1.5N,则此过程中拉力所做的功为 J,物体受到的摩擦力为 N,此过程中木块的机械能 (选填“变大”、“变小”或“不变”),斜面的机械效率为 %,由此可知斜面的机械效率与斜面的倾斜程度 (选填“有关”或“无关”)。
电学实验:
36.小海和小梅一起做“探究并联电路中电流的规律”实验。
(1)实验中,为了防止损坏电流表,在不能事先估计电流大小的情况下,应先进行 ,以正确选择电流表的量程。
(2)小海同学测量时,在连接电路时,发现刚接好最后一根导线,电流表的指针就发生了偏转,且指针向“0”刻度的左侧偏转,连接电路时存在的错误有:
A ,B 。
(3)图甲是他们设计的电路图,图乙是他们测量电流时连接的实验电路,此时电流表测量的是 (选填“A”“B”或“C”)处的电流。
(4)请在图乙中移动一根导线,测量另外一处的电流。在移动的导线上画“X”,并用笔画线代替导线连接正确的电路。移动后电流表测量的是 (选填“A”“B”或“C”)处的电流。
(5)测出A、B、C三处电流如表所示,由此得出初步结论 (只写表达式)。
小梅指出:为了得出更普遍的规律,应当进行多次实验。操作方法是: 。
位置
A
B
C
电流I/A
0.30
0.24
0.54
37.小明实验小组在“探究串联电路电压的规律”实验中,设计了如图甲所示的电路。
(1)连接电路前,小明发现电压表指针如图乙所示,接下来他应对电压表进行的正确操作是 。
(2)按照图甲连接电路时,开关应处于 状态。
(3)检查电路无误后闭合开关,用电压表分别测出A与B、B与C、A与C两点间的电压分别为UAB、UBC、UAC,得到的数据记录在表格中,分析实验数据,可得到串联电路的电压特点是 (用公式表示)。
实验次数
UAB/V
UBC/V
UAC/V
1
2.6
1.9
4.5
2
2.2
2.2
4.5
3
2.9
1.6
4.5
(4)小组成员小杨根据某一次实验数据即得出了实验结论,同学们对小杨获得实验结论的方法进行了评价,并提出了改进措施,你认为正确的是 。
A.小明获得结论的方法正确,无需再进行改进
B.小明获得结论的方法不科学,再做一次实验即可
C.小明获得结论的方法不科学,应换规格不同的灯泡多次实验
38.用图甲电路探究“电流跟电阻的关系”,电源电压恒为3V,滑动变阻器规格为“50Ω 2A”.
(1)请用笔画线代替导线,将图甲中电压表接入电路,测R两端的电压;
(2)滑片P移至阻值最大处,将5Ω电阻接入电路,闭合开关,移动滑片P发现,电压表有示数,电流表始终无示数,其原因可能是 。
(3)故障排除后,移动滑片P使电压表的示数如图乙所示,记下电压表的示数为 。
(4)在上面实验中,若每次实验均选用单个定值电阻连入电路,实验室另外还有“15Ω,20Ω,30Ω,35Ω,50Ω”5个电阻,你认为在这些电阻中按照上面的实验步骤能完成的电阻还有 个;
(5)利用可选电阻继续实验,并得到结论: .
39.小明在复习“探究电阻一定时电流与电压关系”的实验中,连接了如图1所示的电路。
(1)同组的小红看了电路图发现小明的电路连接有一处错误,应该将导线 (选填图1中的数字序号)的 端改接在 点;(后两空均选填图1中的字母)
(2)请你画出对应的电路图;
(3)电路改正后,小明得到的实验数据如表所示。
数据序号
1
2
3
4
5
6
电压U/V
0.3
0.6
0.9
1.2
1.5
1.8
电流I/A
0.08
0.15
0.23
0.40
0.38
0.45
请你在图2的方格中建立有关坐标轴并制定其标度,把表中的数据在坐标系中描点,作出图象;
(4)根据图象,得出的结论是 。
40.用如图所示的装置探究“电流做功与电压的大小之间的关系”。两瓶煤油中都浸泡着一段材料、横截面积均相同的电阻丝,瓶中温度计显示煤油的温度。
(1)实验中电流做功的多少是根据煤油 变化的大小来判断的,为比较两电阻做功的多少,两瓶煤油的质量应 。
(2)“水比较容易获得,为什么不用水代替煤油?”对此合理的解释是 (填字母)
A.煤油有颜色便于观察 B.煤油密度较小 C.煤油比热容较小
(3)两瓶中电阻 联使得通过它们的电流和通电时间相等,甲瓶中的电阻丝较长,电阻较 ,电压较高。
(4)实验发现,甲瓶温度升高较多。表明:在电流和通电时间相同的情况下,导体两端的电压越高,电流做功越 。
41.如图甲为伏安法测未知电阻Rx的实验电路图。
(1)闭合开关后,发现电流表无示数,电压表有示数,若电路只有Rx或滑动变阻器发生了故障,则故障可能是 。
(2)故障解决后,重新闭合开关,调整滑动变阻器得到电压表和电流表示数如图乙和丙所示,则该电阻此次测量的阻值为 Ω。
(3)若实验中电压表损坏,已知滑动变阻器的最大阻值为R0,为了测量未知电阻Rx的大小,某同学进行了如下操作:
①闭合开关后,将滑动变阻器的滑片移到a端,记录此时的电流表示数为I1。
② 。
③则Rx= (用已知和所测物理量符号表示)。
42.在“测量小灯泡电功率”的实验中,老师给小茗同学的小灯泡的额定电压为2.5V。
(1)如图甲所示,请用笔画线将电路补充完整,要求滑动变阻器以最大阻值接入电路。
(2)连接好电路后,测量某组数值时电压表示数为1.8V,小茗同学想测量小灯泡的额定功率,应该向 (选填“左”或“右”)移动滑动变阻器滑片。
(3)小凡同学在用相同器材进行实验时,发现电流表损坏了,于是他向老师要了一个已知阻值的定值电阻R0和一个单刀双掷开关,利用原有器材设计了如图乙所示的电路并测出了小灯泡的额定功率。
①按照图乙连接好电路,闭合开关S1,使开关S2接1,调节滑动变阻器,使电压表示数为2.5V;
②使开关S2接2,保持 ,读出电压表示数为U1;
③小灯泡的额定功率表达式为P额= (用已知量和测量量表示)。
43.如图是用控制变量法“探究电流通过导体时产生热量的多少跟电流大小关系”的实验装置。甲、乙是两个相同的透明容器,里面密封着等量的空气。
(1)本实验用U形管中液面高度的变化反映容器中空气温度的变化,下列实验中也应用了此研究方法的是 ;
A.探究平面镜的成像特点
B.探究电流与电阻关系
C.比较不同物质的吸热情况
(2)乙容器内电阻丝的阻值为4Ω,外部并联一个阻值为5Ω的电阻。根据实验目的,甲容器内电阻丝的阻值R1= Ω,才能符合要求。乙容器外部并联电阻的最终目的是使甲、乙两密闭容器内通过电阻丝的 不相等;
(3)某小组在用此装置做探究时,发现左右两侧U形管液面上升高度竟然相同。该现象与其他小组的实验现象都不同,经检查气密性良好。请你填写产生该现象的原因之一 。
44.学习了家庭电路后,小明在家中进行综合实践活动“对家庭用电的调查研究”。
(1)家庭电路中“超负荷”是指家庭用电器的 过大,这时电路中的 也跟着过大。小明发现,出现上述情况时,电路中的熔断器或空气开关会自动切断电路。熔断器中的保险丝熔断的原理是电流的 效应。如图甲是空气开关的原理图,当电路中电流过大时,通电线圈P产生较强的磁性,吸引衔铁Q,弹簧拉动开关,自动切断电路。可见空气开关切断电路则是利用了电流的 效应;
(2)观察厨房中的电器时,妈妈告诉他,以前电饭锅不用时要将插头从插座上拔下来,既不方便也容易损坏插座。后来电工师傅换了一个如图乙的带开关的插座后,只要拨动下开关就可以断开电了。小明仔细观察了如图示的插座后,很快就在纸上画出了如图丙所示的插座背面接线示意图。则图中最上面的一根线应该是 (火/零)线,两孔插座与三孔插座是 联的。
(3)要利用图丁所示的电能表来估测测电饭锅的电功率,小明首先断开家中所有用电器,再将一只电饭煲接入电路正常工作。小明发现电能表的转盘转过24转所需的时间刚好为1min,则这只电饭煲的额定功率是 W。
45.小敏在探究通电螺线管的磁场分布实验中,分别做了如下实验:
(1)如图甲所示:
①在固定的螺线管的水平硬纸板上均匀地撒满铁屑,通电后轻敲纸板,观察铁屑的排列情况,依照铁屑在磁场中排列的情况和小磁针N极的指向画出一些带箭头曲线来形象、直观地描述磁场,物理学中把这样的曲线叫做 ;
②在通电螺线管的两端各放一个小磁针,据小磁针静止的指向,可以判定图中通电螺线管的 (选填“左”或“右”)端是它的N极;
③如果想探究通电螺线管的极性与电流方向的关系,接下来的操作是 ,并观察小磁针的指向。
(2)如图乙所示:
①把小磁针放在螺线管四周不同位置,通电后发现小磁针的指向如图乙所示,说明通电螺线管的周围的磁场跟 磁体的磁场相似,图中 (选填“左”或“右”)端是螺线管的S极;
②对调电源的正负极重复上述实验,小磁针的指向与之前相反,说明通电螺线管的极性与 有关;经研究,可以用 定则来判定。
46.为探究电磁铁的磁性跟哪些因素有关,小丽所在实验小组通过交流与合作设计了以下实验方案,用漆包线(表面涂有绝缘漆的导线)在大铁钉上绕若干圈,制成简单的电磁铁,如图所示的从左到右A、B、C为实验中观察到的三种情况。下面填空:
(1)通过观察电磁铁吸引大头针数目多少的不同,来判断它 的不同;
(2)通过比较A、B两种情况,结论是: 。
(3)通过比较B、C两种情况,探究的是 。
47.“探究导体在磁场中运动时产生感应电流的条件”实验装置如图所示,团团同学操作如下:
(1)闭合开关,从右向左水平快速移动导体棒ab,观察到灵敏电流表的指针 ;从上到下竖直快速移动导体棒ab,观察到灵敏电流表的指针 ;从左下向右上倾斜快速移动导体棒ab,观察到灵敏电流表的指针 ;当导体棒ab不动,从左向右水平快速移动蹄形磁铁时,观察到灵敏电流表的指针 。(以上均选填“偏转”或“不偏转”)
(2)当导体棒ab运动产生感应电流时,如果沿与原来相反的方向移动导体棒ab(其它条件不变),发现灵敏电流表的指针偏转方向发生改变;如果将蹄形磁铁的两极对调(其它条件不变),灵敏电流表的指针偏转方向也发生改变。由此说明感应电流的方向与 有关。
48.在研究磁场对通电导线的作用的实验中,如图所示。
(1)闭合开关,能看到金属棒ab运动了。说明通电导体在磁场中受到 的作用。
(2)若想改变金属棒ab运动的方向,可以采用的方法是 。
(3)将电源换成电流表,闭合开关,用手在导轨上左右移动金属棒ab,电流表的指针 ,由此现象中能量转化原理,人们在生产、生活中制成了 。
49.利用如图所示的实验装置探究磁生电的条件,在磁场中悬挂一根导体AB,把它的两端跟电流表连接起来,组成闭合回路。
(1)下列操作能在电路中产生电流的是 (填序号)。
①蹄形磁体和导体AB都静止 ②蹄形磁体静止,导体AB上下运动
③导体AB静止,蹄形磁体左右运动 ④蹄形磁体和导体AB以相同的速度水平向右运动
(2)小明完成上述实验后,还想探究磁场对通电导体的作用,他只需将电流表换成 即可。
(3)我国供生产和生活用的交流电频率为50Hz,电流方向每秒内变化的次数为 。
(4)旱冰鞋的四个轮子会发光,原理是滑动的时候正在做切割磁感线运动。下列选项中和轮子发光的原理相同的是 。
A.①通电导线在磁场受到了力的作用 B.②动圈式话筒 C.③电磁继电器 D.④奥斯特实验
50.如图所示是某物理兴趣小组利用特制水银温度计、电磁继电器、小灯泡、电铃等元件自制的温度自动报警器示意图。
(1)控制电路接通时能吸引衔铁是因为电流具有 ;
(2)当环境温度低于设定的警戒温度时,工作电路中 (填写元件名称)通电工作;
(3)电磁铁通电后上端是 极,若衔铁右端受力向下移动距离过小,右侧工作电路未能正常接通,请说出一种改进方法: 。
中考二轮复习专项突破——《教材探究实验》参考答案
1.(1)拨动塑料尺的力度;塑料尺伸出桌面的长度;(2)音色;(3)控制变量;(4)刻度尺振动得太慢,产生的是次声波,人耳无法听到。
【解答】(1)响度与振幅有关,用不同大小的力拨动塑料尺,塑料尺的振幅不同,发出的声音响度不同,因此实验通过改变拨动塑料尺的力度来改变声音的响度;物体振动的快慢与物体的质量、粗细、长短等因素有关;因此该实验是通过改变刻度尺伸出桌面的长度来改变音调的;
(2)钢尺和塑料尺的材料不同,因此当钢尺伸出桌面的长度、振动幅度和速度与塑料尺均相同时,听到声音的主要差异是音色的不同;
(3)实验中,在研究响度与振幅关系时,应控制频率不变,而在研究音调与频率关系时,则要控制振幅相同,故实验设计隐含的物理方法除比较法外,还有控制变量法;
(4)实验中当刻度尺伸出桌面的部分超过一定长度时,尺子振动时发出的频率较低,为次声波,人听不到次声波。
2.(1)能量;(2)声音不能在真空中传播;(3)声音是由物体振动产生的;(4)音调。
【解答】(1)扬声器发声时,放在旁边的烛焰晃动,说明声波能传递能量。
(2)真空不能传声,抽取玻璃罩内的空气,听不到罩内的声音,说明声音的传播需要介质,即真空不能传声;
(3)一切声音都是由物体振动产生的,即发声的音叉将乒乓球弹开,就说明声音是由物体振动产生的;
(4)瓶内水位越高,质量越大,敲击时越难振动,频率越小,音调越低。所以频率不同,音调不同;
3.(1)试管内晶体露出水面受热不均匀;受热均匀;低于;(2)5;小于;等于。
【解答】(1)实验装置试管内的物质没有全部在水面以下,会影响实验效果;用水来加热晶体可以使晶体受热均匀;但仅限于这种晶体的熔点低于沸点;
(2)图乙中物质从第5min到第10min是熔化过程,熔化的时间是5min;通过图象可以看出,固态时图象的倾斜程度要大于液态时图象的倾斜程度,即在相同的时间内(吸收相同的热量)固态时的温度变化大,且熔化前后物质的质量不变,所以根据Q=cmΔt可知,该物质在固态时的比热容小于液态时的比热容;同等条件下该物质吸收热量3分钟,固态时吸的热量等于液态吸收的热量。
4.(1)水银;(2)秒表;自下而上;(3)B;前;(4)98;初温。
【解答】(1)酒精的沸点低于水的沸点,水银的沸点高于水的沸点,为完成实验选用温度计测温物质应为水银;
(2)在实验中,还需要用秒表记录时间;在使用酒精灯时,需要用其外焰加热,所以要先根据酒精灯确定铁圈的位置;又因为使用温度计时,温度计的玻璃泡要完全浸没在液体中,但不能碰到容器底和容器壁,所以要根据温度计的长度确定铁夹的位置,因此按照“由下至上”安装实验装置;
(3)温度计读数时,视线与液柱上表面相平,乙图中的B是正确的;
丙图气泡在上升过程中体积减小,所以是沸腾前的现象。
(4)甲、乙实验水的质量相同,相同时间内吸收的热量也相同。观察图像,水的沸点是98℃,当温度达到98℃时,甲用时6分钟,乙却用时8分钟,说明水从开始加热到开始沸腾时间不同。观察图像可知,甲、乙实验虽然控制了水的质量相同、相同时间内吸收的热量相同,但没有控制初始温度相同。甲的初始温度大于乙,所以造成了甲先沸腾,乙后沸腾的结果。
5.(1)340;10。(2)吸热;凝华。
【解答】(1)由图像可以看出,这种物质的熔点是340℃;熔化过程从第4min开始,在第14min结束,所经历的时间是10min。
(2)烧杯内固态碘减少且出现紫色的碘蒸气,是碘的升华现象,此物态变化过程需要吸收热量;观察到烧瓶底部附有少量细小的碘晶体,这是凝华现象。
6.(1)秒表;加热时间长短;(2)质量相同的水和煤油升高相同温度,吸收的热量不同;(3)A;(4)酒精灯的火焰大小不同。
【解答】(1)根据转换法,水和煤油吸收热量的多少是通过加热时间的长短来呈现;故还用到秒表;
(2)通过分析实验数据,能够得出的结论是:质量相同的水和煤油升高相同温度,吸收的热量不同(或质量相同的水和煤油升高相同温度,水吸热的热量多);
(3)由(乙)知,加热时间相同,吸收的热量相同,水升温慢,故A正确;
故选:A;
(4)使质量相同的水升高相同的温度,水吸收的热量相同,酒精灯放出的热量相同,如果酒精灯火焰相同,那么加热时间应该相同,但1、2两组的同学在交流实验数据时发现:第1小组的加热时间明显偏长,说明酒精灯的火焰不同,所以其原因可能是:酒精灯的火焰大小不同。
7.(1)甲、乙;温度计上升示数;(2)①甲、丙;②加热时间;(3)2.1×107。
【解答】(1)比较不同燃料的热值,要用不同的燃料,加热质量相同的同种液体,故应选择甲、乙两图进行实验,燃料完全燃烧放出的热量,是通过温度计上升示数来反映的;
(2)比较不同物质吸热特点:
①比较不同液体的吸热能力,则需要燃烧相同的燃料(确保相同时间放出的热量相同),加热相同的时间,比较质量和初温相同的液体升高的温度,应选择甲、丙两图进行实验;
②由转换法,不同物质吸热的多少是通过加热时间来反映的;
(3)由ρ=可知,甲杯中水的质量;m水=ρ水V水=1.0×103kg/m3×50×10﹣6m3=0.05kg;
甲杯中水吸收的热量:Q吸=cmΔt=4.2×103J/(kg•℃)×0.05kg×20℃=4.2×103J;
酒精完全燃烧放出的热量全部被水吸收,则Q放=Q吸=4.2×103J;
由Q放=mq可知,酒精的热值:q===2.1×107J/kg。
8.(1)刻度尺;(2)黑暗;(3)薄;便于确定像的位置;(4)相同;(5)不同;(6)相等;(7)不能;虚。
【解答】(1)平面镜成像时,为了探究像到镜面的距离与物体到镜面的距离的关系,需要刻度尺测量出物距和像距的大小,所以用到的工具是刻度尺;
(2)因蜡烛是点燃的,所以适合在较黑暗的环境下才可看清蜡烛的像,能保证实验效果;
(3)因为厚玻璃板的两个面都可以当作反射面,会出现两个像,影响到实验效果,所以应选用薄玻璃板,玻璃板不但反射光成虚像,还能透光看到玻璃板后面的蜡烛,便于确定像的位置;
(4)两支蜡烛大小相同,后面的蜡烛又和前面蜡烛的像完全重合,这样就证明了像与物大小相同,所以需要选用两根外形相同的蜡烛;
(5)一次实验不具备代表性,应采取同样的实验方案多做几次,避免实验现象的偶然性,才能保证结论的正确,所以应将物体放在不同位置进行实验;
(6)实验中将点燃的蜡烛A放在玻璃板前,然后将未点燃的蜡烛B放在玻璃板后面并移动,直到蜡烛B与蜡烛A的像完全重合,此实验现象说明像与物大小相等;
(7)因为光屏只能接收实像,不能接受虚像,而平面镜成的是虚像,所以移开B,并在其所在位置放一个光屏,则光屏上不能接收A的像,这说明蜡烛成的像是虚像。
9.(1)光在同一种均匀介质中沿直线传播;(2)D。
【解答】(1)小宇认为在正确操作时,只要在光传播的路径上标记两个合适的点就能确定了,说明光是沿直线传播的,故他用到的光学知识是光在同一种均匀介质中沿直线传播;
(2)探究光路的可逆性,需要把入射光线和反射光线互换一下做实验,故ABC错误,D正确。
故选:D。
10.(1)大;多;41.8°;(2)不能;入射角大于折射角,折射角小于90°。
【解答】(1)由表中的数据知:光从玻璃斜射向空气时,反射能量随着入射角的增大而增大,光从玻璃斜射向空气时,入射角越大,折射角越 大,反射能量越多;
当入射角达到41.8°时,反射能量达到100%,就发生了全反射现象;
(2)根据光路可逆,当光从空气斜射向玻璃时,折射角小于入射角,折射角小于90°,因此折射光线不能消失,则不能发生全反射现象。
11.(1)投影仪;(2)10;(3)①变暗;②向右。
【解答】(1)由图可知,此时的物距小于像距,成倒立、放大的实像,应用于投影仪;
(2)凸透镜成实像时,u=v=2f时,成倒立、等大的实像,此时的==5m−1,则u=v=0.2m=20cm=2f,故f=10cm;
(3)①用另一只与原实验中焦距相同但镜面直径较小的凸透镜,替代原来的凸透镜再次实验,成像大小不会变化,但经凸透镜的光线变少,所成的像与原来的像相比,比原来暗;
②实验过程中,某同学随手把他自己戴的近视镜放到蜡烛及凸透镜之间,近视眼镜为凹透镜,对光线具有发散作用,会延迟光线的会聚,所以要想再次看到清晰的像,则需将光屏向右移动。
12.(1)缩小;(2)注入;左;前;(3)凸;远视。
【解答】(1)由图知,像距小于物距,此时物距大于2倍焦距,所以此时成倒立、缩小的实像;
(2)根据近视眼的成因,向水凸透镜内注入水,凸透镜变厚,此时凸透镜对光的折射能力变强,若将光屏向左移动适当距离,再次得到清晰的像,像将成在光屏之前,即近视眼将远处的物体成像在视网膜之前。
(3)把张老师所戴的眼镜放于蜡烛和凸透镜之间,光屏向左移动适当距离后像又清晰。说明该眼镜对光线具有会聚作用,为凸透镜,是远视眼镜。
13.(1)v=;(2)秒表;(3)小;长;(4)40.0;0.25;>;(5)小。
【解答】(1)根据v=计算平均速度,因此本实验测平均速度的原理公式是:v=;
(2)由实验原理可知实验过程中需要测量路程和时间,因此除了刻度尺外,还需要秒表;
(3)斜面的坡度越大,小车在斜面上滑下的速度越快,在斜面上的运动时间越短,因此小车所放的斜面应保持较小的坡度,这样小车在斜面上运动时间会长些,便于测量;
(4)由图可知AB段的距离为sAB=80.0cm﹣40.0cm=40.0cm=0.400m,已知tAB=1.6s,
则AB段的平均速度为:;
小车从A到C的过程中做加速运动,速度越来越大,故在BC段的速度大于AC段的速度,即vBC>vAC;
(5)实验中若小车过了B点才停止计时时,则测得AB段的时间偏大,AB段的路程一定,由v=可知AB段的平均速度会偏小。
14.(1)横梁两端的平衡螺母;(2)92.4;56.8;0.568;1.63×103;(3)将猕猴桃取出时猕猴桃会带上水;偏小。
【解答】(1)将天平放在水平桌面上,游码移至标尺左端的零刻线处,调节横梁两端的平衡螺母,使横梁平衡;
(2)标尺上的分度值为0.2g,猕猴桃质量为:m=50g+20g+20g+2.4g=92.4g;
猕猴桃排开水的质量为:
m排=m1﹣m2=84.2g﹣27.4g=56.8g,
猕猴桃排开水的体积为:
V排===56.8m3,
猕猴桃受到的浮力为:
F浮=ρ水gV排=1.0×103kg/m3×10N/kg×56.8×10﹣6m3=0.568N;
猕猴桃的密度为:
ρ===≈1.63g/cm3=1.63×103kg/m3;
(3)将猕猴桃取出时猕猴桃会带上水使得猕猴桃的体积偏大,由密度公式ρ=知测量的密度值偏小。
15.(1)刻度尺;(2)①2;4;②在弹性限度内,弹簧的伸长量△L与它所受到的拉力F成正比;③0~2.5。
【解答】(1)钩码的重力已知,因此不需要测量,实验中要测量的是弹簧的伸长量,而长度的测量工具为刻度尺,所以需要刻度尺;
(2)①当弹簧所受的拉力为0时弹簧的长度为原长,由图二可知弹簧的原长L0为2cm;且当弹簧受到2N的拉力时,弹簧的长度L为6cm,则△L=L−L0=6cm−2cm=4cm;
②分析图二中的数据可以得出结论:在弹性限度内,弹簧的伸长量△L与它所受到的拉力F成正比;
③根据图二可以分析出拉力每增加0.5N弹簧伸长1cm,当超过2.5N时,这一规律被打破,因此可以断定用该弹簧制的弹簧测力计的量程是0~2.5N;
16.(1)乙;(2)C;(3)为了避免实验的偶然性,通过探究得出重力和质量的普遍关系,使结论更具普遍性;(4)质量。
【解答】(1)因为重力方向竖直向下,使用弹簧测力计必须沿竖直方向,甲图手拿弹簧测力计的后面没有使测力计在竖直方向上测量重力,而乙图弹簧测力计在竖直方向上测量重力,故乙正确;
(2)从表格中数据知,重力和质量的比值不变,质量增大几倍,物体的重力也增大几倍。所以可知,物体的重力与质量成正比;故重力随质量的变化关系图像为过原点的直线,故选C;
(3)本实验需要多次测量,是为了避免实验的偶然性,通过探究得出重力和质量的普遍关系,使结论更具普遍性;
(4)从表中知:g值可能与地球纬度有关,纬度越高,g值越大,质量相同的物体在不同地点重力可能不同。由于质量是物体的属性,不随形状、状态、位置的变化而变化,所以在往来的货物运输中,发货单上所标示的“货物重量”,实质上应该是货物的质量。
17.(1)速度;(2)慢;(3)匀速直线;牛顿第一;不需要。
【解答】(1)实验中每次让小车从斜面顶端由静止滑下,是为了使小车到达水平面时具有相同的初速度,这用到了控制变量法;
(2)分析小车运动情况可知:毛巾、棉布、木板表面越来越光滑,小车通过的距离增大,可知小车受到的阻力越小,速度减小得越慢,小车运动的距离越远;
(3)冰墩墩被推出后,处于运动状态,由于冰墩墩在太空中处于失重状态,在空中不受力的作用,所以冰墩墩会沿着原来的方向做匀速直线运动,这个实验直接证明了牛顿第一定律,也说明了物体的运动不需要力来维持。
18.(1)减小摩擦力对实验的影响;小车所受重力示意图见解答;(2)将小车转动一定角度后松手;(3)能。
【解答】(1)两个物体接触时,要发生或已经发生相对运动时,物体之间产生阻碍物体相对运动的摩擦力,而用滚动代替滑动能减小摩擦力,因此优先选择了乙装置的理由是减小摩擦力对实验的影响;
从小车的重心开始,沿竖直向下的方向画一条带箭头的线段,并在线段末端标上字母G,即为小车所受重力示意图。如图所示:
(2)为了探究两个平衡力是否在同一条直线上,可以通过旋转小车使两个力不在同一条直线上,观察小卡片的运动情况,若小车不能保持静止,说明一对平衡力必须作用在同一条直线上。
(3)只要能达到平衡力的四个条件,就可以完成实验,不同高度的定滑轮也能达到等大、反向、共线、同体四个条件。
19.(1)二力平衡;(2)2、3;(3)3;3;(4)2.2N;不用控制木板做匀速直线运动;(5)变小。
【解答】(1)只有沿水平方向拉着物体做匀速直线运动,物体在水平方向上受到平衡力的作用,拉力大小才等于摩擦力的大小,实验时,用弹簧测力计水平拉动木块,使它沿长木板做匀速直线运动,根据二力平衡知识,从而测出木块与长木板之间的滑动摩擦力;
(2)探究滑动摩擦力的大小与接触面粗糙程度的关系,要控制压力一定,故比较第2、3次实验;
(3)由图丙知:2~6s物体做匀速运动,此时物体处于平衡状态,受到的拉力和滑动摩擦力是一对平衡力,大小相等,由图乙知此过程的拉力为3N,所以木块在第4s时的滑动摩擦力为3N;
6~8s物体做减速运动,但由于压力和接触面的粗糙程度不变,滑动摩擦力不变,仍为3N,故第7s时,摩擦力为3N。
(4)木块相对地面处于静止状态,受到平衡力的作用,拉力和摩擦力大小相等,方向相反,此时木块受到的摩擦力方向水平向右;改进后,实验时拉着长木板沿水平地面向右运动,此时弹簧测力计的分度值是0.1N,指针指在2.2N,读数为2.2N;
木块与弹簧测力计固定不动,拉动木板运动,该实验设计的优点是:一方面,不需要木板做匀速直线运动,便于实验操作,另一方面,由于测力计静止便于读数。
(5)此时拉力斜向上,木块对地面的压力小于水平匀速拉动时的压力,所测摩擦力比水平匀速拉动时的摩擦力要小一些。
20.(1)压力的作用效果;(2)受力面积;压力;(3)乙、丙;(4)匀速直线;0.8。
【解答】(1)本实验通过海绵的凹陷程度来体现压力的作用效果,力能使物体的形状发生变化,根据形变现象来比较压强的,这种物理研究方法叫转换法;
(2)由甲、乙两图所示实验可知,受力面积相同而压力不同,压力越大,海绵凹陷程度越大,力的作用效果越明显,由此可知:受力面积相同,压力越大,压力的作用效果越明显;
(3)由乙、丙两图所示实验可知,物体间的压力相同而受力面积不同,受力面积越小,海绵的凹陷程度越大,力的作用效果越明显,由此可知:压力相同时,受力面积越小,压力的作用效果越明显;阳阳用两手的食指分别用沿水平方向的力顶在削好的铅笔两端,压力相同,受力面积不同,两根手指上的肌肉的凹陷程度不同,这一现象可以通过比较乙、丙两次实验得出的结论进行解释;
(4)由二力平衡条件可知,要使拉力与摩擦力大小相等(即便于测出摩擦力的大小),需沿水平方向拉动木块做匀速直线运动;弹簧测力计的分度值是0.2N,指针指在0.8N,则滑动摩擦力的大小为0.8N。
21.(1)U形管两侧液面的高度差;转换法;大于;B;(2)正确;金属盒浸入液体中较深,但压强小。
【解答】(1)压强计是通过U形管中液面的高度差来反映被测压强大小的,这用到了转换法;
由图甲知,左边的液面较低,说明左边液面受到的压强大于右边液面受到的大气压;
此时应该将软管卸下来,使管内压强和大气压相等,然后再接上;
(2)观察图乙和丙可知,在乙中金属盒浸入液体中较深,但压强小,由p=ρgh可以判断出乙中液体的密度小于丙中液体密度,故杯子中盛的是水。
22.(1)常温下为液体(或者熔点低);无毒;(2)大于;(3)C;(4)管内液柱下降;原因是容器中空气抽出,气压减小,能托起液柱的高度降低。
【解答】(1)小组同学采用镓基合金来代替有毒水银进行该实验,可以推测镓基合金优点:常温下为液体(或者熔点低);无毒。
(2)在大气压强不变的情况下,镓基合金的密度小于水银的密度,根据液体压强公式p=ρ液gh可知,镓基合金的液柱高度应该大于水银柱的高度760毫米。
(3)根据p=ρ液gh可知,当外界大气压强不变时,玻璃管内外的液面高度差应该保持不变。
A.将玻璃管稍微倾斜一点,液柱的长度会变大,故A错误;
B.将玻璃管换成更粗的玻璃管,液柱的高度会保持不变,故B错误;
C.若有少量空气残留在玻璃管内,会对液柱产生向下的压强,则液柱的高度降低,故C正确。
故选C。
(4)小组同学在原装置基础上,如果把这套装置移入如图乙所示的装置中(足够大的玻璃钟罩内),用抽气机逐渐抽出里面的空气,将会看到的现象是管内液柱下降,原因是容器中空气抽出,气压减小,能托起液柱的高度降低。
23.大于;不容易。
【解答】在玻璃瓶里装一些的水,取一根两端开口的细玻璃管,让玻璃管穿过橡皮塞插入水中,并从管子上端吹入少量气体,瓶内的气压等于大气压加上细管内水柱产生的压强,故瓶内气压大于瓶外大气压;
气压计在使用时为了避免其他因素的干扰,应该选择在受力时不容易发生形变的瓶子。
24.(1)4.00;6.2;0.992×105;(2)弹簧测力计的自重;(3)偏小。
【解答】
(1)由图甲可知:注射器有刻度部分的长度L=4.00cm;由图乙可知:弹簧测力计的分度值是0.2N,所以拉力大小是6.2N;
注射器容积V=2.5mL=2.5cm3,故活塞的横截面积为S===0.625cm2=6.25×10﹣5m2,
则所测大气压强:p===0.992×105Pa;
(2)实验时小明一手托住弹簧测力计保持在水平方向,可以减小弹簧测力计的自重对实验的影响,使活塞受到的拉力和大气压力在同一水平直线上;
(3)橡皮帽封住的注射器小孔中有残余气体,产生的力会和外部大气压力抵消一部分,这样使得弹簧测力计受到的拉力减小,在面积不变的情况下,测得的大气压会偏小。
25.(1)1;不变;(2)5.00;9×104;针筒内的空气没有排尽,使测得的大气压力偏小。
【解答】(1)由题意可知,实验中注射器密封,注射器的活塞开始滑动时,利用二力平衡原理来测出大气压对活塞的压力;
拔去橡皮帽,将活塞推至底端,当右端挂上一定数量的钩码时,注射器中的活塞开始滑动,稳定时弹簧测力计示数为1N,此时弹簧测力计对活塞的拉力大小等于活塞受到的摩擦力,可知活塞与针筒间的摩擦力为1N;
由于摩擦力大小与压力大小和接触面的粗糙程度有关,当继续增加钩码数量,活塞受到的压力大小不变,接触面的粗糙程度不变,活塞与针筒之间的摩擦力大小不变,弹簧测力计的示数将不变;
(2)由图可知,刻度尺的分度值为0.1cm,针筒的左端和刻度尺的零刻度线对齐,右端针筒的2.0mL刻度线与刻度尺的5cm刻度线对齐,则针筒的刻度部分的总长度为5.00cm;则活塞的横截面积为:S===0.4cm2,
重新将活塞推至底端,用橡皮帽密封小孔,增加钩码数量活塞恰好始滑动时,弹簧测力计示数为4.6N,此时活塞受到弹簧测力计向左的拉力和大气压向右的压力与针筒对它向右的摩擦力作用,在这三个力的作用下,处于平衡状态,可知此时活塞受到的大气压力为:F=F拉﹣f=4.6N﹣1N=3.6N,
则大气压强为:p===9×104Pa;
在1标准大气压下,大气压的值为1.013×105Pa,实验中测得大气压值远小于1标准大气压下的值,原因可能是针筒内的空气没有排尽,弹簧测力计的拉力与针筒内空气的压力的合力等于外界大气压力与摩擦力的合力;使测得的大气压力偏小,导致测得的大气压强偏小。
26.(1)A;(2)C。
【解答】
(1)在图甲的装置中,当用吹风机抽气时,在同一时间内,通过每个管子的气体总量相同,则细管内气体流速比粗管内气体流速大,粗管内气体流速小;
如图乙所示,①②③三条图线分别对应粗细不同的三节管中气体压强随时间变化的情况,由图像可知:平稳流动的气体,流速大处压强小;图线1中压强相对较小,所以它应该是最细的管子,因此反映的是装置中A塑料管的气体压强随时间变化的情况;
(2)要想让风经过过道,过道上下两端的气压应该不同,所以过道上下两端的通风道中的空气流动速度不同;
A、过道上下两端的通风道相同,所以过道上下两端的通风道中的空气流动速度相同,故A不合理;
B、过道上下两端的通风道相同,所以过道上下两端的通风道中的空气流动速度相同,故B不合理;
C、过道上端的通风道有凸起,所以相同时间风经过过道上端的通风道时的路程长,则风速较快,所以过道上端的气压小于下端的气压,所以空气会从过道的下端流向上端,过道中有风通过。此方案不需要消耗其他能量,既有效又节能,故C合理。
D、过道中有电动机,电动机工作时过道中空气流动速度加快,气压减小,空气会从过道口流进来而通风,但需要消耗电能,故此方案虽有效但不节能,故D不合理。故选:C。
27.(1)大;压力差 (2)把漏斗倒扣,用手将乒乓球抵在漏斗中央;用力吹气 把手松开,乒乓球不会下落。
【解答】(1)通过漏斗用力吹气,乒乓球下方空气流速大,压强小,上方流速小,压强大产生一个向下的压力差,使乒乓球不掉下来;
(2)乒乓球不掉下来是不是因为乒乓球质量太大,导致乒乓球无法被吹走,针对这种想法只需要将漏斗倒扣,用手将乒乓球抵在漏斗中央,用力吹气,把手松开,乒乓球不会下落,说明不是因为乒乓球质量太大引起的。
28.(1)BADC;(2)3.8。
【解答】(1)为减少弹簧测力计悬挂物体的次数和减小实验误差,方便操作,在小桶接水前应测出其重力,所以合理的实验顺序为BADC;
(2)比较C、B两图可知石块排开的水所受的重力:F浮=G排=2.6N﹣1.2N=1.4N;
根据称重法测浮力可知:G=F浮+F示=1.4N+2.4N=3.8N。
29.(1)如上图所示;(2)乙、丙;丙、丁;(3)0.8。
【解答】(1)从圆柱体重心沿竖直向上的方向画一条带箭头的线段,用F拉表示;再过石块重心沿竖直向下的方向画一条带箭头的线段,用G表示,且这两个力大小相等,如下图所示:
(2)要验证浮力大小与物体浸在液体中的体积的关系,应控制液体密度相同,物体排开液体的体积不相等,应该选择乙、丙两图;
要验证浮力大小与液体密度是否有关,应控制物体排开液体的体积相等而液体密度不同,应选择丙、丁两图;
(3)根据图丙数据可知物体全部浸没在水中所受浮力F浮水=G﹣F3=3N﹣1N=2N,
根据阿基米德原理F浮=ρ液gV排可知物体排开水的体积V排===2×10﹣4m3,
根据阿基米德原理F浮=ρ液gV排可知物体浸没在盐水中受到的浮力为:F浮盐水=ρ盐水gV排=1.1×103kg/m3×10N/kg×2×10﹣4m3=2.2N,
根据F浮=G﹣F示得出此时弹簧测力计的示数为F示=G﹣F浮盐水=3N﹣2.2N=0.8N。
30.(1)木块移动的距离;C;(2)甲、乙;不能;(3)质量一定时,速度越大,动能越大。
【解答】(1)该实验是通过钢球推动木块移动的距离来表示小球具有的能量大小,用到了转换法;
A.认识电压时,我们可以用水压来类比,用到了类比法;
B.用磁感线来描述磁场,用到了模型法;
C.探究电功大小与哪些因素有关,通过重物提升的高度来判断电流做功的多少,属于转换法;
D.保持电阻不变,改变电阻两端电压,探究电流与电压关系,用到的是控制变量法;
所以C符合题意;
(2)为了探究物体动能大小与质量的关系,需要钢球的速度相同,质量不同,让质量不同的钢球从斜面的相同高度自由滚下,应选择甲、乙两次实验进行分析;
如果水平面是绝对光滑的,没有阻力作用,木块被撞击后将做匀速直线运动,不能通过被撞击的距离来比较动能大小,所以不能完成本实验;
(3)比较甲、丙两次实验可知,钢球的质量相同,滚下的高度不同,高度越高,速度越大,推动木块移动的距离越远,动能越大,可以得出结论:质量一定时,速度越大,动能越大。
31.转换法;乙和丙;内。
【解答】(1)该实验将无法直接直接测量的重力势能转换为小球陷落的深度,使用了转换法;
(2)想要探究重力势能与高度关系,应该选择质量相同高度不同来进行实验,故选择乙和丙;
(3)掉落过程中摩擦阻力做功,因此小球内能增加。
32.(1)木块移动的距离;钢球;(2)重力势能;质量;(3)速度;(4)阻力;做匀速直线运动。
【解答】(1)该实验中钢球动能的大小是通过木块移动的距离体现的,木块被撞的越远,说明钢球的动能越大,被撞的越近,说明钢球的动能越小,这里采用了转换法的思想;
(2)甲、乙两次实验中,将质量不同的钢球拉到相同的高度,由静止释放,小球向下摆动过程中,小球的重力势能转化为动能。不计空气阻力,钢球的机械能是守恒的,保持不变;观察到质量大的钢球将木块推动的距离更远,说明钢球对木块做功越多,钢球的动能越大,由此可以说明动能的大小和质量有关;
(3)甲、丙两次实验中,将质量相同的钢球拉到不同的高度,由静止释放,高度越高,撞击木块前的速度越大,木块移动的距离越远,动能越大,所以可以探究动能的大小和速度的关系;
(4)小聪将木块下的铁板换成光滑的玻璃板,观察木块被钢球推动的距离。我们可以探究阻力对物体运动的影响,并可推断出:如果运动物体不受力将做匀速直线运动。
33.(1)力臂;(2)3;如上图;(3)变大。
【解答】(1)实验前调节平衡蜾母使杠杆在水平位置平衡,当杠杆在不挂钩码时处于水平平衡状态时,从支点到挂钩码处杠杆的长度即为力臂长度,目的之一是方便测量力臂;
(2)设一个钩码的重力为G,杠杆一个小格代表L,图中,杠杆的左端:4G×3L=12GL,B处的力臂为4L,杠杆的右端:F2×4L=12GL,解得F2=3G,即在B处挂3个同样的钩码;
拉力F的作用点在杠杆上,方向为竖直向下,拉力大小:F1=G1=mg=4×50×10﹣3kg×10N/kg=2N。如下图:
(3)根据力臂等于支点到力的作用线的距离,如图乙所示。当弹簧测力计逐渐向右倾时,动力臂逐渐减小,阻力和阻力臂不变,由杠杆的平衡条件:动力×动力臂=阻力×阻力臂可知,要使杠杆仍然在水平位置平衡,弹簧测力计的示数必须逐渐增大。
34.(1)0.6;(2)62.5%;(3)大;(4)B。
【解答】
(1)实验过程中,应缓慢拉动弹簧测力计,使钩码竖直向上做匀速运动。测力计分度值为0.1N,第1次实验时,弹簧测力计示数如图所示,为0.6N;
(2)第2次实验时所做的有用功为:W有用=Gh=1.5N×0.1m=0.15J;
第2次做的总功:W总=Fs=0.8N×0.3m=0.24J;
滑轮组的机械效率是:η===62.5%;
(3)分析1、2、3次实验的数据可知,使用同一滑轮组提升重物时,重物重力越大,滑轮组的机械效率越高;
(4)A、增大绳重,增大了额外功,有用功与总功的比值变小,机械效率变小,故A错误;
B、减轻动滑轮重,减小了额外功,有用功与总功的比值变大,机械效率大,故B正确;
C、根据表格中3、4实验数据可知,滑轮组的机械效率与钩码上升的高度无关,根据v=可知,机械效率与物体提升的速度无关,故C错误;故选B。
35.1.2;0.75;变大;50;有关。
【解答】
由表中数据可知,斜面的长度为0.8m,则拉力所做的功:W总=Fs=1.5N×0.8m=1.2J;
有用功:W有用=Gh=3N×0.2m=0.6J,
额外功:W额=W总﹣W有用=1.2J﹣0.6J=0.6J,
由W额=fs可得,物体受到的摩擦力:f===0.75N;
匀速拉动木块上升的过程中,质量不变,速度不变,动能不变,高度增加,重力势能变大,所以木块的机械能变大;
斜面的机械效率:η=×100%=×100%=50%,
由表中数据可知,第3次实验的机械效率为66.4%,显然斜面的机械效率与斜面的倾斜程度有关。
36.(1)试触;(2)开关未断开;电流表的正负接线柱接反了;(3)C;(4)B(或A);(5)IC=IA+IB;换用不同规格的灯泡进行多次实验。
【解答】(1)为了防止损坏电流表,在不能事先估计电流大小的情况下,应先用大量程试触以正确选择电流表或电流表的量程;
(2)在连接电路时发现,刚接好最后一根导线,表的指针就发生了偏转,由此可知在连接电路时,他忘了断开开关;电流表的指针就发生了偏转,且指针向“0”刻度的左侧偏转,原因是电流表正负接线柱接反了;
(3)由图乙可知,电流表串联在干路中,测量的是干路的电流,即C点的电流;
(4)电流表与待测电路串联,原图中,电流表测量干路电流,改动后,电流表可测L2(或L1)的电流,即测量的是B(或A)处的电流;
(5)分析表中数据中,不难得出关系式:IC=IA+IB;为避免实验的偶然性,得出具有普遍性的结论,应换用不同规格的灯泡进行多次实验。
37.(1)对电压表进行调零;(2)断开;(3)UAC=UAB+UBC;(4)C。
【解答】(1)由图知,连接电路前,在检查实验器材时发现电压表指针没有指在零刻度线上,则应对电压表进行调零,使指针指在零刻度线上;
(2)连接电路时,为了避免连线错误而烧坏电路元件,开关应处于断开状态;
(3)AB 两点间的电压为 L1两端的电压,BC 两点间的电压为L2两端的电压,AC 两点间的电压为电路两端的总电压,由表中的数据可以得出:串联电路两端的总电压等于各串联电阻两端的电压之和,即UAC=UAB+UBC;
(4)小明获得结论的方法不科学,应换规格不同的灯泡多次实验,故选:C。
38.(1)如上图所示;(2)定值电阻断路;(3)1V;(4)2;(5)电压一定时,导体中的电流与导体的电阻成反比。
【解答】(1)电源电压恒为3V,电压表选用小量程并联在R两端,如下图所示:
;
(2)闭合开关,移动滑片P发现,电流表始终无示数,说明电路可能断路,电压表有示数,说明电压表与电源连通,则与电压表并联的支路以外的电路是完好的,则与电压表并联的支路断路了,即定值电阻断路;
(3)由(1)可知,电压表选用小量程,分度值0.1V,其示数为1V;
(4)根据电阻两端的电压始终保持UV=1V,由串联电路电压的规律,变阻器分得的电压:
U滑=U﹣UV=3V﹣1V=2V,
定值电阻分得的电压为变阻器分得电压的=0.5倍,根据分压原理,当变阻器的最大电阻50Ω连入电路中时,对应的定值电阻最大值为:
R滑=0.5×50Ω=25Ω,继续实验的电阻最多还有2个;
(5)利用可选电阻继续实验,并得到结论:电压一定时,导体中的电流与导体的电阻成反比。
39.(1)③;D;J(或K);(2)如上图所示;(3)如上图2所示;(4)在电阻一定时,通过电阻的电流与其两端的电压成正比。
【解答】(1)原电路中,电阻与电流表并联,电压表串联在电路中是错误的,应该将导线③的D端改接在J(或K)点;
(2)从电源正极依次串联开关、电流表、定值电阻以及滑动变阻器回到电源负极,电压表并联在定值电阻两端,如下图所示:
;
(3)根据表中数据用描点法作图;将各点平滑地连接起来,如下图所示:
;
(4)在允许的误差范围内,由图看出,在电阻一定时,电流、电压关系图线为一过原点的直线,可得出的结论是:在电阻一定时,通过电阻的电流与其两端的电压成正比。
40.(1)温度;相等;(2)C;(3)串;大;(4)多。
【解答】(1)电流做的功即产生的热量不能直接测量,根据W=Q=cm△t,可通过比较相同质量的同种液体升高的温度来比较产生的热量多少,故实验中通过观察两支温度计示数变化来比较电流做功的多少;
为比较两电阻做功的多少,两瓶煤油的质量应相等。
(2)借助煤油温度变化的大小来判断电流做功的多少,因此温度的变化越明显越好;质量相同的水和煤油,吸收相同的热量时,由于煤油的比热容较小,根据△t=可知,煤油的温度变化较大,故选C。
(3)根据串联电路电流的规律,两瓶中电阻串联使得通过它们的电流和通电时间相等,甲瓶中的电阻丝较长,根据影响电阻大小的因素可知,甲电阻丝的电阻较大,其电压较高。
(4)甲、乙两根电阻丝串联在电路中,电流和通电时间相同,甲瓶温度升高较多,根据W=Q=cm△t可知,电流对甲电阻丝做功较多;这表明:在电流和通电时间相同的情况下,导体两端的电压越高,电流做功越多。
41.(1)电阻Rx断路;(2)10;(3)②闭合开关后,将滑动变阻器的滑片P移到b端,电流表示数为I2;③。
【解答】(1)闭合开关后,发现电流表无示数,说明电路可能断路;电压表有示数,说明电压表与电源连通,则与电压表并联的支路以外的电路是完好的,则与电压表并联的支路断路了,若电路只有一处故障,则故障可能是电阻Rx断路;
(2)故障解决后,重新闭合开关,调整滑动变阻器得到电压表和电流表示数如图乙和丙所示,电压表选用小量程,分度值0.01V,其示数为2.4V;电流表选用小量程,分度值0.02A,其示数为0.24A,该电阻此次测量的阻值为:
R===10Ω;
(3)①闭合开关后,将滑动变阻器的滑片移到a端,记录此时的电流表示数为I1
②闭合开关后,将滑动变阻器的滑片P移到b端,电流表示数为I2;
③在①中,Rx与变阻器串联,将滑动变阻器的滑片P移到a端,此时变阻器阻值最大,电流为I1;电源电压为:
U=I1(Rx+R0)①
在②中,将滑动变阻器的滑片P移到b端,只有Rx工作,电流表示数为I2,电源电压为:
U=I2Rx②
电源电压不变,由①和②得到
Rx=。
42.(1)如上图所示;(2)右;(3)②滑片的位置不动;③。
【解答】(1)滑动变阻器上下各选一个接线柱串联在电路中,且滑片在阻值最大处,由图甲知滑片在最左端,所以接右下接线柱,如下图所示:
;
(2)电压表示数为1.8V,小于灯泡额定电压,为测灯泡额定功率,需增大灯泡两端电压,减小滑动变阻器两端的电压,由串联电路的分压原理,应减小滑动变阻器接入电路的阻值,故向右移动滑片,使电压表示数等于灯泡额定电压2.5V;
(3)①按照图乙连接好电路,闭合开关S1,使开关S2接1,调节滑动变阻器,使电压表示数为2.5V;
②使开关S2接2,保持滑片的位置不动,读出电压表的示数U1;
③在①中,灯泡与定值电阻串联,电压表测灯泡两端电压且灯泡正常发光;
在②中,灯泡与定值电阻串联,电压表测灯泡和定值电阻两端电压,由于滑片的位置不动,电路中电阻不变,电流不变,灯泡正常发光,根据串联电路电压规律,定值电阻两端的电压为U0=U1﹣2.5V,电路中的电流I==;
则灯泡额定功率的表达式为:
P额=U额I=2.5V×=。
43.(1)C;(2)4;电流;(3)R3断路。
【解答】(1)电流通过导体产生热量的多少不能直接观察,但可以通过液面高度差的变化来反映,这种研究方法叫转换法,比较不同物质的吸热情况,物体吸收热量的多少不能直接观察,但可以通过温度计示数的变化来反映,故选C;
(2)根据控制变量法可知,探究电流通过导体时产生热量的多少跟电流大小关系必须让两电阻的电流不同,控制左右容器内两导体的阻值应相等,才能探究电流产生的热量与电流的关系,所以甲容器内电阻丝的阻值R1=R2=4Ω,乙容器外部的电阻的作用是为了使左右容器内导体的电流不相等;
(3)实验发现左右两侧U形管液面上升高度相同,说明左右两侧产生的热量相同,因为R1=R2,且R1和R2产生的热量相同,说明R3中没有电流,故可能电阻R3断路了。
44.(1)总功率;电流;热;磁;(2)零;并;(3)800。
【解答】(1)电线都有允许通过的最大电流值,如果电流超过允许通过的最大电流值,即总功率过大,则电流会使电线发热引起火灾,这就是物理中所说的过载,也就是我们生活中所说的“超负荷”;
电流通过导体时电能转化成热,这种现象叫电流的热效应。熔断器中的熔丝就是保险丝,它之所以被熔断是由于电流过大,通过熔丝时产生的热量过多,使得熔丝的温度升高而被熔断,所以熔丝熔断是电流的热效应引起的;
通电导线周围存在磁场,这种现象叫电流的磁效应。由图可知,空气开关中有一个电磁铁(电磁铁的原理是电流的磁效应),当电流过大时,电磁铁会产生较强的磁性从而吸引衔铁,使开关断开,切断电路,所以空气开关切断电路是电流的磁效应引起的。
(2)图丙是插座背面接线示意图,根据开关应接在火线上可知,中间的电线是火线,最上面的一根线应该是零线;两孔插座与三孔插座的用电器可以独立工作、互不影响,则两孔插座与三孔插座是并联的;
(3)转盘转动24转,则电饭煲消耗的电能:W=kW•h=kW•h;
因此时电饭煲正常工作,则电饭煲的额定功率:P===0.8kW=800W。
45.(1)①磁感线;②右;③改变电流方向;(2)①条形;左;②电流方向;安培。
【解答】(1)①由题意知,为了直观、形象地描述磁场而在磁体周围画出的一些带箭头的曲线叫做磁感线;
②由图示知,通电螺线管两端的小磁针的N极都指向右,据同名磁极互排斥,异名磁极相互吸引知,通电螺线管的右端为N极,左端为S极。
③要探究通电螺线管的极性与电流方向的关系,在其它因素不变的情况下,改变通过螺线管的电流方向,可将与螺线管相连的电源的正负极调换,观察小磁针的指向有无改变。
(2)①图乙中,通电螺线管周围小磁针的指向与条形磁体周围小磁针的指向相似,所以通电螺线管周围的磁场跟条形磁体的磁场相似;
图乙中,通电螺线管左端小磁针的N极(涂黑端)指向右,由磁极间的相互作用规律可知,通电螺线管的左端为S极;
②将电源的正负极对调,则通过螺线管的电流方向相反,小磁针的指向与之前相反,说明螺线管的磁极与之前相反,所以通电螺线管的极性与电流方向有关;
实验研究表明,通电螺线管的极性跟电流方向间的关系,可用安培定则来判定。
46.(1)磁性强弱;(2)电磁铁通电时具有磁性,断电时无磁性;(3)电磁铁磁性强弱与电流大小的关系。
【解答】(1)电磁铁的磁性强弱无法直接测量或观察,把电磁铁吸引大头针个数的多少来反映电磁铁磁性的强弱;
(2)如图A,开关断开时,电路中无电流,电磁铁不吸引大头针,说明电磁铁不具有磁性;
如图B,开关闭合电路中有电流,电磁铁吸引大头针,说明电磁铁具有磁性;故结论为:电磁铁通电时具有磁性,断电时无磁性;
(3)由B、C得,滑动变阻器滑片向左移动时,滑动变阻器连入电路的电阻变小,电路中电流变大,电磁铁吸引大头针数量增加,电磁铁的磁性增强,所以B、C探究的是电磁铁磁性强弱与电流大小的关系。
47.(1)偏转;不偏转;偏转;偏转;(2)导体运动方向、磁场方向。
【解答】(1)闭合开关,从右向左水平快速移动导体棒ab,导体棒ab在磁场中做切割磁感线运动,导体中会产生感应电流,能观察到灵敏电流表的指针发生偏转;
从上到下竖直快速移动导体棒ab,导体棒ab在磁场中没有做切割磁感线运动,导体中不会产生感应电流,观察到灵敏电流表的指针不偏转;从左下向右上倾斜快速移动导体棒ab,导体棒ab在磁场中做切割磁感线运动,导体中会产生感应电流,能观察到灵敏电流表的指针发生偏转;当导体棒ab不动,从左向右水平快速移动蹄形磁铁时,导体棒ab在磁场中做切割磁感线运动,导体中会产生感应电流,能观察到灵敏电流表的指针发生偏转;
(2)当导体棒ab运动产生感应电流时,如果沿与原来相反的方向移动导体棒ab(其它条件不变),发现灵敏电流表的指针偏转方向发生改变,这说明感应电路的方向与导体运动的方向有关;如果将蹄形磁铁的两极对调(其它条件不变),灵敏电流表的指针偏转方向也发生改变,这说明感应电流的方向与磁场的方向有关;由此说明感应电流的方向与导体运动方向、磁场方向有关。
48.(1)力;(2)对调电源正负极接线或改变磁场的方向;(3)偏转;发电机。
【解答】(1)由图知,电路中有电源,通电导体在磁场中会受到力的作用,这是电动机的工作原理;
(2)通电导体在磁场中受力的方向与电流方向有关,若想改变金属棒ab运动的方向,可以采用的方法是:对调电源正负极接线或改变磁场的方向;
(3)若将图中的电源换成电流表,闭合开关,让导体ab左右摆动,导体做切割磁感线运动,发现电流表指针偏转,表明导体ab中有感应电流通过,这是电磁感应现象,此过程中导体ab的机械能转化为电能,由此现象中能量转化原理,人们在生产、生活中制成了发电机。
49.(1)③;(2)电源;(3)100次;(4)B。
【解答】(1)操作③中导体做切割磁感线运动能在电路中产生电流,操作①②④中导体没有做切割磁感线运动不能在电路中产生电流;
(2)在探究磁场对通电导体的作用的实验电路中需要有电源,他只需将电流表换成电源即可;
(3)我国供生产和生活用的交流电频率为50Hz,电流方向每秒内变化的次数为100次;
(4)观察轮子部分构造可知,溜冰时磁环随轮周转动,相当于金属线圈做切割磁感线运动,电路中产生感应电流,使二极管发光,属于电磁感应现象;
A、通电导线在磁场受到了力的作用,说明磁场对电流的作用,故A不符合题意;
B、动圈式话筒利用的是电磁感应原理,与轮子的发光原理相同,故B符合题意;
C、电磁继电器是利用通电螺线管具有磁性,吸引衔铁,使工作电路接通。它的实质是一个开关,故C不符合题意。
D、该实验是奥斯特实验,说明通电导体周围存在磁场,故D不符合题意。故选:B。
50.(1)磁效应;(2)灯泡;(3)N;增大电源电压(增加电磁铁线圈的匝数或使用弹性较小的弹簧)。
【解答】(1)控制电路接通时,通过电磁铁有电流,电磁铁会产生磁性,能吸引衔铁,这说明电流具有磁效应;
(2)当环境温度低于设定的警戒温度时,控制电路是断开的,电路中无电流,衔铁会被拉起,使得工作电路中灯泡接入电路中,灯泡工作;
(3)由图可知,电磁铁中的电流是从下端流入,上端流出,根据安培定则可知,电磁铁的上端为N极;
若衔铁右端受力向下移动距离过小,这说明电磁铁的磁性较小,若要增大磁性,可以通过增大电源电压来增大电路中的电流,也可以增加电磁铁线圈的匝数;在电磁铁的吸引力不变的情况下,可以使用弹性较小的弹簧。
声明:试题解析著作权属菁优网所有,未经书面同意,不得复制发布日期:2022/5/9 15:51:39;用户:18331319552;邮箱:18331319552;学号:30390512
相关试卷
这是一份中考物理一轮复习突破练习专项16 力学探究性实验专练(含解析),共33页。
这是一份中考物理一轮复习突破练习专项17 电学探究性实验专练(含解析),共42页。试卷主要包含了探究并联电路的电流规律等内容,欢迎下载使用。
这是一份中考物理专项突破——电学实验通用版,共13页。试卷主要包含了探究电流与电阻的关系等内容,欢迎下载使用。

