2021年中考物理专项突破题集 专项17 电学探究性实验专练(通用版)
展开专题17 电学探究性实验专练
电流 电压 电阻
1.(2020·恩施)在探究电路的实验中,用铜导线按如图甲连接好元件,闭合开关后,两表示数如图。
(1)在连接两电流表的导线中,实际电荷定向移动方向是______ (选填“向左”、“向右”或“无规则运动”);
(2)在使用电流表前发现其指针偏向0刻线左侧,应调节表盘下面的______,使指针归0;
(3)通过L1、L2的电流分别是______A、______A。
【答案】向左 调零螺丝 0.76 0.24
【解析】
(1)在连接两电流表的导线中,电流方向是由左往右的,而导线中实际上定向移动的是自由电子,所以其方向是由右向左的。
(2)使用电流表前,若其指针偏向0刻度线的左侧,应调节表盘下面的调零螺丝,使指针归零。
(3)由电路图知,电路中灯L1、L2并联,电流表A1测干路的电流,A2测灯L2这一支路的电流,即图乙是A1的示数,图丙是A2的示数,所以电路总电流I=1A,通过灯L2的电流I2=0.24A,据并联电路的电流特点得,通过灯L1的电流I1=I-I2=1A-0.24A=0.76A
2.(2020·成都)在“连接并联电路”的实验中,小红同学用两个不同的小灯泡组成了如图所示的电路。
(1)连接电路时,开关S应该处于__________状态;
(2)她将所有开关闭合,发现S1支路的灯不亮,S2支路的灯发光。于是她断开所有开关,交换两灯位置后,再闭合所有开关,发现仍然是S1支路的灯不亮,S2支路的灯发光。故障的原因可能是_________;
A.某个灯泡的灯丝断路
B.干路上某根导线断路
C.S1支路某根导线断路
D.S2支路某根导线断路
(3)她排除故障后,继续进行实验。为了探究开关S1的作用,在观察灯泡发光情况时,她应该_________。
A.同时观察两个支路上的灯泡
B.只观察S1所在支路上的灯泡
C.只观察S2所在支路上的灯泡
【答案】断开 C A
【解析】
(1)为了电学元件的安全,在连接电路时,开关应该断开,所以开关S应该处于断开状态。
(2)图所示,闭合所有开关后电路为并联电路,将所有开关闭合,发现S1支路的灯不亮,S2支路的灯发光,说明干路和开关S2所在支路没有问题,故BD不符合题意;交换两灯位置后,再闭合所有开关,发现仍然是S1支路的灯不亮,S2支路的灯发光,说明灯泡没有问题,只能是开关S1所在支路某根导线断路,故A不符合题意,C符合题意。故选C。
(3)为了探究开关S1的作用,在其他两个开关闭合或者断开的情况下,通过操作开关S1,同时观察观察支路上两个灯泡的亮暗情况来判断开关S1的作用;故应该选A。
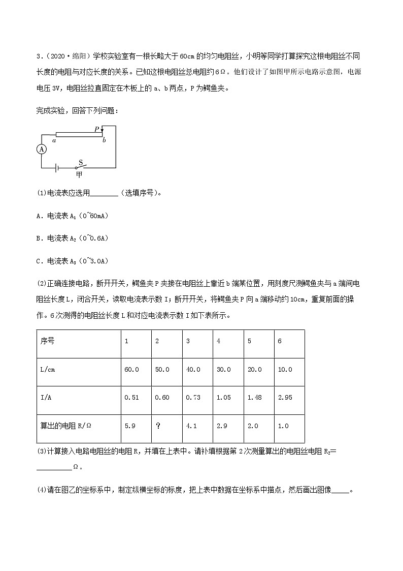
3.(2020·绵阳)学校实验室有一根长略大于60cm的均匀电阻丝,小明等同学打算探究这根电阻丝不同长度的电阻与对应长度的关系。已知这根电阻丝总电阻约6Ω。他们设计了如图甲所示电路示意图,电源电压3V,电阻丝拉直固定在木板上的a、b两点,P为鳄鱼夹。
完成实验,回答下列问题:
(1)电流表应选用________(选填序号)。
A.电流表A1(0~60mA)
B.电流表A2(0~0.6A)
C.电流表A3(0~3.0A)
(2)正确连接电路,断开开关,鳄鱼夹P夹接在电阻丝上靠近b端某位置,用刻度尺测鳄鱼夹与a端间电阻丝长度L,闭合开关,读取电流表示数I;断开开关,将鳄鱼夹P向a端移动约10cm,重复前面的操作。6次测得的电阻丝长度L和对应电流表示数I如下表所示。
序号
1
2
3
4
5
6
L/cm
60.0
50.0
40.0
30.0
20.0
10.0
I/A
0.51
0.60
0.73
1.05
1.48
2.95
算出的电阻R/Ω
5.9
?
4.1
2.9
2.0
1.0
(3)计算接入电路电阻丝的电阻R,并填在上表中。请补填根据第2次测量算出的电阻丝电阻R2=__________Ω。
(4)请在图乙的坐标系中,制定纵横坐标的标度,把上表中数据在坐标系中描点,然后画出图像_____。
(5)根据你画出的图像,__________(选填“可以”或“不可以”)得到结论:在误差范围内,电阻丝的电阻与其长度成正比。
【答案】C 5.0 可以
【解析】
(1)实验过程中电压为3V,最大电阻为6Ω则电路中最小电流为,所以应选择电流表A3(0~3.0A)。
(3)第二次试验的电流为0.6A,则其电阻为
(4)令横坐标轴每一小格为2cm,纵坐标轴每一小格为0.2Ω根据表中数据逐个画点,然后将点连线,如下图:
(5)由图乙可看出在误差范围内电阻丝的电阻与其长度的比值为定值,故可得到结论:在误差范围内,电阻丝的电阻与其长度成正比。
4.(2020·绥化)如图甲是小明“探究串联电路的电压规律”的实验电路图。
(1)连接电路时,开关应______。实验时,灯L1和灯L2的规格应______。(填“相同”或“不相同”)
(2)闭合开关后,小明发现两灯都不发光,于是分别把电压表接在图甲中AB两点、BC两点及AC两点,测得数据分别是UAB=3V,UBC=0V,UAC=3V;小明检查发现只有灯L1和灯L2中的一盏出现故障,则故障可能是______。
(3)处理好故障后,小明把电压表接在AB之间重新测量,电压表示数如图乙所示,电压表的分度值是______V;为了使实验结果更准确,接下来小明应该:断开开关______。
(4)正确实验后,小明分析多组数据得出结论______。(请使用文字叙述)
【答案】断开 不相同 L1断路或L1开路或L1接触不良 0.5 电压表改接0~3V量程或电压表改接小量程 见解析
【解析】
(1)为了保护电路,连接电路时,开关应断开;为了使实验结论具有普遍性,应选用不同规格的灯泡进行实验。
(2)把电压表接在图甲中AB两点,UAB=3V,说明AB两点的外侧是通路,把电压表接在BC两点,UBC=0V,说明BC两点的外侧有断路,把电压表接在AC两点,UAC=3V,说明AC两点的外侧是通路,所以故障可能是L1断路。
(3)电压表示数如图乙所示,电压表的量程是0-15V,电压表的分度值是0.5V;图乙中电压表的示数是2V,为了使实验结果更准确,需要选择0~3V量程。
(4)由实验数据可知,串联电路中,电源两端电压等于各用电器两端电压之和。
5.(2020·襄阳)某物理兴趣小组在“探究导体电阻大小与导体长度的关系”实验中,他们在如图所示电路中的A、B两点间接入待研究的电阻丝,电源电压恒定。忽略电阻丝电阻随温度变化的影响,待用电阻丝的规格如表格所示。
序号
材料
长度
横截面积
1
碳钢合金丝
L
S
2
镍铬合金丝
2L
S
3
镍铬合金丝
L
2S
4
镍铬合金丝
2L
2S
(1)他们应选择序号为______的两根电阻丝来研究;
(2)从表中所给电阻丝的规格看,还可以用这些电阻丝来做另一个探究实验,即探究导体电阻大小与导体______的关系,这次你应该选择序号为______的两根电阻丝来做实验。
【答案】3、4 横截面积 2、4
【解析】
(1)要探究导体电阻大小与导体长度的关系,根据控制变量法的思路,应该选择材料和横截面积都相同的两根电阻丝。从表格中可知,序号3和序号4的材料、横截面积都相同,所以应选择序号3与序号4的两根电阻丝来研究。
(2)从表中所给电阻丝的规格看,序号2、3、4的材料都相同,长度和横截面积不完全相同,而序号2和4的材料、长度都相同,只有横截面积不同,故可以用2、4探究电阻与横截面积的关系。
6.(2020·凉山)如图所示,是探究影响导体电阻大小因素的实验装置图,实验中分别把a、b、c、d四根导线接入电路,其中导线a、b、d长度相同,a、b、c粗细相同,b、d粗细不同。
(1)该实验是通过观察电流表的示数来间接比较导线电阻的大小,这种科学研究问题的方法是_______法;
(2)选用_______两根导线分别接入电路中进行实验,是为了探究电阻大小跟导体的长度有关;
(3)选用a、b两根导线分别接入电路中进行实验,是为了探究电阻大小跟导体的_______有关;
(4)选用_______两根导线分别接入电路中进行实验,是为了探究电阻大小跟导体的横截面积有关。
【答案】转换 b、c 材料 b、d
【解析】
(1)该实验中,通过电流表的示数大小间接得知接入电阻丝的阻值大小,应用了转换法。
(2)由题意可知,导线b、c的粗细、材料均相同、长度不同,故可以探究的电阻大小与长度的关系。
(3)由图可知,导线a、b的粗细、长度均相同、材料不同,因此选用导线a、b分别接入电路中,是为了探究电阻大小跟导体的材料有关。
(4)要探究电阻大小跟导体的横截面积有关,需要控制导体的材料和长度相同,横截面积不同;由图可知,导线b、d的长度、材料均相同、粗细不同,因此选用导线b、d分别接入电路中。
7.小高同学准备按如图甲所示的电路图探究并联电路中电流的规律。
(1)请你用笔画线代替导线,按电路图将图乙中实物电路连接完整___________。
序号
开关状态
电流表示数
1
仅闭合
2
、都闭合
(2)当他正确地连接电路,并完成右上表序号1、2步骤操作,则根据表中数据可知:当开关、都闭合时,通过灯的电流为___________。
(3)另一位同学也按图甲电路进行实验,连接好电路,闭合开关,发现灯发光,电流表有示数;当他将开关和都闭合时,发现发光,而灯不发光,电流表的示数没有变,则电路可能出现的原因是灯___________(填“断路”或“短路”)。
【答案】 断路
【解析】
(1)甲图中,两灯并联,开关与灯串联,只控制这个灯;控制整个电路,根据电路图连接实物图,如图所示:
。
(2)仅闭合时,为的简单电路,电流表测电路的电流,电流表示数为;两并联都闭合时两灯并联,电流表测干路的电流,电流表示数为,根据并联电路各支路互不影响,此时通过的电流仍为,由并联电路电流的规律,当开关和都闭合时,通过灯的电流为
(3)若灯短路,则也短路,不发光,还会造成电源短路,故灯短路不可能;若灯断路,灯不发光,由并联电路各支路互不影响,发光,电流表的示数不变,符合题意,故电路可能出现的原因是断路。
8.在研究串、并联电路的电流特点时,小明同学分别做了如下两组实验。
实验一:小明设计了如图甲所示的电路探究串联电路的电流特点。
(1)闭合开关后,他发现灯L1亮,L2不亮,小明猜想灯L2不亮的原因可能是:①灯L2出现了短路;②灯L2发光太暗。为了验证他的猜想是否正确,小明把灯L2从灯座上拧下来后,发现灯L1仍发光,则他的猜想_____(填序号)是合理的。
(2)排除故障后,他发现电流表甲和乙的示数分别为0.18A和0.16A,为什么两个电流表示数不同呢?小明认为电流先达到电流表甲,经过灯L2时被消耗了一些,因此到达电流表乙时会少一些。他的想法是____(正确/错误)的,最简便的验证操作是____(填字母)
A.换不同的灯泡做实验 B.将L1 L2对调位置
C.将甲乙两个电流表的位置对调 D.将电源正负极对调。
实验二:小明设计了如图乙所示的电路探究并联电路的电流特点。
(3)图丙是小明连接的实物连接图,此时电流表测的是_____(干路/L1/L2)的电流。若要测灯L1的电流,请你在图上只改动一根导线,完成电路的连接。(在需改动的导线上打“×”,再画出重新连接后的导线)(________)
(4)小明测出了L1支路的电流I1=0.52A,L2支路和干路上的电流I2和I分别如图丁所示,可读出:I2=________A,I=________A。根据测量结果,小明得出并联电路中干路电流等于各支路电流之和的结论,他的结论______(可靠/不可靠)。
【答案】① 错误 C 干路 0.58 1.1 不可靠
【解析】
(1)由图甲可知,L1与L2串联,闭合开关后,灯L1亮,L2不亮,表明电路不会出现断路,把灯L2从灯座上拧下来后,发现灯L1仍发光,表明L2发生短路。
(2)串联电路中电流处处相等,图中造成两个电流表示数不同的原因可能是两个电流表的读数误差或指针未调整,故他的想法是错误的。最简单的方法是将甲乙两个电流表的位置对调,再观察读数,然后与第一次的读数比较,故选C。
(3)由图丙可知,电流表接在干路上,可知电流表测干路电流;如果要测L1电流,则应使电流表与L1串联,如图所示:
(4)由图丁可知,测L2支路电流的电流表用的是0-0.6A量程,最小分度为0.02A,指针读数为0.58A;测干路电流的电流表使用的是0-3A量程,最小分度为0.1A,指针读数为1.1A;仅凭一组数据就得出并联电路中干路电流等于各支路电流之和的结论是不可靠的。为了避免偶然性,使探究得出的结论具有普遍意义,应该换用不同规格的灯泡。
9.探究并联电路的电流规律。
(1)实验时,接好电路后,闭合开关发现两灯都亮。但由于连线校乱,一时无法检查两灯是申联还是并联,小明灵机一动,随意拆下一根导线,发现两灯都熄灭,因此他认定两灯连成了串联,小明的方法是______的(正确/错误),理由是_______。
(2)若在某次测量时,按甲图连好电路闭合开关前,发现电流表指针位置如图乙所示,则应该_______;排除问题后闭合开关,发现指针又偏向图乙位置,其原因是_______。
(3)纠正(2)中错误后,分别测出A、B、C三处的电流值,如表所示。由此得出结论:井联电路中,干路电流等于各支路电流之和,且各支路的电流相等。这个实验在设计方案上还存在的不足之处是:_______(写出一条)。
IA/A
IB/A
IC/A
0.18
0.18
0.36
(4)小军连接了如图丙的实物连接图,此时电流表测的是_______(L1/L2/干路)的电流。若要测灯L1的电流,请你在图上只改动一根导线,完成电路的连接_______。(在需改动的导线上打“×”,再画出重新连接后的导线)
(5)根据上述结论,应用到如图丁中,图中已标明了电流的方向,若b、c、d中的电流大小分别为0.3A、0.6A、0.2A,则a中的电流大小为______A。
【答案】错误 拆下并联电路中干路上的导线,亮着的灯也会熄灭 对电流表调零 电流表的正负接线柱接反 测量次数过少,结论不具有普遍意义 干路 0.1
【解析】
(1)小明的方法是错误的,因为拆下并联电路中干路上的导线,亮着的灯也会熄灭。
(2)若在某次测量时,按甲图连好电路闭合开关前电路无电流,发现电流表指针位置如图乙所示,指针不在零刻度线上,则应该对电流表调零;排除问题后闭合开关,发现指针又偏向图乙位置,指针反偏,说明电流表的正负接线柱接反了。
(3)实施在设计方案上存在不足,选用的灯泡规格相同,且测量次数过少,实验结果具有偶然性,结论不具有普遍意义。
(4)小军连接了如图丙的实物连接图,此时电流表测的是干路的电流;若要测灯L1的电流,需让电流表与其串联在支路中,改动一根导线如图所示:
。
(5)根据上述结论,应用到如图丁中,图中已标明了电流的方向,若b、c、d中的电流大小分别为0.3A、0.6A、0.2A,则根据流入的电流大小等于流出的电流大小可知,a中的电流大小为
10.李小芳同学在物理实验室对串联电路电压规律进行实验探究时,利用现有的器材按如下步骤进行了操作:
(1)按图所示的电路图连接电路;
(2)闭合开关S,用电压表测出L1两端的电压;
(3)在测L2两端的电压时,李小芳同学为了节省试验时间,采用以下方法:电压表所接的B接点不动,只断开A接点,并改接到C接点上;
(4)测出AC间的电压。
UAB/V
UBC/V
UAC/V
3.1
1.4
4.45
对小芳同学以上实验操作评价是:
①在拆接电路时,开关应该______;
②小芳同学用上面的方法能否测出L2两端的电压______?为什么?______;
(5)方法改进后,测出AB、BC、AC间的电压记录在如表中,小芳同学依据本次实验数据可以得出的结论是:串联电路总电压______各用电器两端的电压之和(填“等于”或“不等于”);
(6)这个实验在设计方案上存在的不足之处是______。
【答案】断开 不能 此时电压表正负接线柱接反了 等于 见解析
【解析】
(4)在连接电路时,开关应处于断开状态,避免连接错误导致器材损坏;不能,电压表所接的B接点不动,只断开A接点,并改接到C接点上,电压表的正负接线柱接反了。
(5)如表中数据所示,串联电路总电压等于各用电器两端的电压之和。
(6)他只做了一次实验,没有进行多次测量,只凭借一组实验数据得出的实验结论具有偶然性,不能得到具有普遍性的实验结论。
11.小徐和小静探究“并联电路电压的关系”时,小徐先按图甲所示电路图连成图乙所示的实物图(电压表尚未连接)。
(1)连接电路时,开关应处于__状态。
(2)小静一眼就看出了小徐连接(图乙)的错误,并指出如果直接闭合开关将出现__(选填“断路”或“短路”)现象,小灯泡L1、L2都不会亮,还可能会造成滑动变阻器或__损坏。
(3)小静只更改跟L1、L2的四个接线柱A、B、C、D相连的某根导线的一端,就使电路连接正确了。她的做法可能是将导线__的__端改接到__接线柱上(写出一种即可)。
(4)接下来,他们按图丙所示电路图连接了三个电压表。实验过程中,通过调节滑动变阻器使电压表V1的示数如图丁所示,则电压表V的示数是__V。
(5)在图丙中,为了进行多次测量,在不更换电源和灯泡的情况下,可进行的操作是__。闭合开关前,滑动变阻器的滑片P应置于__端(选填“左”或“右”),目的是__。
【答案】断开 短路 电源 ② A B 2.5 移动滑动变阻器滑片,改变灯泡两端电压 左 保护电路
【解析】
(1为了保护电路,连接电路时,开关应处于断开状态。
(2)小徐连接(图乙),如果开关闭合,电源正负极直接连在一起,导致短路,这样还可能会造成滑动变阻器或电源损坏。
(3)将导线②的A端改接到B接线柱上,此时L1、L2并联,电路连接正确。
(4)如图丁所示,电压表的量程为0到3V,读数为2.5V。
(5)探究“并联电路电压的关系”中,为了进行多次测量,在不更换电源和灯泡的情况下,可以移动滑动变阻器滑片,改变灯泡两端电压;为了保护电路,闭合开关前,滑动变阻器的滑片P应置于左端。
12.小南和小开在“探究串联电路电压规律”的实验中,设计了如图甲所示的电路。
(1)为了使探究得出的结论具有普遍性,应多次实验,关于灯泡的选择,以下几种方案最佳的是______填选项前的字母);
A.每次都选择相同规格的灯泡
B.每次都选择不同规格的灯泡
C.分别选择相同规格和不同规格的灯泡各做几次实验
(2)连接电路前检查器材时,小南发现电压表的指针如图乙所示,则应该先将电压表______;
(3)将问题解决并接好电路后,闭合开关发现两灯都亮,但由于连线较乱,一时无法确定两灯是串联还是并联,小南灵机一动,随意拆下一根导线,发现两灯都熄灭,因此他判断两灯是串联的,小南判断的方法是______(选填“正确”或“错误”)的;
(4)如图甲,小南和小开为了节省时间,在测完两端的电压后,将电压表所接的B接点不动,只断开A接点,并把接线改接到C接点上,这个方法______(选填“能”或“不能”)测出两端的电压,理由是______;
(5)在某次更换灯泡后闭合开关,发现两灯都不发光,于是小南分别把电压表接在图甲中两点、两点及两点,测得数据分别是,,;小南检查发现只有灯和灯中的一盏出现故障,则故障原因可能是______;
(6)某次实验中,测得灯泡两端的电压比两端的电压大,则灯泡的电阻______(选填“大于”或“小于”)灯泡的电阻;若两灯泡灯丝长度和材料都相同,则______的灯丝更细。
【答案】C 正、负接线柱调换 错误的 不能 电压表的正、负接线柱接反 L1断路 大于 L1
【解析】
(1)为了使探究得出的结论具有普遍性,分别选择相同规格和不同规格的灯泡各做几次实验,故AB不符合题意,C符合题意。故选C。
(2)如图所示电压表的指针出现反偏,所以接下来的操作应该是将电压表的正、负接线柱调换。
(3)根据题意可知,随意拆下一根导线,发现两灯都熄灭,有两种可能,一种是拆掉的是干路中的导线,两灯泡并联也不会发光,另一种可能是两灯泡串联,拆掉任意一根与灯泡串联的导线,两灯泡也都不亮,故小南判断的方法是错误的。
(4)如图甲,小南和小开为了节省时间,在测完L1两端的电压后,将电压表所接的B接点不动,只断开A接点,并把接线改接到C接点上,这个方法会导致电压表的正负接线柱接反,因此这种方法是错误的。
(5)在某次更换灯泡后闭合开关,发现两灯都不发光,于是小南分别把电压表接在图甲中两点、两点及两点,测得数据分别是,,;小南检查发现只有灯L1和灯L2中的一盏出现故障,则故障原因可能是L1断路。
(6)根据串联电路的电流处处相等,某次实验中,测得灯泡L1两端的电压比L2两端的电压大,则灯泡L1的电阻大于灯泡L2的电阻;若两灯泡灯丝长度和材料都相同,灯丝越细,电阻越大,则L1的灯丝更细。
13.同学们在“探究影响导体电阻大小的因素”实验时,实验室提供了4根电阻丝,规格、材料如表所示,小兵、小红两位同学做出了如下猜想:
编号
材料
长度/m
横截面积/mm2
A
镍铬合金
0.5
0.5
B
镍铬合金
1.0
0.5
C
镍铬合金
0.5
1.0
D
锰铜合金
0.5
0.5
①导体的电阻与导体的长度有关;
②导体的电阻与导体的横截面积有关;
③导体的电阻与导体的材料有关;
为了验证上述猜想,他们设计了如图所示的实验电路:
(1)在M、N之间分别接上不同的导体,则通过观察___________来比较导体电阻的大小。
(2)为了验证上述猜想③,应该选用编号___________两根电阻丝进行实验。
(3)如果选用编号为A、C两根电阻丝进行实验,是为了验证猜想___________(填序号)。
(4)为了验证猜想①小红分别将A和B两电阻丝接入电路中M、N两点间,发现电阻丝A接入时电流表示数较大,说明其电阻较___________;由此,得到的结论是:材料与横截面积相同的电阻,长度越___________电阻越大。
(5)在最近几年,我国城乡许多地区进行了输电线路的改造,将原来细的铝质输电线换成较粗的铝质输电线这样就___________(选这“增大”或“减小” 了输电线的电阻,从而可以减小输电线上的电能损失。
【答案】电流表示数 AD ② 小 长 减小
【解析】
(1)在M、N之间分别接上不同的导体,可通过观察电流表示数来比较导体电阻的大小。
(2)要验证猜想③导体的电阻与导体的材料有关,应控制导体长度与横截面积相同而材料不同,由表中数据可知,应选编号为A、D的两根电阻丝进行实验。
(3)如果选用编号为A、C两根电阻丝进行实验,导体的材料和长度相同,横截面积不同,为了研究导体电阻与导体横截面积的关系,是为了验证猜想②。
(4)分别将和两电阻丝接入电路中M、N两点间时,A的长度要小于B的长度,电阻丝A接入时电流表示数较大,表明此时电路中的电阻较小,即导线的电阻小;由此,得到的结论是:材料和横截面积一定,导体越长电阻越大。
(5)细的铝质输电线换成较粗的铝质输电线,导线的横截面积增大了,电阻值减小了,导线上消耗损失的电能也就减小了,从而起到节能的效果。
14.实验桌上有如图所示的实验器材,小云同学在导线夹M、N间连入不同的电阻丝探究“导体电阻大小与横截面积是否有关”,并将实验数据记录在下面的表格中。本实验中电源电压保持不变。
(1)小云同学研究的问题的因变量是______;
(2)本实验中通过观察______的大小来判断电阻的大小,运用的物理研究方法是_______;(选填“转换法”或“控制变量法”)
(3)她应选择代号为______的两根电阻丝来研究问题;
(4)选用导线A、D和F的数据可以得出结论:导体的_______相同时,_______越大,电阻越大。
导线代号
A
B
C
D
E
F
G
长度L/m
0.5
0.5
1.5
1.0
0.5
1.5
1.5
横截面积S/mm2
1.2
1.8
1.8
1.2
0.8
1.2
1.2
材料
锰铜
钨
镍铬
锰铜
钨
锰铜
镍铬
电流I/A
0.6
0.5
0.2
0.3
0.4
0.2
0.2
电阻的大小
很小
小
很大
大
较小
很大
很大
【答案】电阻 电流 转换法 BE 横截面积和材料 长度
【解析】
(1)该实验探究“导体电阻大小与横截面积是否有关”,即导体电阻受横截面积影响,横截面积是变量,电阻是因变量。
(2)在探究“导体电阻大小与横截面积是否有关”的实验中,利用转换法通过观察电流的大小来判断电阻的大小;在探究“导体电阻大小与横截面积是否有关”的实验中,有多个变量影响实验,在探究其中横截面积对实验的影响时,控制其他变量一定的实验方法叫做控制变量法。
(3)要探究导体电阻大小与横截面积的关系,需要利用控制变量法控制导体的材料、长度相同,改变横截面积,故选用B、E两根电阻丝探究。
(4)由表格中数据可知,电阻丝A、D和F的材料、横截面积相同,长度越来越长,将他们分别接入电路,通过的电流越来越小。可得到结论:导体的材料、横截面积相同时,长度越大,电阻越大。
欧姆定律
1.(2020·天门)为了探究“通过导体的电流与导体电阻的关系”,小明采用了如图甲所示的实物图。实验供选择的定值电阻有5个,阻值分别为5Ω、10Ω、15Ω、20Ω、30Ω,电源电压恒为4.5V,滑动变阻器的最大阻值为30Ω。
(1)实验前,滑动变阻器的滑片应移到______端(选填“A”或“B”)。
(2)小明首先用5Ω电阻实验,闭合开关后发现,无论怎么移动滑片,电流表指针无偏转,电压表指针迅速满偏,则电路中的故障可能是_____。(填字母)
A.开关断路 B.滑片接触不良 C.电阻断路 D.电流表短路
排除故障后,小明根据实验数据在乙图中描点,则阴影部分的面积表示_____,其数值为_____。
(3)第2次实验中,他将5Ω电阻换成10Ω,如果滑片仍然停留在第1次实验的位置小明应向____(选填“A”或“B”)端移动滑片,同时,眼睛应注视______(选填“滑片”“电流表示数”或“电压表示数”)
(4)只用30Ω的滑动变阻器_____(选填“能”或“不能”)直接完成5次实验。
(5)该实验电路还可以完成______实验。(写一个)
【答案】B C 电阻两端的电压(或“电压”) 2V B 电压表示数 不能 探究电流与电压的关系(或“伏安法测电阻”“测电阻的电功率”)
【解析】
(1)为了保护电路安全,实验前,滑动变阻器的滑片应移到阻值最大处,即B端。
(2)电流表指针无偏转,说明该电路断路,电压表指针迅速满偏,则电路中的故障可能是电阻断路,选C;图乙中,横坐标是电阻R,纵坐标是电流I,阴影部分的面积是电流与电阻的乘积,就是电阻两端的电压,其数值为2V。
(3)探究“通过导体的电流与导体电阻的关系”应保持电阻电压不变,将5Ω电阻换成10Ω,此时电阻分得的电压变大,要恢复原来的电压大小,应将滑动变阻器的阻值也变大,即将滑片滑向滑动变阻器的B端,同时观察电压表的示数,直到电压表的示数为2V为止。
(4)当使用30Ω电阻实验时,滑动变阻器阻值最大为30Ω,电源电压为4.5V,此时,滑动变阻器最大分得2.25V电压,故不能只用30Ω的滑动变阻器直接完成5次实验。
(5)该电路图,电阻与滑动变阻器串联,电压表测量电阻电压,探究电流与电压的关系、伏安法测电阻、测电阻的电功率,也可以用此装置完成。
2.(2020·西藏)在“探究电流与电阻的关系”实验中,
(1)某同学设计的实验电路图如图(甲),请你根据电路图用笔画线表示导线,把实物图补充完整。要求:滑动变阻器的滑片向左滑动时,电流表的示数变大,且导线不能交叉______;
(2)实验步骤:
①检查电路无误后闭合开关,调节滑动变阻器的滑片至适当位置,使电压表的示数为2.0V,记录此时电流表的示数I1;
②把电阻R由5Ω更换成10Ω,向_______(填“左”或“右”)移动滑动变阻器的滑片,使电压表的示数仍为2.0V,记录此时电流表的示数I2=_______A,如图(丙);
③把电阻R依次更换为15Ω、20Ω、25Ω,重复实验步骤②,得到以下数据
R/Ω
5
10
15
20
25
I/A
0.40
0.14
0.10
0.08
(3)以上实验探究过程中,运用的物理探究方法是_______法;
(4)分析以上数据,你得到的结论是:______。
【答案】 右 0.2 控制变量 当电压一定时,通过导体中的电流与电阻成反比
【解析】
(1)如图所示
(2)电路为串联电路,检查电路无误后闭合开关,调节滑动变阻器的滑片至适当位置,使电压表的示数为2.0V,记录此时电流表的示数I1;若将电阻R由5Ω更换成10Ω,根据串联电路中,串联电阻分压的原理可知,应将滑动变阻器向右移动,使电压表的示数仍为2.0V,电流表选用的小量程故示数I2=0.2A。
(3)控制无关变量相同,只研究一个量随另一个量的变化,用到控制变量法。
(4)当电压一定时,通过导体中的电流与电阻成反比。
3.(2020·烟台)如图甲所示是小明“探究电流与电压、电阻的关系”的实验电路图。选用的实验器材是:电源(3V)、电流表(0~0.6A)、电压表(0~3V),定值电阻R1=5Ω、R2=10Ω、R3=20Ω,滑动变阻器(40Ω 2A)、开关、导线若干。
(1)探究电流与电压关系:
①探究电流与电压的关系时,要保持______不变,采用的科学方法是______;
②小明在实验中进行多组数据测量的目的是什么?______
③小明选用5Ω和10Ω的两只电阻分别进行实验后,由实验数据画出的图象如图乙所示,其中M图象对应的是哪只电阻?由M图象得到的实验结论是什么?______
(2)探究电流与电阻的关系:
①小明在实验中,首先确定一个保持不变的电压值U,当AB间的电阻R由5Ω换成10Ω时,闭合开关,应将滑动变阻器的滑片向______(选填“a”或“b”)移动,才能使电压表示数变为U;
②当AB间换接20Ω的电阻时,小明无论怎样移动滑动变阻器的滑片,电压表的示数都无法达到U。请你告诉他,为完成实验,U的取值范围是______。
【答案】电阻 控制变量法 为了寻找普遍规律 M图象对应的是5Ω电阻;电阻一定时,通过导体的电流与导体两端的电压成正比 b 3V≥U≥2V
【解析】
(1)①由控制变量法可知,探究电流与电压的关系时,需要保持电阻不变。
②实验中,进行了多组数据的测量,其目的是为了寻找普遍规律。
③由图乙可知,当电压为1V时,通过M的电流大于N的电流,由R=可知N图像对应的电阻较大,M图像对应的电阻较小,所以M图像对应的电阻是5Ω。由图像可知,电阻一定时,通过导体的电流与导体两端的电压成正比。
(2)①当AB间的电阻R由5Ω换成10Ω时,电阻增大,其分得的电压增大;探究电流与电阻的实验中应控制电压不变,应保持电阻两端的电压不变,根据串联电路电压的规律可知应增大滑动变阻器分得的电压,由分压原理,应增大滑动变阻器连入电路中的电阻,所以滑片应向b端移动,使电压为U。
②变阻器的最大阻值是40Ω,当AB间换接20Ω的电阻时,变阻器的阻值处于最大处,通过电路的电流=0.1A,电阻两端的电压UAB=IR3=0.1A×20Ω=2V,电压表的示数最小为2V,电压表的量程是0-3V,电压表的最大示数是3V,所以为完成实验,U的取值范围是3V≥U≥2V
4.在“探究电流与电阻关系”的实验中,小明选用的定值电阻分别是5Ω、10Ω、20Ω,电源由两节新的千电池组成。
(1)图甲是实验的实物连线图,其中有一条导线连接错误,请在该导线上打“×”并画出正确连线(导线不交叉)___________;
(2)连接无误后,闭合开关前,应将滑片P滑到___________(选填“A”或“B”)端。闭合开关后,发现电流表指针无偏转,电压表指针有明显偏转,原因可能是电阻R___________(填“短路”或“开路”);
(3)排除故障后,先将5Ω的定值电阻接入电路,闭合开关,调节滑片P,使电压表的示数为2V,此时电流表的示数如图乙所示,为___________A;
(4)将5Ω的定值电阻换成10Ω的定值电阻后,闭合开关,电压表的示数___________(选填“大于”、“小于”或“等于”)2V;此时应将滑动变阻器的滑片P向___________(选填“左”或“右”)端移动,这一过程中眼睛要一直观察___________表示数的变化;
(5)再更换20Ω的定值电阻继续实验,为完成实验,滑动变阻器的阻值至少应为___________Ω。
【答案】 B 开路 0.4A 大于 右 电压表 10
【解析】
(1)定值电阻串联在电路中,电压表应该并联在定值电阻两端,且电流应该从电压表的正极进、负极出,图中电流未经过定值电阻,图中错误的导线以及正确的连接方式如图所示
(2)闭合开关前,滑片应该置于最大阻值处,而滑片远离下接线柱,阻值变大,所以应将滑片P滑到图中的B端;电流表指针无偏转,表明电路中没有电流通过,故障类型为开路;电压表指针有明显偏转,说明电阻R开路。
(3)将5Ω的定值电阻接入电路时,电压表的示数为2V,由此可知电路电流,可知电流表选择0.02A的小量程,电流表的示数如图乙所示为0.4A。
(4)取下5Ω的定值电阻,换成10Ω的定值电阻,由分压原理,电阻的电压变大,研究电流与电阻的实验中应控制电压不变,即应保持电阻两端的电压不变为2V,根据串联电路电压的规律可知应增大滑动变阻器分得的电压,由分压原理,应增大滑动变阻器连入电路中的电阻,所以滑片应向右端移动,且这一过程中眼睛要一直观察电压表示数的变化,直到电压表的示数为2V,停止移动滑片,读出电流表的示数。
(5)定值电阻两端电压控制为2V,当更换20Ω的定值电阻继续实验时,电路的电流为,由图可知,电源由两节干电池组成,即电源电压为3V,根据串联分压可知滑动变阻器两端电压为,由可得此时滑动变阻器应接入的阻值,所以,为了完成实验,滑动变阻器的阻值至少应为10Ω。
5.小华在“探究电流与电阻关系”的实验中,准备了以下器材:电源(电压恒为3V),电流表、电压表各一个,开关一个,五个定值电阻(5Ω、10Ω、15Ω、20Ω、25Ω),两个滑动变阻器(规格分别为“10Ω 1A”的R1和“15Ω 1A”的R2),导线若干,设计了如图甲所示的电路图。
(1)连接电路时,开关应______,电压表应选用的量程是______(选填“0~3V”或“0~15V”),连接好电路后,他检查电路时发现电压表、电流表位置互换了,若此时闭合开关,电流表______(选填 “会”或“不会”)被烧坏;
(2)正确连好电路后,闭合开关前要将滑动变阻器的滑片P移到阻值最______处,闭合开关发现电流表无示数,电压表示数接近电源电压,移动滑动变阻器的滑片P,电流表、电压表示数均无变化,则故障可能是定值电阻R______(选填 “短路”或“断路”);
(3)排除故障后,多次改变R的阻值,调节滑动变阻器的滑片P,使电压表示数保持不变,记下电流表的示数,画出如图乙所示的电流I随电阻R变化的图象,由图象可以得出结论:_______;
(4)上述实验所选用的滑动变阻器是______(选填“R1”或“R2”)。
【答案】断开 0~3V 不会 大 断路 电压一定时,通过导体的电流与导体的电阻成反比 R2
【解析】
(1)连接电路时,开关应断开;由电源电压为3V可知电压表应选用的量程是0~3V;电压表、电流表位置互换了,若此时闭合开关,电流表无示数但不会烧坏。
(2)正确连好电路后,闭合开关前要将滑动变阻器的滑片P移到阻值最大处,目的是保护电路;闭合开关发现电流表无示数说明电路中某处断路,电压表示数接近电源电压,则故障可能是定值电阻断路。
(3)排除故障后,多次改变R的阻值,调节滑动变阻器的滑片P,使电压表示数保持不变,记下电流表的示数,画出如图乙所示的电流I随电阻R变化的图象,由图象可以得出结论:电压一定时,通过导体的电流与导体的电阻成反比。
(4)由图像可知上述实验中保持的定值电阻两端电压是,因电源电源是3V,故滑动变阻器需要分走1V电压,根据串联分压之比等于电阻之比可知用25Ω电阻进行实验时,滑动变阻器最小为12.5Ω,故所选用的滑动变阻器是R2。
6.在“探究电流与电压关系”的实验中
(1)图甲是实验的实物连线图,其中有一条导线连接错误,请在该导线上打*×”并画出正确连线。(________)
(2)排除故障后闭合开关,移动滑动变阻器的滑片至某一位置, 电流表的示数如图17乙所示,此时电路中的电流为______A.
(3)该实验进行了多组数据的测量,其目的是为了_________ (填字母序号) 。
A.寻找普遍规律
B.取平均值减小误差
(4)某同学用上述实验电路继续探究“电流与电阻的关系”。先测出了5Ω电阻在2.0V电压下的电流;然后断开开关,将5Ω电阻换成10Ω电阻,闭合开关,直接读出电流值。这种做法___(选填 “正确”或“错误”),理由是___________。
【答案】 0.4 A 错误 没有控制电压一定
【解析】
(1)原电路中,电阻短路,电流表和电压表串联在了电路中,改正如下
(2)由图知道,电流表选用小量程,分度值为0.02A,电流为0.4A。
(3)探究“电流与电压的关系”时,进行了多组数据的测量,其目的是为了寻找普遍规律,故A正确。
(4)探究“电流与电阻的关系”时,要控制电阻的电压不变,先测出了5Ω电阻在2.0V电压下的电流,然后断开开关,将5Ω电阻换成10Ω电阻,闭合开关,直接读出电流值,由分压原理,电阻的电压大于2V,故这种做法错误,理由是没有控制电阻的电压不变。
7.某班同学做“探究电流与电阻的关系”的实验,“阳光”小组连接了如图甲所示的实物电路。
(1)请将实物电路图连接完整______;
(2)连接电路时,开关应______,连好电路后,将电阻箱调至某一阻值,闭合开关,移动滑动变阻器的滑片,使电压表示数为一个适当的值U0,记录电流表的示数和______;
(3)改变电阻箱的阻值,调节滑动变阻器的滑片,使______,并记录相应数据;
(4)重复步骤(3)多次实验,根据所得数据画出电流随电阻变化的图像如图乙所示,你认为“阳光”小组实验时的U0为______V。若电源电压恒定,在从A点到B点依次进行实验读取数据的过程中,滑动变阻器的功率______(选填“逐渐变大”“逐渐变小”或“不变”);
(5)进一步研究发现由图线上的任一点和坐标轴围成的矩形“面积”大小都相等,由此可以得出的实验结论是______;
(6)实验结束后,小组间交流时,发现“快乐”小组在相同的坐标系中画出的图像如图丙所示,你认为图像不同的原因是______;
(7)两小组使用的电源电压均为9V,则选用规格为“10Ω 5A”的滑动变阻器是否可以满足两小组实验所需(______)
A.仅满足“阳光”小组
B.仅满足“快乐”小组
C.都满足
D.都不满足
【答案】 断开 电阻箱的阻值 电压表示数仍为U0 6 逐渐变大 当电压一定时,电流与电阻成反比 他们所控制的电阻箱两端电压不同 A
【解析】
(1)根据图乙可知电压表示数U0=IR=3.0A×2Ω=……=0.6A×10Ω=6V,故电压表选用大量程与电阻箱并联,如图所示
(2)连接电路时,为了保护电路,开关应该断开;因为要探究电流与电阻的关系,所以须记录电流及电阻的数据进行分析,即要记录电阻箱的阻值。
(3)要探究电流与电阻的关系,须控制电阻箱两端的电压不变,即电压表的示数仍为U0。
(4)由(1)知,“阳光”小组实验时的U0为6V;在探究电流与电阻的关系,电阻箱两端电压不变,根据串联分压可知,变阻器两端电压也不变,由图乙可知从A点到B点电路电流变大,根据P=UI可知,变阻器消耗功率逐渐变大。
(5)由图乙可知,其横轴和纵轴所表示的物理量分别为电阻R及通过的电流I,面积不变,即IR的乘积不变,故表明:当电压一定时,电流与电阻成反比。
(6)由图丙可知,电阻箱两端的电压U0'=I'R'=3A×1Ω=3V≠U0,即两个小组所画出的图象不同,是因为他们所控制的电阻箱两端电压不同。
(7)已知“阳光”、“快乐”小组控制的变阻器两端电压分别为6V、3V,电源电压恒定为9V,根据串联分压可知两个小组变阻器两端电压分别为U变=U-U0=9V-6V=3V,U变'=U- U0'=9V-3V=6V,由图乙可知,“阳光”小组的电路中电流最小为0.6A时,由可得变阻器接入最大阻值,由图丙可知,“快乐”小组的电路中电流最小为0.3A时,由可得变阻器接入最大阻值,故选用规格为“10Ω 5A”的滑动变阻器,只能满足“阳光”小组的实验需求,故A符合题意,BCD不符合题意。故选A。
焦耳定律
1.某同学组装了如图所示的实验装置来研究电流的产生的热量与哪些因素有关,其中甲、乙为两个完全相同的容器,a、b、c为每根阻值均为5Ω的电阻丝。
(1)甲、乙容器中所装空气的质量___________(选填“相等”或“不相等”)。
(2)该同学设计此实验装置的目的主要是探究下列哪一种关系___________
A.电阻产生的热量与电阻的关系 B.电阻产生的热量与电流的关系
(3)通电时间相同时,产生热量较多的是容器___________(选填“甲”或“乙”)中的电阻丝。
(4)a,b两根电阻丝在相等的时间内产生的热量之比为Qa:Qb=___________
(5)若接通电路一段时间后,发现U形管B内的液面高度差逐渐变大,但U形管A内的液面高度不变,经检查电路也没有出现故障,则可能的原因是___________。
(6)若接通电路一段时间后U形管A内的液面高度差明显变大,而U形管B内的液面高度差没有变化,后发现是由于电路故障引起的,则原因可能是___________
A.a电阻丝断路 B.b电阻丝断路 C.c电阻丝断路 D.c电阻丝短路。
【答案】相等 B 甲 4:1 甲装置漏气 BD
【解析】
(1)根据控制变量法需要控制所装空气的质量相同。
(2)图中装置中一个5Ω的电阻与两个5Ω的电阻并联后再串联,根据串联电路的电流特点可知,右端两个电阻的总电流和左端的电阻电流相等,即I右=I左,两个5Ω的电阻并联,根据并联电路的电流特点知I右=I内+I外,所以,I左>I内,烧瓶内的电阻值都是5Ω,阻值相等,通电时间相等,电流不同,运用控制变量法,电阻产生的热量与通过该电阻的电流的关系;故B正确。
(3)根据控制变量法知:通电时间相同、电阻相同时,电流越大,产生热量较多,故甲的电流大,产生热量多。
(4)根据串联电路的电流特点可知,右端两个电阻的总电流和左端的电阻电流相等,即I甲=2I乙,则a,b两根电阻丝在相等的时间内产生的热量之比
(5)若接通电路一段时间后,发现U形管B内的液面高度差逐渐变大,但U形管A内的液面高度不变,经检查电路也没有出现故障,则可能的原因是甲装置漏气。
(6)A.若a电阻丝断路就不会发热,接通电路后U形管内A内的液面高度差不会明显变大,故A不符合题意;B.若b电阻丝断路,电流可以经过c电阻丝,但c在容器外部,故液体不发热,故可能出现U形管内A内的液面高度差明显变大,而U形管B的液面高度差没有变化;故B符合题意;C.若c电阻丝断路,电路中电流可以经过b电阻丝,因此电流中有电流,b在容器内部,故液体发热,U形管内A内的液面高度差明显变大,而U形管B的液面高度差有变化,故C不符合题意;D.若c电阻丝短路。相当于右边部分短路,相当于没有给容器中的液体加热,会出现U形管B的液面高度差没有变化,故D符合题意。故选BD。
2.如图甲、乙是“探究电流通过导体产生热量的多少跟什么因素有关”的实验装置,两个透明容器中密封着等量的空气。
(1)实验中,用________反映电阻放出热量的多少;
(2)甲图中,在相等时间内,左右两电阻 R1和 R2热量之比为________;
(3)如果乙装置中R3发生了断路,与未发生断路前相比较,在通电时间相间的情况下,左侧U型管中液面的高度差将________(选填“变大”、“变小”或“不变”)。
【答案】U型管中液面的高度变化 1:2 变小
【解析】
(1)实验中,有电流通过后,电阻会发热,其放出的热量越多,则密封容器内的空气膨胀越厉害,则U型管中液面的高度变化越明显,所以可用U型管液面的高度变化来反映电阻放出热量多少。
(2)甲图中,两个电阻串联,则通过的电流和所用时间相同,通过实验知,在电流和通电时间相同时,电阻放出的热量与电阻成正比,所以Q1:Q2=R1:R2=5:10=1:2
(3)乙图中,R3与R2并联后,再与R1串联,则此时电路总电阻比10Ω小,而R3断路后,电路中的总电阻为10Ω,所以在R3断路后,通过R1的电流变小,在电阻相同、通电时相同时,通过电阻的电流越大,这个电阻产生的热量越多。所以左侧U型管中液面的高度差将变小。
3.为了“探究电流通过导体时产生的热量与导体电阻大小的关系”,小伟采用了如图所示的实验装置,两个封闭的玻璃瓶内装满煤油,用插有细玻璃管的橡皮塞封闭玻璃瓶,煤油中的电阻丝通过橡皮塞上的接线柱与电路相连,已知电阻 RA
(1)为使通过电阻RA、RB的电流相等,实验中RA、RB应采用______(填“串联”或 “并联”)。
(2)实验中通过观察_______即可比较两导体产生的热量,这种实验方法称为______(填“转换法”或“等效替代法”)。
(3)小伟继续完成本实验,最终可得出结论:在通电时间相同,电流相等的情况下,电阻越大,电流产生的热量越______(填“多”或“少”)
【答案】串联 温度计示数的变化 转换法 多
【解析】
(1)串联电路中电流处处相等,则为使通过电阻RA、RB的电流相等,实验中RA、RB应采用串联。
(2)温度计示数的变化反应了液体温度的变化,反映了液体吸收热量即电流产生热量的多少,所以实验中采用转换法,通过温度计示数的变化来反映电阻丝放出热量的多少。
(3)继续完成本实验可得出结论:在通电时间相同,电流相等的情况下,电阻越大,电流产生的热量越多。
电磁
1.图甲所示为小东同学探究“通电导体在磁场中受力”的实验电路。他接通电源,观察并记录了图乙所示的(a) (b) (c)三组实验现象:
(a)蹄形磁体N极在上方,导体棒通入由B至A方向的电流时,受力方向水平向右;
(b)蹄形磁体N极在上方,导体棒通入由A至B方向的电流时,受力方向水平向左;
(c)蹄形磁体S极在上方,通入由B至A方向的电流时,导体棒受力方向水平向左。根据小东所记录的三组实验现象,请你提出一个可探究的科学问题:_________。
【答案】通电导体在磁场中受力的方向与导体中通过的电流方向是否有关?
(通电导体在磁场中受力的方向与磁场的方向是否有关?)
【解析】
从图乙中的(a) (b)可知,当磁场方向不变时,电流方向发生改变,受力方向也改变;从图乙中的(a)(c)可知,当电流方向不变时,磁场的方向发生改变,受力方向也改变;由上述可提出可探究的科学问题是通电导体在磁场中受力的方向与导体中通过的电流方向是否有关和通电导体在磁场中受力的方向与磁场的方向是否有关。
2.如图所示,导体ab放在处于蹄形磁体磁场中的水平金属轨道上。
(1)接通电源,这时会看到导体ab运动起来,这表明______;
(2)保持磁场方向不变,改变ab中电流方向,ab的运动方向______(填“不变”或“改变”);
(3)通电后导体AB运动的过程中,是把电能转化为______能的过程。
【答案】通电导体在磁场中受到力的作用 改变 机械
【解析】
(1)接通电源,这时会看到导体ab运动起来,这表明通电导体在磁场中受到力的作用
(2)通电导体在磁场中受到力的作用,力的方向与电流方向和磁场方向有关;磁场方向不变,只改变电流方向,受力方向发生改变。
(3)通电后导体AB运动的过程中,导体AB由静止变为运动机械能增加,故填机械能。
3.在研究“磁场对通电导体的作用”实验中。
(1)利用如图所示的装置研究“磁场对电流的作用”时,应在a、b之间接入______(选填“灵敏电流计”或“电源”),根据该原理可制成______;
(2)在乙图中,通电后cd段导线受磁场力F1的方向为竖直向下,此时,ab段导线所受磁场力F2的方向是竖直向上,F1与F2不是一对平衡力,这是因为两个力______;
(3)要使图乙中的线圈持续转动,应在其外部加装换向器,自动改变线圈中的______。图乙中的设备将电能转化为______。
【答案】电源 电动机 不在一条直线上 电流方向 机械能
【解析】
(1)利用如图所示的装置研究“磁场对电流的作用”时,应在a、b之间接入电源,研究通电导线在磁场中的受力,根据该原理可制成电动机。
(2)在乙图中,通电后cd段导线受磁场力F1的方向为竖直向下,此时,ab段导线所受磁场力F2的方向是竖直向上,F1与F2不是一对平衡力,这是因为两个力不在一条直线上,不满足平衡力的条件。
(3)要使图乙中的线圈持续转动,应在其外部加装换向器,自动改变线圈中的电流方向,使力的方向与运动方向相一致;图乙中的设备消耗将能,并将其转化为机械能。
4.如图所示是“探究导体在磁场中运动时产生感应电流的条件”的实验装置。闭合开关后,导体棒、灵敏电流计、开关、导线组成闭合电路。
(1)实验时通过观察_____来判断电路中是否产生感应电流。
(2)小明在探究导体在磁场中运动产生感应电流条件的实验时,仪器和电路都连接完好,可是实验现象不太明显。请提出一条改进措施:_____。
(3)在这个实验中机械能转化为电能,运用该实验原理制作了_____(选填“发电机”或“电动机”)。
(4)如果将小量程电流计换成_____,可以观察磁场对电流的作用。
【答案】灵敏电流计的指针是否偏转 换磁性更强的磁体(增大导体棒切割磁感线速度) 发电机 电源
【解析】
(1)探究导体在磁场中运动时产生感应电流的条件的实验中,感应电流的大小是通过灵敏电流计的指针是否偏转来判断的。
(2)实验现象不太明显,是因为感应电流太小,所以我们可以通过换用磁性更强的磁体或者增大导体棒切割磁感线的速度来增大感应电流使实验现象更加明显。
(3)电动机主要是将电能转化为机械能,而发电机才是将机械能转化为电能的装置,故为发电机。
(4)观察磁场对电流的作用时,要形成闭合回路提供电流,所以需要用到电源所以应该将灵敏电流计换成电源。
5.为了揭开电现象和磁现象之间的相互联系,洛洛模拟科学家做了如下探索:
(1)为了模拟奥斯特实验,她应当将导线沿______方向放在磁针上方(选填“东西”或“南北”);当导线中有电流通过时,它下方的小磁针发生了偏转,说明______;
(2)洛洛在做“探究什么情况下磁可以生电”实验时,连接了如图所示的实验装置,闭合开关后,导体ab做______运动时会产生感应电流。这种现象叫电磁感应,是英国物理学家______最先发现的。
【答案】南北 通电导体周围有磁场 切割磁感线 法拉第
【解析】
(1)小磁针在只有地磁场作用时,处于南北方向,所以为了模拟奥斯特实验,她应当将导线沿南北方向放在磁针上方;当导线中有电流通过时,它下方的小磁针发生了偏转,说明通电导体周围有磁场。
(2)洛洛在做“探究什么情况下磁可以生电”实验时,连接了如图所示的实验装置,闭合开关后,导体做切割磁感线运动时会产生感应电流;这种现象叫电磁感应,是英国物理学家法拉第最先发现的。
6.利用如图所示的实验装置探究“导体在磁场中运动时产生感应电流的条件”。
(1)磁铁不动,闭合开关,导体棒沿__________(填“上下”或“左右”)方向运动时,灵敏电流计指针会发生偏转。
(2)导体棒不动,闭合开关,磁铁上下运动,灵敏电流计指针__________(填“会”或“不会”)发生偏转。
(3)断开开关,无论磁铁如何放置、导体棒怎样运动,灵敏电流计指针都不发生偏转。由此得出结论:闭合电路的一部分导体在磁场中做__________运动时,电路中就产生感应电流。
(4)该实验在探究过程中,是将___________能转化成__________能,生活中的__________(填“发电机”或“电动机”)是根据这一原理制成的。
(5)进一步猜想,“感应电流的大小可能与导体运动速度有关”。保持磁场方向和导体运动方向一定,让导体以__________速度进行多次实验,实验测得的数据如表所示,分析数据可得出结论:___________。
实验次数
1
2
3
4
5
6
速度(cm/s)
1
2
3
4
5
6
电流(mA)
2.0
4.0
5.5
8.3
9.2
12.8
【答案】左右 不会 切割磁感线 机械 电 发电机 不同 在磁场方向和导体运动方向一定时,导体棒切割磁感线运动的速度越快,产生的感应电流越大。
【解析】
(1磁铁不动,闭合开关,导体棒沿左右方向运动时,此时导体棒做切割磁感线运动,导体内部会产生感应电流,灵敏电流计指针会发生偏转。
(2)导体棒不动,闭合开关,磁铁上下运动,因此时的导体棒未做切割磁感线运动,导体内无电流产生,故灵敏电流计指针不会发生偏转。
(3)断开开关,无论磁铁如何放置、导体棒怎样运动,灵敏电流计指针都不发生偏转。由此得出结论:闭合电路的一部分导体在磁场中做切割磁感线运动时,电路中就产生感应电流。
(4)该实验在探究过程中,是将机械能转化成电能,生活中的发电机是根据这一原理制成的。
(5)要探究“感应电流的大小与导体运动速度的关系”,根据控制变量法需保持磁场方向和导体运动方向不变,让导体以不同的速度进行多次实验,观察感应电流的大小,从而得到结论;由实验数据发现:在磁场方向和导体运动方向一定时,导体棒切割磁感线运动的速度越快,其产生的感应电流越大。
中考物理一轮复习突破练习专项17 电学探究性实验专练(含解析): 这是一份中考物理一轮复习突破练习专项17 电学探究性实验专练(含解析),共42页。试卷主要包含了探究并联电路的电流规律等内容,欢迎下载使用。
初中物理中考复习 专项17 电学探究性实验专练(解析版)-备战2021年中考物理精选考点专项突破题集: 这是一份初中物理中考复习 专项17 电学探究性实验专练(解析版)-备战2021年中考物理精选考点专项突破题集,共42页。试卷主要包含了探究并联电路的电流规律等内容,欢迎下载使用。
初中物理中考复习 专项17 电学探究性实验专练(原卷版)-备战2021年中考物理精选考点专项突破题集: 这是一份初中物理中考复习 专项17 电学探究性实验专练(原卷版)-备战2021年中考物理精选考点专项突破题集,共25页。试卷主要包含了探究并联电路的电流规律等内容,欢迎下载使用。

