所属成套资源:【通用版】2023届高考化学一轮复习化学实验专练(含解析)
【通用版】2023届高考化学一轮复习化学实验专练(6)化学实验设计与探究
展开
这是一份【通用版】2023届高考化学一轮复习化学实验专练(6)化学实验设计与探究,共22页。试卷主要包含了下列实验设计正确的是,实验是化学学习的基础,溶液是实验室中常用试剂等内容,欢迎下载使用。
(6)化学实验设计与探究
1.下列实验设计正确的是( )
A.将通入溴水中证明具有漂白性
B.将铁屑放入稀中证明Fe比活泼
C.将澄清石灰水滴入某溶液证明其中存在
D.将乙烯通入酸性溶液证明乙烯具有还原性
2.根据下列实验操作和现象所得到的结论正确的是( )
选项
实验操作和现象
结论
A
向淀粉溶液中加适量20%溶液,加热,冷却后加NaOH溶液至中性,再滴加少量碘水,溶液变蓝
淀粉未水解
B
室温下,向溶液中加入少量镁粉,产生大量气泡,测得溶液温度上升
镁与盐酸反应放热
C
室温下,向浓度均为的和混合溶液中加入溶液,出现白色沉淀
白色沉淀是
D
向溶液中滴加溶液,溶液褪色
具有氧化性
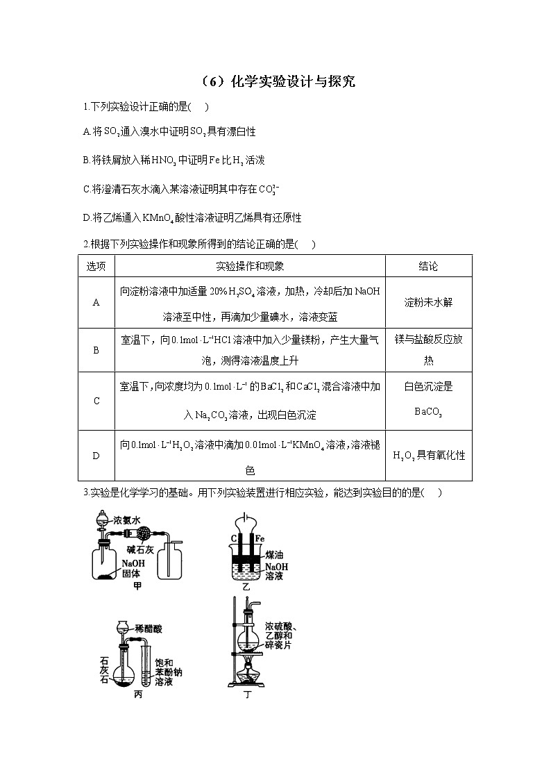
3.实验是化学学习的基础。用下列实验装置进行相应实验,能达到实验目的的是( )
A.用装置甲制取并收集干燥纯净的
B.用装置乙制取并能较长时间观察其颜色
C.用装置丙完成醋酸、碳酸和苯酚的酸性强弱验证实验
D.用装置丁实验室制取少量乙烯
4.下列实验设计正确的是( )
A.用乙醇萃取碘水中的碘
B.用氢氧化钠溶液除去乙酸乙酯中的乙酸
C.向乙醇和乙酸中分别加入钠,比较其官能团的活泼性
D.向蔗糖和稀硫酸共热后的溶液中加入少量银氨溶液,检验生成的葡萄糖
5.溶液是实验室中常用试剂。下列与溶液有关实验的操作和结论都一定正确的是( )
选项
A
B
C
D
实验操作
前者产生气泡更快
收集
蒸发溶液
结论
催化效果好于
能用排空法收集
可获得胆矾晶体
6.由下列实验及现象不能推出相应结论的是( )
实验
现象
结论
A
向的溶液中加足量铁粉,振荡,加1滴KSCN溶液
黄色逐渐消失,加KSCN溶液颜色不变
还原性:
B
将金属钠在燃烧匙中点燃,迅速伸入集满的集气瓶
集气瓶中产生大量白烟,瓶内有黑色颗粒产生
具有氧化性
C
加热盛有少量固体的试管,并在试管口放置湿润的红色石蕊试纸
石蕊试纸变蓝
显碱性
D
向2支盛有2mL相同浓度银氨溶液的试管中分别加入2滴相同浓度的NaCl和NaI溶液
一支试管中产生黄色沉淀,另一支中无明显现象
7.实验室利用如图所示装置测定水中氢氧元素之比。下列说法错误的是( )
A.①、③、④中依次盛装无水、碱石灰、碱石灰
B.需测定实验前后装置②和装置③的质量差
C.结束反应时,应先移走酒精灯,待装置②的玻璃管冷至室温,再关闭活塞K
D.实验后装置②的玻璃管中CuO未全部变红,对实验结果无影响
8.下列实验现象与实验操作不相匹配的是( )
实验操作
实验现象
A
向盛有高锰酸钾酸性溶液的试管中通入足量的乙烯后静置
溶液的紫色逐渐褪去,静置后溶液分层
B
将镁条点燃后迅速伸入集满的集气瓶
集气瓶中产生浓烟并有黑色颗粒产生
C
向盛有饱和硫代硫酸钠溶液的试管中滴加稀盐酸
有刺激性气味气体产生,溶液变浑浊
D
向盛有溶液的试管中加过量铁粉,充分振荡后加1 滴KSCN溶液
黄色逐渐消失,加KSCN后溶液颜色不变
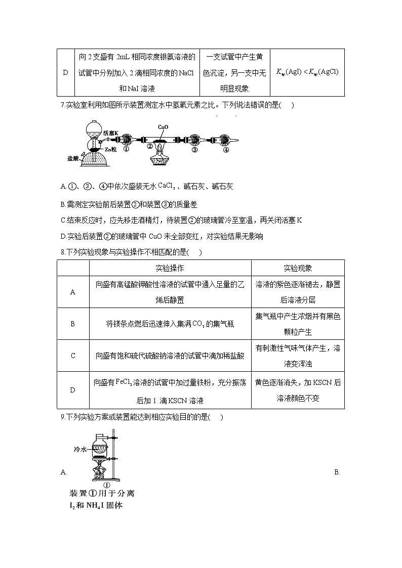
9.下列实验方案或装置能达到相应实验目的的是( )
A. B.
C. D.
10.某小组为探究是否可以用于鉴别和,完成了下列实验。
试剂
1mL1溶液
1mL1溶液
10滴1溶液
白色沉淀M
白色沉淀N
10滴1溶液
白色沉淀X
白色沉淀Y,少量气泡
下列说法正确的是( )
A.白色沉淀M、N均是,产生M、N的离子方程式相同
B.白色沉淀X、Y均为,少量气泡成分是HCl
C.不能用于鉴别和溶液
D.产生Y的离子方程式为
11.某同学利用氧化制备的装置如图所示(夹持装置略):
已知:锰酸钾()在浓强碱溶液中可稳定存在,碱性减弱时易发生反应:
。
回答下列问题:
(1)装置A中a的作用是________;装置C中的试剂为________;装置A中制备的化学方程式为________。
(2)上述装置存在一处缺陷,会导致产率降低,改进的方法是________。
(3)常作氧化还原滴定的氧化剂,滴定时应将溶液加入________(填“酸式”或“碱式”)滴定管中;在规格为50.00L的滴定管中,若溶液起始读数为15.00mL,此时滴定管中溶液的实际体积为________(填标号)。
A.15.00mL
B.35.00mL
C.大于35.00mL
D.小于15.00mL
(4)某样品中可能含有的杂质为,采用滴定法测定该样品的组成,实验步骤如下:
Ⅰ.称取样品于锥形瓶中,加入稀溶解,水浴加热至75℃。用的溶液趁热滴定至溶液出现粉红色且30s内不褪色,消耗溶液。
Ⅱ.向上述溶液中加入适量还原剂将完全还原为,加入稀酸化后,在75℃继续用溶液滴定至溶液出现粉红色且30s内不褪色,又消耗溶液。
样品中所含的质量分数表达式为________。
下列关于样品组成分析的说法,正确的是________(填标号)。
A.时,样品中一定不含杂质
B.越大,样品中含量一定越高
C.若步骤I中滴入溶液不足,则测得样品中Fe元素含量偏低
D.若所用溶液实际浓度偏低,则测得样品中Fe元素含量偏高
12.某小组探究Cu与反应,发现有趣的现象。室温下,的稀硝酸(溶液A)遇铜片短时间内无明显变化,一段时间后才有少量气泡产生,而溶液B(如图)遇铜片立即产生气泡。
(1)探究溶液B遇铜片立即发生反应的原因。
①假设1:________对该反应有催化作用。
实验验证:向溶液A中加入少量硝酸铜,溶液呈浅蓝色,放人铜片,没有明显变化。
结论:假设1不成立。
②假设2:对该反应有催化作用。
方案I:向盛有铜片的溶液A中通入少量,铜片表面立即产生气泡,反应持续进行。有同学认为应补充对比实验:向盛有铜片的溶液A中加入几滴的硝酸,没有明显变化。补充该实验的目的是________。
方案Ⅱ:向溶液B中通入氮气数分钟得溶液C。
相同条件下,铜片与A、B、C三份溶液的反应速率:B>C>A,该实验能够证明假设2成立的理由是________。
③查阅资料:溶于水可以生成和________。
向盛有铜片的溶液A中加入________,铜片上立即产生气泡,实验证明对该反应也有催化作用。
结论:和均对Cu与的反应有催化作用。
(2)Cu与稀硝酸反应中参与的可能催化过程如下。将ii补充完整。
ⅰ.
ⅱ._________
ⅲ.
(3)探究的性质。
将一定质量的放在坩埚中加热,在不同温度阶段进行质量分析,当温度升至时,剩余固体质量变为原来的24.33%,则剩余固体的化学式可能为_________。
13.在学习氧化还原反应时,某同学提出具有较强氧化性,具有较强还原性,二者也可发生氧化还原反应。该同学设计下列实验进行验证。
(1)研究溶液与KI溶液反应的产物。向盛有溶液的试管中加入溶液,振荡试管,溶液颜色________(填“有”或“无”)明显变化。
【实验结论】二者混合只发生复分解反应,无明显氧化还原反应。
(2)验证的氧化性。将光亮的铁丝伸入溶液中,一段时间后将铁丝取出。为检验溶液中铁的氧化产物,将溶液中的除尽后,进行了如下实验。可选试剂:①KSCN溶液、②NaOH溶液、③酸性溶液、④溶液。
请完成下表:
操作
现象
结论
取少量除尽后的溶液于试管中,加入KSCN溶液,振荡
________________
存在
取少量除尽后的溶液于试管中,加入1~2滴______(填序号),振荡
________________
存在
【实验结论】铁的氧化产物为和,则的氧化性强于,已知的氧化性强于,则可与发生氧化还原反应。
另一同学用pH计测得常温下该硝酸银溶液的pH为5.50,于是该同学对实验结论提出质疑。你认为他提出质疑的理由可能是______________________________________________________。
(3)通过原电池原理探究与之间的氧化还原反应。按如图所示装置组装原电池。
盐桥中阴、阳离子不与溶液中的物质发生化学反应,并且电迁移率()应尽可能地相近,根据下表数据,盐桥中应选择作为电解质。
阳离子
阴离子
4.07
4.16
5.19
7.40
6.59
7.91
7.62
8.27
实验开始后,电流表指针发生偏转,正极电极表面有光亮的银析出,则该原电池负极的电极反应式为____________________________。
【实验结论】______________________________________________。
(4)查阅资料可知常温下:;。试从反应速率与化学平衡两个角度解释溶液与KI溶液混合只发生复分解反应而无明显氧化还原反应的可能原因:________。
14.为测定溶液的浓度,甲、乙两同学设计了两个方案。回答下列问题:
Ⅰ.甲方案
实验原理:
实验步骤:
(1)判断沉淀完全的操作为_______。
(2)步骤②判断沉淀是否洗净所选用的试剂为_______。
(3)步骤③灼烧时盛装样品的仪器名称为_______。
(4)固体质量为,则=____。
(5)若步骤①从烧杯中转移沉淀时未洗涤烧杯,则测得_______(填“偏高”“偏低”或“无影响”)。
Ⅱ.乙方案
实验原理:
实验步骤:
①按如图安装装置(夹持仪器略去)
②……
③在仪器A、B、C、D、E中加入图示的试剂
④调整D、E中两液面相平,使D中液面保持在0或略低于0刻度位置,读数并记录
⑤将溶液滴入A中并搅拌,反应完成后,再滴加稀硫酸至体系不再有气体产生
⑥待体系恢复到室温,移动E管,保持D、E中两液面相平,读数并记录
⑦处理数据
(6)步骤②为__________________________________________________________。
(7)步骤⑥需保证体系恢复到室温的原因是_______(填序号)。
a.反应热受温度影响
b.气体密度受温度影响
c.反应速率受温度影响
(8)Zn粉质量为,若测得体积为,已知实验条件下,则_____(列出计算表达式)。
(9)若步骤⑥E管液面高于D管,未调液面即读数,则测得______(填“偏高”“偏低”或“无影响”)。
(10)是否能用同样的装置和方法测定溶液的浓度:______(填“是”或“否”)。
15.某化学小组研究HCl被氧化的条件,进行如下实验。
(1)研究HCl被氧化
实验
操作
现象
Ⅰ
常温下将和浓盐酸混合
溶液呈浅棕色,有刺激性气味
Ⅱ
将Ⅰ中混合物过滤,加热滤液
生成大量黄绿色气体
Ⅲ
加热和稀盐酸混合物
无明显现象
①已知呈弱碱性。Ⅰ中溶液呈浅棕色是由于与浓盐酸发生了复分解反应,化学方程式是_____________________。
②Ⅱ中发生了分解反应,反应的化学方程式是____________________。
③Ⅲ中无明显现象的原因可能是较低,设计实验Ⅳ进行探究:
对比实验Ⅲ、Ⅳ,得出的结论是______________________。
④用下图装置(a、b均为石墨电极)进行实验Ⅴ:
i.K闭合时,指针向左偏转
ii.向右管中滴加浓,指针偏转幅度变化不大
ⅲ.再向左管中滴加浓,指针向左偏转幅度增大
对比i、ⅱ、ⅲ,得出的结论是_____________________。
(2)研究HCl能否被氧化性酸氧化
①烧瓶中放入浓,通过分液漏斗向烧瓶中滴加浓盐酸,烧瓶上方立即产生白雾,用湿润的淀粉KI试纸检验,无明显现象。由此得出浓硫酸______________(填“能”或“不能”)氧化HCl。
②向试管中加入3 mL浓盐酸,再加入1 mL浓,试管内液体逐渐变为橙色,加热,产生棕黄色气体,经检验气体中含有。通过实验1、2、3证明混合气体中含有,实验3的操作是____________________。
实验
操作
现象
1
将湿润的淀粉KI试纸伸入棕黄色气体中
试纸先变蓝,后褪色
2
将湿润的淀粉KI试纸伸入纯净的中
试纸先变蓝,后褪色
3
(3)由上述实验得出:HC1能否被氧化与氧化剂的种类、________________有关。
16.三硫代碳酸钠在农业上用作杀菌剂和杀线虫剂。在工业上用于处理废水中的重金属离子,某化学兴趣小组对的一些性质进行了探究性实验。
实验Ⅰ:探究的性质
步骤
操作及现象
①
取少量固体溶于蒸馏水中,配制成溶液并分成两等份
②
向其中一份溶液中滴加几滴酚酞试液,溶液变红色
③
向另一份溶液中滴加硫酸酸性溶液,紫色褪去
(1)是________酸(填“强”或“弱”)。
(2)已知步骤③的氧化产物是,则该反应的离子方程式为:________________________。
(3) 某同学取步骤③反应后所得溶液于试管中,滴加足量盐酸和氯化钡溶液,他认为通过测定产生的白色沉淀的质量即可求出实验中所用的的质量。你是否同意他的观点,并说明理由:_________________________。
实验Ⅱ:测定溶液的浓度
按如图所示装置进行实验:取50.0 mL溶液置于三颈烧瓶中,打开仪器M的活塞,滴入足量2.0稀,关闭活塞与旋塞。
已知:。均有毒。(不溶于水,沸点46℃,与某些性质相似,与NaOH作用生成)。
(4)仪器M的名称是__________________。反应开始前需要先通入一段时间,其作用为_____________________。
(5)B中发生反应的离子方程式为:___________________。
(6)为了计算三硫代碳酸钠溶液的浓度,可通过测定B中生成沉淀的质量来计算。称量B中沉淀质量之前需要进行的实验操作是___________________。若B中生成沉淀的质量为8.4 g,则溶液的物质的量浓度是____________。
答案以及解析
1.答案:D
解析:将通入溴水中,发生反应,溴水褪色,表现出还原性,A项错误;将铁屑放入稀中反应生成的是NO而不是,不能证明Fe比活泼,B项错误;将澄清石灰水滴入某溶液,产生浑浊,溶液中可能含有或或或等,不能证明溶液中存在,C项错误;将乙烯通入酸性溶液,溶液紫色褪去,可以证明乙烯具有还原性,D项正确。
2.答案:B
解析:淀粉水解液加NaOH溶液至中性,再加入少量碘水,溶液变蓝,说明溶液中含有淀粉,淀粉溶液在稀硫酸加热时肯定发生水解反应,根据实验现象可确定淀粉部分水解,A项错误;稀盐酸和镁粉反应后溶液温度升高,可判断镁与盐酸的反应为放热反应,B项正确;向浓度均为的和混合溶液中加入溶液,没有给出溶度积数据和溶液的用量,无法确定白色沉淀的成分,若溶液足量,会得到和两种沉淀,C项错误;溶液具有强氧化性,与反应时表现出还原性,D项错误。
3.答案:D
解析:本题考查氨气的制备、氢氧化亚铁的制备、酸性比较、乙烯制取实验的设计。氨气的密度小于空气,应用向下排空气法收集氨气,图甲中是向上排空气法,A错误;装置乙中铁作阴极,不能生成亚铁离子,进而不能生成,B错误;醋酸具有挥发性,醋酸、二氧化碳都能与苯酚钠反应生成苯酚,不能用装置丙验证碳酸和苯酚的酸性强弱,C错误;乙醇在浓硫酸作用下加热到170℃发生消去反应生成乙烯和水,实验室中可用装置丁制取少量乙烯,D正确。
4.答案:C
解析:本题考查化学实验方案的设计与评价。因为乙醇与水互溶,不能分层,则不能用乙醇萃取碘水中的碘,A错误;乙酸乙酯在氢氧化钠溶液中易发生水解,所以不能用氢氧化钠溶液除去乙酸乙酯中的乙酸,可用饱和碳酸钠溶液,B错误;乙酸中的羧基易电离,水溶液呈酸性,而乙醇中的羟基不活泼,分别向乙醇和乙酸中加入钠,钠与乙醇反应比较缓慢,而钠与乙酸反应比较剧烈,可以此比较其官能团的活泼性,C正确;银镜反应须在碱性环境下进行,则应先加入氢氧化钠溶液中和稀硫酸,使溶液呈碱性,再加入少量银氨溶液,水浴加热,若出现银镜,可说明生成了葡萄糖,D错误。
5.答案:B
解析:本题考查催化效果比较、溶度积比较、二氧化氮收集、制取胆矾晶体的实验设计。将等体积、等物质的量浓度的和溶液加入等体积、等浓度的溶液中,前者产生气泡更快,但由于两溶液中硫酸根离子浓度不同,因此不能说明的催化效果好于,A错误;在一定量硫酸锌溶液中加入少量硫化钠溶液,生成ZnS白色沉淀,过滤、洗涤后,向沉淀中加入适量硫酸铜溶液,沉淀变成黑色,说明ZnS转化为CuS沉淀,则,B正确;密度比空气大,应用向上排空气法收集,用图中装置收集会使空气留存在集气瓶的上方,导致气体不纯,且会从长导管中逸出,被NaOH溶液吸收,C错误;胆矾晶体受热容易失去结晶水,且铜离子易水解,应该用冷却热饱和硫酸铜溶液的方法得到胆矾晶体,D错误。
6.答案:C
解析:向溶液中加入足量铁粉后,完全转化为,滴入KSCN溶液,溶液不变色,可证明还原性,A项不符合题意;燃着的金属钠能在装有的集气瓶中反应生成和C,说明具有氧化性,B项不符合题意;受热分解生成的能使湿润的红色石蕊试纸变蓝,只能说明为碱性气体,不能确定的酸碱性,C项符合题意;根据题中描述可知黄色沉淀为AgI,另一支试管中无明显现象,说明没有AgCl析出,可证明,D项不符合题意。
7.答案:A
解析:盐酸易挥发,且HCl与CuO能反应,装置①中盛装无水时不能吸收挥发出的HCl,A项错误;装置②中发生反应,装置③吸收反应生成的水,实验前后装置②的质量差为生成的水中氧元素的质量,实验前后装置③的质量差为生成的水的质量,根据水和氧元素的质量即可计算出生成的水中氢元素的质量,B项正确;为防止生成的Cu再被氧化,实验结束需先移走酒精灯,再停止通氢气,C项正确;由B项分析知,装置②中CuO是否被完全还原对实验结果无影响,D项正确。
8.答案:A
解析:A项,乙烯通入酸性高锰酸钾溶液,溶液紫色褪去,但溶液不分层,错误;B项,镁条和发生反应:2MgO+C,集气瓶中产生浓烟并有黑色颗粒产生,正确;C项,硫代硫酸钠和稀盐酸发生反应:,有刺激性气味气体产生,溶液变浑浊,正确;D项,溶液中加入过量铁粉,发生反应:,黄色逐渐消失,遇不显色,加入KSCN后溶液颜色不变,正确。
9.答案:D
解析:固体受热后分别变为碘蒸气、氨气和碘化氢气体,在烧瓶底遇冷,又转化为固体,装置①不能用于分离固体, A项错误;比较的催化活性,要求两份溶液中的含量相同,B项错误;装置③中缺少环形玻璃搅拌棒,不能用于测定中和热,C项错误;方案④中,两份酸的浓度和体积相同,所用碳酸钠溶液的浓度和体积也相同,能用于比较醋酸和硼酸的酸性强弱,D项正确。
10.答案:D
解析:本题考查鉴别和的实验设计与探究10滴1 溶液分别滴加到1mL1 溶液和1mL1 溶液中,均产生白色沉淀碳酸钡,但是反应原理不同,分别为;;10滴1 溶液分别滴加到1mL1 溶液和1mL1 溶液中,均产生白色沉淀碳酸钙,但是10滴1溶液与1mL1溶液反应除了生成外,还有二氧化碳气体产生。根据以上分析可知,白色沉淀M、N均是,但是产生M、N的离子方程式不同,A错误:白色沉淀X、Y均为,少量气泡成分是二氧化碳,B错误;加入氯化钙溶液后,二者产生的现象不同,可以鉴别两种盐,C错误;产生Y的离子方程式为,D正确。
11.答案:(1)平衡气压,使浓盐酸顺利滴下;NaOH溶液;
(2)在装置A、B之间加装盛有饱和食盐水的洗气瓶
(3)酸式;C
(4);BD
解析:(1)本题考查的制备实验以及利用滴定法测定含样品的组成。a为恒压滴液漏斗,在装置A中起到平衡气压,使浓盐酸顺利滴下的作用。漂白粉和浓盐酸反应制得氯气,氯气是一种有毒气体,直接排放会污染环境,故需要在装置C中加入氢氧化钠溶液,目的是用来吸收多余的氯气。漂白粉的主要成分为,装置A中制备氯气的化学方程式为。
(2)由于制得的氯气中混有HCl,结合已知信息,溶液碱性减弱时,发生副反应生成,导致产率降低,故需要在装置A、B之间加装盛有饱和食盐水的洗气瓶,来吸收挥发出来的氯化氢。
(3)高锰酸钾具有强氧化性,能够腐蚀碱式滴定管的橡皮管,故需要将其装入酸式滴定管中。由于滴定管的特殊构造,其尖嘴部分没有刻度,且其“0”刻度在最上,故滴定管中实际盛有溶液的体积大于(50.00-15.00)mL=35.00mL。
(4)设的物质的量为mol,的物质的量为mol,的物质的量为mol,步骤Ⅰ中和均被氧化,结合得失电子守恒有:,,所以,步骤Ⅱ中加入还原剂后Fe元素全部以形式存在,由可知,,联立两个方程解得:,所以的质量分数为。时,的质量分数为,样品中不含,中可能含杂质,A错误;越大,由的质量分数表达式可知,其含量一定越高,B正确;Fe元素的质量为,若步骤Ⅰ中溶液不足,则步骤Ⅰ中可能有一部分没有被氧化,但不影响的大小,则对于测得Fe元素的含量无影响,C错误:结合C项可知,若溶液浓度偏低,则消耗溶液的体积偏大,V2偏大,Fe元素的质量偏大,则测得样品中Fe元素含量偏高,D正确。
12.答案:(1)①;②排除通入的与水反应引起硝酸浓度增大的影响;通入可以带走溶液中的部分因此三份溶液中的浓度:B>C>A,反应速率随浓度降低而减慢,说明对该反应有催化作用;③;固体(或等)
(2)
(3)
解析:(1)①向A中加入少量硝酸铜溶液,溶液呈浅蓝色,放入铜片没有明显变化,由于引入了铜离子,但化学反应没有明显变化,故可证明不能起催化作用,假设1不成立。②可与水反应生成,会引起硝酸浓度的增大,为排除硝酸浓度增大对实验的影响,需补充对比实验。通入可以带走溶液中的部分,因此三份溶液中的浓度:B>C>A,反应速率随浓度降低而减慢,说明对该反应有催化作用,假设2成立。③与水反应生成,N元素化合价降低,则必有元素化合价升高,N元素发生歧化反应,另一种产物为;证明有催化作用,则向溶液中引入即可,可加入固体(或等)。
(2)由铜跟稀硝酸的反应,结合催化剂在反应前后质量和化学性质不变分析知,反应ⅱ应该是Cu和生成的反应:。
(3)硝酸盐受热易分解,铜活泼性较弱,硝酸铜晶体受热分解最终会生成铜的氧化物,假设该晶体为1mol,质量为296g,当温度升高到时,剩余固体的质量为296g×24.33%≈72g,其中Cu为64g,则氧元素为8g,剩余物质中铜元素与氧元素的物质的量之比为1:0.5=2:1,故其化学式为。
13.答案:(1)无
(2)溶液变为红色;④;产生蓝色沉淀;酸性环境下具有强氧化性,可将Fe氧化为
(3);;和可以发生氧化还原反应生成和
(4)与生成沉淀的速率比发生氧化还原反应的速率大;生成沉淀的平衡常数较大,则生成沉淀的复分解反应进行的程度大
解析:(1)与反应生成的AgI是黄色沉淀,可以直接观察到,如果二者发生氧化还原反应,可生成,溶液颜色变为棕黄色。
(2)可以向少量待测液中加入KSCN溶液来检验,若有,则溶液变为红色;检验可选择溶液,若有,则产生蓝色沉淀。
(3)原溶液中的离子有与不能大量共存,则盐桥中阴离子应选择,又和的电迁移率最相近,所以盐桥中应选择作为电解质。正极有银析出,说明电极反应式为,为还原反应,则负极的电极反应式为。电流表指针发生偏转,说明该原电池成立,即发生了能自发进行的氧化还原反应,所以结论为与可以发生氧化还原反应生成Ag和。
(4)与生成沉淀的速率比发生氧化还原反应的速率大;生成沉淀的平衡常数较大,则生成沉淀的复分解反应进行的程度大。
14.答案:(1)向上层清液中继续滴加溶液,无白色沉淀生成,则沉淀完全
(2)溶液
(3)坩埚
(4)
(5)偏低
(6)检查装置气密性
(7)b
(8)
(9)偏高
(10)否
解析:(1)本题通过溶液浓度的测定,考查实验方案的设计与评价、离子检验、有关方程式的计算等。判断沉淀完全,可通过检验上层清液中无,一般用溶液检验,具体操作为向上层清液中继续滴加溶液,若无白色沉淀生成,则沉淀完全。
(2)过滤时沉淀上会附着有等,则步骤②中判断沉淀是否洗净,可通过检验最后一次洗涤液中是否含有,通常选用溶液来检验。
(3)灼烧固体物质用坩埚。
(4)根据,,。
(5)若步骤①转移沉淀时未洗涤烧杯,会偏小,则测得偏低。
(6)乙方案需准确测定生成的体积,则步骤②为检查装置的气密性。
(7)步骤⑥保证体系恢复到室温是为了准确测定生成气体的体积。气体的体积受温度影响较大,,则气体的密度受温度影响,答案选b。
(8)与反应后剩余Zn粉的物质的量为
,与反应的Zn的物质的量,根据关系式,。
(9)若步骤⑥E管液面高于D管,未调液面即读数,测得的体积偏小,则偏高。
(10)因为Mg比Zn活泼,且Mg也能与稀疏酸反应置换出氢气,所以不能用同样的装置和方法测定溶液的浓度。
15.答案:(1)① ②
③Ⅲ中没有明显现象的原因是较低,需要增大到一定浓度HCl才能被氧化
④HCl的还原性与无关;的氧化性与有关,越大,的氧化性越强
(2)①不能 ②将湿润的淀粉KI试纸伸入纯净的中
(3)、
解析:(1)①由于呈弱碱性,与浓盐酸发生复分解反应,则该反应的化学方程式为。②将Ⅰ中混合物过滤后,所得滤液为溶液,加热后产生的黄绿色气体为,由于该反应为分解反应,因此反应的化学方程式为:。
③实验Ⅳ中增大或后,均能产生黄绿色气体,说明实验Ⅲ中无明显现象是由于溶液中较低,需要增大到一定浓度HCl才能被氧化。④右管中滴加浓,溶液中增大,但指针偏转幅度变化不大,说明不影响的还原性;左管中滴加浓,溶液中增大,指针偏转幅度增大,说明对的氧化性有影响,且越大,的氧化性煺强。
(2)①烧瓶上方立即产生白雾,用湿润的淀粉KI试纸检验,无明显现象,说明产生的白雾中没有,则HCl不能被浓硫酸氧化。②实验2中将湿润的淀粉KI试纸伸入纯净的中,观察到试纸先变蓝,后褪色,因此实验3需检验NO2对湿润的淀粉KI试纸颜色变化的影响,从而证明混合气体中是否含有Cl2,因此实验3的操作是将湿润的淀粉KI试纸仲入纯净的中。
(3)由题给实验分析可得,HCl能否被氧化与氧化剂的种类、和有关 。
16.答案:(1)弱
(2)
(3)不同意,因为步骤③中加入的酸性溶液是用酸化的,引入额外的
(4)分液漏斗;排尽装置中的空气,防止生成的被氧化
(5)
(6)过滤、洗涤、干燥;
解析:(1)的水溶液中加入酚酞变红色,说明是强碱弱酸盐,则为弱酸。
(2)步骤③的氧化产物是,还原产物是锰离子,同时还生成二氧化碳、水,离子方程式为。
(3)因酸性高锰酸钾溶液用稀硫酸酸化,所以不能通过计算白色沉淀的质量来计算的量。
(4)仪器M的名称为分液漏斗;因为还原性气体,易被空气氧化,故反应开始前需要先通入一段时间,排尽装置中的空气,防止生成的被氧化。
(5)A中发生反应,生成的硫化氢可与B中的硫酸铜反应生成CuS沉淀,反应的离子方程式为。
(6)当A中反应完全后,打开K缓慢通入一段时间,然后对B中混合物进行过滤、洗涤、干燥、称重,得8.4 g沉淀, ,根据关系式得、。
相关试卷
这是一份【通用版】2023届高考化学一轮复习化学实验基础专练(10)定量实验,共14页。
这是一份【通用版】2023届高考化学一轮复习化学实验基础专练(7)物质性质探究实验,共14页。试卷主要包含了绿矾是生血片的主要成分等内容,欢迎下载使用。
这是一份【通用版】2023届高考化学一轮复习化学实验基础专练(6)表格逻辑关系评价,共6页。试卷主要包含了下列实验不能达到目的的是,化学是以实验为基础的科学等内容,欢迎下载使用。

