2022年中考物理实验专项复习3-欧姆定律探究实验
展开
这是一份2022年中考物理实验专项复习3-欧姆定律探究实验,共17页。
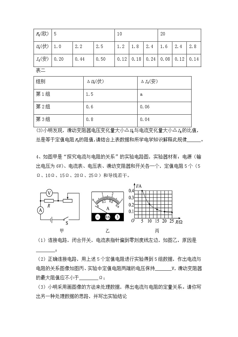
2022年中考物理实验专项复习3-欧姆定律探究实验1、小明在“探究电流与电阻关系”的实验中,选用的器材有:滑动变阻器、开关、电流表、电压表电源(电压恒为6V)、三个定值电阻(10Ω、15Ω、20Ω)、导线若干。(1)小明按图甲连接电路后,闭合开关S,移动滑片P,使电压表示数为U时,记录电流表的示数,然后再分别接入其余两个定值电阻,重复上述操作。(2)图乙是根据实验数据画出的电流随电阻变化关系的图像,分析可知U= V。为了完成实验,所选滑动变阻器的最大阻值应不小于 Ω。由图像可知:在导体两端的电压一定时,通过导体的电流与导体的电阻成 (选填“正比”或“反比”)。(3)小明又利用上述实验器材“探究电流与电压的关系”,在滑片P移动的过程中,将得到的实验数据填入如表中,由如表数据可得出结论:在电阻一定时,通过导体的电流与导体两端的电压成 (选填“正比”或“反比”)。R/Ω10电压U/V23456电流I/A0.20.30.40.50.6 2、在“探究电流与电阻的关系”实验中:(1)如图甲所示,请你用笔画线代替导线,将图中电路连接完整(请勿更改原有导线,导线不得交叉),要求:当滑动变阻器的滑片P向左移动时,电路中的电流变大。连接电路时,开关必须 。(2)闭合开关后,发现电压表有示数且接近电源电压,电流表无示数,其原因是 。(3)实验过程中,将5Ω的电阻接入电路中,闭合开关,调节滑动变阻器滑片P至适当位置,此时电流表示数如图乙所示,则电流表示数为 A.将5Ω的电阻更换为10Ω的电阻,闭合开关,应将滑动变阻器的滑片P向 (选填“左”或“右”)端移动,使电压表示数为 V。 3、在研究“电流与电压的关系”时,小明连接了如图甲的电路,电源电压U为3伏。(1)闭合开关后,小明发现电流表指针如图乙,出现这种现象的原因是______;(2)改正错误操作后,小明分别将电阻R0为5欧、10欧和20欧的定值电阻接入电路,测得电阻R0的电压U0和电流I0数据,如表一所示。小明想进一步研究“电阻R0的电流变化量大小ΔI0与电压变化量大小ΔU0的关系”,根据数据计算出部分电压变化量大小ΔU0和相应的电流变化量大小ΔI0,如表二所示,则表二中的a为______;表一组别第1组第2组第3组R0(欧)51020U0(伏)1.02.22.51.21.82.41.62.42.8I0(安)0.200.440.500.120.180.240.080.120.14表二组别ΔU0(伏)ΔI0(安)第1组1.5a第2组0.60.06第3组0.80.04(3)小明发现,滑动变阻器电压变化量大小ΔUR与电流变化量大小ΔIR的比值,总是等于定值电阻R0的阻值,请结合上表数据和所学电学知识解释此规律______。 4、如图甲是“探究电流与电阻的关系”的实验电路图,实验器材有:电源(输出电压为6V)、电流表、电压表、滑动变阻器和开关各一个,定值电阻5个(5Ω、10Ω、15Ω、20Ω、25Ω)和导线若干。(1)连接电路,闭合开关,电流表指针偏到零刻度线左边,如图乙,原因是________;(2)正确连接电路,用上述5个定值电阻进行实验得到5组数据,作出电流与电阻的关系图像如图丙、实验中定值电阻两端的电压保持_______V,滑动变阻器的最大阻值应不小于________Ω;(3)小明采用画图像的方法来处理数据,得出电流与电阻的定量关系。请你写出另一种处理数据的思路,并写出实验结论①处理数据的思路:________;②得出的实验结论:________;③老师对比以上两种处理数据的方法,认为此实验中仅根据图像,无法直观、准确的得出电流与电阻的定量关系。建议可以改变横坐标,处理数据后画出电流I与________的关系图像,在坐标系中画出一条正比例函数图像。 5、小明用图甲实物电路探究“导体中电流跟电阻的关系”,提供的器材有:电压恒为6V的电源、电流表、电压表、电阻箱、滑动变阻器(最大阻值模糊不清)、开关、导线若干。(1)图甲电路中存在连线错误,只需改动一根导线,即可使连线正确。请在接错的导线上打“×”,并用笔画线代替导线画出正确的接法。(2)改正连线后进行如下操作①将电阻箱的阻值调为5Ω,闭合开关,发现电流表示数为0.3A,可知滑动变阻器的最大阻值为 ;②移动滑片使电压表示数为U0时,记录电流表示数;③当电阻箱的阻值分别为10Ω、15Ω时,闭合开关,重复步骤②;④利用测得的数据绘制如图乙的图像;由图乙可知,实验过程中,U0为 V,滑动变阻器消耗的最大功率是 W,若进行第四次实验时,小明将电阻箱的阻值从15Ω调为35Ω后,没有调节滑动变阻器的滑片P就直接读出电流表的示数,则此时电流表的示数可能是 A;⑤当电阻箱的阻值为Rx时,闭合开关,滑动变阻器无论怎么调节,电压表示数始终大于U0,记录滑动变阻器在最大阻值时的电流表示数如乙图所示。则Rx的阻值为 Ω,仍使用原有器材,若使以上四个电阻值都能为实验所用,则控制不变的电压至少为 V。 6、小红利用图所示装置探究“电流与电压的关系”。序号U/VI/A①1.00.10②2.00.20③3.00.32(1)请用笔画线代替导线,按要求将实物图连接完整(要求:当滑片P向右移动时变阻器接入电路的阻值变大)。(2)在连接电路时,开关必须处于 (选填“闭合”或“断开”)状态。(3)实验中,发现电流表示数几乎为零,电压表示数接近电源电压,原因可能是 。(4)排除故障后,经过多次实验测得数据如表所示,由此可得出结论为: 。(5)请你根据表中数据,帮小红算一算,电路中所用电阻R的阻值为 Ω.(结果保留一位小数) 7、如图甲所示是小赵在探究“电流与电阻的关系”时的电路图,电源电压恒为6V电压表、电流表无损环,有阻值为5Ω、10Ω、20Ω、30Ω、40Ω定值电阻5个。(1)连接电路时,开关应该处于 状态,电路中有一处连接错了,请你在接错的导线上打“x”,并画出正确的连线;(2)电路连接正确后,闭合开关,发现电压表示数接近电源电压,但电流表示数为零,此时出现的故障可能是 。(3)将5次实验数据描绘在图乙中,图中阴影部分“面积”表示的物理量是 。(4)当小赵把定值电阻R换为40Ω的电阻接入电路时,发现无论怎样移动滑片,电压表都不能达到所控制的电压值,为完成整个实验,滑动变阻器的规格应选择 。A.“10Ω 1A”B.“10Ω 0.6A”C.“20Ω 1A”D.20Ω 0.6A”(5)正当小赵准备收拾实验器材准备结束实验时,小闫拿来一个额定电流已知的灯泡I额、阻值已知的定值电阻R0和两个开关S1、S2,一只电表(电流表或电压表),希望小赵能帮他按照丙图测量小灯泡的额定电功率,则应选择表 (选填“电流”或“电压”)放在 号(选填“①”、“②”或“③”)位置。 8、在“探究电流与电压和电阻的关系”的实验中,有如下器材:电压表、电流表、滑动变阻器、开关、三节干电池、定值电阻R(分别为5Ω、10Ω、15Ω、20Ω、25Ω)、导线若干。小明在实验时连接的电路如图甲所示。(1)画出图甲中的实验电路图; (2)在“探究电流与电压的关系”实验中,将10Ω的电阻接入电路中进行实验;①闭合开关前,要将滑动变阻器滑片移至___________(填“C”或“D”)端;电路中滑动变阻器起到保护电路元件安全和___________的作用;②闭合开关S,无论如何移动滑动变阻器的滑片P,发现电流表示数几乎为零,电压表示数约为3V。此时,电路出现的故障可能是___________;小明排除故障后继续实验,得到如表中数据,请在图乙中描点并画出此电阻的I-U图像;( )电压U/V1.01.52.02.5电流I/A0.100.160.200.24(3)在“探究电流与电阻的关系”实验中:①电路中滑动变阻器起到保护电路元件安全和的___________作用;②小明先将R=10Ω的电阻接入,闭合开关,调节滑动变阻器的滑片,直到电压表示数为2.5V,记下电流表示数;接着在滑动变阻器的滑片位置不变情况下,把R换为15Ω的电阻时,应向___________(填“C”或“D”)方向移动滑动变阻器的滑片P,才能使电压表示数为2.5V,同时记下电流表的示数。若要使所给的5个定值电阻分别接入电路中都能正常进行实验,应该选取至少标有___________Ω的滑动变阻器,要求写出计算过程;③根据多次测量数据描绘出电流随电阻变化的曲线如图丙所示,由图像得出的结论是___________。 9、某小组同学准备探究“通过导体的电流与电压、电阻的关系”实验器材有:干电池2节,滑动变阻器(20Ω,1A)、电流表、电压表、开关各一个,不同阻值的定值电阻及导线若干,图甲是他们连接的实验电路。(1)闭合开关前,应将滑动变阻器的滑片P移到 (选填“A”或“B”)端,(2)闭合开关后,他们移动滑动变阻器的滑片至某一位置,电压表示数为0.7V,电流表示数如图乙所示,接着继续探究,把所测数据填在了下表中①图乙中电流的示数为 A。②图丙是以电流Ⅰ为纵坐标、电压U为横坐标建立的平面直角坐标系,请根据他们所测数据、在坐标系中描点,画出I﹣U图象,并标标记为a。(3)图丙中b、c、d三条I﹣U图象,是其他组同学选择5Ω、10Ω和20Ω的定值电阻,按图甲电路测量数据所画。①单独分析图丙中每条I﹣U图象,可以得到的结论是 。②该小组同学发现,分析图丙中的I﹣U图象,还能得到:“当导体两端电压一定时,导体中的电流与导体的电阻成反比”这一规律。请写出分析方法: 。③验证②中的规律,该小组的同学选择了5Ω、10Ω、20Ω的定值电阻,准备分别接入图甲电路,测量电流进行探究,有同学提议:既然探究时需要保持电阻两端电压不变,图甲中可以不用连接滑动变阻器和电压表。他们按照提议分别将三只电阻由小到大接入电路,闭合开关后,读出电流表示数分别为0.42A,0.24A,0.13A,发现无法验证②中的规律。于是他们计划仍按图甲进行探究,分析测量数据后,选定准备加在电阻两端的电压值U.为确保完成验证,则这个电压值U的范围为 。A.1.5V<U≤3VB.1.3V<U<2.1VC.1.3V<U≤2.6VD.2.1V<U<2.6V 10、在探究“电流与电压、电阻的关系“实验中,实验室老师给小莉和小明同学分别准备了以下器材:电源(电压恒为4.5 V)、电压表、电流表。滑动变阳器、开关。“5Ω、10Ω、15Ω”的定值电阻各一个,导线若干。(1)根据如图所示的实物图在虚线框内画出对应的电路图( );(2)闭合开关后,移动滑动变阻器的滑片,发现电流表有示数,电压表的示数始终为0,经检查后发现是电路中一根导线断路,则发生断路的导线是a、b、c、d中的______(填字母);(3)小莉同学在“探究电流与电压的关系”时,记录的电流表与电压表的示数如表一所示,请在坐标中描点画出U- I图像( ),由此得出的实验结论是______;表一实验次数电压U/V电流I/A11.00.221.50.332.00.442.50.5表二实验次数电阻R/Ω电流I/A150.62100.33150.24(4)小明同学在“探究电流与电阻的关系”时,测得的三组数据如表二所示。由于操作不当,导致表二中第______次实验的数据存在情误,出错的原因是______。小明及时纠正了错误,得出了正确的测量结果和实验结论。接着小明又计算出本次实验中滑动变阻器连入电路的阻值范围是______。 11、小明和小红两位同学在一次探究“导体中的电流与什么因素有关”的活动中发生了争执。小明说“导体中的电流可能与它两端的电压有关,因为电压是产生电流的原因”。小红说“导体中的电流可能与导体的电阻有关,因为电阻表示导体对电流的阻碍作用,电阻越大,电流越小”。为了验证猜想,小明和小红同学找来了如下器材,电压恒为4.5V的电源、电流表、电压表、标有“20Ω 1A”的滑动变阻器各一个,阻值分别为5Ω,10Ω,15Ω的额定值电阻各一个,开关及导线若干(1)小明同学为了探究“电流与电压的关系“连接了如图甲所示的电路,正准备闭合开关时,旁边的小红同学急忙拦住他,说接线有错误,请你在图甲中只改动一根导线的连线、电路正常工作,(用“×”标出改动的导线,用笔画线代替导线,把它接到正确的位置上,导线不得交叉)(2)纠正错误后,闭合开关前,应将滑动变阻器的滑片P移到 (选填“A”或“B”)端(3)小明通过调节滑动变阻器改变定值电阻R两端电压得到了3组实验数据,如表一,分析表格中的数据,可以得出结论: (4)①小红在小明实验的基础上,继续探究“电流与电阻的关系”,她将表一中的第3次数据填入到表二中作为第1次实验数据,然后将定值电阻R由5Ω更换成10Ω接入电路,调节滑片P,直到 为止,记下此时电流表的示数,电流表示数如图乙所示,请把电压数及测得的电流数据填入表二中a、b处。②小红同学根据表二中的实验数据得到如下结论:“电流与电阻成反比”(5)请你对第(4)步中的探究过程作出评价,并写出两点评价意见Ⅰ: Ⅱ: 表一:实验次数定值电阻/Ω电压/N电流/A1510.22520.43530.6表二:实验次数电压/N定值电阻/Ω电流/A1350.62a10b 12、小宇和同学利用图甲所示的电路来探究“电流与电阻的关系”。(1)如图甲所示,将电源电压调到3V,请你用笔画线代替导线将实物电路连接完整,使滑片P向右移动时,滑动变阻器接入电路的阻值增大;(2)完成连接后进行实验。实验中,若无论如何调节滑动变阻器,电流表的示数几乎为零,电压表示数始终为3V。经检查发现是某根导线出现了断路,该导线是___________(选填导线编号);(3)排除故障后闭合开关,移动滑片P,完成5的定值电阻实验。断开开关,将5的电阻换成10的电阻,闭合开关后,为保证电压表示数与更换前相同,滑片P应向___________(选填“左”或“右”)端滑动。(4)实验中依次接入定值电阻,调节滑片使定值电阻两端电压相同,记下电流表读数,绘出电流I与电阻倒数变化的图像如图乙所示,由图像可知:控制定值电阻两端的电压为___________V。①若滑动变阻器的最大阻值为20,则实验时更换的定值电阻接入电路的阻值不得超过___________;②根据图乙可得出“在电压一定时,通过导体的电流与导体的电阻成___________”的实验结论。③在上述实验中当接入的定值电阻为10时,滑动变阻器两端电压和该电阻的两端的电压之比为k1,若接入20电阻时该比值为k2,则k1___________k2(选填“>”“=”或“<”)(5)小华将电源电压调到4.5V,也做了探究“电流与电阻的关系”的实验,根据实验数据绘制的图象如图丙所示,与图乙相比,小兵发现造成两个图象不同的原因,除了横轴表示的物理量不同外,还有一个主要原因是___________。 答案1、(2)3;20;反比;(3)正比。 2、(1)见下图 断开;(2)电阻R断路;(3)0.3;右;1.5。 3、(1) 正负接线柱接反了 (2) 0.30 (3) 根据串联电路电压特点U=U0+UR,得:ΔUR=ΔU0根据串联电路电流特点IR=I0,得:ΔIR=ΔI0,所以ΔUR与ΔIR的比值等于ΔU0与ΔI0的比值,据表二数据可知,ΔU0与ΔI0的比值等于R0,则ΔUR与ΔIR的比值等于R0。 4、 (1)正负接线柱接反了 (2) 2V 50Ω (3) 列表格法 在电压一定时,电流与电阻成反比 5、(1)如下所示;(2)①15Ω; ④3;1.8;0.12;⑤45;4.5。 6、(1)如下图所示;(2)断开; (3)R断路; (4)电阻一定时,电流与电压成正比;(5)9.8。 7、(1)断开;改后电路图如下;(2)定值电阻处断路;(3)电压;(4)C;(5)电流;③。 8、 (1) (2)C 改变定值电阻两端的电压 定值电阻断路了 (3)保持定值电阻两端的电压不变 C 20 电压一定时,通过导体的电流与其电阻成反比 9、(1)B;(2)①0.12;②如下图所示;(3)①电阻一定时,电流与电压成正比:②控制变量法;③B。 10、(1). (2). b (3). 电阻一定时,电流与电压成正比 (4) 3 没有保持定值电阻两端电压一定,定值电阻两端电压为3.6V,大于3V 2.5Ω~7.5Ω 11、(1)见上图;(2)A;(3)在电阻一定时,导体中的电流和导体两端的电压成正比;(4)电压表的示数为3V;a、3;b、0.3;(5)Ⅰ、实验次数少;Ⅱ、结论缺少“电压一定”的前提条件。 12、 (1) (2) ④ (3)右 (4)2 40 反比 = (5)定值电阻两端电压不同
相关试卷
这是一份中考物理二轮复习实验专项练习实验03 探究光的反射定律实验(含解析),共9页。
这是一份中考物理二轮复习实验专项练习实验02 探究不同物体吸热能力实验(含解析),共11页。
这是一份中考物理二轮复习实验专项练习实验01 探究“水的沸腾”(含解析),共10页。

