所属成套资源:(通用版)中考物理一轮复习 检测卷 (含答案)
中考物理一轮复习第12讲《测量物质的密度》检测卷 (含答案)
展开这是一份中考物理一轮复习第12讲《测量物质的密度》检测卷 (含答案),共9页。试卷主要包含了小明要测量木块的密度等内容,欢迎下载使用。
第12讲 测量物质的密度
命题点1 浮力法测固体的密度
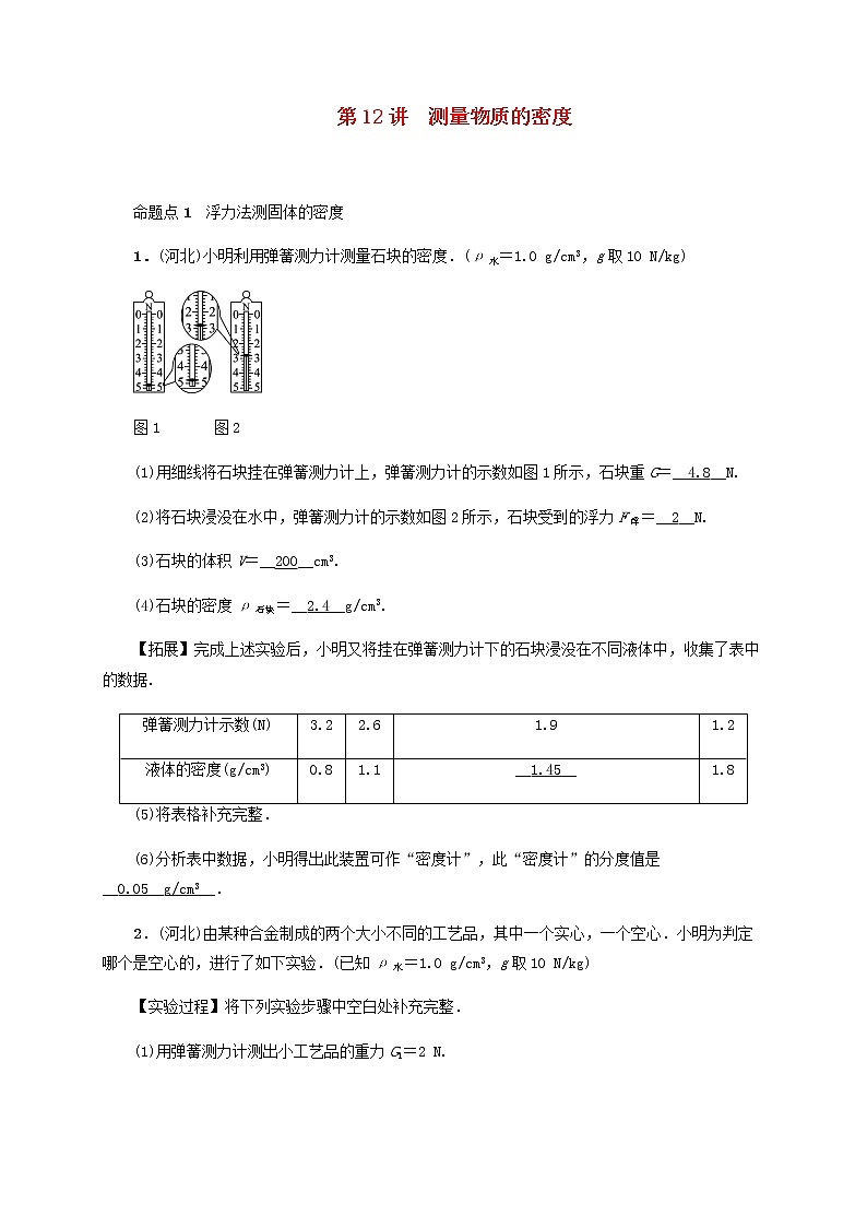
1.(河北)小明利用弹簧测力计测量石块的密度.(ρ水=1.0 g/cm3,g取10 N/kg)
图1 图2
(1)用细线将石块挂在弹簧测力计上,弹簧测力计的示数如图1所示,石块重G=__4.8__N.
(2)将石块浸没在水中,弹簧测力计的示数如图2所示,石块受到的浮力F浮=__2__N.
(3)石块的体积V=__200__cm3.
(4)石块的密度ρ石块=__2.4__g/cm3.
【拓展】完成上述实验后,小明又将挂在弹簧测力计下的石块浸没在不同液体中,收集了表中的数据.
弹簧测力计示数(N) | 3.2 | 2.6 | 1.9 | 1.2 |
液体的密度(g/cm3) | 0.8 | 1.1 | __1.45__ | 1.8 |
(5)将表格补充完整.
(6)分析表中数据,小明得出此装置可作“密度计”,此“密度计”的分度值是__0.05__g/cm3__.
2.(河北)由某种合金制成的两个大小不同的工艺品,其中一个实心,一个空心.小明为判定哪个是空心的,进行了如下实验.(已知ρ水=1.0 g/cm3,g取10 N/kg)
【实验过程】将下列实验步骤中空白处补充完整.
(1)用弹簧测力计测出小工艺品的重力G1=2 N.
(2)将挂在测力计下方的小工艺品浸没水中,小工艺品受到__三__个力的作用,此时测力计的示数F1=1.6 N,则浮力F浮=__0.4__N.
(3)用测力计测出大工艺品的重力G2=3 N.
(4)如图所示,将挂在测力计下方的大工艺品浸没水中,测力计的示数F2=__2.2__N.
(5)合金的密度ρ=__5__g/cm3,则__大__(填“大”或“小”)工艺品是空心的.
【拓展应用】
(6)空心工艺品空心部分的体积是__20__cm3.
3.(2012·河北)小明用天平、细绳、烧杯和水(ρ水=1.0 g/cm3)测定某工艺品(实心)的密度.
图1 图2
(1)实验过程如下:
①往烧杯中倒入适量的水,用调节好的天平测出烧杯和水的总质量为200 g.
②用绳将工艺品拴好并浸没在水中(如图1所示),在右盘中增加砝码并移动游码,当天平平衡后,得出质量为208 g,则工艺品的体积为__8__cm3.
③从烧杯中取出工艺品,用天平测量其质量,当天平平衡后,右盘中砝码和游码的位置如图2所示,工艺品的质量为__64__g.
④工艺品的密度为ρ=__8__g/cm3.
(2)小明测量的工艺品密度比真实值__偏大__(填“偏大”或“偏小”),是由于__工艺品表面沾有水__.
(3)被测工艺品是由下表中的某种金属制成的.这种金属在生产和生活中有着广泛的应用,如__制造机器的外壳和底座__(举一例).
物质 | 金 | 铅 | 铜 | 铁 | 铝 |
密度/(g·cm-3) | 19.3 | 11.3 | 8.9 | 7.9 | 2.7 |
命题点2 浮力法测液体的密度
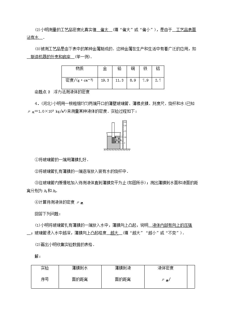
4.(河北)小明用一根粗细均匀两端开口的薄壁玻璃管、薄橡皮膜、刻度尺、烧杯和水(已知ρ水=1.0×103 kg/m3)来测量某种液体的密度.实验过程如下:
①将玻璃管的一端用薄膜扎好.
②将玻璃管扎有薄膜的一端逐渐放入装有水的烧杯中.
③往玻璃管内缓慢地加入待测液体直到薄膜变平为止(如图所示);测出薄膜到水面和液面的距离分别为h1和h2.
④计算待测液体的密度ρ液.
回答下列问题:
(1)小明将玻璃管扎有薄膜的一端放入水中,薄膜向上凸起,说明__液体内部有向上的压强__;玻璃管浸入水中越深,薄膜向上凸起程度__越大__(填“越大”“越小”或“不变”).
(2)画出小明收集实验数据的表格.
解:
实验 序号 | 薄膜到水 面的距离 h1/cm | 薄膜到液 面的距离 h2/cm | 液体密度 ρ液/ (g·cm-3) |
|
1 |
|
|
|
|
(3)待测液体的密度ρ液__=1.2×103__kg/m3.
(4)已知玻璃管的横截面积为5 cm2、质量为20 g,厚度忽略不计.当薄膜变平后,小明松开手,玻璃管将__向下__(填“向上”或“向下”)运动;玻璃管静止后,薄膜到水面的距离为__10__cm.(g取10 N/kg)
实验突破 测量物质的密度
(重庆A卷)小薇同学在测固体密度时操作步骤如下:
甲 乙 丙 丁
(1)在实验室,小薇把天平放在__水平__工作台上,将游码归零,发现指针偏向分度盘的左侧,此时应将平衡螺母向__右__(填“左”或“右”)调节,使天平横梁平衡.
(2)小薇选用了一块小矿石,用调好的天平测它的质量,当右盘中所加砝码和游码的位置如图甲所示时,天平恢复平衡,则测得的矿石质量是__43.4__g.
(3)如图乙所示的量筒分度值为__2__cm3,在量筒中装入适量的水,将系了细线的矿石轻放入量筒,如图乙所示,读数时视线应与液面__相平__(填“相平”或“不相平”),测得矿石的体积是__18__cm3.
(4)实验后,小薇发现使用的20 g砝码生锈了,由此导致测得的矿石密度会__偏小__(填“偏大”“偏小”或“不变”).
(5)小薇回家后,想测出家里某个小彩石的密度,她找到家里的电子秤,称出小彩石的质量是140 g,又借助细线、水、玻璃杯,测出了小彩石的体积,她的实验操作步骤如图丙、丁所示,则小彩石的密度是__2.8__g/cm3.
【拓展训练1】 小薇过生日时,妈妈送给她一个内有“生日快乐”字样的水晶球.小薇想知道水晶球的密度,于是她找来量筒、小玻璃杯和水,用如图所示的步骤测量出水晶球的密度.由图可知:水晶球的体积是__10__cm3,水晶球的质量是__30__g,水晶球的密度是__3__g/cm3.
【拓展训练2】 小薇应用其他方法测量水晶球的密度,实验操作如下:
(1)如图甲所示,用细线拴住水晶球,挂在弹簧测力计上,根据弹簧测力计的示数可知,水晶球的重力G是__3.6__N.
(2)如图乙所示,将水晶球浸没水中,根据弹簧测力计的示数可计算出水晶球所受的浮力F1是__1.2__N.
(3)利用以上测量数据计算出这块水晶球的密度是__3×103__kg/m3.(g取10 N/kg)
【拓展训练3】 在上面实验基础上,利用弹簧测力计和该水晶球,只需增加一个操作步骤就能测出烧杯中盐水的密度,增加的步骤是:__用弹簧测力计吊着水晶球,把水晶球浸入盐水中,读出此时测力计的示数F__.盐水密度表达式ρ盐水=__·ρ水__(选用所测物理量符号表示,水的密度用ρ水表示).
类型1 利用天平和烧杯
1.小明在实验室里测量一块形状不规则、体积较大的矿石的密度.
(1)用调节好的天平测量矿石的质量.当天平平衡时,右盘中砝码和游码的位置如图所示,矿石的质量是__175.6__g.
图1
(2)因矿石体积较大,放不进量筒,因此他利用一个烧杯,按如图所示方法进行测量,矿石的体积是__70__cm3.
图2
(3)矿石的密度是__2.51×103__kg/m3,从图A到图B的操作引起的密度测量值比真实值__偏小__(填“偏大”“偏小”或“不变”).
类型2 缺量筒
2.(深圳)“测量橙汁的密度”实验.
(1)为了测量结果更准确,下列实验步骤的合理顺序是__DCEBA__(用字母表示).
A.计算橙汁的密度
B.用天平测出空烧杯的质量
C.烧杯中盛适量的橙汁,用天平测出橙汁和烧杯的总质量
D.调节天平平衡
E.将烧杯中的橙汁全部倒入量筒中,读出橙汁的体积
(2)测量橙汁和烧杯总质量时,右盘中砝码和游码的位置如图甲所示,则总质量为__61.8__g.
(3)不用量筒,只需添加一个完全相同的烧杯和适量的水,也可以完成该实验.
实验步骤如下:
①用已调好的天平测出空烧杯的质量,记为m0;
②向一个烧杯中倒入适量橙汁,用天平测出橙汁和烧杯的总质量,记为m1;
③向另一个烧杯中倒入与橙汁等深度的水(如图乙),用天平测出水和烧杯的总质量,记为m2;
④橙汁的密度ρ橙汁=__ρ水__(水的密度用ρ水表示).
3.(唐山路北区二模)小华利用浮力知识测量橡皮泥的密度.
A.测出空烧杯的质量m0.
B.将橡皮泥捏成碗状,轻放入盛满水的溢水杯中,橡皮泥漂浮,用烧杯接住溢出的水.
C.测出烧杯和水的总质量m1,如图.
D.__将该橡皮泥取出捏成团,放入盛满水的溢水杯中,橡皮泥沉底__,用另一相同的空烧杯接住溢出的水.
E.测出烧杯和水的总质量m2.
(1)调节天平平衡时,发现指针静止时指在分度盘中央刻度线右侧,则应将平衡螺母向__左__调节,由图可知m1=__32__g.将上面D中的步骤补充完整.
(2)橡皮泥密度的表达式为ρ=__·ρ水__.(用m0、m1、m2等物理量的符号表示)
(3)操作B、D中橡皮泥所受浮力分别为FB、FD,则FB、FD的大小关系是:FB__>__FD,请写出你的推理过程:__操作B中物体漂浮在水面上,浮力FB等于物体的重力,操作D中物体沉在水底,浮力FD小于物体的重力,橡皮泥在这两个过程中形状发生了变化,而重力不变,所以FB大于FD__.
类型3 缺天平
4.(扬州)有一个形状不规则的小木块,将其放在水中时,浮在水面上,用以下两种方案测量该木块的密度.
方案一:
(1)用天平测小木块的质量:测质量前,指针指在分度盘的左侧,则平衡螺母应向__右__(填“左”或“右”)移动,平衡后测得小木块的质量为m;
(2)在量筒中倒入适量的水,体积为V0;
(3)用细针将小木块浸没水中,读出量筒中水面对应的刻度为V1,则木块的密度表达式ρ=____.
方案二:
(1)在量筒中倒入适量的水,体积为V2,如图所示;
(2)用一个体积为10 cm3的铁块和小木块拴在一起浸没水中,读出量筒中水面对应的刻度为V3=90 cm3;
(3)从量筒中取出铁块,小木块漂浮水面,读出量筒中水面对应的刻度为V4=68 cm3,则木块的密度ρ=__0.625__g/cm3.
对比以上两种方案,误差比较小的是__方法一__,理由:__方法二由于铁块取出时带有水,使得量筒中的木块和水的体积偏小,即木块排开水的体积偏小,木块质量偏小__.
5.小明用弹簧测力计等器材测量一块石块的密度,请将下面实验步骤中的数据补充完整.(ρ水=1.0×103 kg/m3 ,g取10 N/kg)
甲 乙 丙
(1)如图甲所示,用弹簧测力计测出该石块在空气中的重力G=2.5 N.
(2)将该石块浸没在水中静止时,如图乙所示,弹簧测力计的示数F=__1.5__N.
(3)根据阿基米德原理可算出该石块的体积V=__1×10-4____m3.
(4)根据密度公式算出该石块的密度ρ=__2.5×103____kg/m3.
类型4 缺天平和量筒
6.(福建)小明要测量木块的密度.实验器材有:木块、弹簧测力计(0~5 N)、底部固定有滑轮的水槽、细线及足量的水.(g取10 N/kg)
(1)先用弹簧测力计测木块的重力,如图甲,示数为__2.4__N;再用细线绕过滑轮将木块与测力计连接起来,接着往水糟中倒入适量的水,使木块浸没在水中,如图乙,木块在水中静止时测力计示数为1.6 N.木块的体积为__4×10-4__m3,密度为__0.6×103____kg/m3.本实验中滑轮的作用是__改变力的方向__.
(2)小明分析发现,如果把水换成其他液体,测力计的示数就会不同,于是他把测力计的刻度改成相应的密度值,将该装置改装为测量液体密度的密度计.原测力计1.0 N刻度处应标注为__0.85×103____kg/m3,该“密度计”的刻度分布__均匀__(填“均匀”或“不均匀”).
(3)若要增大这种“密度计”的最大测量值,可以采取的方法有__换用更大量程的弹簧测力计__(写出一种即可).
相关试卷
这是一份中考物理复习阶段检测卷二(第8~12讲)含答案,共14页。试卷主要包含了选择题,填空题,作图题,实验探究题,综合应用题等内容,欢迎下载使用。
这是一份人教版中考物理复习阶段检测卷二(第8~12讲)含答案,共12页。试卷主要包含了选择题,非选择题等内容,欢迎下载使用。
这是一份中考物理复习阶段检测卷二(第8~12讲)含答案,共16页。试卷主要包含了选择题,填空作图题,实验探究题,论述计算题等内容,欢迎下载使用。

