专题15 压强-2022届中考物理实验探究真题精准练1
展开专题15 压强
近年中考实验探究真题——专题精准练习50题:
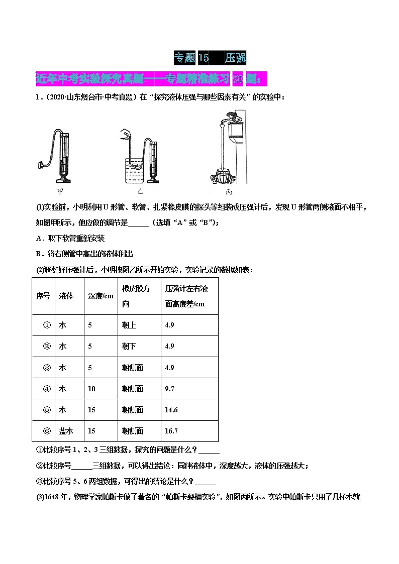
1.(2020·山东烟台市·中考真题)在“探究液体压强与哪些因素有关”的实验中:
(1)实验前,小明利用U形管、软管、扎紧橡皮膜的探头等组装成压强计后,发现U形管两侧液面不相平,如图甲所示,他应做的调节是______(选填“A”或“B”);
A.取下软管重新安装
B.将右侧管中高出的液体倒出
(2)调整好压强计后,小明按图乙所示开始实验,实验记录的数据如表:
序号
液体
深度/cm
橡皮膜方向
压强计左右液面高度差/cm
①
水
5
朝上
4.9
②
水
5
朝下
4.9
③
水
5
朝侧面
4.9
④
水
10
朝侧面
9.7
⑤
水
15
朝侧面
14.6
⑥
盐水
15
朝侧面
16.7
①比较序号1、2、3三组数据,探究的问题是什么?______
②比较序号______三组数据,可以得出结论:同种液体中,深度越大,液体的压强越大;
③比较序号5、6两组数据,可得出的结论是什么?______
(3)1648年,物理学家帕斯卡做了著名的“帕斯卡裂桶实验”,如图丙所示。实验中帕斯卡只用了几杯水就让装满水的木桶向四周裂开,这个实验现象能够验证液体压强的哪些特点?______
2.(2020·四川巴中市·中考真题)在探究“影响液体内部压强大小的因素”的实验中,操作过程如下。
(1)实验中液体压强是用U形管两侧液面____ 来表示的,这种方法叫_____法;
(2)通过比较___两个图,可得出结论:同种液体的压强随深度的增加而增大;
(3)通过比较D、E两个图,可探究液体压强与_____的关系;
(4)通过比较A、B、C三个图,可得出结论:同种液体在相同深度向各个方向的压强_______。
3.(2020·浙江金华市·中考真题)在游泳时,小金发现越往深水区走,越感到胸闷,由此猜想液体内部压强可能与液体的深度有关。于是用液体压强计对此进行了探究。
步骤一:将金属盒放入水中深度5厘米处,观察现象;
步骤二:将金属盒放入水中深度15厘米处时,发现金属盒的位置不动,但U形管两侧的液面高度差逐渐减小;
步骤三:调整好器材后,重新实验。在深度5厘米处观察到现象如图(甲)A所示,在深度15厘米处观察到现象如图(甲)B所示。
得出结论:同种液体内部压强随着深度的增加面增大。
请完成下列问题:
(1)该实验过程用到的科学方法有_____(填字母);
A.转换法
B.控制变量法
C.类比法
(2)步骤二中金属盒在水里的位置不动,但U形管两侧的液面高度差逐渐减小的原因是_____;
(3)小金反思:只进行两次实验就得出结论,结论是不可靠的。还需改变深度更换液体进行多次实验,其目的是_____;
(4)对液体内部压强大小与深度关系的进一步思考。图(乙)为一圆柱形容器,容器内装有密度为ρ的液体,a点在深度为h处的水平横截面上,横截面上方的液柱对横截面产生的压力大小等于该液柱的重力。根据压强公式,推导出a点所在横截面受到的液体压强pa与深度h之间的关系式是pa=_____。
4.(2020·江苏扬州市·中考真题)“探究影响液体内部压强因素”活动中:
(1)如图甲,使用前用手指按压强计的橡皮膜,是为了检查实验装置的__。实验过程中通过U形管两侧液面的__来比较液体内部压强的大小。
(2)比较图乙中的A、B、C,可得出结论:同种液体,同一深度,__。
(3)在实验过程中发现,在同种液体的同深度处,使用不同的压强计时,U形管两侧液面的高度差不完全相同。小明猜想可能是实验时U形管没有__放置;小强则认为可能是U形管中初始液面没有在中间0刻度线。这种说法是__(填“正确”或“错误” 的;小华认为可能与金属盒的橡皮膜安装时松紧有关。小华将砝码放在水平放置的金属盒橡皮膜上,改变橡皮膜的松紧程度,发现橡皮膜较紧时,U型管两侧液面的高度差较__。你认为U型管两侧液面的高度差还与橡皮膜的__有关。
5.(2020·甘肃天水市·中考真题)在“探究液体压强的特点”实验中,小明进行了如下的猜想:
猜想一:液体内部压强大小可能与液体深度有关。
猜想二:液体内部压强大小可能与液体密度有关。
猜想三:液体内部压强大小可能与方向有关。
为了验证以上猜想,小明进行了如图所示的操作:
(1)实验过程中探头受到的液体压强大小是通过__反映的。
(2)为了验证猜想一,应选择__两组实验对比,可初步验证出猜想一是正确的。
(3)探究液体压强与液体密度的关系时,对比乙、丙两组实验,小明可得出的结论是:当液体深度相同时,液体的密度越大,液体的压强就越__。
6.(2020·辽宁朝阳市·中考真题)在“研究液体内部的压强”的实验中,小红选用液体压强计和两个透明圆柱状的容器,分别盛适量的水和盐水进行实验,操作过程如图甲所示。
(1)“小红将压强计的探头插入水中后, 发现探头看上去变大了,这是因为容器和水的共同作用相当于_______,起到了放大的作用。
(2)通过比较A、 B、C三个图可以得出的结论是:在同种液体的内部,_____________。
(3)小红比较 C、D两个图得出液体压强和液体密度有关的结论,小明认为这样比较得出结论是不正确的,他的理由是:_______________。
(4)小明利用量筒和一个带胶塞的小瓶, 测量出矿石的密度,如图乙,实验过程如下:
①用量筒量取适量的水,读出体积为V0;
②将小瓶放入量筒内,小瓶漂浮在水面上,读出体积为V1;
③将适量的矿石放入小瓶中,再将小瓶放入量筒内,小瓶仍漂浮在水面上,读出体积为V2;
④将瓶内的矿石全部倒入水中,再将小瓶放入量筒内,读出体积为V3。
根据以上信息计算(水的密度用ρ水表示):在图乙③中,小瓶和矿石受到的浮力F浮= __ ;矿石的密度表达式为ρ石=_____________。
7.(2020·广东广州市·中考真题)小明想探究图甲中的膜被不同粗细的针(表)刚刺破时所受压强是否相等。A针对膜的压力F随时间变化,膜刚被刺破时,压力达到最大值,F-t图象如图乙所示。
针的编号
A
B
针与膜接触面积/m2
(1)膜刚被刺破时,A针对膜的压力FA为______N,压强为______Pa;
(2)t1至t2这段时间,A针对膜的压强是变大、变小还是不变______?
(3)B针刚刺破图甲中的膜时,测得针对膜压力为3.5N,此时B针对膜的压强为,则______(选填“>”“=”“<”)。
8.(2020·江苏南通市·中考真题)小明想测量校园里一块长方体校训石对水平地面的压强。他找到一些与其材质相同的小石块,用测力计、烧杯、水、细线和卷尺等进行如下实验:(g取10N/kg)
(1)使用弹簧测力计前,应检查指针是否指在____;
(2)由图示操作,测出小石块受到的浮力F浮=____N;
(3)计算出小石块的密度____kg/m3;
(4)测出校训石的长、宽、高分别为5m、1m、2m,则校训石对水平地面的压强=____Pa;
(5)校训石与地面接触的右下角是缺损的,则他测算出的压强比实际压强____。
9.(2020·江苏南通市·中考真题)学习小组用侧壁扎有小孔的长塑料瓶做“探究液体压强特点”的实验时,发现每次小孔中水的流量Q(单位时间内喷出水的体积)不同。水的流量与哪些因素有关,大家提出以下猜想。
猜想1∶与小孔的形状有关;
猜想2∶与小孔距水面的深度h有关;
猜想3∶与小孔的横截面积S有关;
(1)为验证猜想1,他们在三个相同塑料瓶侧壁的同一位置各扎一个小孔,三孔形状如图甲所示,在小孔处安装阀门和流量计(测流量的仪器)。将瓶中均装满水,打开阀门,测出流量。此步骤存在的问题是_____。
(2)肯定猜想1后,为探究猜想2,他们在同一塑料瓶的不同位置,分别开相同的圆孔进行实验∶
①下表是实验中测得的数据,请在图乙中描点作出流量Q与小孔深度的平方根的关系图线,表格中第3次流量Q=_____。
②进一步分析,他们认为深度影响流量的原因是深度越大,液体压强越_____,喷出小孔的水流速也越大。
(3)对于猜想3,大家认为是正确的。为进一步探究流量Q与小孔横截面积S之间的定量关系,老师画了图丙所示的水柱模型,其中v表示水从小孔流出的速度,l表示时间t内流出水柱的长度,S表示小孔的横截面积。
①根据流量定义并结合模型,推导流量Q与流速v、面积S的关系式∶Q=____;
②通常情况下,喷泉竖直向上喷出的水柱在上升阶段粗细并不均匀,则喷出水柱在空中上端较____ (选填“粗”或“细”)。
10.(2020·湖北咸宁市·中考真题)同学们利用压强计等装置“探究液体内部压强的规律”,进行了如下的操作。
(1)在使用压强计前,发现U形管中两侧液面已有高度差(如图甲所示),接下来的操作是____(选填字母);
A.直接从U形管右侧中倒出适量液体B.拆除胶管重新安装
(2)正确操作后,分析乙、丙两图的实验现象,初步得出的结论是:同种液体中,液体压强随液体深度的增加而____,因此拦河大坝要做成____的形状(选填“上窄下宽”或“上宽下窄”);
(3)玲玲保持丙图中探头的位置不变,并向容器内加入适量的浓盐水,她发现U形管两侧液面的高度差又变大了,于是得出了“在同一深度,液体的密度越大,其内部的压强越大”的结论。她的操作不可靠,原因是加入盐水后液面位置改变了,正确操作是应将探头适当____(选填“上移”或“下移”);
(4)红红用丁装置测量未知液体的密度:在左侧加入适量的水,在右侧缓慢倒入待测液体,直到观察到橡皮膜相平,需要测量的物理量有____(多选);
A.右侧待测液体到容器底的深度h1
B.右侧待测液体到橡皮膜中心的深度h2
C.左侧水到容器底的深度h3
D.左侧水到橡皮膜中心的深度h4
根据你选用的物理量推导出待测液体密度的表达式为____(用题中字母和表示)。
11.(2020·黑龙江绥化市·中考真题)某同学用下列器材探究“液体内部的压强”。
(1)他向图甲的U形管内注入适量的红墨水,红墨水静止时,U形管两侧液面高度______;
(2)图乙压强计通过U形管两侧液面的______来反映橡皮膜所受压强的大小,用手指按压橡皮膜发现U形管中的液面升降灵活,说明该装置______;(填“漏气”或“不漏气”)
(3)他把探头放入水面下6cm处,探头受到水的压强是______Pa;继续向下移动探头,会看到U形管两侧液面的高度差变大,说明液体内部的压强与液体的______有关;
(4)为了检验“液体内部的压强与液体密度有关”这一结论,他用图丙的装置,在容器的左右两侧分别装入深度相同的不同液体,看到橡皮膜向左侧凸起,则______侧液体的密度较大。(填“左”或“右”)
12.(2020·江苏南京市·中考真题)小明和小华利用压强计、刻度尺和装有适量水的容器,探究液体内部压强与深度的关系,如图所示:
(1)图甲中金属盒在水中的深度为______cm;
(2)比较两图可知,液体内部压强随深度的增大而______;
(3)比较两图,小明认为:液体内部某处到容器底的距离越大,其压强越小。为研究此问题,小华在乙图中保持金属盒的位置不变,往容器内加水,当水面到容器底的距离L满足条件:______,对比甲图,可说明小明的观点是错误的。
13.(2020·江西中考真题)如图所示,是某学校科技节上展示的两件作品,小明为此作了以下解说:
(1)甲是简易的温度计,它的工作原理是利用______的性质而制成的,它的测温效果与小玻璃瓶的容积和玻璃管的______有关;所用的测温物质是煤油而不是水,这是因为煤油的______较小,吸收(或放出)相同的热量时,玻璃管内液柱变化更为明显;
(2)乙是简易的气压计,当外界气压减小时,玻璃管内液柱的液面会______;
(提出问题)小华发现甲、乙的构造非常相似,提出乙是否也能做温度计使用?
(设计实验和进行实验)把两装置中的小玻璃瓶同时没入同一热水中,观察到乙装置中玻璃管内液柱上升更明显,这是由于瓶内的______受热膨胀更显著,故乙也能做温度计使用;
(拓展)查阅相关资料,了解到人们很早就发明了如下图所示的气体温度计,当外界环境气温升高时,该温度计中的管内液面会______,但由于受外界______、季节等环境因素变化的影响,所以,这种温度计测量误差较大。
14.(2020·山东滨州市·中考真题)如图所示,某小组在“探究压力的作用效果与哪些因素有关”的实验中
(1)实验中是通过比较海绵的______来比较压力作用效果的大小。这种实验方法叫做______法。
(2)通过比较图甲和图乙两次实验,探究压力的作用效果与______的关系;通过比较图______和图______两次实验,探究压力的作用效果与受力面积的关系,这种实验方法是______法。
(3)实验结束后,同学们做了进一步的交流讨论,分析静止在水平桌面上的固体,它对桌面的压力和它受到的重力大小相等,这是因为它对桌面的压力与桌面对它的支持力是一对______力;它受到的重力与桌面对它的支持力是一对______力。
15.(2020·山东青岛市·中考真题)探究液体内部压强的特点:
(1)用压强计和盛有水的容器进行实验,情形如图甲所示。比较A、B可知:在液体内部的同一深度,向______的压强都相等;比较A、C可知:液体内部压强的大小跟______有关。
(2)用如图乙所示的容器也可以探究液体内部的压强。容器中间用隔板分成互不相通的左右两部分,隔板上有一圆孔用薄橡皮膜封闭,橡皮膜两侧压强不同时其形状发生改变。用此容器进行的两次实验,情形如图丙的D、E所示由此可推断:a、b两种液体密度的大小关系是ρa______ρb,a、c两种液体密度的大小关系是ρa______ρc。
16.(2020·四川南充市·中考真题)在“探究压力作用效果与哪些因素有关”的实验中,小强利用了多个完全相同的木块和海绵进行了如图所示的实验。
(1)实验中通过观察海绵的________来比较压力作用效果;
(2)对比甲、乙两图可以得出:当________一定时,受力面积越小,压力作用效果越明显;
(3)由甲、丙两图可以探究压力作用效果与________的关系;
(4)对比甲、丁两图,小强认为压力作用效果与压力大小无关,你认为他的观点________(选填“正确"或“错误”);理由是________。
17.(2020·贵州黔东南苗族侗族自治州·中考真题)如图甲、乙、丙所示,小明利用小桌、海绵、砝码等探究影响压力作用效果的因素:
(1)本实验是通过观察_________来比较压力作用效果的。实验中用到的研究方法有_________和转换法;
(2)通过比较图甲、乙,说明_________ ,压力的作用效果越明显;
(3)通过比较图_________(填序号),说明压力一定时,受力面积越小,压力的作用效果越明显;
(4)将该小桌和砝码放在如图丁所示的木板上,则图丙中海绵受到的压强p和图丁中木板受到的压强的大小关系为p_________(选填“>”“<”或“=”)。
18.(2019·湖北中考真题)在探究“影响压力作用效果的因素”实验中,某小组同学利用小桌、砝码、海绵等物品在水平桌面上进行探究.
(1)实验中用______反映压力的作用效果,采用了转换法.
(2)比较甲、乙两图的实验可以得出_______; 比较丙图和___图,可以得出压力一定时,受力面积越小,压力的作用效果越明显.
(3)本实验还采用了__________的研究方法.
19.(2019·广西河池市·中考真题)小丁利用矿泉水瓶、硬纸片、水和海绵,做了如图所示的实验。
(1)通过观察图a、b海绵的______来比较压力的作用效果;
(2)比较图中a、b两图可知:当压力一定时,_______越小,压力的作用效果越明显;
(3)将矿泉水瓶装满水,瓶口覆盖一张硬纸片后倒置,硬纸片不下落,如图c所示,说明了_____的存在;
(4)将矿泉水瓶装满水,在瓶侧面扎两个小孔,水从小孔流出,如图d所示,该实验说明液体内部压强与_______有关。
20.(2019·辽宁铁岭市·中考真题)大威在探究“影响压力作用效果的因素”时,取三个质量相同的圆柱形容器A、B、C,它们底面积的关系是SA=SB<SC.在三个容器中分别倒入适量的水和盐水,其中B、C两容器中液体质量相同。将它们分别放在三块相同的海绵上,如图甲、乙、丙所示。
(1)实验过程中可以通过观察海绵的_____来比较压力的作用效果。
(2)通过比较_____两次实验,探究压力的作用效果与压力大小的关系。得到的结论是_____相同时,压力越大,压力的作用效果越明显。
(3)大威还想利用这些器材探究影响液体压强的因素,于是他找来一个如图丁所示的液体压强计,将压强计的探头放入B、C两容器中,保持探头在两种液体中的深度相同。发现探头在盐水中时,U形管左右两侧液面的高度差较_____(填“大”或“小”)。说明在深度相同时,_____越大,液体压强越大。
(4)再将探头放入B容器中的某一深度,改变探头的方向,会发现U形管左右两侧液面的高度差不变,由此说明:在同种液体内部的同一深度,向各个方向的压强都_____。
21.(2019·兰州市第七十八中学中考真题)如图所示,在“探究压力的作用效果与哪些因素有关”的实验中,某同学在透明有机盒内放入一块海绵和砖块进行实验。
(1)实验时,他通过观察________来比较砖块对海绵压力的作用效果,这种试验方法叫做转换法,采用相同实验方法的其他实验还有哪些,请举出一例____________。
(2)要探究压力的作用效果与压力大小的关系,应选用图中_________两次试验进行比较。
(3)分析比较图中甲、丙两次实验,可以得出的结论是___________。
22.(2019·山东中考真题)小明用微小压强计探究“液体内部压强的特点”时的实验情形,如图所示。
(1)小明安装好实验仪器后,发现U型管两侧的液面不相平,如图A所示,实验前需要将U型管两侧液面调整相平,方法是_________。
(2)小明调整好仪器,将探头放入水中同一深度并多次调整探头方向,如图B、C、D所示,其探究的问题是_________。
(3)根据C、E两个图中的现象可以看出:_________。
23.(2019·浙江温州市·中考真题)气体的密度与压强有关。为测量实验室内空气的密度,小明在实验室按如图所示步骤进行实验:
①如图甲,将一打足气的足球,放入装满水的容器中,测得溢出水的体积为426mL。
②如图乙,将500 mL装满水的量筒倒置于水槽中,用气针和乳胶管将足球中的气体慢慢排入该量筒,同时调整量筒的位置,当量筒内外水面都与500 mL刻度线相平时,停止排气。共排气10次。
③如图丙,拔除气针和乳胶管,把排气后的足球放入装满水的容器中,测得溢出水的体积为420 mL。
(1)图乙中,当量筒内外水面都与500 mL刻度线相平时停止排气,其目的是______。
(2)根据测得的数据,计算实验室中空气的密度_____ 。
24.(2019·湖北黄石市·中考真题)如图所示,在一个标准大气压下,用1m长玻璃管做托里拆利实验,管中水银柱高度为_______mm。
(1)假定移动玻璃管的过程均不漏气,请描述玻璃管内水银柱高度的变化情况。(选填“升高”、“不变”或“降低”)将玻璃管倾斜放置,水银柱的高度将___________,将玻璃管向上提升一点,水银柱高度将_________。
(2)如果用水来代替水银做实验,水_______(选填“会”或“不会”)充满玻璃管,若管口刚好在水面上且保证不漏气,此时玻璃管内底部的压强__________Pa。(g=10N/kg,结果用科学记数法表示,保留一位有效数字)
25.(2019·云南昆明市·中考真题)图是表演“睡钉床、砸石板”的节目:一个人躺在若干钉子做成的“床”上,身上盖一块石板,旁边一个人用大锤去砸石板结果石板被砸烂了,而人安然无恙.老师为此做了几个模拟实验.
(1)探究人睡在钉床上为什么不受伤:
实验一:在大小相同的两块平板上,用约100颗钉子做成了钉床甲,6颗钉子做成了钉床乙,如图所示(钉子规格相同).将一个塑料袋装满水封好(代表人体),先后放到两个钉床上,发现它放到钉床甲上未被扎破,而放到钉床乙上却被扎破了.所以睡在钉床上的人不受伤,是由于接触面积_____,压强_____的缘故:
(2)探究石板的作用:
实验二:如图中的两个鸡蛋,其中一个的蛋黄和蛋白己经被取出,只剩下一个空壳,质量是7g,另一个完把它们并排放在好无损,质量是66g.桌子上,然后沿图示箭头的方向用嘴吹一下,发现空壳立刻转动了起来,而另一个几乎不动.
说明质量大的物体,惯性_____;而惯性_____的物体,运动状态_____.
实验三:如图,将钉床甲放在地面上,在钉床上放装满水并封好的塑料袋,再在上面放一块石板,质量为1657g,然后用锤子敲石板上面的核桃,结果核桃被敲碎了,塑料袋完好:将石板换成一块木板,质量为142g,用几乎一样的力敲核桃,结果核桃未碎而塑料袋破了.
综合以上两个实验,你认为石板为什么会有这样的保护作用_____.
(3)下面三个亊例中与实验二、三所探究的问题不一样的是_____.
A.篮球比铅球掷得远
B.乒乓球离开球拍后还能继续运动
C.同一辆自行车,一个人骑比两个人骑更容易刹车
26.(2019·湖南湘潭市·中考真题)如图所示,用微小压强计探究液体内部压强的特点.(p盐水>p水)
(1)实验中,将液体内部的压强大小转换为用U型管两侧液面的_____来表示.
(2)为了使实验现象更明显,U形管中的液体最好用_____(选填“有色”或“无色“).
(3)将探头放在右图所示液体内部的A、B位置,观察到U型管两侧液面的高度差hB>hA,经过多次实验观察到同样的现象,这说明同种液体內部的压强随_____的增加而增大.
(4)将探头放在右图中所示液体内部等深的B、C位置,观察到U型管两侧液面的高度差hC_____hB(选填”<””=”或“>“),这是为了研究液体压强与液体_____关系.
(5)由以上实验可知右图所示液体内部A、B、C、D四个位置压强最大的是位置_____.
27.(2019·山东枣庄市·中考真题)如图是用压强计“探究影响液体内部压强大小的因素”的实验装置.
(1)压强计上的U型管_____(选填“属于”或“不属于”)连通器.
(2)在使用压强计前,发现U形管左右两侧的水面有一定的高度差,如图甲,其调节的方法是_____(选填“A”或“B”),使U形管左右两侧的水面相平.
A.将右侧支管中高出的水倒出 B.取下软管重新安装
(3)比较图乙和图丙,可以得到;液体的压强与_____有关.
(4)比较_____两图,可以得液体的压强与液体密度有关.
(5)已知图丁中U型管左右两侧水面的高度差h=10cm,则橡皮管内气体的压强与大气压强之差为_____Pa.(ρ水=1.0×103kg/m3,ρ盐水=1.1×103kg/m3,g=10N/kg).
28.(2019·湖南中考真题)在探究“压力的作用效果与哪些因素有关”的实验中,小刚利用了两个相同的木块和一块海绵,进行了如图所示的实验.
(1)实验中通过观察海绵的凹陷程度来比较压力的作用效果,这种物理学研究方法也运用于以下________(选填“A"、“B”或“C”)实验中
A.在用两只完全相同的蜡烛探究平面镜成像的特点
B.当电压一定时,探究电流与电阻的关系
C.用吸引大头针的多少比较电磁铁磁性的强弱
(2)对比甲、乙两图,可以得出:当压力一定时,________越小,压力的作用效果越明显
(3)对比甲、丁两图,小刚认为压力的作用效果与压力大小无关。你认为他的观点________(选填“正确”或“错误”),并说明理由:____________________________________。
29.(2019·山东济宁市·中考真题)小明跟着爸爸去游泳,站在齐胸深的水中,感觉呼吸略微有些困难,越往深处感觉越明显,由此激发了他想研究水的压强特点的想法.
(1)图中是小明利用底部和侧壁套有橡皮膜的玻璃管倒入水后的实验现象,由此可说明_____
(2)下表是小明利用U形管压强计探究水内部压强时的几组数据.
根据表中的数据,请回答下列问题:
序号
深度/cm
橡皮膜方向
压强计左右液面高度差/cm
1
5
朝上
4.9
2
5
朝下
4.9
3
5
朝侧面
4.9
4
10
朝侧面
9.7
5
15
朝侧面
14.6
①比较前三组数据,可得出的结论:____________________
②比较序号_____的三组数据,可得出的结论是水的压强随深度的增加而增大.
(3)早在1648年,物理学家帕斯卡曾做过一个著名的实验,如图所示.结果,他只用了几杯水,就把木桶撑破了.此实验不仅证明了液体的压强与液体的深度有关,还由此说明了液体的压强与_____无关
(4)我国第一艘深海载人潜水器蛟龙号,是目前世界上下潜能力最强的作业型载人潜水器.当蛟龙号潜水器下潜到7000m深度时,所受海水的压强为_____Pa(g取10N/kg,p海水=1.03×103kg/m3).
30.(2019·江苏省如皋市外国语学校中考真题)小明用2mL的注射器、量程为0~10N的弹簧测力计和刻度尺粗略测量大气压的值,本实验的原理是二力平衡和p=____
步骤一:把注射器的活塞推至注射器筒的底端,然后用橡皮帽封住注射器的小孔
步骤二:如图所示安装好器材,水平向右缓慢拉动注射器筒,当注射器中的活塞____时,记下弹簧测力计的示数为5.2N
步骤三:用刻度尺测出注射器____长度为4.00cm
步骤四:算出大气压强值为____Pa
同组的小华分析了影响实验结果的可能因素后,对实验进行了如下改进:
①将步骤一改为:先将注射器内抽满水,再竖直向上推动活塞至注射器筒的底端,然后用橡皮帽封住注射器的小孔,这样便于____
②取下橡皮帽,重复步骤二的操作,读得弹簧测力计的示数为0.3N由此可知,此时活塞所受到的____(摩擦力/大气压力)为0.3N.
小华根据改进后测得的数据,重新计算了大气压的值
31.(2019·西藏中考真题)在探究“压力的作用效果跟什么因素有关”的实验时,同学们利用小桌、砝码、海绵等器材设计了如图所示的系列实验。
(1)同学们是根据_____来比较压力作用效果的。
(2)观察比较图甲、乙的情况可以得到的结论是:受力面积一定时,_____,压力的作用效果越明显。
(3)要探究压力的作用效果跟受力面积的关系,应比较_____两图的实验,得到的结论是:_____。
32.(2018·湖北咸宁市·中考真题)物理兴趣小组的同学利用周末开展一次登山活动,他们想利用随身携带的注射器、弹簧测力计、细线、刻度尺等相关用品测量山顶的大气压.测量方案如下:
A.把注射器的活塞推至注射器针筒的底端,然后用橡皮帽封住注射器小孔;
B.如图甲所示,用细线拴住注射器活塞颈部,使线的一端与弹簧测力计的挂钩相连,然后水平向右慢慢拉动针筒,当活塞刚开始滑动时,记下弹簧测力计的示数为F;
C.读出注射器针筒上有刻度部分的容积V;
D.用刻度尺测出注射器针筒上有刻度部分的长度L.
请根据他们设计的方案回答以下问题:
(1)测量中,分析研究的是大气对_____(选填“针筒”或“活塞”)的压力,当活塞相对于针筒开始滑动时,以地面为参照物,研究对象处于_____状态.若不考虑其它因素,根据_____的知识可知,研究对象在水平方向所受的大气压力与拉力大小相等.
(2)实验时同学们发现注射器顶端装针头处空气无法排尽,这将会使测量结果_____(选填“偏大”、“不变”或“偏小”).同学们联想到去医院打针的情景,可采取简单的办法将注射器内空气排尽.你的方法是_____.
(3)测量前,有同学建议在活塞周围涂抹润滑油,然后将其插入针筒中,这样做有两个好处:一是活塞的密封性好;二是可以_____.实验过程中他们让弹簧测力计和注射器保持在水平方向,可以减小_____对实验的影响,从而提高实验的精确程度.
(4)若同学们用图乙中B注射器在测量时,弹簧测力计被拉到5N,活塞仍没有滑动.可改用图乙中的_____(选填“A”或“C”)注射器.用测量步骤中的V、L和F表示大气压的值,则p=_____.
33.(2018·辽宁抚顺市·中考真题)小玉利用饮料瓶上自带的小杯子探究“滑动摩擦力大小与哪些因素有关”和“压力作用效果与哪些因素有关”。
(1)如图甲,把50g的砝码放入小杯子中,用弹簧测力计在毛巾表面向右匀速拉动小杯子,则滑动摩擦力的大小为_____N;
(2)如图乙,把50g的砝码换成100g的砝码重复实验。比较甲、乙两图,可得结论:接触面粗糙程度相同时,_____越大,滑动摩擦力越大。实验中如果用更大的水平拉力拉动小杯子,滑动摩擦力将_____;(填“变大”“变小”或“不变”)
(3)如图丙、丁,将小杯子正放和倒放在海绵上,分别放上质量为100g的砝码。实验中是通过_____来反映压力的作用效果。通过对比实验现象,可得结论:压力一定时,_____越小,压力的作用效果越明显;
(4)比较乙、丙两图,小杯子静止时,小杯子对两个受压面的压强_____(填“相同”或“不同”)。
34.(2018·湖南衡阳市·中考真题)在探究“影响液体内部压强大小的因素”的实验中
(1)实验中液体压强的大小变化是通过比较U形管两侧液面_____的变化,将探头放进盛水的容器中,探头的橡皮膜受到水的压强会_____(选填“内凹”或“外凸”).
(2)通过比较C、D两个图,可得到结论:同一液体的压强_____的增加而增大.
(3)通过比较D、E两个图,可得到结论:在深度相同时,液体的_____越大,压强越大.
(4)通过比较A、B、C三个图,可得到结论:_____.
35.(2018·内蒙古呼和浩特市·中考真题)小涵同学利用如图所示的器材探究“液体内部压强的特点”
(1)压强计_____(选填“属于”或“不属于”)连通器;
(2)当压强计的金属盒在空气中时,U形管两边的液面应当相平,而她所观察到如图甲所示的情景,调节的方法是_____(选填“A“或“B”)
A.将此时右边支管中高出的液体倒出 B.取下软管重新安装
(3)调好后,将探头放入水中,并多次改变探头在水中的深度如图乙所示,同时比较每次的深度及相应的U形管左右两侧液面的高度差.这是为了探究_____.
36.(2018·宁夏中考真题)2017年11月30日,中国4500米载人潜水器一一“深海勇士”号正式验收交付,4500米深度已经覆盖整个南海的探测,下潜、开发等方面需求.这个消息激发了小芳对“探究液体内部的压强”的兴趣,她进行的实验操作如图1所示.请依据所学知识解决下面几个问题:
(1)实验前,应调整压强计(甲图),使U型管左右两边的液面____.
(2)比较丙、丁两图是探究液体压强与____的关系
(3)比较乙丙两图可以得出的结论是____.
(4)请举出生活中应用该实验结论的一个事例:____.
(5)小芳完成上述实验后,用一“T“形玻璃管对着形管左边管口吹气,如图2所示,可以看到____(填“左”或“右”)管中的液面较高,该实验说明了_____.
37.(2018·广西百色市·中考真题)如图所示,某同学利用小桌、海绵和砝码等器材进行“探究压力的作用效果与哪些因素有关”的实验。
(1)本实验的科学探究方法是_____和转换法。
(2)小桌对海绵的压力改变了海绵的_____(选填“形状”或“运动状态”)。
(3)为了探究压力作用效果与压力大小的关系,因比较图甲和图乙的实验,可知受力面积相同时,压力_____(选填“越大”“越小”),压力的作用效果越明显。
(4)为了探究压力的作用效果与受力面积大小的关系,应比较_____两图的实验,可知压力大小相同时,受力面积_____(选填“越大”或“越小”),压力的作用效果越明显。
38.(2018·内蒙古呼伦贝尔市·中考真题)有两只相同的烧杯,分别盛有体积相同的水和酒精,但没有标签,小李采用闻气味的方法判断出无气味的是水.小唐则采用压强计进行探究:
(1)金属盒放入液体前,用手指压橡皮膜时,发现U形管两边液柱的高度差不变化,可能的原因是_____________小唐把调节好的金属盒分别浸入到两种液体中,发现图甲中U形管两边的液柱高度差较小,认为图甲烧杯中盛的是酒精.他的结论是___________(选填“可靠的”或不可靠的),原因是______________.
(2)小唐发现在同种液体中,金属盒离液面的竖直距离越大,U形管两边液柱的高度差就越大,表示__________________.
(3)小唐还发现在同种液体中,金属盒距液面的距离相同时,只改变金属盒的方向,U形管两边液柱的高度差__________(选填“不变"或“变化").表明在相同条件下,液体内部向各个方向的压强_________.
39.(2018·辽宁沈阳市·中考真题)为研究液体内部压强恃点,如图甲所示,小华将透明塑料瓶底部剪去,蒙上橡皮膜并扎紧.
(1)将瓶压入水中,橡皮膜向内凹,如乙图所示,说明水对橡皮膜有压强:将瓶向下压,橡皮膜内凹的程度变大,说明液体内部压强与液体的_____有关;
(2)接着将某液体缓慢倒入瓶中,当内外液面相平时,橡皮膜仍向内凹,如丙图所示,说明倒入液体的密度_____(选填“大于“、“等于”或“小于”)水的密度.
(3)将甲图中装置倒置,然后在瓶口紧密连接一根无色通明胶管,并灌注红墨水,如丁图所示.使胶管内液面高于橡皮膜,将塑料瓶橡皮膜的一端朝各个方向放置,橡皮膜都向外凸,说明液体内部向各个方向都有_____.
(4)使装置保持丁图所示位置不变,在橡皮膜上戳个洞,会有部分液体从洞口流出,最后稳定时,塑料瓶和胶管里的液面相平,此时塑料瓶与胶管构成一个_____.
40.(2018·湖南湘西土家族苗族自治州·中考真题)如图,一个长方体小木块放在水平桌面上,要测出它对桌面的压强,老师提供的器材有:直尺、天平、量筒.请你选择实验器材,完成下列实验步骤.
(1)测出小木块与桌面的接触面积,用____测量小木块的长和宽,再计算出它的底面积S;
(2)用_____测量小木块的质量m;
(3)根据上面的测量结果,写出计算小木块对桌面压强的表达式________________.
41.(2018·湖南株洲市·中考真题)图为利用U型压强计验证“在受力面积不变时压强与压力的定量关系”的装置.实验前,橡皮膜朝上,金属盒水平固定,玻璃管中液面相平.实验中,改变叠放在橡皮膜中央的硬币数(规格相同),测得有关数据如下表.
(1)实验中当液面高度差为h时,盒内外气压差为_________.已知玻璃管内液体密度为ρ,g为已知常量.
(2)U形玻璃管足够长时,选用密度_______(填“较大”或“较小”)的液体可以减小实验误差.
(3)分析实验数据,可得到的实验结论是:在实验误差允许范围内,_____________.
42.(2018·湖北黄石市·中考真题)某实验小组进行了以下探究实验:探究大气压与高度的关系。
(1)小强与小磊合作,自制了一个气压计,从玻璃管的管口向瓶内吹入少量气体,使管内水面上升到瓶口以上,如图所示。
(2)小强托者气压计从一楼开始上楼,每上一层观察一次管内水面与瓶口的高度差,小磊将数据记录成如下表格
(3)根据表中数据可以推测出:在一楼至七楼的过程中,随距地面的高度增大,大气压将均匀_____。(选填“增大”、“不变”或“减小”)
(4)请分析该气压计的工作原理:瓶内封闭气体的压强等于_____与_____之和。
(5)表中高度差为什么在一楼至二楼的阶段变化比其它楼层大?_____。(答一种原因即可)
43.(2018·贵州贵阳市·中考真题)如图甲所示,是科技迷小明制作的“真空炮”模型:在一根两端开口、内壁光滑、水平放置的透明塑料管左端管口处,放置一枚弹丸;管口两端各有一块可自由开合的挡板;靠近管口右端连接一抽气机。抽气一段时间后,迅速将挡板1打开,弹丸便可冲开挡板2从管右端射出。
弹丸从管口射出的出口速度与哪些因素有关呢?小明提出了如下猜想:
A:与弹丸的形状有关 B:与弹丸的直径有关 C:与塑料管的长度有关
小明在塑料管壁两侧安装了多套光电传感计时器,用于测量弹丸在管中不同位置的运动速度。
请完成下列各实验步骤的填空:
(1)抽出挡板1时,弹丸受到的动力来自于其两端气体的_______。
(2)探究猜想A时,控制其他因素相同,分别用球形与弹头形弹丸进行实验,测得弹丸速度大小随运动位置变化关系的图象(如图乙所示),则出口速度较大的是_______弹丸。
(3)探究猜想B时,小明仅换用底面直径不同的两枚弹头形弹丸重复上述实验,发现直径越小的弹丸,出口速度越小。你认为直径小的弹丸出口速度小的原因可能是_______。
44.(2018·江苏中考真题)用硬币做以下物理小实验
(1)甲图中,硬币的直径为_______cm.
(2)图乙中,用力吹气能将硬币吹入盘中.吹气时,硬币上方空气流速大,气体压强_______.
(3)图丙中,将一枚硬币放在碗底,眼睛在A处恰好看不到它,保持人眼、碗和硬币的位置不变,要使眼睛再次看到“硬币”,以下方案:
①沿碗壁缓缓向碗中加水;
②在碗上方适当位置放一光屏;
③用手电筒照亮硬币;
④在碗上方适当位置放一平面镜;
其中可行的有_______。
45.(2018·广州市·广东实验中学中考真题)小明把两端开口的细玻璃管插入水中,发现管内的液面上升(如图).他查资料得知:管内外液面高度差与水温、管的内径有关.小明想利用这支细玻璃管探究管内外液面高度差与水温的定量关系,请你帮他设计实验方案.
(1)实验器材:细玻璃管、__________________.
(2)实验步骤(可画图或文字表述):
(3)设计记录数据的表格.
46.(2018·宁晋县耿庄桥镇长路初级中学中考真题)制作简易气压计,观察大气压随高度的变化。
(1)如图所示,在玻璃瓶中倒入适量红色的水,将插有玻璃管的橡皮塞塞紧瓶口,红水升到玻璃管一定的高度,但高度不够,你应_______________________,使水上升到瓶口以上适当位置,制成了简易气压计。
(2)将简易气压计从四楼移到一楼过程中,发现玻璃管内水柱_______________,说明____________。
(3)小明将简易气压计放在阳光下,过一会儿,他发现玻璃管内水柱发生了变化,这一现象说明,简易气压计的测量结果会受到_________________________影响。
47.(2018·四川南充市·中考真题)在“研究影响液体内部压强”的实验中:
(1)压强计是通过观察U型管的两端液面的______来显示橡皮膜所受压强大小.
(2)比较图甲和图乙,可以初步得出结论:在同种液体中,液体内部压强随液体_______的增加而增大.
(3)如果我们要讨论液体内部压强是否与液体密度有关,应选择_________进行比较.
(4)已知乙图中U型管左侧液柱高为4cm,右侧液柱高为10cm,则U型管底部受到的液体的压强为__________Pa(ρ水=1×103kg/m3 g=10N/kg)
48.(2018·广州市·广东实验中学中考真题)(1)图是托里拆利实验装置,测得当地大气压等于____________mm高的水银柱所产生的的压强.
(2)关于上图现象的成因,十七世纪有两种观点.观点一:否认大气压的存在,玻璃管内本应充满液体,液面下降是因为管内的部分液体变成气体,管内气体越多,液面下降越多.观点二:管内液面上方是真空,大气压支撑起液柱.帕斯卡为了验证哪种观点正确,将两根长12m规格相同的玻璃管分别装满水和酒,倒置在相应液体槽中.酒的密度比水小,且比水易变成气体.若观点一正确,应出现下图中_________图的现象.若观点二正确,应出现下图中________图的现象.
49.(2017·湖北荆州市·中考真题)如图所示,用压强计“探究影响液体内部压强大小的因素”.
(1)图甲所示压强计是通过U形管中水面_____来反映被测压强大小的.
(2)若在使用压强计前,发现U形管内水面已有高度差,通过_____(填写正确选项前字母)方法可以进行调节.
A.从U形管内向外倒出适量水; B.拆除软管重新安装; C.向U形管内添加适量水;
(3)比较乙图、丙图和丁图,可以得到:在同一深度,液体内部向各个方向的压强_____.
(4)在乙图中,若只将烧杯中的水换成同深度的盐水,其他条件不变,则可以观察到U形管两边液面的高度差将_____.(选填“变大”.“变小”或“不变”).
(5)若在步骤(4)时,图乙中U形管左右两侧水面的高度差h=5cm,则橡皮管内气体的压强与大气压之差约为_____Pa.(ρ盐水=1.2×103kg/m3,ρ水=1.0×103kg/m3,g=10N/Kg)
50.(2017·广东中考真题)如图所示是演示“流体压强和流速的关系”实验装置,U形管中装有水,直径相同的a、b两管中的水静止时液面相平。
(1)如果在右端c处往装置里急吹气,导致b管上方气流速度_____a管上方的气流速度,b管与a管的水面上方形成气压差,U形管中_____(填“a”或“b”)管水面升高,如果升高端的液面比原来升高了2 cm,则此时U形管底部d处左右两侧液体压强差为_____Pa(g=10 N/kg)。
(2)图2是某种喷雾器的工作原理示意图,当喷雾器未工作时,细管A内外气压相等,细管A内外液面_____,当喷雾器工作时,空气从细管B的右端快速喷出,导致细管A上方空气的流速突然增大,细管A内液面上方气压_____细管A外液面上方的气压,液体就沿细管A的管口流出,同时受到气流的冲击,形成雾状向右喷出,如果此时喷雾器停止工作,细管A中的液体将______________________。
专题05 电压 电阻-2022届中考物理实验探究真题精准练1: 这是一份专题05 电压 电阻-2022届中考物理实验探究真题精准练1,文件包含专题05电压电阻解析版docx、专题05电压电阻原卷版docx等2份试卷配套教学资源,其中试卷共90页, 欢迎下载使用。
专题02 电阻的测量-2022届中考物理实验探究真题精准练1: 这是一份专题02 电阻的测量-2022届中考物理实验探究真题精准练1,文件包含专题02电阻的测量解析版docx、专题02电阻的测量原卷版docx等2份试卷配套教学资源,其中试卷共109页, 欢迎下载使用。
专题16 浮力-2022届中考物理实验探究真题精准练1: 这是一份专题16 浮力-2022届中考物理实验探究真题精准练1,文件包含专题16浮力解析版docx、专题16浮力原卷版docx等2份试卷配套教学资源,其中试卷共97页, 欢迎下载使用。

