初中第2节 电功率精练
展开第十八章《电功率》计算题练习
一、变化电路的电功率计算
1、电源电压,小灯泡““字样。不考虑温度对灯泡电阻影响,闭合,求:小灯泡的额定电流;
小灯泡正常发光时,滑动变阻器接入电路的阻值。
移动滑动变阻器的滑片,当电压表示数为时,小灯泡的实际功率。
2、电源电压不变。电阻为,电阻为,当闭合时,电流表示数。求:电源两端的电压;
电路消耗的总功率。
3、如图电路,电源电压恒为。当开关闭合,、断开时,电流表示数为
(1)闭合开关、,断开时,小灯泡正常发光,电流表示数为,求通电灯泡消耗的电能。(2)只闭合开关,断开、,求小灯泡实际的电功率假设小灯泡的电阻不变。
(3)开关分别在什么状态时,整个电路消耗的功率最小,最小功率是多少
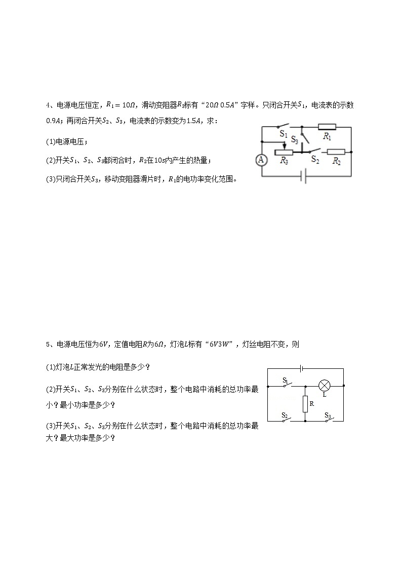
4、电源电压恒定,,滑动变阻器标有“”字样。只闭合开关,电流表的示数;再闭合开关、,电流表的示数变为,求:
电源电压;
开关、、都闭合时,在内产生的热量;
只闭合开关,移动变阻器滑片时,的电功率变化范围。
5、电源电压恒为,定值电阻为,灯泡标有“”,灯丝电阻不变,则
灯泡正常发光的电阻是多少?
开关、、分别在什么状态时,整个电路中消耗的总功率最小?最小功率是多少?
开关、、分别在什么状态时,整个电路中消耗的总功率最大?最大功率是多少?
6、电源电压恒为,定值电阻为,灯泡标有“ ”,假设灯丝电阻不变,求:
灯泡的额定功率是多少?
当断开开关、闭合和时,电路中的总电流是多少?
开关、、分别处于什么状态时,整个电路消耗的总功率最小?此时的灯泡功率为多少?
7、电源电压为且保持不变,小灯泡的规格为“”,滑动变阻器的最大阻值为,电流表的量程为。
当开关、都断开时,小灯泡恰能正常发光。求的阻值。
当开关、都闭合时,要使电流表能安全使用,变阻器接入电路的阻值不得小于多少?消耗的最大电功率是多少?
8、小灯泡的阻值保持不变,小灯泡标有“”字样,,滑动变阻器允许通过的最大电流为,电流表的量程,电压表量程。求:
小灯泡的电阻;
只闭合开关时,电压表的示数为,则消耗的电功率是多少?
在不损坏各电路元件的情况下,若闭合所有开关,滑动变阻器消耗的最大功率和最小功率之比为:,若只闭合开关,小灯泡消耗的电功率变化范围是多少?
9、如图,电流表量程是,电压表量程是,的电阻是,电源电压,变阻器的阻值范围是。
只闭合开关时,电流表示数为,则的电阻为多大?
只闭合、和时,在不损坏电流表的情况下,滑动变阻器接入电路的阻值不得小于多少?
只闭合、,在不损坏电流表、电压表的情况下,求滑动变阻器允许连入的最大、最小电阻值之比。
10、如图甲的电路中,为定值电阻,为滑动变阻器,电源电压不变。闭合开关后,调节滑片从端移动到端过程中,电流表示数与电压表示数的变化关系如图乙。求:
电路中电流最小时,滑动变阻器的最大阻值;
电源电压和定值电阻;
电路中滑动变阻器功率为时,求电阻消耗的功率。
二、电热类型
容量 | 1L |
额定电压 | |
额定功率 | |
频率 |
1、某电热水壶铭牌部分信息如下表。该电热水壶正常工作时,把装满的水从加热到用时,已知,求:
水吸收的热量;
电热水壶的热效率。
2、如图是一台电热水壶铭牌。请根据铭牌所提供的信息水的比热容,求:
电热水壶装满水时水的质量;
若给该电热水壶装满水进行加热,使水的温度从升高到,则水吸收的热量是多少?
若电热水壶正常工作时,所产生的热量有被水吸收,则在第小问中给水加热的时间是多少秒?
3、阳阳为了解标有“”的电水壶实际工作时的电压和功率做了以下实验,他首先查看自己家的电能表,表上标有“”字样;随后他关闭了家中所有用电器,只让电水壶盛满水持续工作,与此同时,观察到电能表转盘转过假设电水壶的电阻保持不变,求:
电水壶的电阻.
电水壶工作时的实际电功率.
该同学家的实际电压.
4、如图是某型号电热水壶铭牌,壶中装有温度为的水,求:
将水烧开,水吸收的热量是多少?一个标准大气压,
在电热水壶工作时,标有“”的电能表在内转了转,电路的实际电压是多少?
不计热损失,此时烧开一壶水大约需要多少时间?
5、有一个电热水壶,额定电压220V,额定功率1000W。在一个标准大气压下,在额定电压下加热7min刚好把质量为1kg、初温为20℃的水烧开。
(1)水吸收的热量是多少?
(2)电热水壶在7min内所消耗的电能是多少?
(3)由于现在是用电高峰,电网中的实际电压为198V,要把同样一壶水烧开,若电热水壶的热效率不变,则需要加热多少秒?(保留整数)
6、苏泊尔电热水壶容积500ml,额定功率800W,在一个标准大气压下,将一满壶20℃的水烧开需5min。
(1)水吸收的热量
(2)消耗的电能
(3)小明发现在用电高峰时烧开一满壶水需要363S,那么此时的实际电压是多少?(电热水壶效率不变)
7、如图家用电饭煲的简化电路。它有加热和保温两种功效,,都是加热电阻,由温控开关控制,“”是保温焖饭,“”挡是高温烧煮,求:
的电阻值是多少?
当开关置于“”挡时,电路中的电流和两端的电压各是多少?
若电饭煲加热效率为,若将电饭煲内的的水从加热到,已知,需要多长时间?
三、多档位类型
1、具有加热和保温功能的电热饮水机,其电路图如图乙所示,S1为温控开关,额定电压为220V,加热功率为500W.保温功率为60W.R1、R2均为加热电阻丝(假设电阻不变):
(1)电阻丝R1的阻值是多少?
(2)某一次小红家中只使用了饮水机,在加热状态下她观察到电能表上的指示灯在5分钟内闪烁了54次,她家电能表上标有“1600imp/kW•h”的字样,此时,饮水机的实际功率和实际电压是多少?
额定电压 | |
加热功率 | |
保温功率 | |
最大容积 |
2、王老师家新购买了一个电烤火炉,它的原理图如图甲,其中和均为加热丝,该电烤火炉有高温档和低温档两种档位,铭牌如图乙。求:
电烤火炉在高温档正常工作所消耗的电能;
电阻的阻值;
王老师关闭其他用电器,让电烤火炉高温档工作,观察到标有“”的电能表在内转动了转,计算该电烤火炉高温档的实际功率。
3、小明设计了一种电热饮水机电路,如图甲,和均为电热丝,是自动控制开关,可实现“低挡”、“高挡”之间的转换,饮水机工作时功率随时间的关系图象如图乙。求:
内电路消耗的总电能;
饮水机工作时,通过电阻的电流;
电阻的阻值。
4、如图甲是多功能电炖锅。它有三段温控功能:高温炖,中温煮和低温熬,图乙是它的简化电路图,下表是该电炖锅的部分参数。
开关、处于什么状态,电炖锅为低温挡,说明判断依据;
求、的阻值;
在标准大气压下,使用高温挡将初温是的一锅水烧开,若电炖锅高温挡加热效率为,求烧
开一锅水需要的时间。
电源电压 | |
中温挡功率 | |
高温挡功率 | |
容积 |
5、如图甲所示为小强家的多功能烘干机,该机有干衣、烘物等功能,图乙为主机内部简化电路图,为电热丝。其主要参数如表丙所示。
闭合,当拨至______时选填“、”或“、”或“、”,该烘干机处于低热风挡。
求电阻的阻值。
小强发现家里的电能表上的一个参数上有污点看不清,某次他只让该烘干机单独工作时,发现高热风挡工作内电能表图丁的转盘正好转过圈,则这个参数是多少?这内,电热丝产生的热量是多少?
6、“火候”现在市场上流行如图的新型电饭锅,采用“聪明火”技术,电脑智能控温控压,智能化地控制食物在不同时间段的温度,以得到最佳的营养和口感,其简化电路如图甲.和均为电热丝,是自动控制开关.用电饭锅的“聪明火”煮米饭时,将该电路接入电源,在内,电路总功率随时间变化图象如图乙.求:
内通过的电流.
内电路消耗的电能.
内的电功率.
项 目 | 参 数 |
电源电压 | |
低温挡功率 | |
中温挡功率 | |
高温挡功率 | |
容积 |
7、图乙是某品牌养生壶简化电路图.已知只闭合时养生壶处于中温挡。,,
求的阻值;
养生壶处于低温挡工作时,求电路中的电流大小;
在标准大气压下,使用高温挡将初温是的一整壶水烧开,若养生壶高温挡加热效率为,求烧开一壶水需要的时间?
8、如图甲乙是某调温型电烤箱和简化电路图,它的工作电压为,和均为电烤箱中的加热元件,的阻值为。当只闭合时为低温挡,低温挡电烤箱的电功率为。求:
低温挡工作时,电路中的电流是多少?
发热电阻的阻值是多少?
小明发现傍晚用电高峰时,电烤箱内比平时温度低,他猜想是用电高峰时电压偏低所致,于是他想用电能表和秒表测量家庭电路的实际电压。傍晚用电高峰时,他关闭家里所有用电器,只让电烤箱以高温挡工作,发现在内电能表的转盘转了转,电能表的铭牌如图丙,则用电高峰时家庭电路的实际电压为多少?不考虑电阻值随温度变化
初中物理人教版九年级全册第2节 电功率随堂练习题: 这是一份初中物理人教版九年级全册第2节 电功率随堂练习题,共7页。试卷主要包含了计算题等内容,欢迎下载使用。
2021学年第2节 电功率同步训练题: 这是一份2021学年第2节 电功率同步训练题,共7页。试卷主要包含了计算题等内容,欢迎下载使用。
初中物理人教版九年级全册第2节 电功率课后复习题: 这是一份初中物理人教版九年级全册第2节 电功率课后复习题,共7页。试卷主要包含了计算题等内容,欢迎下载使用。

