2020-2021学年2 磁感应强度 磁通量巩固练习
展开一、单选题
在磁感应强度的定义式中,有关各物理量间的关系,下列说法中正确的是
A. B由F、I和L决定B. F由B、I和L决定
C. I由B、F和L决定D. L由B、F和I决定
关于磁感应强度,下列说法正确的是
A. 由可知,B与F成正比,与IL成反比
B. 通电导线放在磁场中某点,该点就有磁感应强度,如果将通电导线拿走,该点的磁感应强度就变为零
C. 通电导线所受磁场力不为零的地方一定存在磁场,通电导线不受磁场力的地方一定不存在磁场即
D. 磁场中某一点的磁感应强度由磁场本身决定
如图,正方形MNPQ处于纸面内,M、P处分别固定两根通电长直导线,二者相互平行且垂直纸面放置,通入电流的大小均为I,电流方向如图,它们在N点处产生的磁感应强度大小均为下列说法正确的是
A. N、Q两点的磁感应强度方向相反
B. Q点处的磁感应强度大小为
C. 若使P处直导线电流反向,大小不变,则N处的磁感应强度大小为0
D. 若使P处直导线电流反向,大小不变,则Q处的磁感应强度方向与原来垂直
如图所示,矩形线框平面与匀强磁场方向垂直,穿过的磁通量为。若线框面积变为原来的,则磁通量变为
A. B. C. D.
四根完全相同的长直导线互相平行,它们的截面处于一个正方形的四个顶点上,导线中通有大小都相等的电流,电流的方向如图所示,O点是正方形对角线交点。每一根通电导线单独在O点产生的磁感应强度大小是则O点的磁感应强度大小是
A. B. C. BD. 0
如图,在磁感应强度为的匀强磁场中,两长直导线a、b垂直于纸面固定在直角三角形ACD的顶点A、D处,,,E是AD的中点。当两导线中均通有方向垂直纸面向外的电流I时,C点的磁感应强度为零。已知通电长直导线在周围某点产生磁场的磁感应强度大小与电流成正比、与该点到直导线的距离成反比。若将导线b中的电流方向改为垂直纸面向里,则E点的磁感应强度
A. 方向垂直CD向上,大小为B. 方向垂直CD向上,大小为
C. 方向垂直CD向下,大小为D. 方向垂直CD向下,大小为
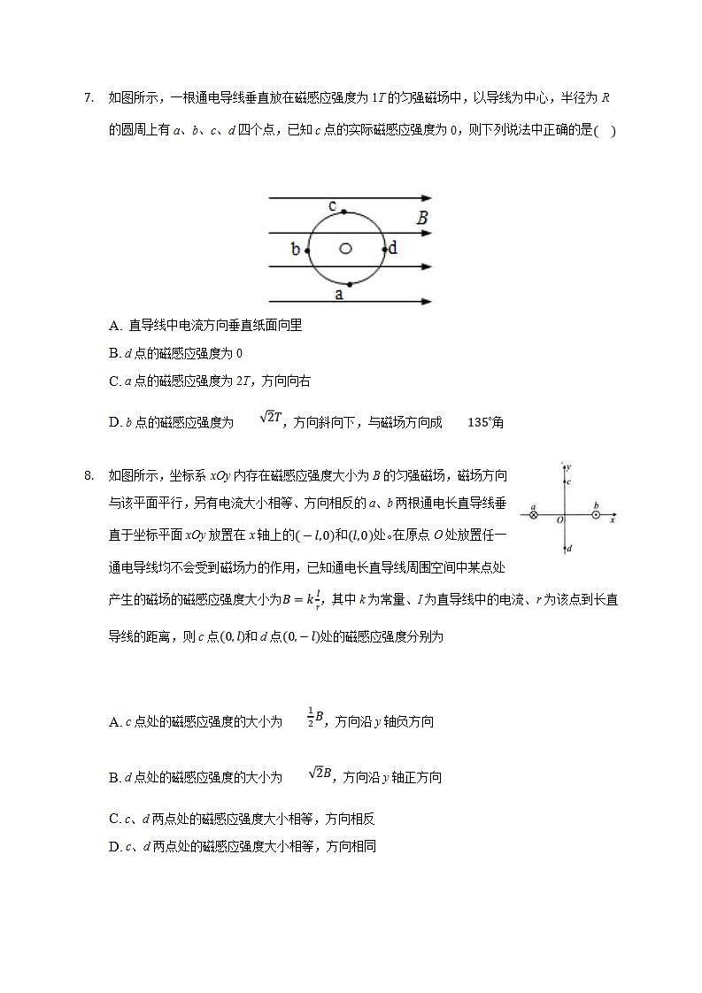
如图所示,一根通电导线垂直放在磁感应强度为1T的匀强磁场中,以导线为中心,半径为R的圆周上有a、b、c、d四个点,已知c点的实际磁感应强度为0,则下列说法中正确的是
A. 直导线中电流方向垂直纸面向里
B. d点的磁感应强度为0
C. a点的磁感应强度为2T,方向向右
D. b点的磁感应强度为,方向斜向下,与磁场方向成角
如图所示,坐标系xOy内存在磁感应强度大小为B的匀强磁场,磁场方向与该平面平行,另有电流大小相等、方向相反的a、b两根通电长直导线垂直于坐标平面xOy放置在x轴上的和处。在原点O处放置任一通电导线均不会受到磁场力的作用,已知通电长直导线周围空间中某点处产生的磁场的磁感应强度大小为,其中k为常量、I为直导线中的电流、r为该点到长直导线的距离,则c点和d点处的磁感应强度分别为
A. c点处的磁感应强度的大小为,方向沿y轴负方向
B. d点处的磁感应强度的大小为,方向沿y轴正方向
C. c、d两点处的磁感应强度大小相等,方向相反
D. c、d两点处的磁感应强度大小相等,方向相同
如图所示,与纸面垂直的两根平行直导线a、b放置在匀强磁场中,两导线中通有大小相等、方向相反的电流,此时两导线与纸面交点连线的中点O处的磁感应强度刚好为零.若仅将导线b移到O点正下方且保持导线b到O点的距离不变,则O点的磁感应强度大小为匀强磁场磁感应强度大小的
A. 2倍B. 倍C. D.
二、多选题
如图所示,通电直导线右边有一个矩形线框ABCD,线框平面与直导线共面,若使线框ABCD第一次平行移动到图中虚线位置,第二次以BC边为轴翻转到图中虚线位置,则
A. 虚线位置的磁通量与原位置磁通量相等;
B. 虚线位置的磁通量比原位置磁通量小;
C. 二次磁通量变化是相等的;
D. 第一次磁通量的变化比第二次磁通量变化的小;
如图甲所示,一长直导线沿南北方向水平放置,在导线下方有一静止的灵敏小磁针,小磁针最初静止于图甲所示方位。现在导线中通以图甲所示方向的恒定电流,测得小磁针偏离南北方向的角度的正切值与小磁针离开导线的距离x之间的关系如图乙所示。若该处地磁场的水平分量为,则下列判断中正确的是
A. 通电后,小磁针的N极向纸面内偏转
B. 通电后,小磁针静止时N极所指的方向即为电流在小磁针处产生的磁场方向
C. 电流在处产生的磁场的磁感应强度大小为
D. 处合磁场的磁感应强度大小为
如图所示,在正方形ABCD的四个顶点上垂直纸面放置四根平行通电直导线,它们中的电流强度大小相等,方向垂直纸面向里,已知直线电流在其周围产生磁场的磁感应强度,其中k是常数,l是导线中电流的大小,r是某点到导线的距离,已知A处的直导线在B处产生的磁感应强度大小为,下列说法正确的是
A. B,C,D三根导线在A处产生合磁感应强度的方向指向正方形中心O
B. B,C,D三根导线在A处产生合磁感应强度的大小为
C. 正方形中心O处的合磁感应强度大小为0
D. 正方形中心O处的合磁感应强度大小为
如图所示,A,B,C,D,E,F六点是半径为R的圆周的六等分点,在A,B,D,F四点存在垂直于圆平面的长直导线,导线中均通以方向垂直于平面向里、大小为的电流。整个平面位于匀强磁场内,此时O点的磁感应强度为零。已知长直电流I在距离导线r处产生的磁感应强度大小,k为常数。下列说法中正确的是
A. 匀强磁场的磁感应强度方向为垂直直径AD向下
B. 匀强磁场的磁感应强度大小为
C. 若将D处的导线平移到E处,则O点的磁感应强度沿与半径OA间夹角为且指向右下方
D. 若将D处的导线平移到E处,则O点的磁感应强度大小变为
三、计算题
如图所示,有一单匝矩形线圈abcd在磁感应强度为B的匀强磁场中绕垂直于磁场方向的轴以角速度匀速转动,边ab、bc的长度分别为和,轴分别通过ad和bc的中点,线圈的总电阻为r,线圈的两个末端分别与两个彼此绝缘的铜环e、集流环焊接在一起,并通过电刷与阻值为R的定值电阻连接.
线圈平面由如图所示位置开始计时,写出t时刻穿过线圈的磁通量的表达式;
线圈每转动一周,电阻R上产生的焦耳热为多大?
由如图所示位置转过的过程中,通过R的电荷量是多少?
由如图所示位置转过时,ab边所受安培力大小?
如图所示,匀强磁场的磁感应强度,指向x轴的正方向,且,,,求通过面积、和的磁通量、、分别是多少?
如图所示,平面面积,它与匀强磁场方向的夹角,若该磁场磁感应强度,求通过S的磁通量.
答案
1.B
磁感应强度,只是定义式,它的大小取决于场源以及磁场中的位置,与F、I、L以及通电导线在磁场中的取向无关;
当时,则F由B、I和L决定,而I与L均与其它量无关。故B正确,ACD错误;
故选B。
2.D
A.由磁感应强度的定义式可知,是属于比值定义的。B与F、IL均没有关系,故A错误;
B.磁场中某一点的磁感应强度由磁场本身决定,如果将通电导线拿走,那点安培力不存在,但该点的磁感应强度仍存在。故B错误;
C.通电导线受安培力不为零的地方一定存在磁场,但当通电导线与磁场平行放置,不受安培力,所以通电导线不受安培力的地方不一定不存在磁场。故C错误;
D.磁场中某一点的磁感应强度由磁场本身决定,其大小和方向是唯一确定的,与通电导线没有关系,当通电导线不放入磁场中,则一定没有磁场力,但该处的磁感应强度仍然存在。故D正确;
故选D。
3.D
A.根据安培定则可知,导线M在N点产生的磁感应强度方向沿NP方向,导线P在N点产生的磁感应强度方向沿NM方向,合磁感应强度方向沿NQ方向;同理,Q点合磁感应强度方向沿NQ方向,两者同向,故A错误;
B.根据平行四边形定则可知,Q点的磁感应强度大小为,故B错误;
C.若使P处直导线电流反向,大小不变,则N处的磁感应强度大小为,故C错误;
D.若使P处直导线电流反向,大小不变,则Q处的磁感应强度方向沿PM方向,与原来垂直,故D正确。
故选D。
4.B
根据磁通量的概念可知, ;
若线框面积变为原来的 ,则磁通量变为,故B正确,ACD错误。
故选B。
5.A
根据安培定则,各电流产生的磁场的方向如图:
1与3导线电流产生磁场都沿左下方,而2与4导线产生磁场都沿右下方,由于各电流产生的磁场的大小都是B,所以合磁场的方向沿角平分线的方向,大小等于B.故A正确,BCD错误。
故选:A。
6.B
设导线a中的电流在C点处产生的磁场的磁感应强度为B,则导线b中的电流在C点处产生的磁场的磁感应强度为,根据安培定则并作出电流在C点的磁感应强度的示意图,则由C点的磁感应强度为零,可知,得到,由几何关系可知,匀强磁场的方向沿AD由D指向当将导线b中的电流方向反向后,作出电流在E点产生的磁场的示意图,a、b中电流在E点的磁感应强度方向相同均垂直AD向上,所以E点的磁感应强度为,解得。由几何关系可知,合磁场方向竖直向上,选项B正确。
故选B.
7.C
A.由题意可知,c点的磁感应强度为0,说明通电导线在c点产生的磁感应强度与匀强磁场的磁感应强度大小相等、方向相反,即得到通电导线在c点产生的磁感应强度方向水平向左,根据安培定则判断可知,直导线中的电流方向垂直纸面向外,故A错误;
B.根据矢量合成规律可知,通电导线在d处的磁感应强度方向竖直向上,则d点感应强度为,方向与B的方向成斜向上,故B错误;
C.通电导线在a处的磁感应强度方向水平向右,则a点磁感应强度为2T,方向向右 ,故C正确;
D.由上可知,通电导线在b点产生的磁感应强度大小为1T,由安培定则可知,通电导线在b处的磁感应强度方向竖直向下,根据平行四边形与匀强磁场进行合成得知,b点感应强度为,方向与B的方向成斜向下,故D错误。
故选C。
8.D
由题意可知O点处磁感应强度大小为0,由安培定则可知两直导线中在O点处产生的磁感应强度大小相等,方向均沿y轴负方向,故知匀强磁场的方向沿y轴正方向,因匀强磁场的磁感应强度大小为B,故每根直导线在O点处产生的磁感应强度大小为。由可知每根直导线在c点产生的磁感应强度大小为,方向相互垂直,故合磁场的磁感应强度大小为,方向沿y轴正方向,同理可得d点处合磁场的感应强度大小为,方向也沿y轴正方向,故D正确,ABC错误。
故选D。
9.C
设每根导线中的电流在O点产生的磁场的磁感应强度大小均为B,则由安培定则和矢量合成知识可知,两导线中的电流在O处产生的合磁场的磁感应强度大小为2B,方向竖直向上或向下;设匀强磁场的磁感应强度大小为,由题意知此时O点处的磁感应强度刚好为零,则有,方向竖直向下或向上;当将导线b移到O点正下方且到O点的距离不变时,同样由安培定则和矢量合成知识可知,O点处合磁场的磁感应强度大小为,故有,故选项C正确.
10BD
A.根据磁通量,可知虚线位置的磁通量小于原位置磁通量相等,故A错误;B正确;
C.磁通量的变化量若规定初状态的磁通量为正,则
第二次磁通量的变化量为:
故第一次磁通量的变化比第二次磁通量变化的小,故C错误,D正确。
故选BD。
11.ACD
解:根据安培定则可知,通电后,小磁针的N极向纸里偏转,故A正确;
B.磁场的磁感应强度是矢量,通电后,小磁针静止时N极所指的方向即为电流在小磁针处产生的磁场与地球的磁场的合磁场的方向,故B错误;
C.电流在处产生的磁场的磁感应强度大小为,则:,所以,故C正确;
D.由矢量的合成可知,处合磁场的磁感应强度大小为,故D正确。
故选ACD。
12.BC
设正方形的边长为r,则有
处导线在A处产生的磁感应强度大小,方向沿DA方向斜向右上,D处导线在A处产生的磁感应强度大小,方向沿AB方向斜向右下,C处导线在A处产生的磁感应强度大小,方向沿垂直于AC水平向右,根据平行四边形定则知A处的合磁场水平向右,大小为,故A错误,B正确;
处导线在O处产生的磁感应强度大小为,方向水平向左,C处导线在O处产生的磁感应强度大小为,方向水平向右,二者合磁感应强度为零;
B处导线在O处产生的磁感应强度大小为,方向竖直向上,D处导线在O处产生的磁感应强度大小为,方向竖直向下,二者合磁感应强度为零,所以正方形中心O处的磁感应强度为零,故C正确,D错误。
故选BC。
13.BC
各长直导线电流在O点产生的磁感应强度大小相等,,方向如图所示:
与等大反向,和夹角为,由矢量合成法则知,它们的合磁感应强度,方向垂直直径AD向下,根据O点的磁感应强度为零可知,匀强磁场的磁感应强度大小为,方向垂直直径AD向上,故A错误,B正确;
若将D处的导线平移到E处,则知与等大反向,与等大反向,故O点的磁感应强度大小为,方向为方向,即与半径OA间夹角为且指向右下方,故C正确,D错误。
故选BC。
14.解:;
由题意可知,线圈感应电动势最大值:;
通过电阻R电流有效值:;
线圈每转动一周所用时间:;
线圈每转动一周,电阻R上产生的焦耳热:;
由如图所示位置转过的过程中,线圈中感应电动势平均值:;
通过R的平均电流:;
通过R的电荷量:;
由题意可知,由如图所示位置转过时,;
瞬时电流:;
ab边所受安培力:。
15.
解:面积与磁场相互垂直,故磁通量为:
;
与磁场方向相互平行;故磁通量;
与匀强磁场方向的夹角未知,因此可将面积投影到与x轴垂直的abcd上,aefd的有效面积就是abcd的面积,故磁通量为:
。
答:、、各分别为;0;。
16.解:由题,在匀强磁场中,线圈平面与匀强磁场方向的夹角,通过线圈的磁通量。
高中物理人教版 (2019)必修 第三册2 磁感应强度 磁通量优秀同步练习题: 这是一份高中物理人教版 (2019)必修 第三册2 磁感应强度 磁通量优秀同步练习题,共19页。试卷主要包含了单选题,填空题,解答题等内容,欢迎下载使用。
人教版 (2019)必修 第三册2 磁感应强度 磁通量复习练习题: 这是一份人教版 (2019)必修 第三册2 磁感应强度 磁通量复习练习题,文件包含人教版2019高中物理必修三132磁感应强度磁通量同步练习详解doc、人教版2019高中物理必修三132磁感应强度磁通量同步练习习题doc等2份试卷配套教学资源,其中试卷共20页, 欢迎下载使用。
物理必修 第三册第十三章 电磁感应与电磁波初步2 磁感应强度 磁通量复习练习题: 这是一份物理必修 第三册第十三章 电磁感应与电磁波初步2 磁感应强度 磁通量复习练习题,共4页。

