2021届中考化学实验探究通关练(五)标签类探究
展开2021届中考化学实验探究通关练(五)
标签类探究
一、实验题
1.某志愿者服务小组利用课余时间帮助学校搬迁化学实验室,在整理药品时,发现一个装有黑色粉末的试剂瓶上标签严重破损,依稀能看见一个“氧”字。为给这瓶药品贴上正确的标签,在征得实验老师的同意后,他们进行了下列实验。
【提出问题】这瓶药品的成分是什么?
【查阅资料】①初中化学常用的带“氧”字的黑色粉末有二氧化锰、四氧化三铁、氧化铜等;②四氧化三铁能与稀硫酸反应,生成和,溶液变成黄绿色。
【提出猜想】结合上述信息,大家提出了下列猜想:
小明:二氧化锰;小亮:四氧化三铁;小玉:氧化铜
【实验探究】三位同学分别针对自己的猜想进行实验探究:
| 实验操作 | 实验现象 | 实验结论 |
小明 | 取少量样品,加入适量过氧化氢溶液 | 有大量气泡产生 | 原猜想成立 |
小亮 | 取少量样品,加入适量稀硫酸,振荡 | 黑色粉末逐渐溶解,溶液变成蓝色 | 原猜想_______(填“成立”或“不成立”) |
小玉 | 设计如图装置,取适量样品,进行实验 | 玻璃管内________ | 原猜想成立,玻璃管内发生反应的化学方程式为________ |
【交流反思】大家经过讨论后认为小明的结论不正确,理由是_______________。
【实验拓展】
(1)小明觉得还可以通过小玉设计的装置,测定该样品的纯度。取样品4g放入硬质玻璃管中,待完全反应后,称量硬质玻璃管内剩余固体的质量为m。则m的取值范围应是_______________;
(2)小亮在小玉的实验中发现,试管内NaOH溶液没有明显现象,无法判断是否有被吸收,请你设计实验证明装置中NaOH溶液已吸收了:_______________。
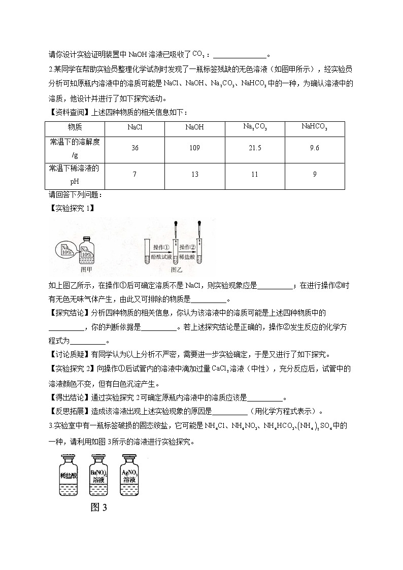
2.某同学在帮助实验员整理化学试剂时发现了一瓶标签残缺的无色溶液(如图甲所示),经实验员分析可知原瓶内溶液中的溶质可能是中的一种,为确认溶液中的溶质,他设计并进行了如下探究活动。
【资料查阅】上述四种物质的相关信息如下:
物质 | ||||
常温下的溶解度/g | 36 | 109 | 21.5 | 9.6 |
常温下稀溶液的pH | 7 | 13 | 11 | 9 |
请回答下列问题:
【实验探究1】
如上图乙所示,在操作①后可确定溶质不是NaCl,则实验现象应是__________;在进行操作②时有无色无味气体产生,由此又可排除的物质是__________。
【探究结论】分析四种物质的相关信息,你认为该溶液中的溶质可能是上述四种物质中的__________,你的判断依据是__________。若上述探究结论是正确的,操作②发生反应的化学方程式为__________。
【讨论质疑】有同学认为以上分析不严密,需要进一步实验确定,于是又进行了如下探究。
【实验探究2】向操作①后试管内的溶液中滴加过量溶液(中性),充分反应后,试管中的溶液颜色不变,但有白色沉淀产生。
【得出结论】通过实验探究2可确定原瓶内溶液中的溶质应该是__________。
【反思拓展】造成该溶液出现上述实验现象的原因是__________(用化学方程式表示)。
3.实验室中有一瓶标签破损的固态铵盐,它可能是中的一种,请利用如图3所示的溶液进行实验探究。
【提出猜想】猜想①:该铵盐是
猜想②:该铵盐是_______
猜想③:该铵盐是
猜想④:该铵盐是
【实验探究】步骤一:取少量样品放入试管中,没有嗅到强烈的氨味,加入适量水溶解得到无色液体,选用图3中的_______滴入试管中,无气泡放出,则猜想③不成立。
步骤二:在步骤一所得的溶液中,滴加图3中的溶液,没有白色沉淀生成,则猜想_______不成立。
步骤三:另取适量样品放入试管中,加水溶解配成溶液,滴加图3中的_______溶液,有白色沉淀生成,则猜想_______成立。
【拓展应用】铵盐可作氮肥,它会与碱性物质发生化学反应,请写出硝酸铵溶液与氢氧化钠溶液在加热条件下反应的化学方程式:_____________________,所以在农业生产中,为避免降低肥效,铵态氮肥不要与碱性物质混合施用。
4.实验室有一瓶标签受到腐蚀的无色溶液,如图所示。这瓶无色溶液是放在存放盐溶液的柜子里。化学兴趣小组开展探究:
【提出问题】这瓶无色溶液究竟是什么盐的溶液?
【猜想与假设】该无色溶液可能是碳酸钠、碳酸氢钠、氯化钠、硫酸钠、硝酸钠中某一种的溶液。
【初步分析】
(1)库尔班同学根据标签上的组成元素认为一定不是_________________溶液。
(2)艾力同学提出,碳酸氢钠、硝酸钠的溶液也不可能,他的依据是_________________。
【设计实验】
为了确定该溶液究竟是剩余两种盐的哪一种溶液,他们设计了如下实验。
实验操作 | 实验现象 |
①取少量该无色溶液于试管中,慢慢滴加溶液 | 产生白色沉淀 |
②静置后,向沉淀中滴加稀盐酸 | 产生大量气泡,沉淀全部溶解 |
【实验结论】
该瓶无色溶液的溶质是_________________(填化学式)。生成白色沉淀的化学反应方程式是_________________。
【实验反思】
玉素甫同学认为原设计的实验还可简化,同样达到鉴别的目的。玉素甫同学设计的实验如下(将实验操作及 实验现象填入相应的空格中):
实验操作 | 实验现象 |
|
|
(3)白燕同学经查阅资料得知:氯化钠、硫酸钠、硝酸钠溶液呈中性,碳酸钠、碳酸氢钠溶液呈碱性,提出测溶液的酸碱性来确定更简便。她采用_________________测量溶液的pH_________________。 (填“>”“=”或“<”)7,则结论与以上同学一致。
5.某化学兴趣小组的同学在整理化学药品柜时,发现有一瓶标签受损的无色溶液(受损标签如图所示)。咨询实验老师得知,这瓶无色溶液是一种常用的盐溶液。小组同学对这瓶溶液进行了如下探究:
【提出问题】这瓶无色溶液是什么物质的溶液?
【猜想与假设】小组同学提出了如下假设:
①碳酸钠溶液;②硫酸钠溶液;③氯化钠溶液。
【讨论交流】在老师的指导下,小组同学经过讨论,认为有一条假设不合理。
(1)请你指出不合理的假设并说明不合理的理由:_______________。
【査阅资料】硫酸钡既不溶解于水又不溶解于酸;碳酸钠溶液呈碱性;的化学性质与相似。
【进行实验】小组同学设计并进行了如下实验,请你完善小组同学的“相互评价”。
组次 | 实验操作 | 出现的现象与结论 | 同学相互评价 |
第1组 | 产生白色沉淀,第1组同学认为假设②成立 | 第2组同学认为此方案结论不正确 (2)你认为其理由是硫酸钡和_______________都不溶于水 | |
第2组 | 试管中无明显现象,第2组同学认为假设②成立 | 第3组同学认为此方案结论不正确 (3)你认为其理由是_______________ | |
第3组 | 溶液无明显变化,第3组同学认为假设②成立 | 第1组同学认为此方案结论正确。 (4)你认为实验中用点滴板比试管具有更多的优点是____(写1条即可) |
【实验反思】针对上述情况,小组同学总结了取用药品时的各种注意事项。
(5)你认为倾倒液体药品时,要注意标签_______________。
6.某小组同学在协助老师整理化学试剂时,发现一瓶标签残缺的无色液体(如图)。他们对此瓶无色液体产生了兴趣,于是经过教师同意后进行了如下探究。
(提出问题)无色液体的成分是什么?
(大胆猜想)
猜想一:只是水 猜想二:稀硫酸 猜想三:过氧化氢溶液
小组同学对标签进行了仔细的观察、分析,他们一致认为猜想一不合理。理由是_____。
(设计方案)
同学们结合所学知识设计出如下探究方案。
(1)向盛有少量无色液体的试管加入几颗锌粒。
(2)向盛有少量二氧化锰的试管中加入适量的该液体,并将带火星的木条放在试管口。
(实验与事实)
实验(1)无明显现象。
实验(2)有_____产生,带火星的木条复燃,证明生成的气体是_____。在反应中二氧化锰起_____作用。
(结论与解释)
(1)以上事实证明猜想_____是正确的;
(2)产生气体的反应的文字表达式为_____。
(反思与评价)
(1)在实验中,某同学提出应该先将气体收集,然后用带火星的木条检验,你认为_____(填“有”或“没有”)必要。
(2)为避免在今后的实验中出现标签残缺的情况,在倾倒液体时应注意_____。
(拓展与迁移)
根据探究结果,重新贴好标签。标签上化学式中氧元素的化合价为_____价。H2O2中氢、氧元素的质量之比为_____。
7.实验室有一瓶标签腐蚀的溶液A(如图所示),某组同学将碳酸钠溶液与样品反应,有白色沉淀产生,过滤后得到澄清滤液,同学们进行了一系列的探究.
1.探究一 A溶液中溶质是什么?
【提出猜想】①CaCl2,②__________.
【查阅资料】CaCl2溶液呈中性.
【设计实验】同学们设计了如下方案并进行实验.
实验操作 | 实验现象 | 实验结论 |
取少量A溶液于试管中,向其中滴加无色酚酞溶液 | __________ | 猜想①正确 |
碳酸钠与其反应的化学方程式为__________.
2.探究二过滤后的滤液中会有哪些溶质?
【提出猜想】小明的猜想:NaCl、CaCl2;小红的猜想:NaCl;你的猜想:__________
【设计实验】请设计对“你的猜想”实验:
实验步骤 | 实验现象 | 实验结论 |
__________ | __________ | 你的猜想正确 |
【思维拓展】为防止标签被腐蚀,倾倒液体时应注意:__________.
8.在整理实验室时,同学发现7瓶不同的无色溶液(见如图所示),其中2、3、7号试剂瓶标签完全破损,4、5号试剂瓶标签部分破损。查阅药品记录单可知,2、3、4、5、7号溶液分别是10% NaOH溶液、饱和石灰水、10% Na2CO3溶液、10% CaCl2溶液、10%稀盐酸中的一种。化学小组同学进行了以下实验探究。
【实验目的】①给试剂瓶贴上正确的标签;②探究部分溶液混合发生的反应。
【查阅资料】①CaCl2溶液呈中性,能与Na2CO3发生复分解反应;
②
【实验探究】
(1)分别取2、3、4、5、7号溶液于5支试管中,向其中分别滴加1号溶液,发现3、4、5号溶液变红色,说明这3种溶液呈 (填“酸性”、“碱性”或“中性”),由该实验可确定的溶液为 (写出试剂瓶编号及相应的溶液名称);
(2)分别取2号5.55g和7号3.65g溶液,混合均匀后,逐滴加入5号溶液。首先观察到有气泡冒出,然后有沉淀析出。加入5号溶液的质量与产生气体或沉淀的质量关系如图1所示,加入5号溶液的质量与溶液pH的变化关系如图2所示。根据图示完成下列问题:
①7号溶液是 (填名称);
②图1中b点数据为 g;
③图2中h→k段发生反应的化学方程式为 。
(3)取3号溶液于试管中,逐滴加入一定量的6号溶液,观察到溶液变浑浊,过滤,则滤液中含有的溶质可能为①NaOH;②Na2CO3;③NaOH、Na2CO3;④NaOH、Ca(OH)2;⑤ 。
【实验反思】分析上述实验,下列说法不正确的是 (填字母序号)。
A.5号试剂可能是部分变质的氢氧化钠溶液
B.该实验无法确定各种试剂,没有完成实验目的①
C.图1中b→c段反应过程中溶液的pH变化情况可用图2中h→k段表示
D.碳酸氢钠既能与碱反应,又能与酸反应
参考答案
1.答案:【实验探究】不成立;黑色粉末逐渐变为红色;
【交流反思】氧化铜也能对过氧化氢分解起催化作用
【实验拓展】(1)3.2g≤m<4g
(2)实验结束后取出试管内的溶液,滴加稀盐酸(或氯化钙溶液),可观察到有气泡(或白色沉淀)产生
解析:【实验探究】药品的标签上有“氧”字,根据资料初中化学常用的带“氧”字的黑色粉末有二氧化锰、四氧化三铁、氧化铜三种,实验探究就是通过实验确认该药品是三种中的某一种。小明猜想是二氧化锰,然后他根据二氧化锰能催化过氧化氢分解的性质,选择过氧化氢溶液与之混合,结果观察到有大量气泡产生,得出自己的猜想成立的结论;小亮针对自己的猜想是四氧化三铁,将其与稀硫酸混合,结果观察到的现象并不是资料上所描述的溶液变成黄绿色,而是溶液变成蓝色,得出自己的猜想不成立;小玉根据自己的猜想是氧化铜,用一氧化碳还原氧化铜的方法进行实验探究,实验中观察到玻璃管内黑色粉末变成红色,即得出自己的猜想成立,玻璃管内发生反应的化学方程式为。
【交流反思】大家对小明的结论提出了质疑,原因是氧化铜也可能对过氧化氢的分解有催化作用。
【实验拓展】(1)若样品全部为CuO,则m的值为,故m的取值范围是3.2g≤m<4g。
(2)要证明装置中NaOH溶液已吸收了,就是证明溶液中含有,可以取实验后试管内的溶液,滴加稀盐酸(或氢氧化钙、氯化钙溶液等)可观察到有气泡(或白色沉淀)产生。
2.答案:【实验探究1】溶液变红色;NaOH(或氢氧化钠)
【探究结论】(或碳酸钠);常温下碳酸氢钠饱和溶液的溶质质量分数不可能达到10%,而碳酸钠溶液可以;
【得出结论】NaOH(或氢氧化钠)
【反思拓展】
解析:【实验探究1】氯化钠溶液呈中性,不能使酚酞试液变红色,如果现象是溶液变红色,则可确定该溶液中的溶质一定不是氯化钠。氢氧化钠和稀盐酸反应无明显现象,在进行操作②时有无色无味气体产生,则可排除的物质是氢氧化钠。
【探究结论】通过资料可知,常温下碳酸氢钠的溶解度为9.6g,则常温下碳酸氢钠饱和溶液的溶质质量分数为,所以能够排除碳酸氢钠,则该溶液中的溶质应该是碳酸钠。碳酸钠和稀盐酸反应的化学方程式为。
【得出结论】向操作①后试管内的溶液中滴加过量溶液(中性),充分反应后,有白色沉淀产生,说明溶液中含有碳酸钠;试管中的溶液颜色不变,说明溶液中还含有不和氯化钙反应但显碱性的物质——氢氧化钠,可确定原瓶内溶液中的溶质应该是氢氧化钠。
【反思拓展】氢氧化钠易与空气中的反应而变质,反应的化学方程式为。
3.答案:【提出猜想】
【实验探究】稀盐酸;④硝酸银;①
【拓展应用】
解析:【提出猜想】固态铵盐可能是中的一种,其余三种猜想已给出,所以猜想②是。
【实验探究】步骤一:由于该铵盐不是,因此选用盐酸滴入试管中,无气泡放出;步骤二:中只有能和硝酸钡反应生成白色沉淀,其余三种都不能和硝酸钡反应,因此滴加溶液,没有白色沉淀生成,说明该铵盐不是硫酸铵,猜想④不成立;步骤三:由步骤一、二知,步骤三中滴加溶液,硝酸银和氯化铵反应生成氯化银白色沉淀和硝酸铵,即猜想①成立。
【拓展应用】硝酸铵溶液与氢氧化钠溶液在加热条件下反应,生成硝酸钠、氨气和水。
4.答案:【初步分析】(1)氯化钠
(2)碳酸氢钠和硝酸钠的化学式中钠元素右下角的数字为1
【实验结论】;
【实验反思】取该无色溶液少许于试管中,滴加足量的稀盐酸;溶液中有气泡产生
(3)pH试纸;>
解析:
【初步分析】(1)氯化钠是由钠元素和氯元素纠成的,不含有氧元素,故一定不会是氯化钠溶液。
(2)此标签中钠元石下角的数字为2,而碳酸氢钠的化学式为,硝酸钠的化学式为,故不会是碳酸氢钠和硝酸钠。
【实验结论】硫酸钠能与氯化钡反应生成硫酸钡沉淀,但是硫酸钡沉淀不溶于盐酸,滴加盐酸不会出现溶解的现象,故该盐不可能是硫酸钠;碳酸钠与氯化钡反应生成碳酸钡沉淀,碳酸钡沉淀能溶于盐酸且产生气体,故该瓶溶液是碳酸钠溶液,产白色沉淀的化学方程式为
。
【实验反思】碳酸钠能与盐酸反应生成二氧化碳气体,而硫酸钠不能与盐酸反应,故可以直接向溶液中加入盐酸,观察是否产生气泡。
(3)用pH试纸可以测量溶液的pH,根据溶液pH>7显碱性,可得出该盐是碳酸钠。
5.答案:(1)假设③不合理氯化钠中不含氧元素
(2)碳酸钡
(3)稀盐酸太少,只和氢氧化钠或氢氧化钡发生反应
(4)节约药品(合理即可)
(5)朝向手心
解析:(1)根据标签提供的信息可知,此药品中一定含有钠元素和氧元素,而氯化钠中只有钠元素和氯元素,故不可能是氯化钠。
(2)第1组实验中,加入足量的氢氧化钡,的化学性质与相似,碳酸钠和硫酸钠都能与氢氧化钡反应,分别生成碳酸钡和硫酸钡白色沉淀,故通过产生白色沉淀无法确定原物质是碳酸钠还是硫酸钠。
(3)为进一步确定固体的成分,滴加少量稀盐酸,而第1组实验中有生成,且滴加的氢氧化钡溶液是足量的,因此向第1组实验后的试管内滴加少量稀盐酸,稀盐酸会先和氢氧化钠或氢氧化钡反应,稀盐酸量太少,导致其余的反应未进行,故实验方案不正确。
(4)使用点滴板可以节约药品,少量的药品就能出现明显的现象,同时反应后的药品也便于处理
(5)倾倒液体时,要将标签朝向手心,防止液体流下,腐蚀标签。
6.答案:从标签上质量分数为5%可知这瓶无色液体属于混合物,而水是纯净物;大量气泡 氧气(或);催化 ; 三 ;过氧化氢水+氧气;没有;瓶上标签向着手心 ; -1; 1∶16
解析: [大胆猜想]
标签上的5%表示该混合物中主要成分所占的质量分数,而水是纯净物,故猜想一错误;
[实验与事实]
实验(2)向盛有少量二氧化锰的试管中加入适量的该液体,并将带火星的木条伸入试管内,发现有大量气泡产生,带火星的木条复燃,证明生成的气体是氧气。在反应中二氧化锰起催化作用。
[结论与解释]
(1)向盛有少量二氧化锰的试管中加入适量的该液体,并将带火星的木条伸入试管内,发现有大量气泡产生,带火星的木条复燃,说明此物质是过氧化氢溶液,故猜想三是正确的;
(2)过氧化氢在二氧化锰的催化作用下生成水和氧气,其文字表达式为:过氧化氢水+氧气;
[反思与评价]
(1)检验产生气体为氧气时,可用带火星木条伸入试管,木条复燃即可说明产生气体为氧气,不需要进行气体的收集;
(2)为防止药品流下腐蚀标签,应该在倾倒液体时标签向着手心;
[拓展与迁移]
设氧元素的化合价为x,则有(+1)×2+2x=0,解得x=-1,中氢、氧元素质量比为(1×2):(16×2)=1:16。
7.答案:1.Ca(OH)2; 溶液不变色; Na2CO3+CaCl2═CaCO3↓+2NaCl
2.NaCl和Na2CO3; 取少量过滤溶液于试管中,向其中滴入盐酸(或滴入紫色石蕊试液,或滴入无色酚酞试液,或滴管吸取溶液滴在PH试纸上); 有气泡产生(或溶液变蓝色,或溶液变蓝色,或测得PH值大于7.1); 标签向着手心
解析:
8.答案:【实验探究】(1)碱性;3号;饱和石灰水;
(2)①稀盐酸;② 5.3;③ ;
(3);
【实验反思】AB。
解析:(1)无色酚酞溶液遇酸性溶液不变色,遇碱性溶液变红,分别滴加1号溶液,发现3、4、5号溶液变红色,说明这3种溶液呈碱性。氢氧化钠、碳酸钠溶液、饱和石灰水显碱性,由该实验可确定的溶液为3号溶液,为饱和石灰水。
(2)①分别取2号5.55g和7号3.65g溶液,混合均匀后,逐滴加入5号溶液。首先观察到有气泡冒出,然后有沉淀析出。由碳酸钠溶液能与稀盐酸反应生成氯化钠、水和二氧化碳,碳酸钠溶液能与氯化钙溶液反应生成碳酸钙白色沉淀和氯化钠,则5号溶液是碳酸钠溶液,7号溶液是稀盐酸。
②设需要碳酸钠溶液的质量为x
↑
106 44
10%x 0.22g
x=5.3g
③图2中h→k段,溶液的pH等于7,发生的是碳酸钠与氯化钙溶液反应生成碳酸钙沉淀和氯化钠,反应的化学方程式为:。
(3)取3号溶液于试管中,逐滴加入一定量的6号溶液,观察到溶液变浑浊,是因为发生了,同时可能发生了,则滤液中含有的溶质可能为氢氧化钠;氢氧化钠和氢氧化钙;碳酸钠;氢氧化钠和碳酸钠;还可能是。
(4)A.5号试剂不可能是部分变质的氢氧化钠溶液,若是部分变质的氢氧化钠溶液,不可能出现h→k段pH等于7这种情况。
B.由上述分析,该实验可以确定各种试剂,可以完成实验目的①。
C.图1中b→c段反应过程,即碳酸钠与氯化钙溶液反应生成碳酸钙沉淀和氯化钠,溶液的pH变化情况可用图2中h→k段表示。
D.,碳酸氢钠能与酸反应,则碳酸氢钠既能与碱反应,又能与酸反应。
2022中考化学实验探究题:标签类(困难)(无答案): 这是一份2022中考化学实验探究题:标签类(困难)(无答案),共10页。
2022中考化学总复习专题突破:实验探究题(标签损坏类)(无答案): 这是一份2022中考化学总复习专题突破:实验探究题(标签损坏类)(无答案),共10页。
(5)标签受损类探究——2022届中考化学科学探究题型专练: 这是一份(5)标签受损类探究——2022届中考化学科学探究题型专练,共12页。

