高中生物人教版 (新课标)必修1《分子与细胞》第四章 细胞的物质输入和输出综合与测试同步训练题
展开①______________;②________;③________________;④______________;⑤______________;⑥ __________________。
答案 ①选择透过性 ②脂质 ③一定的流动性 ④自由扩散 ⑤协助扩散 ⑥胞吞和胞吐
规律方法整合
方法一 渗透作用原理的拓展应用
典例1 如图所示的渗透装置中,开始时的液面高度为a,停止上升时的高度为b,若每次停止上升后都将玻璃管中高出烧杯液面的部分吸出,则a、b液面间的高度差与吸出蔗糖溶液的次数之间的关系是( )
答案 B
解析 每吸出一次,蔗糖溶液浓度就减小一次,而a、b液面的高度差是由半透膜内外溶液浓度差决定的,随着吸出次数的增加内外浓度差越来越小,所以a、b液面高度差也越来越小。
方法链接
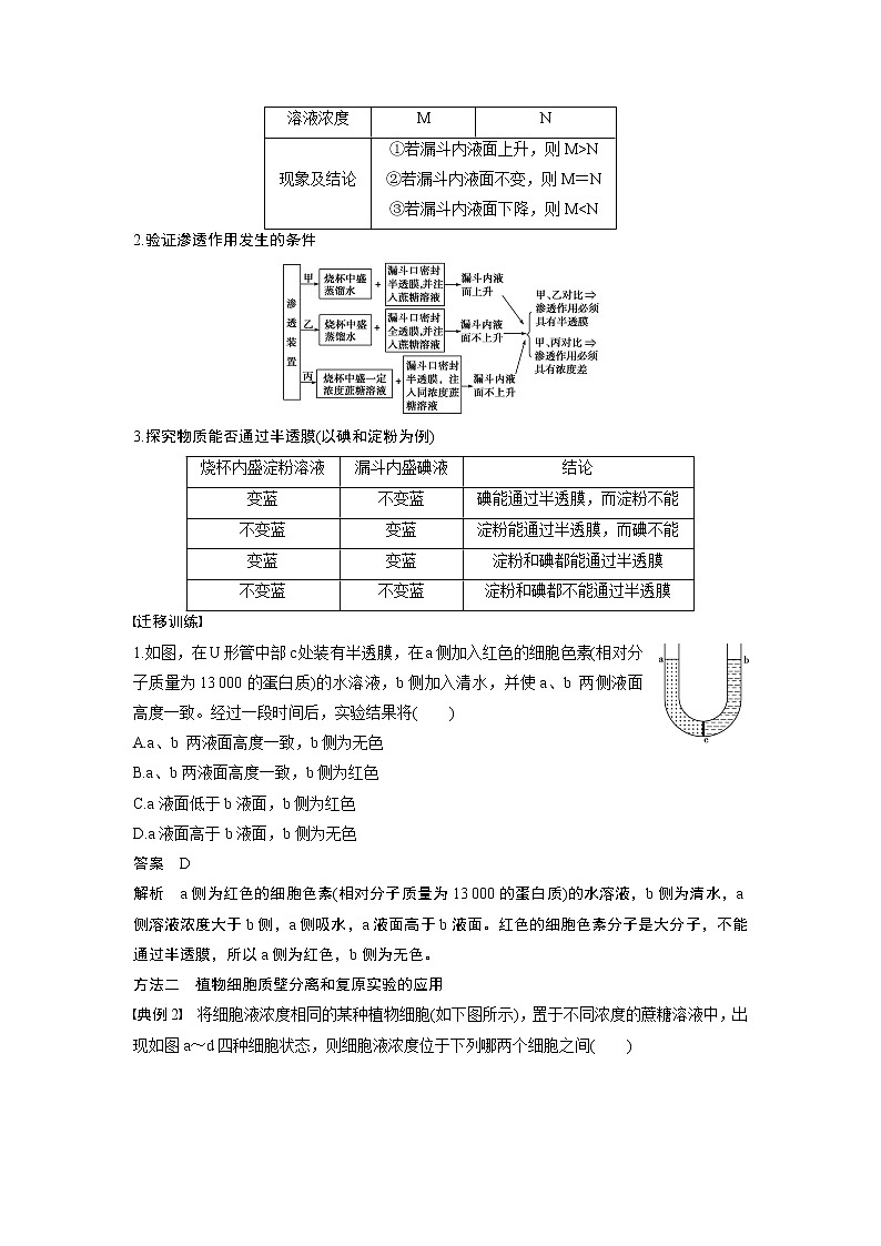
1.比较不同溶液浓度大小
2.验证渗透作用发生的条件
3.探究物质能否通过半透膜(以碘和淀粉为例)
迁移训练
1.如图,在U形管中部c处装有半透膜,在a侧加入红色的细胞色素(相对分子质量为13 000的蛋白质)的水溶液,b侧加入清水,并使a、b 两侧液面高度一致。经过一段时间后,实验结果将( )
A.a、b 两液面高度一致,b侧为无色
B.a、b两液面高度一致,b侧为红色
C.a液面低于b液面,b侧为红色
D.a液面高于b液面,b侧为无色
答案 D
解析 a侧为红色的细胞色素(相对分子质量为13 000的蛋白质)的水溶液,b侧为清水,a侧溶液浓度大于b侧,a侧吸水,a液面高于b液面。红色的细胞色素分子是大分子,不能通过半透膜,所以a侧为红色,b侧为无色。
方法二 植物细胞质壁分离和复原实验的应用
典例2 将细胞液浓度相同的某种植物细胞(如下图所示),置于不同浓度的蔗糖溶液中,出现如图a~d四种细胞状态,则细胞液浓度位于下列哪两个细胞之间( )
A.c~b B.a~c
C.a~d D.d~c
答案 C
解析 根据四个细胞失水程度的大小,可以判断细胞质壁分离的程度,细胞液的浓度介于刚刚分离和未分离的两种蔗糖溶液的浓度之间,a液泡变大,细胞吸水,d的液泡有所变小,质壁分离刚刚发生,b、c的质壁分离明显。
方法链接
1.判断成熟植物细胞是否有生物活性
2.测定细胞液浓度范围
3.比较不同植物细胞的细胞液浓度
4.鉴别不同种类的溶液(如KNO3和蔗糖溶液)
迁移训练
2.某同学用质量分数为30%的蔗糖溶液处理某生物细胞,在操作步骤完全正确的情况下,细胞没有出现质壁分离现象。试分析该同学所使用的实验材料可能是( )
①根尖分生区细胞 ②动物细胞 ③死细胞 ④去除了细胞壁的植物细胞
A.②④ B.①②④
C.②③④ D.①②③④
答案 D
解析 浸放在质量分数为30%的蔗糖溶液中,存在着浓度差,在操作步骤完全正确的情况下,细胞没有出现质壁分离现象,可能的原因有:①该细胞是死细胞;②该细胞是没有细胞壁的细胞(动物细胞或者去除了细胞壁的植物细胞);③该细胞可能是没有大液泡的细胞(如根尖分生区的细胞)。
方法三 物质出入细胞的方式知识归纳
典例3 下图是某物质通过红细胞膜的示意图,请据图回答下列问题:
(1)这是__________运输方式,其理由是____________________________________
_______________________________________________________________________
_______________________________________________________________________。
(2)B代表______________。
(3)你认为A可能代表的物质是__________(O2、K+)。
答案 (1)主动 需要载体蛋白协助且消耗能量,逆浓度梯度 (2)载体蛋白 (3)K+
解析 由图可以判断,该物质运输方向是由低浓度向高浓度,还需要B的协助,因此是主动运输。氧气的运输形式是自由扩散。
方法链接
1.物质跨膜运输方式——膜的选择透过性
2.影响自由扩散、协助扩散、主动运输的因素
3.胞吞和胞吐——膜的流动性
迁移训练
3.蛙的神经元内、外 Na+浓度分别是15 mml/L和120 mml/L。在膜电位由内负外正转变为内正外负过程中有 Na+流入细胞,膜电位恢复过程中有Na+排出细胞。下列判断正确的是( )
A.Na+流入是被动运输、排出是主动运输
B.Na+流入是主动运输、排出是被动运输
C.Na+流入和排出都是被动运输
D.Na+流入和排出都是主动运输
答案 A
解析 依题干信息,神经细胞外Na+浓度高于细胞内,故Na+内流是一个顺浓度梯度运输的过程,属于被动运输;Na+外流(排出)是一个逆浓度梯度运输的过程,属于主动运输。漏斗内
烧杯内
溶液浓度
M
N
现象及结论
①若漏斗内液面上升,则M>N
②若漏斗内液面不变,则M=N
③若漏斗内液面下降,则M
漏斗内盛碘液
结论
变蓝
不变蓝
碘能通过半透膜,而淀粉不能
不变蓝
变蓝
淀粉能通过半透膜,而碘不能
变蓝
变蓝
淀粉和碘都能通过半透膜
不变蓝
不变蓝
淀粉和碘都不能通过半透膜
物质出入
细胞的方式
被动运输
主动运输
自由扩散
协助扩散
运输方向
高浓度→低浓度
高浓度→低浓度
一般为低浓度→高浓度
是否需要载体蛋白
不需要
需要
需要
是否消耗能量
不消耗
不消耗
消耗
图例
举例
O2、CO2、H2O、甘油、乙醇、苯等出入细胞的方式
红细胞吸收葡萄糖
小肠上皮细胞吸收葡萄糖、氨基酸和无机盐等
表示曲线
(一定浓度范围内)
方式
影响因素
自由扩散
细胞膜内外物质的浓度差
协助扩散
①细胞膜内外物质的浓度差;②细胞膜上载体蛋白的种类和数量
主动运输
①载体蛋白的种类和数量;②能量:凡能影响细胞内产生能量的因素,都能影响主动运输,如氧气浓度、温度等
胞吞
胞吐
条件
细胞摄取或排出大分子和颗粒物质的方式
原理
生物膜的流动性
特点
物质通过囊泡转移,需要消耗能量,不需要载体蛋白
方向
细胞外→内
细胞内→外
实例
变形虫吞食食物颗粒,白细胞吞噬病菌等
胰岛B细胞分泌胰岛素等
高中生物人教版 (新课标)必修1《分子与细胞》第三章 细胞的基本结构综合与测试达标测试: 这是一份高中生物人教版 (新课标)必修1《分子与细胞》第三章 细胞的基本结构综合与测试达标测试,共5页。试卷主要包含了真、原核细胞的判定,动物细胞、植物细胞的判定等内容,欢迎下载使用。
高中生物人教版 (新课标)必修1《分子与细胞》第五章 细胞的能量供应和利用综合与测试精练: 这是一份高中生物人教版 (新课标)必修1《分子与细胞》第五章 细胞的能量供应和利用综合与测试精练,共7页。试卷主要包含了酶的概念拓展,酶的本质及生理作用的验证实验,2 mg,计算公式等内容,欢迎下载使用。
高中生物人教版 (新课标)必修1《分子与细胞》二 酶的特性一课一练: 这是一份高中生物人教版 (新课标)必修1《分子与细胞》二 酶的特性一课一练,共7页。试卷主要包含了蛋白质中游离氨基或羧基数的计算,蛋白质中含有N、O原子数的计算,蛋白质相对分子质量的计算,以下关于实验的描述,正确的是,1 g/mL的NaOH溶液等内容,欢迎下载使用。

