备战2021中考一轮复习基础知识强化训练——17.4欧姆定律在串、并联电路中的应用
展开备战2021中考一轮复习基础知识强化训练——17.4欧姆定律在串、并联电路中的应用
一. 选择题
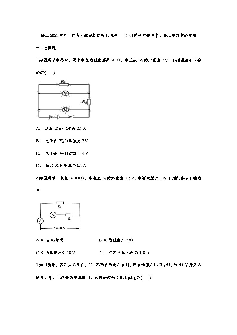
1.如图所示电路中,两个电阻的阻值都是20 Ω,电压表 V1的示数为2 V,下列说法不正确的是( )
A. 通过R1的电流为0.1 A
B. 电压表 V2的读数为2 V
C. 电压表 V2的读数为4 V
D. 通过R2的电流为0.1 A
2.如图所示,电阻R1 =10Ω,电流表A1的示数为0. 5 A, 电源电压为10V.下列叙述不正确的是
A. R1与R2并联 B. R2的阻值为20Ω
C. R1两端电压为10 V D. 电流表A的示数为1. 0 A
3.如图所示,当开关S闭合,甲、乙两表为电压表时,两表读数之比U甲:U乙为4:1;当开关S断开,甲、乙两表为电流表时,两表的读数之比I甲:I乙为( )
4.如图是自动测定油箱内油量的装置图,其中R′是一定值电阻,R是弧形变阻器,它的金属滑片P是杠杆的一端,下列判断正确的是( )
A. 油量表是由电压表改装而成的
B. R和R′在电路中是并联的
C. 油位越高,通过R的电流越大
D. 油位越低,R两端的电压越小
5.小兰设计了一种烟雾报警装置,其简化电路如图所示,电源电压保持不变,R0为定值电阻,R为光敏电阻,R的阻值随光照强度的减弱而增大,当电流表示数减小到某一值时,装置报警。开关S闭合后,当有烟雾遮挡射向R的激光时( )
A. 电流表的示数增大,电压表的示数增大
B. 电流表的示数减小,电压表的示数减小
C. 电压表与电流表的示数之比减小
D. 增大R0的阻值,可使装置在更低浓度烟雾下报警
6.如图所示的电路中,电源电压保持不变,R1=20 Ω。闭合开关S,移动滑动变阻器R2的滑片P到中点c时,电流表的示数为0.4 A;移动滑片P到最左端a时,电流表的示数为0.3 A,则电源电压和滑动变阻器的最大阻值分别为( )
A. 6 V 20 Ω B. 12 V 20 Ω
C. 6 V 30 Ω D. 12 V 30 Ω
7.在如图所示的电路中,电源电压不变.开关S闭合后,移动滑片P,改变滑动变阻器接入电路的阻值,使电压表的示数从6 V变化到2 V,同时观察到电流表的示数从0.5 A变化到1 A,则定值电阻R0的阻值为( )
A. 4 Ω
B. 6 Ω
C. 8 Ω
D. 18 Ω
8.如图所示的电路中,电源电压不变,且R1:R2=3:1,R2=2R3当开关S1断开,S2闭合时,电流表示数为I1当开关S2断开,S1闭合时,电流表示数为I2,则I1:I2为( )
A .2:1 B 1:2 C 7:8 D 8:7
9.如图所示电路中,电阻R1与R3相等,电阻R2与R4相等。现有一个两端电压为10V的电源,当把该电源接在A、B两个接线端时,电压表的示数为7.5V,电阻R1两端电压为U1。当把该电源接在C、D两个接线端时,电压表的示数为5V,电阻R2两端电压为U2。则下列选项不正确的是( )
A.U1∶U2=1∶2
B.R1∶R5=1∶3
C.R2∶R5=1∶2
D.R1∶R2=1∶3
二、填空题
10.如图所示的电路中,灯L1标有“6 V、0.5 A”的字样,灯L2标有“3 V、0.3 A”字样。该电路长时间工作时只允许灯 正常发光,且此时的电源电压是 V。
11.如图所示,当电源电压为4V时,电压表的示数为1V;当电源电压增加到12 V时,电流表的示数为1A则电阻R1= Ω,R2= Ω.
12.如图所示的电路中,电源电压不变,R1=R2=R3=10 Ω.宇宇同学误将一电流表并联在R1两端,闭合开关后,读得电流表示数为0.3 A,则电源电压U=________ V;发现错误后,该同学将图中电流表换成了电压表,则此时电压表的示数是________ V.
13.如图所示,已知阻值的三个电阻R1、R2和R3连接在总电压不变的电路中。开关S闭合、S1断开时,干路中的电流为I。两个开关都闭合后,通过电阻R1的电流I1=__________。
14.如图所示电路,开关S闭合后,电流表的示数 (选填“变大”“变小”或“不变”);若电流表示数变化了0.1A,则电阻R= Ω.
15.如图所示,电源电压保持不变,滑动变阻器的最大阻值R0=20Ω.当只闭合开关S1,滑片P置于最左端a时,电流表示数为0. 2 A,当开关S1、S2均闭合,滑片P置于最右端b时,电流表的示数为0.6A,则定值电阻R1= Ω,电源电压U= V.
16.如图所示电路中,电源电压6 V保持不变,定值电阻R1为10 Ω,滑动变阻器R的最大阻值为20 Ω,当开关S闭合,滑片P由最右端向最左端滑动的过程中,电流表示数 (选填“变小”“变大”或“不变”),此过程中电压表示数的变化范围是 V。
三、解答题
17.如图所示,电源电压保持不变,滑动变阻器的最大阻值R0=20Ω.当只闭合开关S1,滑片P置于最左端a时,电流表示数为0. 2 A,当开关S1、S2均闭合,滑片P置于最右端b时,电流表的示数为0.6A,则定值电阻R1= Ω,电源电压U= V.
18.如图甲所示是一个电子拉力计原理图.硬质弹簧右端和金属滑片P固定在一起(P与R1间的摩擦不计).电压表量程为0~3 V,a、b是一根长为6 cm的均匀电阻丝,阻值R1=30 Ω,电源电压U= 6 V.
(1)要保证电压表能正常工作,电路中R0至少应为 .
(2)当拉环不受拉力时,滑片P处于a端,闭合开关后电压表的读数为 V.
(3)已知该弹簧伸长的长度△L与所受拉力F间的关系如图乙所示,若R0=45Ω,通过计算说明,开关S闭合后,当电压表指针指在0. 8 V处,作用在拉环上水平向右的拉力为多大?此拉力器的量程为多少?
19.如图甲所示为某型号电子秤,其原理结构如图乙所示. R0为定值电阻,R是压敏电阻,其阻值随所受压力F变化的关系如图丙所示,改写电压表(量程为0~3 V)的表盘数值后可直接读出所称物体的质量.设踏板的质量为5 kg,电源电压保持9V不变,g取10 N/kg.
(1)闭合开关S,空载时,电压表的示数为1V,求R0的阻值.
(2)该电子秤的量程是多大?
(3)如果保持电子秤结构和电压表量程不变,只在电路中增加一个电阻,使电子秤的量程变为0~110 kg,计算说明应使用多大的电阻.如何连接?
20.如图所示,甲为电路的连接情况,R1=20 Ω, R2为滑动变阻器,乙为R3的I-U图像,电源电压保持不变。当S1闭合,S2断开时,若滑片P在a端,则电流表示数为0.6 A ;若滑片P在b端,则电压表示数为8 V。求:
(1)电源电压。
(2)滑动变阻器R2的最大阻值。
(3)当S1、S2均闭合,且滑片P在a端时,求电流表的示数。
备战2021中考一轮复习基础知识强化训练
——17.4欧姆定律在串、并联电路中的应用参考答案
一. 选择题
1.如图所示电路中,两个电阻的阻值都是20 Ω,电压表 V1的示数为2 V,下列说法不正确的是( )
A. 通过R1的电流为0.1 A
B. 电压表 V2的读数为2 V
C. 电压表 V2的读数为4 V
D. 通过R2的电流为0.1 A
【答案】B
2.如图所示,电阻R1 =10Ω,电流表A1的示数为0. 5 A, 电源电压为10V.下列叙述不正确的是
A. R1与R2并联 B. R2的阻值为20Ω
C. R1两端电压为10 V D. 电流表A的示数为1. 0 A
【答案】 D
3.如图所示,当开关S闭合,甲、乙两表为电压表时,两表读数之比U甲:U乙为4:1;当开关S断开,甲、乙两表为电流表时,两表的读数之比I甲:I乙为( )
【答案】 C
4.如图是自动测定油箱内油量的装置图,其中R′是一定值电阻,R是弧形变阻器,它的金属滑片P是杠杆的一端,下列判断正确的是( )
A. 油量表是由电压表改装而成的
B. R和R′在电路中是并联的
C. 油位越高,通过R的电流越大
D. 油位越低,R两端的电压越小
【答案】C
5.小兰设计了一种烟雾报警装置,其简化电路如图所示,电源电压保持不变,R0为定值电阻,R为光敏电阻,R的阻值随光照强度的减弱而增大,当电流表示数减小到某一值时,装置报警。开关S闭合后,当有烟雾遮挡射向R的激光时( )
A. 电流表的示数增大,电压表的示数增大
B. 电流表的示数减小,电压表的示数减小
C. 电压表与电流表的示数之比减小
D. 增大R0的阻值,可使装置在更低浓度烟雾下报警
【答案】D
6.如图所示的电路中,电源电压保持不变,R1=20 Ω。闭合开关S,移动滑动变阻器R2的滑片P到中点c时,电流表的示数为0.4 A;移动滑片P到最左端a时,电流表的示数为0.3 A,则电源电压和滑动变阻器的最大阻值分别为( )
A. 6 V 20 Ω B. 12 V 20 Ω
C. 6 V 30 Ω D. 12 V 30 Ω
【答案】B
7.在如图所示的电路中,电源电压不变.开关S闭合后,移动滑片P,改变滑动变阻器接入电路的阻值,使电压表的示数从6 V变化到2 V,同时观察到电流表的示数从0.5 A变化到1 A,则定值电阻R0的阻值为( )
A. 4 Ω
B. 6 Ω
C. 8 Ω
D. 18 Ω
【答案】C
8.如图所示的电路中,电源电压不变,且R1:R2=3:1,R2=2R3当开关S1断开,S2闭合时,电流表示数为I1当开关S2断开,S1闭合时,电流表示数为I2,则I1:I2为( )
A .2:1 B 1:2 C 7:8 D 8:7
【答案】D
9.如图所示电路中,电阻R1与R3相等,电阻R2与R4相等。现有一个两端电压为10V的电源,当把该电源接在A、B两个接线端时,电压表的示数为7.5V,电阻R1两端电压为U1。当把该电源接在C、D两个接线端时,电压表的示数为5V,电阻R2两端电压为U2。则下列选项不正确的是( )
A.U1∶U2=1∶2
B.R1∶R5=1∶3
C.R2∶R5=1∶2
D.R1∶R2=1∶3
【答案】B
二、填空题
10.如图所示的电路中,灯L1标有“6 V、0.5 A”的字样,灯L2标有“3 V、0.3 A”字样。该电路长时间工作时只允许灯 正常发光,且此时的电源电压是 V。
【答案】L2 6.6
11.如图所示,当电源电压为4V时,电压表的示数为1V;当电源电压增加到12 V时,电流表的示数为1A则电阻R1= Ω,R2= Ω.
【答案】9 3
12.如图所示的电路中,电源电压不变,R1=R2=R3=10 Ω.宇宇同学误将一电流表并联在R1两端,闭合开关后,读得电流表示数为0.3 A,则电源电压U=________ V;发现错误后,该同学将图中电流表换成了电压表,则此时电压表的示数是________ V.
【答案】6 2
13.如图所示,已知阻值的三个电阻R1、R2和R3连接在总电压不变的电路中。开关S闭合、S1断开时,干路中的电流为I。两个开关都闭合后,通过电阻R1的电流I1=__________。
【答案】
14.如图所示电路,开关S闭合后,电流表的示数 (选填“变大”“变小”或“不变”);若电流表示数变化了0.1A,则电阻R= Ω.
【答案】变大 60
15.如图所示,电源电压保持不变,滑动变阻器的最大阻值R0=20Ω.当只闭合开关S1,滑片P置于最左端a时,电流表示数为0. 2 A,当开关S1、S2均闭合,滑片P置于最右端b时,电流表的示数为0.6A,则定值电阻R1= Ω,电源电压U= V.
【答案】10 6
16.如图所示电路中,电源电压6 V保持不变,定值电阻R1为10 Ω,滑动变阻器R的最大阻值为20 Ω,当开关S闭合,滑片P由最右端向最左端滑动的过程中,电流表示数 (选填“变小”“变大”或“不变”),此过程中电压表示数的变化范围是 V。
【答案】变大 2~6
三、解答题
17.如图所示,电源电压保持不变,滑动变阻器的最大阻值R0=20Ω.当只闭合开关S1,滑片P置于最左端a时,电流表示数为0. 2 A,当开关S1、S2均闭合,滑片P置于最右端b时,电流表的示数为0.6A,则定值电阻R1= Ω,电源电压U= V.
【答案】10 6
18.如图甲所示是一个电子拉力计原理图.硬质弹簧右端和金属滑片P固定在一起(P与R1间的摩擦不计).电压表量程为0~3 V,a、b是一根长为6 cm的均匀电阻丝,阻值R1=30 Ω,电源电压U= 6 V.
(1)要保证电压表能正常工作,电路中R0至少应为 .
(2)当拉环不受拉力时,滑片P处于a端,闭合开关后电压表的读数为 V.
(3)已知该弹簧伸长的长度△L与所受拉力F间的关系如图乙所示,若R0=45Ω,通过计算说明,开关S闭合后,当电压表指针指在0. 8 V处,作用在拉环上水平向右的拉力为多大?此拉力器的量程为多少?
【答案】(1) 30Ω (2) 0
(3)作用在拉环上水平向右的拉力为200 N 此拉力器的量程为0-600 N.
19.如图甲所示为某型号电子秤,其原理结构如图乙所示. R0为定值电阻,R是压敏电阻,其阻值随所受压力F变化的关系如图丙所示,改写电压表(量程为0~3 V)的表盘数值后可直接读出所称物体的质量.设踏板的质量为5 kg,电源电压保持9V不变,g取10 N/kg.
(1)闭合开关S,空载时,电压表的示数为1V,求R0的阻值.
(2)该电子秤的量程是多大?
(3)如果保持电子秤结构和电压表量程不变,只在电路中增加一个电阻,使电子秤的量程变为0~110 kg,计算说明应使用多大的电阻.如何连接?
【答案】(1) 30Ω (2) 0-90 kg (3)应使用阻值为40Ω 串联在电路中
20.如图所示,甲为电路的连接情况,R1=20 Ω, R2为滑动变阻器,乙为R3的I-U图像,电源电压保持不变。当S1闭合,S2断开时,若滑片P在a端,则电流表示数为0.6 A ;若滑片P在b端,则电压表示数为8 V。求:
(1)电源电压。
(2)滑动变阻器R2的最大阻值。
(3)当S1、S2均闭合,且滑片P在a端时,求电流表的示数。
解:(1)当S1闭合,S2断开,滑片P在a端时,电路中只有R1,可知电源电压:U=I′R1=0.6 A×20 Ω=12 V
(2)当S1闭合,S2断开,滑片P在b端时,R2达到最大,且R1、R2串联,U2=8 V,U1=U-U2=12 V-8 V=4 V
由题意可知I2=I1===0.2 A
所以滑动变阻器R2===40 Ω
(3)当S1、S2均闭合,且滑片P在a端时,R2=0,R1、R3并联,由乙图可知,R3===20 Ω
=+=+=
所以R并=10 Ω
所以此时电流表的示数I并===1.2 A
初中物理人教版九年级全册第十七章 欧姆定律第4节 欧姆定律在串、并联电路中的应用课时训练: 这是一份初中物理人教版九年级全册第十七章 欧姆定律第4节 欧姆定律在串、并联电路中的应用课时训练,共20页。
备战2021中考一轮复习基础知识强化训练——20.5磁生电: 这是一份备战2021中考一轮复习基础知识强化训练——20.5磁生电,共13页。试卷主要包含了导体在磁场里做切割磁感线运动时等内容,欢迎下载使用。
备战2021中考一轮复习基础知识强化训练——16.1电压: 这是一份备战2021中考一轮复习基础知识强化训练——16.1电压,共11页。试卷主要包含了下列说法正确是,下列有关电压的说法中,正确的是,关于电压表使用方法不正确的是,关于电压下列说法错误的是等内容,欢迎下载使用。

