初中人教版第二十章 电与磁综合与测试练习题
展开选择题(每题3分,共30分)
1.初中物理九年级下人教版第20章卷2 如图所示,小磁针静止在螺线管附近,闭合开关S后,下列判断正确的是( )
A.通电螺线管外A点的磁场方向向右
B.通电螺线管的左端为S极
C.小磁针一直保持静止
D.小磁针N极向左转动
【考点】CA:通电螺线管的磁场;C6:磁场.
【难度】中等
【分析】利用安培定则可以确定可以确定螺线管的NS极;利用磁极间的相互作用可确定小磁针的转动方向;
在磁体外部磁感线方向从N极出发,回到S极.
【解答】解:结合图示的线圈绕向,利用安培定则可以确定电流从螺线管的右端为N极,左端为S极,在磁体外部磁感线方向从N极出发,回到S极,故通电螺线管外A点的磁场方向向左,故A错误;B正确;
由磁极间的相互作用可知,小磁针S极向左运动,N极向右运动,故CD错误.
故选B.
【点评】对于通电螺线管的题,知道电流方向、螺线管的磁极、小磁针的磁极中的任意一者,都可以根据磁极间的作用和安培定则判断另外两者.
2.初中物理九年级下人教版第20章卷2 在探究“通电螺线管外部磁场分布”的实验中,开关断开时小磁针甲、乙的指向如图所示,当开关闭合时,通电螺线管有磁性,则下列说法正确的是( )
A.小磁针甲偏转,小磁针乙不偏转
B.小磁针乙偏转,小磁针甲不偏转
C.小磁针甲、乙均偏转
D.滑动变阻器滑片P从右向左滑动时,通电螺线管和磁性逐渐增强
【考点】CA:通电螺线管的磁场.
【难度】中等
【分析】由右手螺旋定则可得出螺线管的磁极,则由磁极间的相互作用可得出小磁针的转动方向;由滑片的移动可知滑动变阻器接入电阻的变化,则由欧姆定律可得出线圈中电流的变化,则可知螺线管磁性的变化.
【解答】解:(1)由图可知电流从左端流向右端,则螺线管中电流应该是从左前方流入,右后方流出,故由右手螺旋定则可知,螺线管右端应为N极;
因同名磁极相互排斥,异名磁极相互吸引,则甲小磁针S将向螺线管靠近,N极远离螺线管,故甲小磁针不转动;小磁针乙沿顺时针方向偏转,故AC错误;B正确.
(2)滑动变阻器滑片P从右向左滑动时,滑动变阻器接入电阻增大,则由欧姆定律可得电路中电流减小,则通电螺线管的磁性将减弱.故D错误.
故选B.
【点评】本题综合了电路知识及磁场的性质,考查了欧姆定律及磁极间的相互作用,是道好题.
3.初中物理九年级下人教版第20章卷2 如图所示,GMR是巨磁电阻,它的阻值随电磁铁磁性的增强而减小.下列判断正确的是( )
A.开关S1闭合,滑片移到某一位置,电磁铁左端为N极
B.开关S1闭合,滑片向右移动,电磁铁磁性增强
C.开关S1和S2同时闭合,滑片向右移动,GMR的电阻变小
D.开关S1和S2同时闭合,滑片向左移动,指示灯变暗
【考点】CA:通电螺线管的磁场;CE:影响电磁铁磁性强弱的因素;IH:欧姆定律的应用.
【难度】中等
【分析】(1)利用安培定则判断电磁铁的磁极;
(2)由滑动变阻器滑片的移动得知电路中电流的变化情况,
通过电路中电流的变化结合电磁铁磁性强弱的决定因素可以确定滑片移动时,其磁性强弱的变化;
(3)根据灯泡的亮度变化,能够确定电路中电流的变化,进而知道巨磁电阻的阻值与磁场强度的关系.
【解答】解:A、由利用安培定则可知,电磁铁的左端为N极、右端为S极,故A正确.
B、开关S1闭合,当滑片P向右滑动时,滑动变阻器连入电路中的电阻变大,电路中的电流变小,通电螺线管的磁性减弱,故B错误.
C、通电螺线管的磁性减弱时,右边电路中的指示灯明显变暗,说明右边电路的电流变小了,巨磁电阻的电阻变大了,即巨磁电阻的阻值随磁场的减弱而增大,故C错误.
D、开关S1和S2同时闭合,滑片向左移动,滑动变阻器连入电路中的电阻变小,电路中的电流变大,通电螺线管的磁性增强,指示灯变亮,故D错误.
故选A.
【点评】在控制电路中,滑片的移动是分析的入手点;在工作电路中,灯泡的亮度是确定电路中电流变化的一个隐含条件.
4.初中物理九年级下人教版第20章卷2 下列措施中能增强通电螺线管磁性的是( )
A.减小螺线管的电流B.减少螺线管的匝数
C.在螺线管内插入铁芯D.改变螺线管的电流方向
【考点】CA:通电螺线管的磁场.
【难度】易
【分析】影响螺线管磁性强弱的因素有:线圈中电流的大小;线圈的匝数;线圈中有无铁芯.并且,电流越大,匝数越多,磁性越强;在电流与匝数相同的情况下,加入铁芯的磁性要比不加入铁芯时的磁性要强.因此要增强螺线管的磁性,就要从以上三个因素入手考虑.
【解答】解:A、在相同条件下,减小螺线管的电流,磁性减弱,不符合题意;
B、在相同条件下,减少螺线管的匝数,磁性减弱,不符合题意;
C、在相同条件下,插入铁芯,磁性增强,符合题意;
D、改变电流的方向,只能改变通电螺线管的磁极,不符合题意.
故选C.
【点评】在明确影响螺线管磁性强弱的因素的基础上,再结合对应的措施来确定答案.
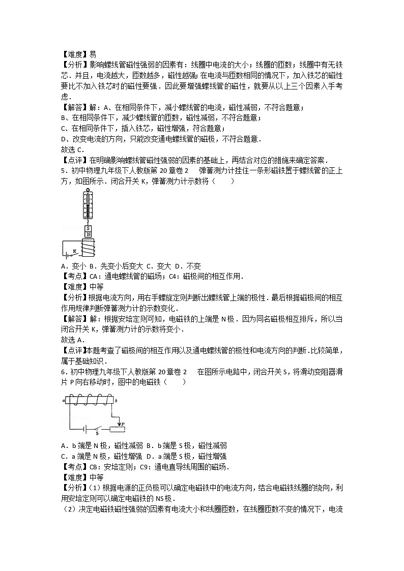
5.初中物理九年级下人教版第20章卷2 弹簧测力计挂住一条形磁铁置于螺线管的正上方,如图所示.闭合开关K,弹簧测力计示数将( )
A.变小B.先变小后变大C.变大D.不变
【考点】CA:通电螺线管的磁场;C4:磁极间的相互作用.
【难度】中等
【分析】根据电流方向,用右手螺旋定则判断出螺线管上端的极性.最后根据磁极间的相互作用规律判断弹簧测力计的示数变化.
【解答】解:根据安培定则可知,电磁铁的上端是N极.因为同名磁极相互排斥,所以当闭合开关K,弹簧测力计的示数将变小.
故选A.
【点评】本题考查了磁极间的相互作用以及通电螺线管的极性和电流方向的判断.比较简单,属于基础知识.
6.初中物理九年级下人教版第20章卷2 在图所示电路中,闭合开关S,将滑动变阻器滑片P向右移动时,图中的电磁铁( )
A.b端是N极,磁性减弱B.b端是S极,磁性减弱
C.a端是N极,磁性增强D.a端是S极,磁性增强
【考点】CB:安培定则;C9:通电直导线周围的磁场.
【难度】中等
【分析】(1)根据电源的正负极可以确定电磁铁中的电流方向,结合电磁铁线圈的绕向,利用安培定则可以确定电磁铁的NS极.
(2)决定电磁铁磁性强弱的因素有电流大小和线圈匝数,在线圈匝数不变的情况下,电流越大磁性越强.当滑片P向左移动时,可以确定电路中的电流大小,从而可以确定电磁铁的磁性强弱.
【解答】解:(1)由于电源的右端为正极,左端为负极,所以电磁铁中电流方向是从右端流入、左端流出.结合线圈绕向利用安培定则可以确定电磁铁的右(b)端为N极,左(a)端为S极.
(2)当滑片P向右滑动时,滑动变阻器接入电路的阻值增大,电路中的电流减小.在线圈匝数和铁芯不变的情况下,电磁铁的磁性减弱.
故选A.
【点评】此题考查了安培定则、电磁铁磁性强弱的决定因素、滑动变阻器的使用.
安培定则共涉及三个方向:电流方向、线圈绕向、磁场方向,告诉其中的两个,可以确定第三个.此题就是告诉了电流方向和线圈绕向让确定磁场方向.
7.初中物理九年级下人教版第20章卷2 如图所示,闭合开关,滑片P向右移动,则螺线管( )
A.左端为N级,磁性增强B.左端为N级,磁性减弱
C.左端为S级,磁性减弱D.左端为S级,磁性增强
【考点】CB:安培定则;CV:通电螺线管的极性和电流方向的判断.
【难度】中等
【分析】(1)根据安培定则判断螺线管的NS极.
(2)通电螺线管磁性的强弱与电流的大小有关,电流越大,磁性越强.
【解答】解:(1)伸出右手握住螺线管,四指弯曲指示电流的方向,大拇指所指的方向为通电螺线管的N极,因此螺线管右端为N极,左端为S极;
(2)滑动变阻器滑片向右移动时,滑动变阻器接入电路中的电阻变小,电流变大,因此通电螺线管的磁性增强.
综上分析,选项D正确,ABC错误.
故选D.
【点评】本题考查通电螺旋管的极性、磁性强弱的判断,要知道安培定则不但可以判出螺线管的磁极,也能根据磁极判出电流方向.
8.初中物理九年级下人教版第20章卷2 我国未来的航母将采用自行研制的电磁弹射器,如图所示,电磁弹射器的弹射车与飞机前轮连接,并处于强磁场中,当弹射车内的导体通以强电流时,即可受到强大的推力,下列实验中,与电磁弹射器工作原理一致的是( )
A.B.C.D.
【考点】CJ:磁场对通电导线的作用.
【难度】易
【分析】根据通电导体在磁场中受到磁场力的作用分析解答.
【解答】解:由题意可知,电磁弹射器的弹射车与飞机前轮连接,并处于强磁场中,当弹射车内的导体通以强电流时,即可受到强大的推力,由此可知其原理是通电导体在磁场中受力而运动.
A、该实验为奥斯特实验,说明了电流周围存在着磁场,故A错误;
B、图中有电源,通电导体棒在磁场中受力而运动,即与电动机的原理相同,故B正确;
CD、两图中均没有电源,闭合电路的部分导体在磁场中做切割磁感线运动,产生感应电流,它们均为电磁感应实验,故CD错误.
故选:B.
【点评】对于电磁学中的电流磁效应、磁场对通电导体有力的作用、电磁感应实验区分要注意条件.
9.初中物理九年级下人教版第20章卷2 现代武器中有一种新型电磁炮,它是利用电磁技术制成的一种先进武器,具有速度快,命中率高等特点,其原理是利用磁场对通电导体的作用.如图中与此工作原理相同的是( )
A.B.C.D.
【考点】CJ:磁场对通电导线的作用.
【难度】1易
【分析】明确通电导体在磁场中受力的作用这一原理,主要应用于电动机.对选项中各电器的工作原理进行分析,最后做出判断.
【解答】解:
A、电热水壶利用了电流的热效应工作的,故A不符合题意;
B、图中实验装置,有电源,研究通电导体在磁场中受力,故B符合题意;
C、图中实验装置,无电源,研究电磁感应现象,故C不符合题意;
D、电磁继电器的主要部件是电磁铁,是利用了电流的磁效应,故D不符合题意.
故选B.
【点评】磁场对通电导体有力的作用,人类根据这一原理制造了电动机,而电动机在生活中应用广泛.注意与其它电器元件的区分.
10.初中物理九年级下人教版第20章卷2 如图,下列关于电磁现象的表述不正确的是( )
A.甲图闭合开关,线圈转动,说明磁场对电流有力的作用
B.乙图给导线通电,导线附近磁针发生偏转,说明电流周围存在磁场
C.丙图闭合电路的部分导体ab在磁场中上下运动,灵敏电流计指针一定会偏转
D.丁图用橡胶棒接触验电器金属球,金属箔片张开,说明橡胶棒带电
【考点】CJ:磁场对通电导线的作用;C9:通电直导线周围的磁场;CP:电磁感应;HA:验电器的原理及使用.
【难度】易
【分析】(1)据试验表明,通电导线在磁场中受力的作用;
(2)奥斯特首先发现了电流的周围存在磁场;
(3)闭合电路的一部分导体在磁场中做切割磁感线运动时,导体中会产生感应电流;
(4)验电器是利用同种电荷相斥的原理制成的.
【解答】解:
A、当闭合开关后,线圈转动,说明磁场对电流有力的作用,故A正确;
B、给导线通电,导线附近的磁针发生偏转,说明电流周围存在磁场,故B正确;
C、闭合电路的一部分导体在磁场中做切割磁感线运动时,导体中会产生感应电流,导体ab在磁场中上下运动,不能产生感应电流,灵敏电流计指针不会偏转,故C错误;
D、同种电荷相互排斥,用橡胶棒接触验电器的金属球,金属箔片张开,说明橡胶棒电,故D正确.
故选C.
【点评】本题考查了电流的磁效应、产生感应电流的条件、验电器的原理、通电导线周围有磁场,知识点较多.
填空题(每空 2 分,共 42 分)
11.初中物理九年级下人教版第20章卷2 如甲乙两图所示,能说明电动机工作原理的是图 .发电机是根据 现象制成的.如图丙所示,在电磁铁正上方用弹簧挂着条形磁铁,当开关S闭合后,在滑片P由b端向a端滑动过程中,会出现的现象是小灯泡亮度 (选填“增强”或“减弱”),弹簧长度 (选填“变长”或“缩短”).
【考点】CE:影响电磁铁磁性强弱的因素;CM:直流电动机的原理;CS:发电机的构造和原理.
【难度】易
【分析】(1)电动机是根据通电导体在磁场中受力的原理制成的,发电机是根据电磁感应原理制成的;
(2)根据滑动变阻器的变化,可判断电流大小的变化,知道电流越大,螺线管的磁性越强.
先根据电流的方向,利用安培定则可判断螺线管的极性,再根据磁极间的相互作用可判断与条形磁体的作用力,进而判断弹簧长度的变化.
【解答】解:(1)电动机是根据通电导体在磁场中受力的原理制成的,电路中有电源,故应为图乙;发电机是根据电磁感应原理制成的,电路中无电源,为图甲;
(2)读图可知,当滑片P从b端到a端滑动过程中,变阻器的阻值变小,电路中的电流变大,因此,电磁铁的磁性变强;
电流从螺线管的下端流入,上端流出,右手握住螺线管,使四指指向电流方向,则螺线管的上端为N极.根据异名磁极相互吸引可知,条形磁铁与电磁铁的相互作用为吸引,
当电磁铁的磁性变强时,吸引力变大,则弹簧长度变长.
故答案为:乙;电磁感应;增强;变长.
【点评】本题考查了电动机和发电机的原理,同时还将通电螺线管的判断、磁极间的相互作用、电路的动态变化进行了有机的结合,难度虽然不大,但环环相扣,应细心作答,才不会颠倒出错.
12.初中物理九年级下人教版第20章卷2 如图所示为电话机原理图,当人对着话筒说话时,如果滑动变阻器的滑片向右移动,则听筒电磁铁磁性将 (选填“变强”、“变弱”或“不变”),通过导体AB的电流方向为 (选填“A到B”或“B到A”).
【考点】CE:影响电磁铁磁性强弱的因素;HE:电流的方向.
【难度】中等
【分析】(1)影响电磁铁磁性强弱的因素:电流的大小,线圈的匝数.滑动变阻器滑片移动,如何引起电流变化,从而引起的电磁铁磁性强弱的变化.
(2)在电源外部,电流从电源正极出来,经过开关、用电器回到负极.
【解答】解:
(1)当滑动变阻器的滑片向右滑动时,滑动变阻器接入电路电阻变小,电路中电流变大,电磁铁的磁性变强;
(2)由图可知,通过导体AB的电流方向为从A到B.
故答案为:变强;A到B.
【点评】本题考查了理解影响电磁铁性强弱的因素和电流的方向,属于基础题目.
13.初中物理九年级下人教版第20章卷2 下水井盖的丢失给人们出行带来了安全隐患.为提示路人注意安全,小明设计了如图所示的电路,电路中利用一元硬币代替铁质井盖是因为两者都属于 (填“绝缘体”或“导体”).当井盖丢失时,灯泡发光报警;当电磁铁的线圈中有电流通过时,继电器的动触点与 (填“上”或“下”)静触点接触,电磁铁的上端是 极.
【考点】CF:电磁继电器的组成、原理和特点.
【难度】易
【分析】常见的导体包括:人体、大地、各种金属、酸碱盐的溶液等;
由题干中“当环境温度超过某一值时,继电器的下触点接触,上触点分离,灯泡不发光,表明没有危险,判断出指示灯的连接情况;
由线圈中的电流方向,根据安培定则判断出电磁铁的NS极.
【解答】解:电路中利用一元硬币代替铁质井盖是因为两者都是用来导电的,都属于导体;
当井盖丢失时,灯泡发光报警,当电磁铁的线圈中有电流通过时,继电器的动触点与下触点接触,灯泡不发光,表明没有危险;
由安培定则可判断出线圈的上端的极性是N极;
故答案为:导体;下;N.
【点评】本题既考查电磁继电器原理的分析,综合性比较强,解题时要仔细分析.
14.初中物理九年级下人教版第20章卷2 如图所示为一种温度自动报警器的原理图,图中的水银温度计在制作时,玻璃管中封入一段金属丝,电源的两极分别与水银和金属丝相连,当温度达到金属丝下端所指的温度时,电流通过电磁铁的线圈产生 ,电铃响起,发出报警信号,电磁铁的a端为 极,若将温度计上端的金属丝向下调整,则报警温度将 (选填“升高”或“降低”).
【考点】CI:电磁铁的其他应用.
【难度】中等
【分析】温度自动报警器是由于温度计所在的环境温度的变化导致了控制电路的接通,从而实现了自动控制.
电磁铁的N、S极可以利用安培定则来确定;将金属丝向下调整,报警温度降低.
【解答】解:温度自动报警器的工作过程是这样的,当温度升高时,玻璃泡中的液体膨胀,液注上升,当升高到警戒温度即金属丝下端对应的温度时,控制电路接通,电磁铁有磁性,吸引衔铁,从而使工作电路接通报警.要使金属丝的下端向下调整,则报警温度会降低;
由电路可知电磁铁中的电流是从左端流入,右端流出,利用安培定则可以确定,电磁铁的a端为S极.
故答案为:磁性,吸引衔铁;S;降低.
【点评】本题考查了电磁铁在电磁继电器上的应用,电磁继电器实质上是一个由电磁铁来控制的自动开关,解题时结合电磁继电器的原理进行分析.
15.初中物理九年级下人教版第20章卷2 如图所示,通电线圈在磁场中发生扭转,说明 对通电导线有力的作用.利用这个原理可以制作 (填“电动机”或“发电机”).
【考点】CJ:磁场对通电导线的作用.
【难度】中等
【分析】根据磁场对电流的作用分析解答;将电能转化为机械能的机械为电动机.
【解答】解:通电线圈中有电流,在磁场中发生扭转,表明导体在磁场中受到了力的作用;电动机的工作特点是先通电然后线圈转动,所以可知电动机就是根据这一原理制成的.
故答案为:磁场;电动机.
【点评】电动机的原理和发电机的原理是历年考试中经常出现的考点.试题一般多以选择题出现,通常是电动机和发电机在一个题中出现.注意这两个原理的区别.简单理解就是电动机是先电后动,发电机是先动后电.
16.初中物理九年级下人教版第20章卷2 爱动手的小燕从易拉罐剪下一铝条,如图所示,在铝条两端重叠处用图钉从环外扎透,钉尖放在电池的正极上面,电池负极下面吸附一块圆柱形的强磁铁,铝环的侧边与磁铁的柱面相接触时,发现铝环以图钉尖为轴心不停地转动,请说出铝环转动的原因 ,发电机,电动机,内燃机中,工作原理与此相同的是 .
【考点】CJ:磁场对通电导线的作用;CM:直流电动机的原理.
【难度】易
【分析】利用通电导体在磁场中受力运动的原理分析解答,电动机是利用通电导体在磁场中受力运动原理制成的.
【解答】解:当铝环的侧边与磁铁的柱面相接触时,铝环中有电流通过,成为通电导体,发现铝环以图钉尖为轴心不停地转动,说明通电导体在磁场中受到磁场力的作用,电动机就是根据此原理制成的.
故答案为:通电铝环在磁场中受力而转动;电动机.
【点评】此题主要考查学生对于通电导体在磁场中受到磁场力的作用实验的理解和掌握,一定要熟悉,中考中常考.
17.初中物理九年级下人教版第20章卷2 微风吊扇通电后扇叶转动,使微风吊扇转动的工作原理是 .拔下插头,在插头处接发光二极管,用手旋转叶片,发光二极管发光,这是 现象,人们利用这一原理制成了 .
【考点】CN:直流电动机的构造和工作过程;CP:电磁感应.
【难度】中等
【分析】(1)电动机是利用通电线圈在磁场中受力的作用的原理制成的;
(2)闭合电路的部分导体在磁场中做切割磁感线运动时,电路中就会产生电流,该现象称为电磁感应现象,发电机就是利用该现场制成的.
【解答】解:微风吊扇通电后扇叶转动,使微风吊扇转动是其内部电动机利用通电线圈在磁场中受力的作用的原理工作的;拔下插头,在插头处接发光二极管,用手旋转叶片,发光二极管发光,这是由于线圈在磁场中做切割磁感线运动造成的,即电磁感应现象,人们利用这一原理制成了发电机.
故答案为:通电线圈在磁场中受力转动;电磁感应;发电机;
【点评】发电机主要是由线圈和磁体组成的.电动机的主要组成部分也是线圈和磁体.它们的工作原理不同,工作时的能量转换不同.
18.初中物理九年级下人教版第20章卷2 如图所示的闭合电路中,铜棒ab静止.当蹄形磁铁竖直向上运动时,灵敏电流表的指针 (选填“会”或“不会”)偏转;让铜棒ab水平向右缓慢运动时,灵敏电流表的指针偏转的角度较小;快速运动时,指针偏转的角度较大.这说明感应电流的大小与 有关. (选填“动圈式话筒”或“动圈式扬声器”)是应用电磁感应原理制成的.
【考点】CP:电磁感应.
【难度】易
【分析】要解决此题,需要掌握电磁感应现象的概念,知道发电机是根据电磁感应原理制成的,动圈式话筒也是利用的电磁感应现象.
产生感应电流的条件:闭合电路的部分导体在磁场中做切割磁感线运动.
同时要知道产生感应电流的方向与磁场方向和导体的运动方向有关.
【解答】解:(1)让导体棒ab沿竖直方向上下运动时,导体的运动方向与磁感线方向平行,不切割磁感线,所以电路中没有感应电流产生;
(2)ab切割磁感线的速度慢时,电流计的指针偏转角度较小;当ab快速运动时,电流计的偏转角度变大,这说明电路中的电流变大,所以可以看出感应电流的大小与导体切割磁感线的速度有关.
动圈式话筒就是因为声音的振动使话筒的膜片振动,带动线圈运动而切割磁感线,产生与振动相应的电流,然后再通过扬声器还原成声音.是根据电磁感应原理工作的.
动圈式扬声器是因为线圈中通过变化的电流,从而使它受磁场的力忽大忽小,所以引起膜片的振动,而产生声音,它是利用电流在磁场中受力的原理工作的.
故答案为:不会;导体切割磁感线的速度;动圈式话筒.
【点评】此题主要探究电磁感应实验.首先要掌握电磁感应现象的概念,掌握产生感应电流的条件,考查了学生根据实验现象得出结论的能力.同时考查了电动机的制作原理.特别是动圈式话筒和动圈式扬声器,要正确区分必须了解它们的工作过程,话筒将振动转化成变化的电流;扬声器将变化的电流转化成振动.
作图题(每题6分,共12分)
19.初中物理九年级下人教版第20章卷2 如图所示,开关闭合后,位于螺线管附近的小磁针N极指向下,请在螺线管上画出导线的绕向.
【考点】CA:通电螺线管的磁场.
【难度】中等
【分析】(1)根据同名磁极相互排斥,异名磁极相互吸引,判断螺线管的磁极.
(2)根据安培定则绕出螺线管的绕法.
【解答】解:(1)根据同名磁极相互排斥,异名磁极相互吸引,可以判断螺线管的上端是N极,下端是S极.
(2)用右手握住螺线管,大拇指指向N极,四指就是电流方向,可以判断电流从螺线管的上端流入.如图:
【点评】知道螺线管的电流方向、磁极、小磁针的磁极、磁感线中的任意一者,都可以根据磁极间的作用和安培定则判断.
20.初中物理九年级下人教版第20章卷2 如图所示,请将螺线管、滑动变阻器接入电路中,使开关闭合后,螺线管与
条形磁铁相互排斥,滑动变阻器滑片P向右移动会使斥力增大.
【考点】CA:通电螺线管的磁场;IH:欧姆定律的应用.
【难度】中等
【分析】(1)磁极间相互作用规律:同名磁极相互排斥、异名磁极相互吸引;
(2)电磁铁中电流越大,磁性越强.
【解答】解:开关闭合后,螺线管与条形磁铁相互排斥,应使电磁铁左侧为S极,由安培定则可知:螺线管中电流方向从左边流入;滑动变阻器滑片P向右移动会使斥力增大,说明滑动变阻器接入电路的阻值减小,因此需将滑动变阻器右侧下接线柱连入电路.如图所示:
【点评】本题考查了磁极间相互作用规律、影响电磁铁磁性强弱的因素和安培定则的使用,综合性较强.
四、实验探究题(每题8分,共8分)
21.初中物理九年级下人教版第20章卷2 为探究“影响电磁铁磁性强弱的因素”,小明用电池(电压一定)、滑动变阻器、数量较多的大头针、铁钉以及较长导线为主要器材,进行如图所示的简易实验.
(1)他将导线绕在铁钉上制成简易电磁铁,并巧妙地通过 来显示电磁铁磁性的强弱,下面的实验也用这种方法的是 .
A、认识电压时,我们可以用水压来类比
B、用光线来描述光通过的路径
C、把敲响的音叉接触水面,看有没有溅起水花,来判断音叉有没有振动
D、用斜面小车研究阻力对物体运动的影响
(2) 连接好电路,使变阻器连入电路的阻值较大,闭合开关,观察到如图甲所示的情景:接着,移动变阻器滑片,使其连入电路的阻值变小,观察到图乙所示的情景,比较图甲和乙,可知 图中的电流较小,从而发现,通过电磁铁的电流越 (选填“大”或“小”)磁性越强.
【考点】CC:探究影响电磁铁磁性强弱的因素的实验.
【难度】中等
【分析】(1)要掌握转换法.知道电磁铁的磁性强弱是通过吸引大头针的多少来体现的;
(2)电磁铁的磁性强弱与电流大小和线圈匝数有关,根据控制变量法,若要探究磁性强弱与电流大小的关系,需要保持线圈匝数不变.
【解答】解:
(1)电磁铁磁性强弱通过比较电磁铁吸引大头针的多少来反映,电磁铁吸引的大头针越多,电磁铁磁性越强;此实验运用的是转换法;
把敲响的音叉接触水面,看有没有溅起水花,来判断音叉有没有振动,把音叉的振动通过水花来体现,运用了转化法;
水平面越光滑,小车所受阻力越小,运动距离越远,如果小车不受力,小车将做匀速直线运动;本实验用到了实验推理的研究方法.
故选:C;
(2)乙的滑动变阻器电阻小于甲的电阻,所以乙中通过线圈的电流大于甲中的电流,从图上可以看出,乙吸引的大头针较多,说明乙的磁性较强.
故答案为:
(1)吸起大头针的多少;C;
(2)甲;大.
【点评】此题是探究影响电磁铁磁性强弱的因素实验,实验中应用了转换法,利用电磁铁吸引大头针的多少来判断电磁铁磁性的强弱;同时应用了控制变量法,要知道电磁铁的磁性强弱与电流的大小和线圈匝数有关,要研究电磁铁磁性与其中一个量的关系,需要控制另一个量.
五、简答题(每题8分,共8分)
22.初中物理九年级下人教版第20章卷2 随州某初中学校物理小组帮地理老师解决了一个难题,地球仪缺乏地磁仿真功能,物理小组在地球仪内部“暗藏机关”.如图,一节电池,一个开关,一个供绕线的纸筒,一段电阻丝.画出几匝绕线,在纸筒两端标上磁极,并在地球仪外部画一条磁感线.
【考点】CA:通电螺线管的磁场.
【难度】中等
【分析】由地理的南北极可知螺线管的磁极,则由右手螺旋定则根据电流方向可知螺线管的绕向,由磁感线的特点可知磁感线的方向.
【解答】解:地磁南极在地理北极附近,地磁北极在地理南极附近.由此可是螺线管的上端为S极,下端为N极,
由右手螺旋定则根据电流方向可知螺线管的绕向,由磁感线的特点可知磁感线的方向,如图所示:
【点评】当已知电流方向、线圈的绕向时可以利用右手螺旋定则判断磁场方向,若已知磁极和电流方向也可以用右手螺旋定则判断线圈的绕向.同时考查了学生对地磁场的认识.
初中物理粤沪九年级下单元测试卷-第二十章章末2: 这是一份初中物理粤沪九年级下单元测试卷-第二十章章末2,共12页。
初中物理人教九年级下单元测试卷-第二十章章末2: 这是一份初中物理人教九年级下单元测试卷-第二十章章末2,共13页。
初中物理人教版九年级全册第二十二章 能源与可持续发展综合与测试练习: 这是一份初中物理人教版九年级全册第二十二章 能源与可持续发展综合与测试练习,共13页。

