- 中考物理实验专题实验十四、探究影响浮力大小的因素实验 试卷 12 次下载
- 中考物理实验专题实验十五 探究杠杆平衡条件的实验 试卷 14 次下载
- 中考物理实验专题实验十七、探究决定动能大小的因素实验 试卷 12 次下载
- 中考物理实验专题实验十八、探究电阻大小的影响因素的实验 试卷 15 次下载
- 中考物理实验专题实验十九、探究电流与电压的关系实验 试卷 14 次下载
中考物理实验专题实验十六、测定滑轮组的机械效率实验
展开实验十六、测定滑轮组的机械效率实验
【实验目的】:
会测量滑轮组的机械效率。
【实验原理】:
【待测数据】:
物重G、拉力F、重物上升的距离h、弹簧测力计移动的距离S
【实验器材】:
钩码、滑轮组、铁架台、细线、弹簧测力计、刻度尺。
【实验步骤】:
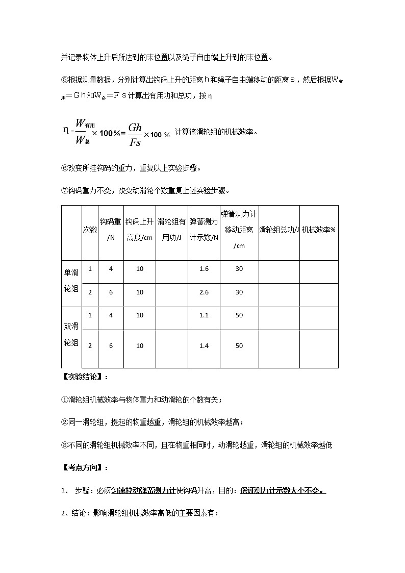
①用所给器材组装如图1所示滑轮组。
②将钩码挂在滑轮组下方,记录下所挂钩码的重力,用弹簧测力计竖直拉住绳子自由端。
③将刻度尺放在如图所示的位置,分别记录下钩码和绳子自由端的起始位置。
④用弹簧测力计匀速拉动绳子自由端,使物体匀速上升一段距离,记录弹簧测力计的读数,并记录物体上升后所达到的末位置以及绳子自由端上升到的末位置。
⑤根据测量数据,分别计算出钩码上升的距离h和绳子自由端移动的距离s,然后根据W有用=Gh和W总=Fs计算出有用功和总功,按η
计算该滑轮组的机械效率。
⑥改变所挂钩码的重力,重复以上实验步骤。
⑦钩码重力不变,改变动滑轮个数重复上述实验步骤。
| 次数 | 钩码重/N | 钩码上升高度/cm | 滑轮组有用功/J | 弹簧测力计示数/N | 弹簧测力计移动距离/cm | 滑轮组总功/J | 机械效率% |
单滑轮组 | 1 | 4 | 10 |
| 1.6 | 30 |
|
|
2 | 6 | 10 |
| 2.6 | 30 |
|
| |
双滑轮组 | 1 | 4 | 10 |
| 1.1 | 50 |
|
|
2 | 6 | 10 |
| 1.4 | 50 |
|
|
【实验结论】:
①滑轮组机械效率与物体重力和动滑轮的个数有关;
②同一滑轮组,提起的物重越重,滑轮组的机械效率越高;
③不同的滑轮组机械效率不同,且在物重相同时,动滑轮越重,滑轮组的机械效率越低
【考点方向】:
1、 步骤:必须匀速拉动弹簧测力计使钩码升高,目的:保证测力计示数大小不变。
2、结论:影响滑轮组机械效率高低的主要因素有:
A动滑轮越重,个数越多则额外功相对就多。
B提升重物越重,做的有用功相对就多。
C 摩擦,若各种摩擦越大做的额外功就多。
3、同一滑轮组: 绕线方法和重物提升高度不影响滑轮机械效率。
4、测量机械效率时为什么不能使弹簧测力计静止?机械效率会怎样?
答:当弹簧测力计静止时,绳子和滑轮之间没有摩擦力,拉力示数会变小,用
功在总功中占的比例增大,滑轮组的机械效率偏大。
5、实验中改变钩码的数量,改变动滑轮的个数进行多次实验的目的是什么?
答:改变钩码个数、改变动滑轮的个数从而获得多组数据,这样可以避免一组数据的偶然性,更能得出普遍性规律。
6、通过该实验我们可以得知:增大物重或减少动滑轮的重力可以提高滑轮组的机械效率。
【经典例题】
【母题】:下面是小明和小红的“测量滑轮组的机械效率”实验报告,
实验名称:测量滑轮组的机械效率
实验步骤:
(1)观察弹簧测力计的量程、零刻度线和 。
(2)如图1所示,测量物体G所受的重力为 。
(3)如图2所示,实验过程中, 拉动弹簧测力计并读出拉力F的数值,用 测出的物体G上升的高度h和弹簧测力计移动的距离s,将数据填入表格。根据表格中的数据,可以知道他们选用的滑轮组是 (选填甲”或“乙”)
(4)仅改变重物G上升的高度,重复上面的实验,记录并计算实验数据实验记录:
实验次数 | 物体重量G/N | 物体上升高度h/cm | 拉力F/N | 弹簧测力计移机动的距离s/cm | 机械效率η |
1 |
| 5.00 | 1.80 | 15.00 | 85.2% |
2 | 8.00 | 1.77 | 24.00 | 86.6% | |
3 | 10.00 | 1.75 | 30.00 | 87.6% |
实验结论:滑轮组的机械效率与所提升物体的高度有关。
实验讨论与交流
①小明和小红的实验结论: (选填“科学”或“不科学”);
请说明你的理由 。
②小明认为提升的物重会影响该滑轮组的机械效率,建议进一步探究:改变 ,重复实验(3)步骤,计算出机械效率进行比较分析。
(5)小明在实验探究过程中,改变不同的物理量,得出多组数据的目的是 。
【答案】
(1)分度值;(2)4.6N;(3)匀速;刻度尺;乙;(4)①不科学;根据η=×100%,滑轮组的机械效率与所提升物体的高度无关;②提升物体的重力。(5)避免实验偶然性,使结论更具普遍性。

