中考物理实验专题实验十九、探究电流与电压的关系实验
展开实验十九、探究电流与电压的关系实验
【实验目的】:
探究导体电流与电压的关系
【实验器材】:
若干节干电池、开关、电压表、电流表、两个不同导体、若干导线等。
【实验电路】:
【实验步骤】:
①按图连好电路,注意连接时开关要断开,开关闭合之前要把滑动变阻器调到阻值最大处,实物图如下所示。
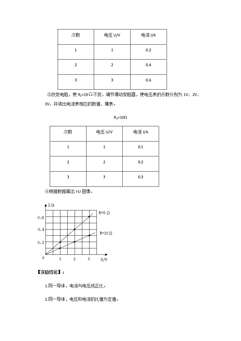
②保持电阻R1=5不变,检查电路后闭合开关,调节滑动变阻器,使电压表的示数分别为1V、2V、3V,并读出电流表相应的数值、填表。
R1=5Ω
次数 | 电压U/V | 电流I/A |
1 | 1 | 0.2 |
2 | 2 | 0.4 |
3 | 3 | 0.6 |
③改变电阻,使R2=10不变,调节滑动变阻器,使电压表的示数分别为1V、2V、3V,并读出电流表相应的数值、填表。
R2=10Ω
次数 | 电压U/V | 电流I/A |
1 | 1 | 0.1 |
2 | 2 | 0.2 |
3 | 3 | 0.3 |
④根据数据画出I-U图像。
【实验结论】:
1.同一导体,电流与电压成正比。
2.同一导体,电压和电流的比值为定值。
3.不同导体,电压和电流的比值不同。
【考点方向】:
1、该实验采用的研究方法是:控制变量法。即:保持电阻不变,改变电压研究电流随电压的变化关系;
2、电路在连接过程中,开关要 断开 ,
3、实验结论:在电阻一定的情况下,导体中的电流与导体两端的电压成正比;
4、电路连接注意事项:开关断开,滑动变阻器滑片移至阻值最大处。
5、在移动滑片时,发现电压表和电流表的示数始终没有任何变化,
其原因是: 在连接滑动变阻器时没有按照一上一下的原则连接 。
6、检查电路时发现电压表、电流表位置互换了,电流表几乎无示数,电压表接近电源电压。
7、电表异常偏转原因:①指针反向偏转,原因是正负接线柱接反;②正向偏转幅度过小,原因是量程选择过大;③正向偏转幅度过大超过最大刻度,原因是量程选择过小。
8、滑动变阻器的作用:①保护电路;②改变电阻两端电压。
9、调节滑动变阻器不能使电压达到指定示数的原因是:滑动变阻器的最大阻值过小。
10、换不同规格的电阻多次测量的目的是:得出普遍规律,避免实验的偶然性。
11、此实验不能用灯泡代替电阻进行探究的原因:灯丝的电阻随温度的升高而增大。
12、若使用灯泡代替电阻,那么在画出的I-U图像中,其图像是一条 曲 线。
13、考虑到电压表的电阻对电路的影响,每次电流表的示数比测量时通过待测电阻的实际电流_偏大_(选填“偏大”或“偏小”)。
【创新母题】:如图所示,在“探究通过导体的电流与导体两端的电压的关系”实验中,某小组选用两节新干电池为电源,规格为“20Ω 1A”的滑动变阻器等器材进行实验:
(1)请根据图甲的实物图将图乙的电路图补充完整;
(2)连接电路时开关应该 。闭合开关,发现电压表无示数,电流表有示数但没超出量程,则产生故障的原因可能是导体电阻 (选填“断路”或“短路”);
(3)排除故障后,闭合开关,移动滑动变阻器的滑片,若电流表的示数如图丙所示,其读数为 A;
(4)改变滑动变阻器滑片的位置,测得多组对应的电压、电流值,如下表所示,由测得数据可知,当电阻一定时, ,导体电阻为 Ω(结果保留一位小数):
(5)上述步骤中,改变滑动变阻器的位置,测得多组数据目的是: 。有人认为这样操作仍然有不足之处,请你指出来: 。
(6)进行实验时,该小组发现:调节滑动变阻器无法使电压表示数为0.5V,为了解决这个问题,可采取的方法是 (写出一种即可)。
(7)若将定值电阻替换成小灯泡,你认为 (选填“能”或“否”)得出(4)中的结论,其理由是: 。
【答案】:
(1)如下图;(2)断开;短路;(3)0.3;(4)导体中的电流与电压成正比;5.0;
(5)避免实验的偶然性,获得普遍规律;可以多次更换定值电阻,每次都移动滑片从而测出几组不同的数据。
(6)减小电源电压;串联一个电阻;换用最大阻值更大的滑动变阻器等;
(7)不能;因为小灯泡的电阻会受温度的影响,不能控制电阻一定。
;

