所属成套资源:人教版九年级化学下册 同步测试+实验专题测试(含答案)
初中化学人教版九年级下册第十单元 酸和碱综合与测试精品当堂检测题
展开
这是一份初中化学人教版九年级下册第十单元 酸和碱综合与测试精品当堂检测题,共1页。
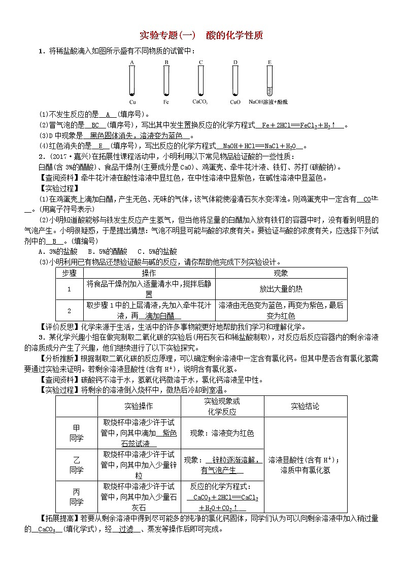
1.将稀盐酸滴入如图所示盛有不同物质的试管中:
(1)不发生反应的是__A__(填序号)。
(2)冒气泡的是__BC__(填序号),写出其中发生置换反应的化学方程式__Fe+2HCl===FeCl2+H2↑__。
(3)D中现象是__黑色固体消失,溶液变为蓝色__。
(4)红色消失的是__E__(填序号),写出反应的化学方程式__NaOH+HCl===NaCl+H2O__。
2.(2017·嘉兴)在拓展性课程活动中,小明利用以下常见物品验证酸的一些性质:
白醋(含3%的醋酸)、食品干燥剂(主要成分是CaO)、鸡蛋壳、牵牛花汁液、铁钉、苏打(碳酸钠)。
【查阅资料】牵牛花汁液在酸性溶液中显红色,在中性溶液中显紫色,在碱性溶液中显蓝色。
【实验过程】
(1)在鸡蛋壳上滴加白醋,产生无色、无味的气体,该气体能使澄清石灰水变浑浊。则鸡蛋壳中一定含有__COeq \\al(2-,3)__。(用离子符号表示)
(2)小明知道酸能够与铁发生反应产生氢气,但当他将足量的白醋加入放有铁钉的容器中时,没有看到明显的气泡产生。小明很疑惑,于是提出猜想:气泡不明显可能与酸的浓度有关。要验证与酸的浓度有关,应选择下列试剂中的__B__。(填编号)
A.3%的盐酸 B.5%的醋酸 C.5%的盐酸
(3)小明利用已有物品还想验证酸与碱的反应,请你帮助他完成下列实验设计。
【评价反思】化学来源于生活,生活中的许多事物能更好地帮助我们学习和理解化学。
3.某化学兴趣小组在做完制取二氧化碳的实验后(用石灰石和稀盐酸制取),对反应后反应容器内的剩余溶液的溶质成分产生了兴趣,他们继续进行了以下实验探究。
【分析推断】根据制取二氧化碳的反应原理,可以确定剩余溶液中一定含有氯化钙。但其中是否含有氯化氢需要通过实验来证明。若剩余溶液显酸性(含有H+),说明含有氯化氢。
【查阅资料】碳酸钙不溶于水,氢氧化钙微溶于水,氯化钙溶液呈中性。
【实验过程】将剩余的溶液倒入烧杯中,微热后冷却到室温。
【拓展提高】若要从剩余溶液中得到尽可能多的纯净的氯化钙固体,同学们认为可以向剩余溶液中加入稍过量的__CaCO3__(填化学式),经__过滤__、蒸发等操作后即可完成。步骤
操作
现象
1
将食品干燥剂加入适量清水中,搅拌后静置
放出大量的热
2
取步骤1中的上层清液,先加入牵牛花汁液,再__滴加白醋__
溶液由无色变为蓝色,再变为紫色,最后变为红色
实验操作
实验现象或
化学反应
实验结论
甲
同学
取烧杯中溶液少许于试管中,向其中滴加__紫色石蕊试液__
现象:溶液变为红色
溶液显酸性(含有H+);溶质中有氯化氢
乙
同学
取烧杯中溶液少许于试管中,向其中加入少量锌粒
现象:__锌粒逐渐溶解,有气泡产生__
丙
同学
取烧杯中溶液少许于试管中,向其中加入少量石灰石
反应的化学方程式:__CaCO3+2HCl===CaCl2+H2O+CO2↑__
相关试卷
这是一份初中化学人教版九年级下册实验活动6 酸、碱的化学性质同步达标检测题,文件包含精品解析人教版九年级下册化学同步课时练习第十单元酸和碱实验活动6酸碱的化学性质原卷版doc、精品解析人教版九年级下册化学同步课时练习第十单元酸和碱实验活动6酸碱的化学性质解析版doc等2份试卷配套教学资源,其中试卷共9页, 欢迎下载使用。
这是一份初中化学人教版九年级下册实验活动6 酸、碱的化学性质测试题,共6页。试卷主要包含了选择题,非选择题等内容,欢迎下载使用。
这是一份初中化学人教版九年级下册第十单元 酸和碱实验活动6 酸、碱的化学性质精品课后测评,共3页。

