【化学】湖北省荆州中学2018-2019学年高二上学期第六次双周考 试卷
展开湖北省荆州中学2018-2019学年高二上学期第六次双周考
可能用到的相对原子质量:H 1 C 12 N 14 O 16 Na 23 2 Cl 35.5 Ag108 I 127
一、选择题(共16小题,每小题3分,共48分。每题只有一个选项符合题意。)
1.下列化学用语正确的是( )
A.H2SO3的电离方程式:H2SO32H++SO32-
B.NaHSO4在水溶液中的电离方程式: NaHSO4= Na++H++SO42-
C.Na2CO3的水解∶CO32-+2H2OH2CO3+2OH-
D.NH4Cl的水解:NH4++H2O = NH3·H2O+H+
2.NA为阿伏加德罗常数的值,下列说法正确的是( )
A.25℃时,1 L pH=1的HCl溶液中,由水电离的H+的个数为0.1NA
B.25℃时,1L浓度为0.1 mol·L-1 NaHCO3溶液中含有HCO3-数小于0.1NA
C.标准状况下,NA个HF分子所占有的体积约为22.4 L
D.1 mol (NH4)2Fe(SO4)2·6H2O晶体溶于水后含有的离子总数为5NA
3.下列表述中与盐类水解有关的是( )
①明矾和氯化铁溶液可以净水;②为保存氯化铁溶液,要在溶液中加入少量的盐酸;③0.1mol/L的NH4Cl溶液pH=5;④实验室盛放氢氧化钠溶液的试剂瓶用胶塞不能用玻璃塞;⑤NH4Cl溶液可做焊接金属的除锈剂;⑥用碳酸氢钠和硫酸铝两溶液可做泡沫灭火剂;⑦草木灰和铵态氮肥不能混施
A.①②③⑤⑥⑦ B.①③④⑤⑥ C.①②③⑥⑦ D.①②③④⑤⑥⑦
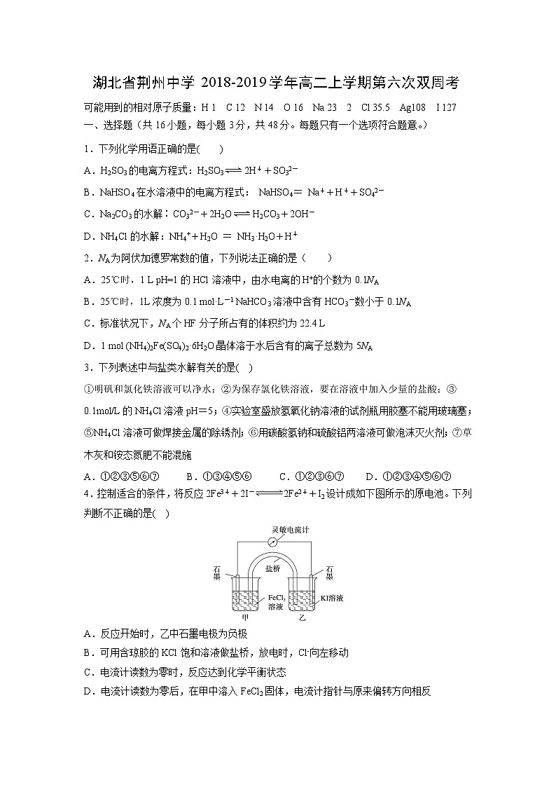
4.控制适合的条件,将反应2Fe3++2I-2Fe2++I2设计成如下图所示的原电池。下列判断不正确的是( )
A.反应开始时,乙中石墨电极为负极
B.可用含琼胶的KCl饱和溶液做盐桥,放电时,Cl-向左移动
C.电流计读数为零时,反应达到化学平衡状态
D.电流计读数为零后,在甲中溶入FeCl2固体,电流计指针与原来偏转方向相反
5.下列图示与对应的叙述相符的是( )
A.图1表示同温度下,pH=1的盐酸和醋酸溶液分别加水稀释时pH的变化曲线,其中曲线Ⅱ为盐酸,且b点溶液的导电性比a点强
B.图2中纯水仅升高温度,就可以从a点变到c点
C.图2中在b点对应温度下,将pH=2的H2SO4与pH=10的NaOH溶液等体积混合后,溶液显中性
D.用0.0100mol·L-1硝酸银标准溶液,滴定浓度均为0.100 0 mol·L-1Cl-、Br-及I-的混合溶液,由图3曲线,可确定首先沉淀的是Cl-
6.室温下,将0.05molNa2CO3固体溶于水配成100mL溶液,向溶液中加入下列物质,有关结论正确的是( )
| 加入物质 | 结论 |
A | 50mL1mol·L-1H2SO4 | 反应结束后,c(Na+)=c(SO) |
B | 0.05molCaO | 溶液中c(OH-)/c(HCO3-)增大 |
C | 50mLH2O | 由水电离出的c(H+)·c(OH-)不变 |
D | 0.1molNaHSO4固体 | 反应完全后,溶液pH减小,c(Na+)不变 |
7.以硼氢化合物NaBH4(B元素的化合价为+3价)和H2O2作原料的燃料电池,负极材料采用Pt/C,正极材料采用MnO2,可用作空军通信卫星电源,其工作原理如图所示。下列说法错误的是( )
A.电池放电时Na+从a极区移向b极区
B. 每消耗3 mol H2O2,转移的电子为6mol
C.该电池的负极反应为:BH4-+8OH--8e-=BO2-+6H2O
D.在电池工作过程中,需从外界不断补充碱液
8.25 ℃时,下列各溶液中有关微粒的物质的量浓度关系正确的是( )
A.在0.1 mol·L-1Na2S溶液中:2c(Na+)=c(S2-)+c(HS-)+c(H2S)
B.pH=2的醋酸溶液与pH=12的NaOH溶液等体积混合:
c(Na+)>c(CH3COO-) >c(OH-)>c(H+)
C.向0.1 mol·L-1NH4HSO4溶液中滴加NaOH溶液至溶液恰好呈中性:
c(Na+)>c(NH)>c(SO)>c(OH-)=c(H+)
D.将0.1 mol·L-1盐酸与0.1 mol·L-1K2CO3溶液等体积混合:
c(K+)>c(Cl-)>c(HCO)>c(OH-)>c(H+)
9.下列各表述与示意图一致的是( )
A.图①表示25 ℃时,用0.1 mol·L-1盐酸滴定20 mL 0.1 mol·L-1NaOH溶液,溶液的pH随加入盐酸体积的变化
B.图②中曲线表示反应N2(g)+O2(g)2NO(g) ΔH>0,正、逆反应速率随温度的变化
C.图③中曲线表示10 mL 0.01 mol·L-1醋酸的电离度α随加水量的变化
D.图④中曲线表示AgCl的溶度积Ksp随盐酸浓度c(HCl)的变化
10.某二元弱酸H2A溶液,按下式发生电离:H2AH++HA-、HA-H++A2-,下列四种溶液中c(H2A)最大的是( )
A. 0.01 mol·L-1的H2A溶液
B. 0.01 mol·L-1的NaHA溶液
C. 0.02 mol·L-1的盐酸与0.04 mol·L-1的NaHA溶液等体积混合液
D. 0.02 mol·L-1的NaOH与0.02 mol·L-1的NaHA溶液等体积混合液
11.下列有关电解质溶液的说法正确的是( )
A.将10 mL 0.1 mol·L-1Na2CO3溶液逐滴滴加到10 mL 0.1 mol·L-1盐酸中,最终溶液中离子浓度大小关系:c(Na+)>c(Cl-)>c(HCO)>c(CO)
B.物质的量浓度相等的N aF溶液和CH3COONa溶液相比较,两者离子的总浓度相等
C.向0.1 mol·L-1FeCl3溶液中滴加少量酸性KMnO4溶液,KMnO4溶液不褪色,说明FeCl3溶液只有氧化性,无法被氧化剂氧化
D.为更好地除去锅炉水垢,可以先用碳酸钠溶液浸泡,再用酸去除
12.下列图示与对应的叙述相符的是( )
A.图Ⅰ表示H2与O2发生反应过程中的能量变化,则H2的燃烧热△H =-241.8 kJ·mol-1
B.图Ⅱ表示反应A2 (g)+ 3B2 (g)2AB3(g),达到平衡时A2的转化率大小为:
b>a>c
C.图Ⅲ表示0.1mol MgCl2·6H2O在空气中充分加热时固体质量随时间的变化
D.图Ⅳ表示常温下,稀释HA、HB两种酸的稀溶液时,溶液pH随加水量的变化,则NaA溶液的pH大于同浓度NaB溶液的pH
13.硫酸锶(SrSO4)在水中的沉淀溶解平衡曲线如图所示。下列说法正确的是( )
A.283K时,图中a点对应的溶液是不饱和溶液
B.温度一定时,Ksp(SrSO4) 随c(SO42-) 的增大而减小
C.283K下的SrSO4饱和溶液升温到363K后变为不饱和溶液
D.三个不同温度中,363K时Ksp(SrSO4)最大
14.下列说法正确的是( )
A.常温下将等体积pH =3的H2SO4和pH =11的碱BOH溶液混合,所得溶液不可能为酸性
B.两种醋酸溶液的pH分别为a和(a+l),物质的量浓度分别为c1和c2,则c1=10c2
C.常温下将0.1 mol·L-1的HI溶液加水稀释100倍,溶液中所有离子的浓度随之减小
D. NH4+浓度相同的下列溶液:①(NH4)2Fe(SO4)2 ②(NH4)2CO3 ③(NH4)2SO4,各溶液浓度大小顺序:③>②>①
15.室温下,用0.1 mol·Lˉ1 NaOH溶液分别滴定体积均为20mL、浓度均为0.1 mol·Lˉ1 HCl溶液和HX溶液,溶液的pH随加入NaOH溶液体积变化如图,下列说法不正确的是( )
A.HX为弱酸
B.M点c(HX)-c(X-)﹥c(OH-)-c(H+)
C.将P点和N点的溶液混合,呈酸性
D.向N点的溶液中通入HCl至pH=7:c(Na+) ﹥c(HX)=c(Cl-) >c(X-)
16.由表格中的电离平衡常数判断可以发生的反应是
化学式 | 电离常数 |
HClO | K=3×10-8 |
H2CO3 | K1=4.4×10-7 |
K2=4.7×10-11 |
A.NaClO+NaHCO3 =HClO+Na2CO3
B.NaClO+CO2+H2O =HClO+NaHCO3
C.2NaClO+CO2+H2O =2HClO+Na2CO3
D.2HClO +Na2CO3 =2NaClO +CO2↑+H2O
二、填空题
17.(12分)按要求回答下列问题:
(1)常温下向一定体积的0.1 mol·L-1醋酸溶液中加水稀释后,下列说法正确的是________(填字母,下同)。
A.溶液中导电粒子的总数减小
B.醋酸的电离程度增大,c(H+)亦增大
C.溶液中不变
D.当溶液极稀时,溶液中减小
(2)①常温下,将V1 mL 0.15 mol·L-1稀硫酸与V2 mL 0.1 mol·L-1 NaOH溶液混合,所得溶液的pH为1,则V1∶V2=________(溶液体积变化忽略不计)。
②常温下,将V1 mL pH=3的HA溶液与V2 mL pH=11的NaOH溶液混合,则下列说法正确的是________。
A.若反应后溶液呈中性,则c(H+)+c(OH-)=2×10-7 mol·L-1
B.若V1=V2,反应后溶液pH一定等于7
C.若反应后溶液呈酸性,则V1一定大于V2
D.若反应后溶液呈碱性,则V1一定小于V2
(3)某温度下,向浓度均为0.1 mol·L-1Cu2+、Mg2+、Fe3+的1L溶液中,滴加NaOH溶液时,_____(填离子符号)先沉淀;当Cu2+完全沉淀时,pH= ,此时是否有Mg(OH)2沉淀?
(填“是”或“否”)。
(已知KspFe(OH)3=1.0x10-38,KspCu(OH)2=1.0x10-19,KspMg(OH)2=1.0x10-11)。
18.(7分)KMnO4溶液常用作氧化还原反应滴定的标准液,由于KMnO4的强氧化性,它的溶液很容易被空气中或水中的某些少量还原性物质还原,生成难溶性物质MnO(OH)2,因此配制KMnO4标准溶液的操作如下所示:
①称取稍多于所需量的KMnO4固体溶于水中,将溶液加热并保持微沸1h;②用微孔玻璃漏斗过滤除去难溶的MnO(OH)2;③过滤得到的KMnO4溶液贮存于棕色试剂瓶并放在暗处;④利用氧化还原滴定方法,在70~80℃条件下用基准试剂(纯度高、相对分子质量较大、稳定性较好的物质)溶液标定其浓度。
请回答下列问题:
(1)准确量取一定体积的KMnO4溶液需要使用的仪器是____________。
(2)在下列物质中,用于标定KMnO4溶液的基准试剂最好选用________(填字母)。
A.H2C2O4·2H2O B.FeSO4 C.浓盐酸 D.Na2SO3
(3)若准确称取Wg你选的基准试剂溶于水配成500mL溶液,取25.00mL置于锥形瓶中,用KMnO4溶液滴定至终点,消耗KMnO4溶液VmL。KMnO4溶液的物质的量浓度为_______mol·L-1。
(4)若用放置两周的KMnO4标准溶液去测定水样中Fe2+的含量,测得的浓度值将________(填“偏高”、“偏低”或“无影响”)。
19.(10分)常温下, 浓度均为0.1 mol·L-1的6种溶液的pH如下表:
序号 | a | b | c | d | e | f |
溶质 | CH3COONa | NaHCO3 | Na2CO3 | NaClO | NaCN | NaAlO2 |
pH | 8. 8 | 9. 7 | 11. 6 | 10. 3 | 11. 1 | 11. 3 |
(1)上述溶液中的阴离子结合H+能力最弱的为 。(填阴离子化学式)
(2)NaAlO2溶液呈碱性的原因是 (用离子方程式表示)。
(3)结合表中数据分析, 与0. 1 mol·L-1的CH3COONa溶液中水的电离程度相同的有( )(填字母代号)。
A.pH=8. 8的NaOH溶液
B.pH=5. 2的NH4Cl溶液
C.pH=5. 2的盐酸
D.0. 1 mol·L-1的NaCN溶液
E.pH=8. 8的Na2CO3溶液
(4)将浓度均为0. 1 mol·L-1的b、c等体积混合, 所得溶液中各离子浓度关系正确的有 。
A.c(Na+)= c(CO32-) +c(HCO3-) +c(H2CO3)
B.2c(Na+)=3c(CO32-)+3c(HCO3-) +3c(H2CO3)
C.c(OH-)= c(H+) +c(HCO3-) +2c(H2CO3)
D.c(Na+) +c(H+)=2c(CO32-)+c(HCO3-) +c(OH-)
E. c(Na+)>c(HCO3-)>c(CO32-)>c(OH)> c(H+)
F. c(Na+)> c(CO32-)>c(HCO3-)>c(H+)> c(OH)
(5)0.1 mol·L-1HCl与0.2 mol·L-1 NaAlO2溶液等体积混合溶液后离子浓度顺序为 。
20.(12分)C、N、S是重要的非金属元素,按要求回答下列问题:
(1)烟道气中含有的CO和SO2是重要的污染物,可在催化剂作用下将它们转化为S(s)和CO2,此反应的热化学方程式为______________________________________________。
已知:CO(g)+1/2O2(g)=CO2(g) ΔH=-283.0 kJ·mol-1
S(s)+O2(g)=SO2(g) ΔH=-296.0 kJ·mol-1。
(2)向甲、乙两个均为1 L的密闭容器中,分别充入5 mol SO2和3 mol O2,发生反应:2SO2(g)+O2(g)2SO3(g) ΔH<0。甲容器在温度为T1的条件下反应,达到平衡时SO3的物质的量为4.5 mol;乙容器在温度为T2的条件下反应,达到平衡时SO3的物质的量为4.6 mol。则T1___T2(填“>”、“<”),甲容器中反应的平衡常数K=_____________________。
(3)如图所示,A是恒容的密闭容器,B是一个体积可变的充气气囊。保持恒温,关闭K2,分别将1 mol N2和3 mol H2通
过K1、K3充入A、B中,发生的反应为:N2(g)+3H2(g) 2NH3(g),起始时A、B的体积相同均为a L。
①下列示意图既能说明A容器中反应达到平衡状态,又能说明B容器中反应达到平衡状态的是______。
②容器A中反应到达平衡时所需时间t s,达到平衡后容器的压强变为原来的5/6,则平均反应速率υ(H2)=_____________________。
(4)将0.1 mol氨气分别通入1 L pH=1的盐酸、硫酸和醋酸溶液中,完全反应后三溶液中NH4+离子浓度分别为c1、c2、c3,则三者浓度大小的关系为____________(用“c1、c2、c3和>、<、=”表示)。已知醋酸铵溶液呈中性,常温下CH3COOH的Ka=1×10-5 mol·L-1,求该温度下0.1 mol·L-1的NH4Cl溶液pH 为_________。
21.(11分)碘化钠是制备无机和有机碘化物的原料,在医药上用作祛痰剂和利尿剂等。工业上用铁屑还原法制备NaI,其主要流程如下图:
请回答下列问题:
(1)写出铁屑转化为Fe(OH)3的离子方程式: 。
(2)判断碘是否已完全反应的方法是 。
(3)NaIO3在一定条件下可转化为HIO4, 25 ℃时,已知pH=2的高碘酸溶液与pH=12的NaOH溶液等体积混合,所得混合溶液显酸性。则NaIO4溶液呈 (填“酸性”“中性” 或“碱性”)。
(4)测定产品中NaI含量的方法是:
a.称取3.000 g样品,溶解,在250 mL容量瓶中定容;
b.量取25.00 mL待测溶液于锥形瓶中;
c.加入25mL0.1000 mol·L-1 AgNO3溶液(过量),使I—完全转化为AgI沉淀。
d.加入NH4Fe(SO4)2溶液做指示剂,
e.用0.1000 mol·L-1NH4SCN溶液滴定过量的Ag+,使其恰好完全转化为AgSCN沉淀,消耗NH4SCN溶液体积的平均值为6.00 mL。
滴定终点时,溶液的颜色为 ,上述样品中NaI的质量分数为 。
(5)已知某温度下,Ksp(AgI)=1.0×10-16,则此温度下,AgI在水中的溶解度为 g。
参考答案
题号 | 1 | 2 | 3 | 4 | 5 | 6 | 7 | 8 | 9 | 10 | 11 | 12 | 13 | 14 | 15 | 16 |
答案 | B | B | A | B | C | B | D | D | C | C | D | C | A | A | C | B |
17. (12分) (1)CD (2分)
(2)①1∶1 (2分)②AD (2分)
(3) Fe3+(2分),7 (2分),否(2分)
18.(7分) (1)酸式滴定管(1分)
(2)A(2分)
(3) (2分)
(4)偏高(2分)
19.(10分)(1)CH3COO-(2分)
(2)AlO2-+H2OAl(OH)3+OH-(2分)
(3)BD(2分)
(4)BDE(2分)
(5)c(Na+)>c(Cl-)>c(AlO2-)>c(OH-)>c(H+)(2分)
20.(12分)(1)2CO(g)+SO2(g)=S(s)+2CO2(g) ΔH= -270 kJ·mol-1(2分)
(2)>(1分);108 L·mol-1(2分)
(3)d(1分);1/at mol·L-1·s-1(2分)
(4)c1=c2<c3(2分);5(2分)
21.(11分)(1)2Fe+IO3-+3H2O2Fe(OH)3+I-(2分)
(2)取少量反应后的混合溶液于试管中,滴入几滴淀粉溶液,若溶液未变蓝,则证明碘已完全反应;反之,则未完全反应(2分)
(3)碱性(2分)
(4)红色(1分),95.00% (2分)
(5)2.35×10-7 (2分)

