还剩17页未读,
继续阅读
所属成套资源:2020高考苏教版化学新增分一轮讲义()
成套系列资料,整套一键下载
2020版化学新增分大一轮苏教(江苏)讲义:专题11物质结构与性质(选考)第36讲
展开
第36讲 微粒间作用力与物质的性质
考纲要求 1.理解离子键的含义,能说明离子键的形成。2.了解NaCl型和CsCl型离子晶体的结构特征,能用晶格能解释典型离子化合物的某些物理性质。3.了解原子晶体的特征,能描述金刚石、二氧化硅等原子晶体的结构与性质的关系。4.能用金属键的自由电子理论解释金属的某些物理性质。5.知道金属晶体的基本堆积方式,了解简单晶体的晶胞结构特征(晶体内部空隙的识别、与晶胞的边长等晶体结构参数相关的计算不作要求)。6.了解分子晶体与原子晶体、离子晶体、金属晶体的结构微粒、微粒间作用力的区别。
考点一 晶体概念及结构模型
1.晶体与非晶体
(1)晶体与非晶体的比较
晶体
非晶体
结构特征
结构微粒周期性有序排列
结构微粒无序排列
性质特征
自范性
有
无
熔点
固定
不固定
异同表现
各向异性
各向同性
二者区别方法
间接方法
看是否有固定的熔点
科学方法
对固体进行X-射线衍射实验
(2)得到晶体的途径
①熔融态物质凝固。
②气态物质冷却不经液态直接凝固(凝华)。
③溶质从溶液中析出。
(3)晶胞
①概念:描述晶体结构的基本单元。
②晶体中晶胞的排列——无隙并置
无隙:相邻晶胞之间没有任何间隙。
并置:所有晶胞平行排列、取向相同。
2.晶胞组成的计算——均摊法
(1)原则
晶胞任意位置上的一个原子如果是被n个晶胞所共有,那么,每个晶胞对这个原子分得的份额就是。
(2)方法
①长方体(包括立方体)晶胞中不同位置的粒子数的计算。
②非长方体晶胞中粒子视具体情况而定,如石墨晶胞每一层内碳原子排成六边形,其顶点(1个碳原子)被三个六边形共有,每个六边形占。
3.常见晶体结构模型
(1)原子晶体(金刚石和二氧化硅)
①金刚石晶体中,每个C与另外4个C形成共价键,C—C 键之间的夹角是109.5°,最小的环是六元环。含有1 mol C的金刚石中,形成的共价键有2 mol。
②SiO2晶体中,每个Si原子与4个O原子成键,每个O原子与2个硅原子成键,最小的环是十二元环,在“硅氧”四面体中,处于中心的是Si原子,1 mol SiO2中含有4 mol Si—O键。
(2)分子晶体
①干冰晶体中,每个CO2分子周围等距且紧邻的CO2分子有12个。
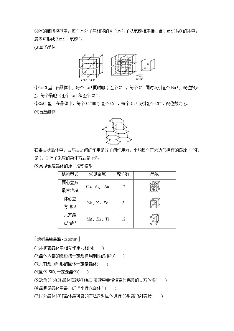
②冰的结构模型中,每个水分子与相邻的4个水分子以氢键相连接,含1 mol H2O的冰中,最多可形成2 mol“氢键”。
(3)离子晶体
①NaCl型:在晶体中,每个Na+同时吸引6个Cl-,每个Cl-同时吸引6个Na+,配位数为6。每个晶胞含4个Na+和4个Cl-。
②CsCl型:在晶体中,每个Cl-吸引8个Cs+,每个Cs+吸引8个Cl-,配位数为8。
(4)石墨晶体
石墨层状晶体中,层与层之间的作用是分子间作用力,平均每个正六边形拥有的碳原子个数是2,C原子采取的杂化方式是sp2。
(5)常见金属晶体的原子堆积模型
结构型式
常见金属
配位数
晶胞
面心立方最密堆积
Cu、Ag、Au
12
体心立
方堆积
Na、K、Fe
8
六方最
密堆积
Mg、Zn、Ti
12
(1)冰和碘晶体中相互作用力相同( )
(2)晶体内部的微粒按一定规律周期性的排列( )
(3)凡有规则外形的固体一定是晶体( )
(4)固体SiO2一定是晶体( )
(5)缺角的NaCl晶体在饱和NaCl溶液中会慢慢变为完美的立方体块( )
(6)晶胞是晶体中最小的“平行六面体”( )
(7)区分晶体和非晶体最可靠的方法是对固体进行X-射线衍射实验( )
答案 (1)× (2)√ (3)× (4)× (5)√ (6)× (7)√
(常见晶体结构模型)填空。
(1)在金刚石晶体中最小碳环含有________个C原子;每个C原子被________个最小碳环共用。
(2)在干冰中粒子间作用力有_______________________________________________。
(3)含1 mol H2O的冰中形成氢键的数目为________。
(4)在NaCl晶体中,每个Na+周围有________个距离最近且相等的Na+,每个Na+周围有________个距离最近且相等的Cl-,其空间构型为____________。
(5)在CaF2晶体中,每个Ca2+周围距离最近且等距离的F-有________个;每个F-周围距离最近且等距离的Ca2+有________个。
答案 (1)6 12 (2)共价键、范德华力 (3)2NA
(4)12 6 正八面体型 (5)8 4
1.如图为甲、乙、丙三种晶体的晶胞:
试写出:
(1)甲晶体化学式(X为阳离子)为________。
(2)乙晶体中A、B、C三种微粒的个数比是________。
(3)丙晶体中每个D周围结合E的个数是________。
(4)乙晶体中每个A周围结合B的个数为________。
答案 (1)X2Y (2)1∶3∶1 (3)8 (4)12
2.下图是由Q、R、G三种元素组成的一种高温超导体的晶胞结构,其中R为+2价,G为-2价,则Q的化合价为________。
答案 +3
解析 R:8×+1=2
G:8×+8×+4×+2=8
Q:8×+2=4
R、G、Q的个数之比为1∶4∶2,则其化学式为RQ2G4。
由于R为+2价,G为-2价,所以Q为+3价。
3.(1)硼化镁晶体在39 K时呈超导性。在硼化镁晶体中,镁原子和硼原子是分层排布的,下图是该晶体微观结构的透视图,图中的硼原子和镁原子投影在同一平面上。则硼化镁的化学式为________。
(2)在硼酸盐中,阴离子有链状、环状等多种结构形式。下图是一种链状结构的多硼酸根,则多硼酸根离子符号为________。
答案 (1)MgB2 (2)BO
解析 (1)每个Mg周围有6个B,而每个B周围有3个Mg,所以其化学式为MgB2。(2)从图可看出,每个单元中,都有一个B和一个O完全属于这个单元,剩余的2个O分别被两个结构单元共用,所以B∶O=1∶(1+2/2)=1∶2,化学式为BO。
4.Cu元素与H元素可形成一种红色化合物,其晶体结构单元如图所示。则该化合物的化学式为________。
答案 CuH
解析 根据晶胞结构可以判断:Cu():2×+12×+3=6;
H():6×+1+3=6,所以化学式为CuH。
考点二 四种晶体的性质与判断
1.四种晶体类型比较
类型
比较
分子晶体
原子晶体
金属晶体
离子晶体
构成粒子
分子
原子
金属阳离子
和自由电子
阴、阳离子
粒子间的相互作用力
分子间作用力
共价键
金属键
离子键
硬度
较小
很大
有的很大,
有的很小
较大
熔、沸点
较低
很高
有的很高,
有的很低
较高
溶解性
相似相溶
难溶于任何溶剂
常见溶剂难溶
大多易溶于水等极性溶剂
导电、传热性
一般不导电,溶于水后有的导电
一般不具有导电性
电和热的良导体
晶体不导电,水溶液或熔融态导电
2.离子晶体的晶格能
(1)定义
气态离子形成1 mol离子晶体释放的能量,通常取正值,单位:kJ·mol-1。
(2)影响因素
①离子所带电荷数:离子所带电荷数越多,晶格能越大。
②离子的半径:离子的半径越小,晶格能越大。
(3)与离子晶体性质的关系
晶格能越大,形成的离子晶体越稳定,且熔点越高,硬度越大。
(1)在晶体中只要有阴离子就一定有阳离子( )
(2)在晶体中只要有阳离子就一定有阴离子( )
(3)原子晶体的熔点一定比金属晶体的高( )
(4)分子晶体的熔点一定比金属晶体的低( )
(5)离子晶体一定都含有金属元素( )
(6)金属元素和非金属元素组成的晶体不一定是离子晶体( )
(7)原子晶体的熔点一定比离子晶体的高( )
答案 (1)√ (2)× (3)× (4)× (5)× (6)√ (7)×
1.在下列物质中:NaCl、NaOH、Na2S、H2O2、Na2S2、(NH4)2S、CO2、CCl4、C2H2、SiO2、SiC、晶体硅、金刚石、晶体氩。
(1)其中只含有离子键的离子晶体是______________________________________________。
(2)其中既含有离子键又含有极性共价键的离子晶体是________________________。
(3)其中既含有离子键又含有极性共价键和配位键的离子晶体是__________。
(4)其中既含有离子键又含有非极性共价键的离子晶体是__________。
(5)其中含有极性共价键的非极性分子是_______________________________________。
(6)其中含有极性共价键和非极性共价键的非极性分子是________。
(7)其中含有极性共价键和非极性共价键的极性分子是________________________。
(8)其中含有极性共价键的原子晶体是_____________________________________。
(9)不含共价键的分子晶体是__________,只含非极性共价键的原子晶体是____________。
答案 (1)NaCl、Na2S (2)NaOH、(NH4)2S (3)(NH4)2S (4)Na2S2 (5)CO2、CCl4、C2H2
(6)C2H2 (7)H2O2 (8)SiO2、SiC (9)晶体氩 晶体硅、金刚石
2.比较下列晶格能大小:
(1)NaCl________KCl;
(2)CaF2________MgO;
(3)Na2S________Na2O;
(4)CaO________KCl。
答案 (1)> (2)< (3)< (4)>
题组一 晶体类型判断
1.(1)CO能与金属Fe形成Fe(CO)5,该化合物熔点为253 K,沸点为376 K,其固体属于______晶体。
(2)[2015·全国卷Ⅱ,37(2)节选]O和Na的氢化物所属的晶体类型分别为________和________。
(3)NF3可由NH3和F2在Cu催化剂存在下反应直接得到:4NH3+3F2NF3+3NH4F
上述化学方程式中的5种物质所属的晶体类型有______________________________(填序号)。
a.离子晶体 b.分子晶体
c.原子晶体 d.金属晶体
答案 (1)分子
(2)分子晶体 离子晶体
(3)abd
2.(1)用“>”或“<”填空:
第一电离能
离子半径
熔点
酸性
Si____S
O2-____Na+
NaCl____Si
H2SO4____HClO4
(2)MgCl2在工业上应用广泛,可由MgO制备。
①MgO的熔点比BaO的熔点________(填“高”或“低”)。
②SiO2的晶体类型为________________。
(3)对于钠的卤化物(NaX)和硅的卤化物(SiX4),下列叙述正确的是________。
A.SiX4难水解
B.SiX4是共价化合物
C.NaX易水解
D.NaX的熔点一般高于SiX4
答案 (1)< > < <
(2)①高 ②原子晶体
(3)BD
解析 (1)同周期元素的第一电离能随原子序数的递增呈增大趋势,但s、p、d等轨道处于全空、半充满、全充满的稳定状态时,则出现反常现象。Si、S元素基态原子的价电子排布式分别为3s23p2、3s23p4,其中3p轨道均处于不稳定状态,因此Si的第一电离能小于S。O2-与Na+的核外电子排布相同,其电子排布式均为1s22s22p6,离子核外电子排布相同时,原子序数越大,离子半径越小,因此O2-的离子半径大于Na+。NaCl为离子晶体,Si为原子晶体,因此Si的熔点高于NaCl。一般来说,元素的非金属性越强,该元素的最高价氧化物对应水化物的酸性越强,Cl元素的非金属性强于S元素,则HClO4的酸性强于H2SO4。
(2)①Mg、Ba同主族,Mg2+的半径小于Ba2+,MgO的晶格能比BaO大,故MgO的熔点比BaO高。
②SiO2为空间立体网状结构,其熔、沸点很高,属于原子晶体。
(3)A项,硅的卤化物(SiX4)的水解比较强烈,如SiCl4+3H2O===H2SiO3↓+4HCl、SiF4+3H2O===H2SiO3↓+4HF,错误;B项,硅的卤化物(SiX4)全部由非金属元素构成,属于共价化合物,正确;C项,钠的卤化物(NaX)属于强酸强碱盐,不发生水解,错误;D项,钠的卤化物(NaX)是由离子键构成的,属于离子晶体,SiX4属于分子晶体,所以NaX的熔点一般高于SiX4,正确。
3.现有几组物质的熔点(℃)数据:
A组
B组
C组
D组
金刚石:3 550 ℃
Li:181 ℃
HF:-83 ℃
NaCl:801 ℃
硅晶体:1 410 ℃
Na:98 ℃
HCl:-115 ℃
KCl:776 ℃
硼晶体:2 300 ℃
K:64 ℃
HBr:-89 ℃
RbCl:718 ℃
二氧化硅:1 723 ℃
Rb:39 ℃
HI:-51 ℃
CsCl:645 ℃
据此回答下列问题:
(1)A组属于________晶体,其熔化时克服的微粒间的作用力是________。
(2)B组晶体共同的物理性质是________(填序号)。
①有金属光泽 ②导电性 ③导热性 ④延展性
(3)C组中HF熔点反常是由于_________________________________________________。
(4)D组晶体可能具有的性质是__________(填序号)。
①硬度小 ②水溶液能导电 ③固体能导电 ④熔融状态能导电
(5)D组晶体的熔点由高到低的顺序为NaCl>KCl>RbCl>CsCl,其原因为________________
________________________________________________________________________。
答案 (1)原子 共价键 (2)①②③④
(3)HF分子间能形成氢键,其熔化时需要消耗的能量更多(只要答出HF分子间能形成氢键即可) (4)②④
(5)D组晶体都为离子晶体,r(Na+)<r(K+)<r(Rb+)<r(Cs+),在离子所带电荷数相同的情况下,半径越小,晶格能越大,熔点就越高
解析 (1)A组熔点很高,为原子晶体,是由原子通过共价键形成的。(2)B组为金属晶体,具有①②③④四条共性。(3)HF中含有分子间氢键,故其熔点反常。(4)D组属于离子晶体,具有②④两条性质。(5)D组属于离子晶体,其熔点与晶格能有关。
题组二 晶体性质及应用
4.下列性质适合于分子晶体的是( )
A.熔点为1 070 ℃,易溶于水,水溶液导电
B.熔点为3 500 ℃,不导电,质硬,难溶于水和有机溶剂
C.能溶于CS2,熔点为112.8 ℃,沸点为444.6 ℃
D.熔点为97.82 ℃,质软,导电,密度为0.97 g·cm-3
答案 C
解析 A、B选项中的熔点高,不是分子晶体的性质,D选项是金属钠的性质,钠不是分子晶体。
5.ⅣA族元素及其化合物在材料等方面有重要用途。回答下列问题:
(1)碳的一种单质的结构如图(a)所示。该单质的晶体类型为________,依据电子云的重叠方式,原子间存在的共价键类型有________,碳原子的杂化轨道类型为________。
(2)石墨烯是从石墨材料中剥离出来的、由单质碳原子组成的二维晶体。将氢气加入石墨烯中可制得一种新材料石墨烷。下列判断错误的是________(填字母)。
A.石墨烯是一种强度很高的材料
B.石墨烯是电的良导体而石墨烷则为绝缘体
C.石墨烯与石墨烷均为高分子化合物
D.石墨烯与H2制得石墨烷的反应属于加成反应
(3)CH4、SiH4、GeH4的熔、沸点依次________(填“增大”或“减小”),其原因是________________________________________________________________________
________________________________________________________________________。
(4)SiO2比CO2熔点高的原因是__________________________________________________。
(5)四卤化硅SiX4的沸点和二卤化铅PbX2的熔点如图(b)所示。
①SiX4的沸点依F、Cl、Br、I次序升高的原因是_________________________________
________________________________________________________________________。
②结合SiX4的沸点和PbX2的熔点的变化规律,可推断:依F、Cl、Br、I次序,PbX2中的化学键的离子性________、共价性________。(填“增强”“不变”或“减弱”)
(6)水杨酸第一级电离形成离子,相同温度下,水杨酸的Ka2________苯酚()的Ka(填“>”“=”或“<”),其原因是____________________________
________________________________________________________________________。
(7)碳的另一种单质C60可以与钾形成低温超导化合物,晶体结构如图(c)所示,K位于立方体的棱上和立方体的内部,此化合物的化学式为________;其晶胞参数为1.4 nm,阿伏加德罗常数用NA表示,则晶体的密度为__________ g·cm-3。(只需列出式子)
答案 (1)混合型晶体 σ键、π键 sp2 (2)C (3)增大 三种物质均为分子晶体,结构与组成相似,相对分子质量越大,范德华力越大,熔、沸点越高 (4)SiO2为原子晶体而CO2为分子晶体 (5)①均为分子晶体,范德华力随相对分子质量增大而增大 ②减弱 增强 (6)< 中形成分子内氢键,使其更难电离出H+ (7)K3C60
解析 (2)石墨烯单层原子间以共价键相结合,强度很高,A正确;石墨烯层与层之间有自由移动的电子,是电的良导体,而石墨烷中没有自由移动的电子,为绝缘体,B正确;石墨烯只含一种碳元素,为碳的单质,C错误;石墨烯与H2间的反应属于加成反应,D项正确。
(5)①四卤化硅为分子晶体,F、Cl、Br、I的相对分子质量逐渐增大,沸点与相对分子质量有关,相对分子质量越大,沸点越高。②PbX2的熔点先降低后升高,其中PbF2为离子晶体,PbBr2、PbI2为分子晶体,可知依F、Cl、Br、I次序,PbX2中的化学键的离子性减弱、共价性增强。
(7)用均摊法求解。1个晶胞中含K:12×+9=12,C60:8×+6×=4,K与C60的个数比为12∶4=3∶1,此化合物的化学式为K3C60。1个晶胞的体积为(1.4 nm)3=(1.4×10-7)3 cm3,1个晶胞中含有4个K3C60,则ρ= g·cm-3。
(一)江苏试题组合
1.[2017·江苏,21(A)-(5)]某FexNy的晶胞如图1所示,Cu可以完全替代该晶体中a位置Fe或者b位置Fe,形成Cu替代型产物Fe(x-n)CunNy。FexNy转化为两种Cu替代型产物的能量变化如图2所示,其中更稳定的Cu替代型产物的化学式为________。
图1 FexNy晶胞结构示意图 图2 转化过程的能量变化
答案 Fe3CuN
2.[2014·江苏,21(A)-(5)]Cu2O在稀硫酸中生成Cu和CuSO4。铜晶胞结构如图所示,铜晶体中每个铜原子周围距离最近的铜原子数目为________。
答案 12
3.[2013·江苏,21(A)-(1)]元素X 位于第四周期,其基态原子的内层轨道全部排满电子,且最外层电子数为2。元素Y基态原子的3p 轨道上有4个电子。元素Z 的原子最外层电子数是其内层的3倍。X与Y所形成化合物晶体的晶胞如下图所示。
①在1个晶胞中,X离子的数目为________。
②该化合物的化学式为________。
答案 ①4 ②ZnS
(二)新课标三卷命题研究
1.晶体类型的判断
(1)[2015·全国卷Ⅰ,37(4)]CO能与金属Fe形成Fe(CO)5,该化合物的熔点为253 K,沸点为376 K,其固体属于________晶体。
(2)[2015·全国卷Ⅱ,37(2)改编]氧和钠的氢化物所属的晶体类型分别为____________和____________。
答案 (1)分子 (2)分子晶体 离子晶体
2.晶体微粒间作用力
(1)[2018·全国卷Ⅲ,35(3)节选]ZnF2具有较高的熔点(872 ℃),其化学键类型是__________。
(2)[2017·全国卷Ⅲ,35(4)节选]Mn(NO3)2中的化学键除了σ键外,还存在________________。
(3)[2016·全国卷Ⅰ,37(5)改编]Ge单晶具有金刚石型结构,其微粒之间存在的作用力是__________。
(4)[2016·全国卷Ⅱ,37(3)节选]单质铜及镍都是由________键形成的晶体。
答案 (1)离子键 (2)离子键和π键(Π键) (3)共价键 (4)金属
3.晶体熔、沸点高低的比较
(1)[2017·全国卷Ⅰ,35(2)节选]K和Cr属于同一周期,且核外最外层电子构型相同,但金属K的熔点、沸点等都比金属Cr低,原因是______________________________________。
(2)[2017·全国卷Ⅲ,35(3)改编]在CO2低压合成甲醇反应(CO2+3H2===CH3OH+H2O)所涉及的4种物质中,沸点从高到低的顺序为____________________________________________,
原因是_________________________________________________________________________。
(3)[2016·全国卷Ⅲ,37(4)]GaF3的熔点高于1 000 ℃,GaCl3的熔点为77.9 ℃,其原因是_________________________________________________________________________。
(4)[2015·全国卷Ⅱ,37(2)改编]单质氧有两种同素异形体,其中沸点高的是______________(填分子式),原因是___________________________________________________________。
答案 (1)K的原子半径较大且价电子数较少,金属键较弱
(2)H2O>CH3OH>CO2>H2 H2O与CH3OH均为极性分子,水中氢键比甲醇中多;CO2与H2均为非极性分子,CO2相对分子质量较大,范德华力较大 (3)GaF3为离子晶体,GaCl3为分子晶体
(4)O3 O3相对分子质量较大且是极性分子,范德华力较大
一、单项选择题
1.下列关于晶体的说法中,不正确的是( )
①共价键可决定分子晶体的熔、沸点
②含有金属阳离子的晶体一定是离子晶体
③晶体中原子呈周期性有序排列,有自范性;而非晶体中原子排列相对无序,无自范性
④MgO的晶格能远比NaCl大,这是因为前者离子所带的电荷数多,离子半径小
⑤晶胞是晶体结构的基本单元,晶体内部的微粒按一定规律作周期性重复排列
⑥干冰晶体中,一个CO2分子周围有12个CO2分子紧邻;CsCl和NaCl晶体中阴、阳离子的配位数都为6
⑦晶体尽可能采取紧密堆积方式,以使其变得比较稳定
A.①②⑥ B.②③④
C.④⑤⑥ D.②③⑦
答案 A
2.(2018·宿迁质检)下图为碘晶体晶胞结构。下列有关说法中正确的是( )
A.碘分子的排列有2种不同的取向,2种取向不同的碘分子以4配位数交替配位形成层结构
B.用均摊法可知平均每个晶胞中有4个碘原子
C.碘晶体为无限延伸的空间结构,是原子晶体
D.碘晶体中的碘原子间存在非极性键和范德华力
答案 A
解析 在立方体的顶面上,有5个I2,4个方向相同,结合其他面考虑可知A选项正确;每个晶胞中有4个碘分子,B选项错误;C项,此晶体是分子晶体,错误;D项,碘原子间只存在非极性共价键,范德华力存在于分子与分子之间,错误。
3.下列数据是对应物质的熔点(℃):
BCl3
Al2O3
Na2O
NaCl
AlF3
AlCl3
干冰
SiO2
-107
2 073
920
801
1 291
190
-57
1 723
据此做出的下列判断中错误的是( )
A.铝的化合物的晶体中有的是离子晶体
B.表中只有BCl3和干冰是分子晶体
C.同族元素的氧化物可形成不同类型的晶体
D.不同族元素的氧化物可形成相同类型的晶体
答案 B
解析 A项,氧化铝的熔点高,属于离子晶体,则铝的化合物的晶体中有的是离子晶体,正确;B项,BCl3、AlCl3和干冰均是分子晶体,错误;C项,同族元素的氧化物可形成不同类型的晶体,例如CO2是分子晶体,二氧化硅是原子晶体,正确。
4.下列物质的熔、沸点高低顺序中,正确的是( )
A.金刚石>晶体硅>二氧化硅>碳化硅
B. >
C.MgO>H2O>O2>Br2
D.金刚石>生铁>纯铁>钠
答案 B
解析 A项,同属于原子晶体,熔、沸点高低主要看共价键的强弱,显然对键能而言,晶体硅<碳化硅<二氧化硅,错误;B项,形成分子间氢键的物质的熔、沸点要大于形成分子内氢键的物质的熔、沸点,正确;C项,对于不同类型晶体,其熔、沸点高低一般为原子晶体>离子晶体>分子晶体,MgO>H2O>Br2>O2,错误;D项,生铁为铁合金,熔点要低于纯铁,错误。
5.(2018·宿迁高三上学期期初)有四种不同堆积方式的金属晶体的晶胞如图所示,有关说法正确的是( )
A.①为简单立方堆积,②为六方最密堆积,③为体心立方堆积,④为面心立方最密堆积
B.每个晶胞含有的原子数分别为①1个,②2个,③2个,④4个
C.晶胞中原子的配位数分别为①6,②8,③8,④12
D.空间利用率的大小关系为①<②<③<④
答案 B
6.(2018·泰州模拟)铁有如下δ、γ、α三种晶体结构,三种晶体在不同温度下能发生转化。下列说法不正确的是( )
A.δ、γ、α三种晶体互为同分异构体
B.α-Fe晶体中与每个铁原子等距离且最近的铁原子有6个
C.将铁加热到1 500 ℃分别急速冷却和缓慢冷却,得到的晶体类型不同,化学性质相同
D.γ-Fe晶体为面心立方最密堆积
答案 A
解析 Fe的δ、γ、α三种晶体结构不同,属于同素异形体,不是同分异构体,故A不正确;α-Fe晶体中与每个铁原子距离相等且最近的铁原子是相邻顶点上的铁原子,与每个铁原子等距离且最近的铁原子同层有4个,上、下层各1个,故共有6个,故B正确;急速冷却和缓慢冷却,得到的晶体类型不同,结构不同,物理性质不同,但化学性质相同,故C正确;γ-Fe晶体中Fe原子处于顶点与面心,属于面心立方最密堆积,故D正确。
7.钛酸钡的热稳定性好,介电常数高,在小型变压器、话筒和扩音器中都有应用。钛酸钡晶体的晶胞结构示意图如图所示,它的化学式是( )
A.BaTi8O12 B.BaTi4O5
C.BaTi2O4 D.BaTiO3
答案 D
解析 本题结合识图考查晶体的晶胞结构知识及空间想象能力。解题关键:由一个晶胞想象出在整个晶体中,每个原子为几个晶胞共用。仔细观察钛酸钡晶体的晶胞结构示意图可知:Ba2+在立方体的中心,完全属于该晶胞;Ti4+处于立方体的8个顶点,每个Ti4+为与之相连的8个立方体所共用,即每个Ti4+只有属于该晶胞;O2-处于立方体的12条棱的中点,每条棱为4个立方体共用,即每个O2-只有属于该晶胞。则晶体中Ba2+、Ti4+、O2-的个数比为1∶∶=1∶1∶3。
二、不定项选择题
8.下列说法正确的是( )
A.干冰和石英晶体中的化学键类型相同,熔化时需克服微粒间的作用力类型也相同
B.化学变化发生时,需要断开反应物中的化学键,并形成生成物中的化学键
C.CH4和CCl4中,每个原子的最外层都具有8电子稳定结构
D.NaHSO4晶体溶于水时,离子键被破坏,共价键也被破坏
答案 BD
解析 A项,干冰是分子晶体,而石英晶体是原子晶体,熔化时需克服微粒间的作用力分别是分子间作用力和共价键,错误;B项,化学反应的实质是断开旧化学键,形成新的化学键,所以化学变化发生时,需要断开反应物中的化学键,并形成生成物中的化学键,正确;C项,CH4分子中氢原子最外层达2电子的稳定结构,不是8电子稳定结构,错误;D项,NaHSO4晶体溶于水时,电离产生钠离子、氢离子和硫酸根离子,离子键被破坏,共价键也被破坏,正确。
9.下列有关说法不正确的是( )
A.四水合铜离子的模型如图1所示,1个水合铜离子中有4个配位键
B.CaF2晶体的晶胞如图2所示,每个CaF2晶胞平均占有8个Ca2+
C.H原子的电子云图如图3所示,H原子核外大多数电子在原子核附近运动
D.金属Cu中Cu原子堆积模型如图4,为最密堆积,每个Cu原子的配位数均为12
答案 BC
解析 A项,四水合铜离子中铜离子的配位数为4,配体是水,水中的氧原子提供孤电子对与铜离子形成配位键,正确;B项,根据均摊法可知,在CaF2晶体的晶胞中,每个CaF2晶胞平均占有Ca2+个数为8×+6×=4,错误;C项,电子云密度表示电子在某一区域出现的机会的多少,H原子最外层只有一个电子,所以不存在大多数电子,只能说H原子的一个电子在原子核附近出现的机会较多,错误;D项,在金属晶体的最密堆积中,对于每个原子来说,其周围的原子有同一层上的六个原子和上一层的三个及下一层的三个,故每个原子周围都有12个原子与之相连,正确。
10.下图分别代表NaCl、金刚石、干冰、石墨结构的一部分。下列说法正确的是( )
A.NaCl晶体只有在熔融状态下离子键被完全破坏,才能形成自由移动的离子
B.金刚石中存在的化学键只有共价键,不能导电
C.干冰中的化学键只需吸收很少的热量就可以被破坏,所以干冰容易升华
D.石墨中碳原子的最外层电子都参与了共价键的形成,故熔点很高、硬度很大
答案 B
解析 A项,NaCl是离子化合物,在溶于水或熔融状态下离子键均能被完全破坏,错误;B项,金刚石为原子晶体,化学键只有共价键,不能导电,正确;C项,干冰属于分子晶体,干冰升华是物理变化,破坏的是分子间作用力,化学键不变,错误;D项,石墨中的碳原子用sp2杂化轨道与相邻的三个碳原子以σ键结合,形成正六边形的平面层状结构,而每个碳原子还有一个2p轨道,其中有一个2p电子,这些p轨道又都互相平行,并垂直于碳原子sp2杂化轨道构成的平面,形成了大π键,因而这些π电子可以在整个碳原子平面上活动,类似金属键的性质,石墨为层状结构,层与层之间通过范德华力连接,所以石墨的熔点很高,但硬度较小,错误。
11.KO2的晶体结构与NaCl相似,KO2可以看成是Na+的位置由K+代替,Cl-的位置由O代替,则下列对于KO2晶体结构的描述正确的是( )
A.与K+距离相等且最近的O共有8个
B.与K+距离相等且最近的O构成的多面体是正八面体
C.与K+距离相等且最近的K+有8个
D.一个KO2晶胞中的K+和O粒子数均为8个
答案 B
解析 A项,K+位于晶胞棱心,与K+距离相等且最近的O位于顶点和面心,共有6个,错误;B项,与K+距离相等且最近的O共有6个,构成正八面体,K+位于正八面体中心,正确;C项,K+位于晶胞棱心,则被横平面、竖平面和正平面共有,且每一个平面有4个K+距离最近,共4×3=12个,错误;D项,K+位于晶胞棱心和体心,数目为12×+1=4,O位于顶点和面心,数目为8×+6×=4,即一个KO2晶胞中摊得的K+和O粒子数均为4个,错误。
三、非选择题
12.(2019·常州一中高三考试)已知:硫酸铜溶液中滴入氨基乙酸钠(H2N—CH2—COONa)即可得到配合物A。其结构如图所示:
(1)Cu元素基态原子的外围电子排布式为_________________________________。
(2)元素C、N、O的第一电离能由大到小排列顺序为___________________________。
(3)配合物A中碳原子的轨道杂化类型为_________________________________________。
(4)1 mol氨基乙酸钠(H2N—CH2—COONa)含有σ键的数目为________。
(5)氨基乙酸钠分解产物之一为二氧化碳。写出二氧化碳的一种等电子体:____________________________________________(写化学式)。
(6)已知:硫酸铜灼烧可以生成一种红色晶体,其结构如图所示,则该化合物的化学式是________________________________________________________________________。
答案 (1)3d104s1 (2)N>O>C (3)sp2、sp3
(4)8NA (5)N2O(或SCN-、N等) (6)Cu2O
解析 (3)配合物A分子中一种碳有C==O,碳的杂化方式为sp2杂化,另一种碳周围都是单键,碳的杂化方式为sp3杂化。
(4)共价单键为σ键,共价双键中一个是σ键一个是π键,1个H2N—CH2—COONa分子中含有9个σ键,所以1 mol氨基乙酸钠中含有σ键的数目为9NA。
(5)一个二氧化碳分子中原子个数为3个,价电子数为16,原子个数相等、价电子数相等的微粒为等电子体,则CO2的等电子体为:N2O或SCN-、N等。
(6)利用均摊法知,该化合物中O原子个数=1+8×=2,Cu原子个数=4,铜原子和氧原子个数之比=4∶2=2∶1,所以其化学式为:Cu2O。
13.(2019·溧水高级中学高三学情调研)氢氧化镍在乙醇的悬浊液中可发生如下反应生成单质镍的配合物:
Ni(OH)2+5CH3NC===(CH3NC)4Ni+CH3NCO+H2O
(1)Ni2+基态核外电子排布式为_______________________________。
(2)CH3NC(其结构简式为CH3—NC)分子中碳原子轨道的杂化类型是________;1 mol CH3NC中σ键的数目为________。
(3)用光气(COCl2)与甲胺(CH3NH2)可以制取CH3NCO。
①与COCl2互为等电子体的一种阴离子为__________________________________________。
②甲胺极易溶于水,除因为它们都是极性分子外,还因为______________________。
(4)Ni单质的晶胞结构如图所示,每个晶胞中含Ni原子数目为________。
答案 (1) [Ar]3d8(或1s22s22p63s23p63d8) (2) sp、sp3 5NA (3)①CO或NO ② 甲胺能与水形成分子间氢键 (4)4
解析 (2)CH3NC中甲基上的碳是sp3杂化,而碳氮三键中的碳是sp杂化,1 mol CH3NC中σ键为5 mol。(3)①原子数和价电子数都相等的微粒互为等电子体,与COCl2互为等电子体的阴离子的化学式为CO或NO;②因为甲胺能与水形成分子间氢键,所以甲胺极易溶于水。(4)每个晶胞中镍原子个数=8×+6×=4。
14.(2018·江苏省丹阳高级中学高三上学期期中)甲基呋喃与氨在高温下反应得到甲基吡咯:
(1)Zn的基态原子核外电子排布式为_______________________________________________。
(2)配合物[Zn(NH3)3(H2O)]2+中,与Zn2+形成配位键的原子是________(填元素符号)。
(3)1 mol甲基呋喃分子中含有σ键的数目为________。
(4)甲基吡咯分子中碳原子轨道的杂化轨道类型是____________。与NH3分子互为等电子体的阳离子为____________。
(5)甲基吡咯的熔、沸点高于甲基呋喃的原因是___________________________________。
(6)锌的某种化合物晶胞结构如图所示,则构成该化合物的两种粒子个数比为________。
答案 (1)[Ar]3d104s2(或1s22s22p63s23p63d104s2)
(2)N和O
(3)12NA
(4)sp3和sp2 H3O+
(5)甲基吡咯分子间存在氢键
(6)1∶1
解析 (1)锌是30号元素,基态核外电子排布式为[Ar]3d104s2或1s22s22p63s23p63d104s2。(2)配合物[Zn(NH3)3(H2O)]2+中氨气分子中的氮原子提供孤对电子与锌离子形成配位键,水分子中的氧原子提供孤对电子与锌离子形成配位键。(3)每个甲基呋喃分子中含有6个碳氢键,即为σ键,含有2个碳碳单键,2个碳氧单键,2个碳碳双键,每个单键都是1个σ键,双键中含有1个σ键和1个π键,所以总共有12个σ键。(4)甲基吡咯分子中有两类碳原子,一类碳原子形成碳碳单键,采用sp3杂化,一类碳原子形成了碳碳双键,采用sp2杂化,与氨气分子互为等电子体的物质含有4个原子且有10个电子,所以为水合氢离子。(5)甲基呋喃的氧原子没有与氢原子形成共价键,所以无法形成分子间氢键,而甲基吡咯的氮原子和氢原子形成了共价键,可以形成分子间氢键,从而提高了熔、沸点。(6)X原子位于晶胞的顶点和面心,所以一个晶胞中X的原子个数为8×+6×=4,晶胞中含有4个锌离子,则两种粒子个数比为4∶4=1∶1。
考纲要求 1.理解离子键的含义,能说明离子键的形成。2.了解NaCl型和CsCl型离子晶体的结构特征,能用晶格能解释典型离子化合物的某些物理性质。3.了解原子晶体的特征,能描述金刚石、二氧化硅等原子晶体的结构与性质的关系。4.能用金属键的自由电子理论解释金属的某些物理性质。5.知道金属晶体的基本堆积方式,了解简单晶体的晶胞结构特征(晶体内部空隙的识别、与晶胞的边长等晶体结构参数相关的计算不作要求)。6.了解分子晶体与原子晶体、离子晶体、金属晶体的结构微粒、微粒间作用力的区别。
考点一 晶体概念及结构模型
1.晶体与非晶体
(1)晶体与非晶体的比较
晶体
非晶体
结构特征
结构微粒周期性有序排列
结构微粒无序排列
性质特征
自范性
有
无
熔点
固定
不固定
异同表现
各向异性
各向同性
二者区别方法
间接方法
看是否有固定的熔点
科学方法
对固体进行X-射线衍射实验
(2)得到晶体的途径
①熔融态物质凝固。
②气态物质冷却不经液态直接凝固(凝华)。
③溶质从溶液中析出。
(3)晶胞
①概念:描述晶体结构的基本单元。
②晶体中晶胞的排列——无隙并置
无隙:相邻晶胞之间没有任何间隙。
并置:所有晶胞平行排列、取向相同。
2.晶胞组成的计算——均摊法
(1)原则
晶胞任意位置上的一个原子如果是被n个晶胞所共有,那么,每个晶胞对这个原子分得的份额就是。
(2)方法
①长方体(包括立方体)晶胞中不同位置的粒子数的计算。
②非长方体晶胞中粒子视具体情况而定,如石墨晶胞每一层内碳原子排成六边形,其顶点(1个碳原子)被三个六边形共有,每个六边形占。
3.常见晶体结构模型
(1)原子晶体(金刚石和二氧化硅)
①金刚石晶体中,每个C与另外4个C形成共价键,C—C 键之间的夹角是109.5°,最小的环是六元环。含有1 mol C的金刚石中,形成的共价键有2 mol。
②SiO2晶体中,每个Si原子与4个O原子成键,每个O原子与2个硅原子成键,最小的环是十二元环,在“硅氧”四面体中,处于中心的是Si原子,1 mol SiO2中含有4 mol Si—O键。
(2)分子晶体
①干冰晶体中,每个CO2分子周围等距且紧邻的CO2分子有12个。
②冰的结构模型中,每个水分子与相邻的4个水分子以氢键相连接,含1 mol H2O的冰中,最多可形成2 mol“氢键”。
(3)离子晶体
①NaCl型:在晶体中,每个Na+同时吸引6个Cl-,每个Cl-同时吸引6个Na+,配位数为6。每个晶胞含4个Na+和4个Cl-。
②CsCl型:在晶体中,每个Cl-吸引8个Cs+,每个Cs+吸引8个Cl-,配位数为8。
(4)石墨晶体
石墨层状晶体中,层与层之间的作用是分子间作用力,平均每个正六边形拥有的碳原子个数是2,C原子采取的杂化方式是sp2。
(5)常见金属晶体的原子堆积模型
结构型式
常见金属
配位数
晶胞
面心立方最密堆积
Cu、Ag、Au
12
体心立
方堆积
Na、K、Fe
8
六方最
密堆积
Mg、Zn、Ti
12
(1)冰和碘晶体中相互作用力相同( )
(2)晶体内部的微粒按一定规律周期性的排列( )
(3)凡有规则外形的固体一定是晶体( )
(4)固体SiO2一定是晶体( )
(5)缺角的NaCl晶体在饱和NaCl溶液中会慢慢变为完美的立方体块( )
(6)晶胞是晶体中最小的“平行六面体”( )
(7)区分晶体和非晶体最可靠的方法是对固体进行X-射线衍射实验( )
答案 (1)× (2)√ (3)× (4)× (5)√ (6)× (7)√
(常见晶体结构模型)填空。
(1)在金刚石晶体中最小碳环含有________个C原子;每个C原子被________个最小碳环共用。
(2)在干冰中粒子间作用力有_______________________________________________。
(3)含1 mol H2O的冰中形成氢键的数目为________。
(4)在NaCl晶体中,每个Na+周围有________个距离最近且相等的Na+,每个Na+周围有________个距离最近且相等的Cl-,其空间构型为____________。
(5)在CaF2晶体中,每个Ca2+周围距离最近且等距离的F-有________个;每个F-周围距离最近且等距离的Ca2+有________个。
答案 (1)6 12 (2)共价键、范德华力 (3)2NA
(4)12 6 正八面体型 (5)8 4
1.如图为甲、乙、丙三种晶体的晶胞:
试写出:
(1)甲晶体化学式(X为阳离子)为________。
(2)乙晶体中A、B、C三种微粒的个数比是________。
(3)丙晶体中每个D周围结合E的个数是________。
(4)乙晶体中每个A周围结合B的个数为________。
答案 (1)X2Y (2)1∶3∶1 (3)8 (4)12
2.下图是由Q、R、G三种元素组成的一种高温超导体的晶胞结构,其中R为+2价,G为-2价,则Q的化合价为________。
答案 +3
解析 R:8×+1=2
G:8×+8×+4×+2=8
Q:8×+2=4
R、G、Q的个数之比为1∶4∶2,则其化学式为RQ2G4。
由于R为+2价,G为-2价,所以Q为+3价。
3.(1)硼化镁晶体在39 K时呈超导性。在硼化镁晶体中,镁原子和硼原子是分层排布的,下图是该晶体微观结构的透视图,图中的硼原子和镁原子投影在同一平面上。则硼化镁的化学式为________。
(2)在硼酸盐中,阴离子有链状、环状等多种结构形式。下图是一种链状结构的多硼酸根,则多硼酸根离子符号为________。
答案 (1)MgB2 (2)BO
解析 (1)每个Mg周围有6个B,而每个B周围有3个Mg,所以其化学式为MgB2。(2)从图可看出,每个单元中,都有一个B和一个O完全属于这个单元,剩余的2个O分别被两个结构单元共用,所以B∶O=1∶(1+2/2)=1∶2,化学式为BO。
4.Cu元素与H元素可形成一种红色化合物,其晶体结构单元如图所示。则该化合物的化学式为________。
答案 CuH
解析 根据晶胞结构可以判断:Cu():2×+12×+3=6;
H():6×+1+3=6,所以化学式为CuH。
考点二 四种晶体的性质与判断
1.四种晶体类型比较
类型
比较
分子晶体
原子晶体
金属晶体
离子晶体
构成粒子
分子
原子
金属阳离子
和自由电子
阴、阳离子
粒子间的相互作用力
分子间作用力
共价键
金属键
离子键
硬度
较小
很大
有的很大,
有的很小
较大
熔、沸点
较低
很高
有的很高,
有的很低
较高
溶解性
相似相溶
难溶于任何溶剂
常见溶剂难溶
大多易溶于水等极性溶剂
导电、传热性
一般不导电,溶于水后有的导电
一般不具有导电性
电和热的良导体
晶体不导电,水溶液或熔融态导电
2.离子晶体的晶格能
(1)定义
气态离子形成1 mol离子晶体释放的能量,通常取正值,单位:kJ·mol-1。
(2)影响因素
①离子所带电荷数:离子所带电荷数越多,晶格能越大。
②离子的半径:离子的半径越小,晶格能越大。
(3)与离子晶体性质的关系
晶格能越大,形成的离子晶体越稳定,且熔点越高,硬度越大。
(1)在晶体中只要有阴离子就一定有阳离子( )
(2)在晶体中只要有阳离子就一定有阴离子( )
(3)原子晶体的熔点一定比金属晶体的高( )
(4)分子晶体的熔点一定比金属晶体的低( )
(5)离子晶体一定都含有金属元素( )
(6)金属元素和非金属元素组成的晶体不一定是离子晶体( )
(7)原子晶体的熔点一定比离子晶体的高( )
答案 (1)√ (2)× (3)× (4)× (5)× (6)√ (7)×
1.在下列物质中:NaCl、NaOH、Na2S、H2O2、Na2S2、(NH4)2S、CO2、CCl4、C2H2、SiO2、SiC、晶体硅、金刚石、晶体氩。
(1)其中只含有离子键的离子晶体是______________________________________________。
(2)其中既含有离子键又含有极性共价键的离子晶体是________________________。
(3)其中既含有离子键又含有极性共价键和配位键的离子晶体是__________。
(4)其中既含有离子键又含有非极性共价键的离子晶体是__________。
(5)其中含有极性共价键的非极性分子是_______________________________________。
(6)其中含有极性共价键和非极性共价键的非极性分子是________。
(7)其中含有极性共价键和非极性共价键的极性分子是________________________。
(8)其中含有极性共价键的原子晶体是_____________________________________。
(9)不含共价键的分子晶体是__________,只含非极性共价键的原子晶体是____________。
答案 (1)NaCl、Na2S (2)NaOH、(NH4)2S (3)(NH4)2S (4)Na2S2 (5)CO2、CCl4、C2H2
(6)C2H2 (7)H2O2 (8)SiO2、SiC (9)晶体氩 晶体硅、金刚石
2.比较下列晶格能大小:
(1)NaCl________KCl;
(2)CaF2________MgO;
(3)Na2S________Na2O;
(4)CaO________KCl。
答案 (1)> (2)< (3)< (4)>
题组一 晶体类型判断
1.(1)CO能与金属Fe形成Fe(CO)5,该化合物熔点为253 K,沸点为376 K,其固体属于______晶体。
(2)[2015·全国卷Ⅱ,37(2)节选]O和Na的氢化物所属的晶体类型分别为________和________。
(3)NF3可由NH3和F2在Cu催化剂存在下反应直接得到:4NH3+3F2NF3+3NH4F
上述化学方程式中的5种物质所属的晶体类型有______________________________(填序号)。
a.离子晶体 b.分子晶体
c.原子晶体 d.金属晶体
答案 (1)分子
(2)分子晶体 离子晶体
(3)abd
2.(1)用“>”或“<”填空:
第一电离能
离子半径
熔点
酸性
Si____S
O2-____Na+
NaCl____Si
H2SO4____HClO4
(2)MgCl2在工业上应用广泛,可由MgO制备。
①MgO的熔点比BaO的熔点________(填“高”或“低”)。
②SiO2的晶体类型为________________。
(3)对于钠的卤化物(NaX)和硅的卤化物(SiX4),下列叙述正确的是________。
A.SiX4难水解
B.SiX4是共价化合物
C.NaX易水解
D.NaX的熔点一般高于SiX4
答案 (1)< > < <
(2)①高 ②原子晶体
(3)BD
解析 (1)同周期元素的第一电离能随原子序数的递增呈增大趋势,但s、p、d等轨道处于全空、半充满、全充满的稳定状态时,则出现反常现象。Si、S元素基态原子的价电子排布式分别为3s23p2、3s23p4,其中3p轨道均处于不稳定状态,因此Si的第一电离能小于S。O2-与Na+的核外电子排布相同,其电子排布式均为1s22s22p6,离子核外电子排布相同时,原子序数越大,离子半径越小,因此O2-的离子半径大于Na+。NaCl为离子晶体,Si为原子晶体,因此Si的熔点高于NaCl。一般来说,元素的非金属性越强,该元素的最高价氧化物对应水化物的酸性越强,Cl元素的非金属性强于S元素,则HClO4的酸性强于H2SO4。
(2)①Mg、Ba同主族,Mg2+的半径小于Ba2+,MgO的晶格能比BaO大,故MgO的熔点比BaO高。
②SiO2为空间立体网状结构,其熔、沸点很高,属于原子晶体。
(3)A项,硅的卤化物(SiX4)的水解比较强烈,如SiCl4+3H2O===H2SiO3↓+4HCl、SiF4+3H2O===H2SiO3↓+4HF,错误;B项,硅的卤化物(SiX4)全部由非金属元素构成,属于共价化合物,正确;C项,钠的卤化物(NaX)属于强酸强碱盐,不发生水解,错误;D项,钠的卤化物(NaX)是由离子键构成的,属于离子晶体,SiX4属于分子晶体,所以NaX的熔点一般高于SiX4,正确。
3.现有几组物质的熔点(℃)数据:
A组
B组
C组
D组
金刚石:3 550 ℃
Li:181 ℃
HF:-83 ℃
NaCl:801 ℃
硅晶体:1 410 ℃
Na:98 ℃
HCl:-115 ℃
KCl:776 ℃
硼晶体:2 300 ℃
K:64 ℃
HBr:-89 ℃
RbCl:718 ℃
二氧化硅:1 723 ℃
Rb:39 ℃
HI:-51 ℃
CsCl:645 ℃
据此回答下列问题:
(1)A组属于________晶体,其熔化时克服的微粒间的作用力是________。
(2)B组晶体共同的物理性质是________(填序号)。
①有金属光泽 ②导电性 ③导热性 ④延展性
(3)C组中HF熔点反常是由于_________________________________________________。
(4)D组晶体可能具有的性质是__________(填序号)。
①硬度小 ②水溶液能导电 ③固体能导电 ④熔融状态能导电
(5)D组晶体的熔点由高到低的顺序为NaCl>KCl>RbCl>CsCl,其原因为________________
________________________________________________________________________。
答案 (1)原子 共价键 (2)①②③④
(3)HF分子间能形成氢键,其熔化时需要消耗的能量更多(只要答出HF分子间能形成氢键即可) (4)②④
(5)D组晶体都为离子晶体,r(Na+)<r(K+)<r(Rb+)<r(Cs+),在离子所带电荷数相同的情况下,半径越小,晶格能越大,熔点就越高
解析 (1)A组熔点很高,为原子晶体,是由原子通过共价键形成的。(2)B组为金属晶体,具有①②③④四条共性。(3)HF中含有分子间氢键,故其熔点反常。(4)D组属于离子晶体,具有②④两条性质。(5)D组属于离子晶体,其熔点与晶格能有关。
题组二 晶体性质及应用
4.下列性质适合于分子晶体的是( )
A.熔点为1 070 ℃,易溶于水,水溶液导电
B.熔点为3 500 ℃,不导电,质硬,难溶于水和有机溶剂
C.能溶于CS2,熔点为112.8 ℃,沸点为444.6 ℃
D.熔点为97.82 ℃,质软,导电,密度为0.97 g·cm-3
答案 C
解析 A、B选项中的熔点高,不是分子晶体的性质,D选项是金属钠的性质,钠不是分子晶体。
5.ⅣA族元素及其化合物在材料等方面有重要用途。回答下列问题:
(1)碳的一种单质的结构如图(a)所示。该单质的晶体类型为________,依据电子云的重叠方式,原子间存在的共价键类型有________,碳原子的杂化轨道类型为________。
(2)石墨烯是从石墨材料中剥离出来的、由单质碳原子组成的二维晶体。将氢气加入石墨烯中可制得一种新材料石墨烷。下列判断错误的是________(填字母)。
A.石墨烯是一种强度很高的材料
B.石墨烯是电的良导体而石墨烷则为绝缘体
C.石墨烯与石墨烷均为高分子化合物
D.石墨烯与H2制得石墨烷的反应属于加成反应
(3)CH4、SiH4、GeH4的熔、沸点依次________(填“增大”或“减小”),其原因是________________________________________________________________________
________________________________________________________________________。
(4)SiO2比CO2熔点高的原因是__________________________________________________。
(5)四卤化硅SiX4的沸点和二卤化铅PbX2的熔点如图(b)所示。
①SiX4的沸点依F、Cl、Br、I次序升高的原因是_________________________________
________________________________________________________________________。
②结合SiX4的沸点和PbX2的熔点的变化规律,可推断:依F、Cl、Br、I次序,PbX2中的化学键的离子性________、共价性________。(填“增强”“不变”或“减弱”)
(6)水杨酸第一级电离形成离子,相同温度下,水杨酸的Ka2________苯酚()的Ka(填“>”“=”或“<”),其原因是____________________________
________________________________________________________________________。
(7)碳的另一种单质C60可以与钾形成低温超导化合物,晶体结构如图(c)所示,K位于立方体的棱上和立方体的内部,此化合物的化学式为________;其晶胞参数为1.4 nm,阿伏加德罗常数用NA表示,则晶体的密度为__________ g·cm-3。(只需列出式子)
答案 (1)混合型晶体 σ键、π键 sp2 (2)C (3)增大 三种物质均为分子晶体,结构与组成相似,相对分子质量越大,范德华力越大,熔、沸点越高 (4)SiO2为原子晶体而CO2为分子晶体 (5)①均为分子晶体,范德华力随相对分子质量增大而增大 ②减弱 增强 (6)< 中形成分子内氢键,使其更难电离出H+ (7)K3C60
解析 (2)石墨烯单层原子间以共价键相结合,强度很高,A正确;石墨烯层与层之间有自由移动的电子,是电的良导体,而石墨烷中没有自由移动的电子,为绝缘体,B正确;石墨烯只含一种碳元素,为碳的单质,C错误;石墨烯与H2间的反应属于加成反应,D项正确。
(5)①四卤化硅为分子晶体,F、Cl、Br、I的相对分子质量逐渐增大,沸点与相对分子质量有关,相对分子质量越大,沸点越高。②PbX2的熔点先降低后升高,其中PbF2为离子晶体,PbBr2、PbI2为分子晶体,可知依F、Cl、Br、I次序,PbX2中的化学键的离子性减弱、共价性增强。
(7)用均摊法求解。1个晶胞中含K:12×+9=12,C60:8×+6×=4,K与C60的个数比为12∶4=3∶1,此化合物的化学式为K3C60。1个晶胞的体积为(1.4 nm)3=(1.4×10-7)3 cm3,1个晶胞中含有4个K3C60,则ρ= g·cm-3。
(一)江苏试题组合
1.[2017·江苏,21(A)-(5)]某FexNy的晶胞如图1所示,Cu可以完全替代该晶体中a位置Fe或者b位置Fe,形成Cu替代型产物Fe(x-n)CunNy。FexNy转化为两种Cu替代型产物的能量变化如图2所示,其中更稳定的Cu替代型产物的化学式为________。
图1 FexNy晶胞结构示意图 图2 转化过程的能量变化
答案 Fe3CuN
2.[2014·江苏,21(A)-(5)]Cu2O在稀硫酸中生成Cu和CuSO4。铜晶胞结构如图所示,铜晶体中每个铜原子周围距离最近的铜原子数目为________。
答案 12
3.[2013·江苏,21(A)-(1)]元素X 位于第四周期,其基态原子的内层轨道全部排满电子,且最外层电子数为2。元素Y基态原子的3p 轨道上有4个电子。元素Z 的原子最外层电子数是其内层的3倍。X与Y所形成化合物晶体的晶胞如下图所示。
①在1个晶胞中,X离子的数目为________。
②该化合物的化学式为________。
答案 ①4 ②ZnS
(二)新课标三卷命题研究
1.晶体类型的判断
(1)[2015·全国卷Ⅰ,37(4)]CO能与金属Fe形成Fe(CO)5,该化合物的熔点为253 K,沸点为376 K,其固体属于________晶体。
(2)[2015·全国卷Ⅱ,37(2)改编]氧和钠的氢化物所属的晶体类型分别为____________和____________。
答案 (1)分子 (2)分子晶体 离子晶体
2.晶体微粒间作用力
(1)[2018·全国卷Ⅲ,35(3)节选]ZnF2具有较高的熔点(872 ℃),其化学键类型是__________。
(2)[2017·全国卷Ⅲ,35(4)节选]Mn(NO3)2中的化学键除了σ键外,还存在________________。
(3)[2016·全国卷Ⅰ,37(5)改编]Ge单晶具有金刚石型结构,其微粒之间存在的作用力是__________。
(4)[2016·全国卷Ⅱ,37(3)节选]单质铜及镍都是由________键形成的晶体。
答案 (1)离子键 (2)离子键和π键(Π键) (3)共价键 (4)金属
3.晶体熔、沸点高低的比较
(1)[2017·全国卷Ⅰ,35(2)节选]K和Cr属于同一周期,且核外最外层电子构型相同,但金属K的熔点、沸点等都比金属Cr低,原因是______________________________________。
(2)[2017·全国卷Ⅲ,35(3)改编]在CO2低压合成甲醇反应(CO2+3H2===CH3OH+H2O)所涉及的4种物质中,沸点从高到低的顺序为____________________________________________,
原因是_________________________________________________________________________。
(3)[2016·全国卷Ⅲ,37(4)]GaF3的熔点高于1 000 ℃,GaCl3的熔点为77.9 ℃,其原因是_________________________________________________________________________。
(4)[2015·全国卷Ⅱ,37(2)改编]单质氧有两种同素异形体,其中沸点高的是______________(填分子式),原因是___________________________________________________________。
答案 (1)K的原子半径较大且价电子数较少,金属键较弱
(2)H2O>CH3OH>CO2>H2 H2O与CH3OH均为极性分子,水中氢键比甲醇中多;CO2与H2均为非极性分子,CO2相对分子质量较大,范德华力较大 (3)GaF3为离子晶体,GaCl3为分子晶体
(4)O3 O3相对分子质量较大且是极性分子,范德华力较大
一、单项选择题
1.下列关于晶体的说法中,不正确的是( )
①共价键可决定分子晶体的熔、沸点
②含有金属阳离子的晶体一定是离子晶体
③晶体中原子呈周期性有序排列,有自范性;而非晶体中原子排列相对无序,无自范性
④MgO的晶格能远比NaCl大,这是因为前者离子所带的电荷数多,离子半径小
⑤晶胞是晶体结构的基本单元,晶体内部的微粒按一定规律作周期性重复排列
⑥干冰晶体中,一个CO2分子周围有12个CO2分子紧邻;CsCl和NaCl晶体中阴、阳离子的配位数都为6
⑦晶体尽可能采取紧密堆积方式,以使其变得比较稳定
A.①②⑥ B.②③④
C.④⑤⑥ D.②③⑦
答案 A
2.(2018·宿迁质检)下图为碘晶体晶胞结构。下列有关说法中正确的是( )
A.碘分子的排列有2种不同的取向,2种取向不同的碘分子以4配位数交替配位形成层结构
B.用均摊法可知平均每个晶胞中有4个碘原子
C.碘晶体为无限延伸的空间结构,是原子晶体
D.碘晶体中的碘原子间存在非极性键和范德华力
答案 A
解析 在立方体的顶面上,有5个I2,4个方向相同,结合其他面考虑可知A选项正确;每个晶胞中有4个碘分子,B选项错误;C项,此晶体是分子晶体,错误;D项,碘原子间只存在非极性共价键,范德华力存在于分子与分子之间,错误。
3.下列数据是对应物质的熔点(℃):
BCl3
Al2O3
Na2O
NaCl
AlF3
AlCl3
干冰
SiO2
-107
2 073
920
801
1 291
190
-57
1 723
据此做出的下列判断中错误的是( )
A.铝的化合物的晶体中有的是离子晶体
B.表中只有BCl3和干冰是分子晶体
C.同族元素的氧化物可形成不同类型的晶体
D.不同族元素的氧化物可形成相同类型的晶体
答案 B
解析 A项,氧化铝的熔点高,属于离子晶体,则铝的化合物的晶体中有的是离子晶体,正确;B项,BCl3、AlCl3和干冰均是分子晶体,错误;C项,同族元素的氧化物可形成不同类型的晶体,例如CO2是分子晶体,二氧化硅是原子晶体,正确。
4.下列物质的熔、沸点高低顺序中,正确的是( )
A.金刚石>晶体硅>二氧化硅>碳化硅
B. >
C.MgO>H2O>O2>Br2
D.金刚石>生铁>纯铁>钠
答案 B
解析 A项,同属于原子晶体,熔、沸点高低主要看共价键的强弱,显然对键能而言,晶体硅<碳化硅<二氧化硅,错误;B项,形成分子间氢键的物质的熔、沸点要大于形成分子内氢键的物质的熔、沸点,正确;C项,对于不同类型晶体,其熔、沸点高低一般为原子晶体>离子晶体>分子晶体,MgO>H2O>Br2>O2,错误;D项,生铁为铁合金,熔点要低于纯铁,错误。
5.(2018·宿迁高三上学期期初)有四种不同堆积方式的金属晶体的晶胞如图所示,有关说法正确的是( )
A.①为简单立方堆积,②为六方最密堆积,③为体心立方堆积,④为面心立方最密堆积
B.每个晶胞含有的原子数分别为①1个,②2个,③2个,④4个
C.晶胞中原子的配位数分别为①6,②8,③8,④12
D.空间利用率的大小关系为①<②<③<④
答案 B
6.(2018·泰州模拟)铁有如下δ、γ、α三种晶体结构,三种晶体在不同温度下能发生转化。下列说法不正确的是( )
A.δ、γ、α三种晶体互为同分异构体
B.α-Fe晶体中与每个铁原子等距离且最近的铁原子有6个
C.将铁加热到1 500 ℃分别急速冷却和缓慢冷却,得到的晶体类型不同,化学性质相同
D.γ-Fe晶体为面心立方最密堆积
答案 A
解析 Fe的δ、γ、α三种晶体结构不同,属于同素异形体,不是同分异构体,故A不正确;α-Fe晶体中与每个铁原子距离相等且最近的铁原子是相邻顶点上的铁原子,与每个铁原子等距离且最近的铁原子同层有4个,上、下层各1个,故共有6个,故B正确;急速冷却和缓慢冷却,得到的晶体类型不同,结构不同,物理性质不同,但化学性质相同,故C正确;γ-Fe晶体中Fe原子处于顶点与面心,属于面心立方最密堆积,故D正确。
7.钛酸钡的热稳定性好,介电常数高,在小型变压器、话筒和扩音器中都有应用。钛酸钡晶体的晶胞结构示意图如图所示,它的化学式是( )
A.BaTi8O12 B.BaTi4O5
C.BaTi2O4 D.BaTiO3
答案 D
解析 本题结合识图考查晶体的晶胞结构知识及空间想象能力。解题关键:由一个晶胞想象出在整个晶体中,每个原子为几个晶胞共用。仔细观察钛酸钡晶体的晶胞结构示意图可知:Ba2+在立方体的中心,完全属于该晶胞;Ti4+处于立方体的8个顶点,每个Ti4+为与之相连的8个立方体所共用,即每个Ti4+只有属于该晶胞;O2-处于立方体的12条棱的中点,每条棱为4个立方体共用,即每个O2-只有属于该晶胞。则晶体中Ba2+、Ti4+、O2-的个数比为1∶∶=1∶1∶3。
二、不定项选择题
8.下列说法正确的是( )
A.干冰和石英晶体中的化学键类型相同,熔化时需克服微粒间的作用力类型也相同
B.化学变化发生时,需要断开反应物中的化学键,并形成生成物中的化学键
C.CH4和CCl4中,每个原子的最外层都具有8电子稳定结构
D.NaHSO4晶体溶于水时,离子键被破坏,共价键也被破坏
答案 BD
解析 A项,干冰是分子晶体,而石英晶体是原子晶体,熔化时需克服微粒间的作用力分别是分子间作用力和共价键,错误;B项,化学反应的实质是断开旧化学键,形成新的化学键,所以化学变化发生时,需要断开反应物中的化学键,并形成生成物中的化学键,正确;C项,CH4分子中氢原子最外层达2电子的稳定结构,不是8电子稳定结构,错误;D项,NaHSO4晶体溶于水时,电离产生钠离子、氢离子和硫酸根离子,离子键被破坏,共价键也被破坏,正确。
9.下列有关说法不正确的是( )
A.四水合铜离子的模型如图1所示,1个水合铜离子中有4个配位键
B.CaF2晶体的晶胞如图2所示,每个CaF2晶胞平均占有8个Ca2+
C.H原子的电子云图如图3所示,H原子核外大多数电子在原子核附近运动
D.金属Cu中Cu原子堆积模型如图4,为最密堆积,每个Cu原子的配位数均为12
答案 BC
解析 A项,四水合铜离子中铜离子的配位数为4,配体是水,水中的氧原子提供孤电子对与铜离子形成配位键,正确;B项,根据均摊法可知,在CaF2晶体的晶胞中,每个CaF2晶胞平均占有Ca2+个数为8×+6×=4,错误;C项,电子云密度表示电子在某一区域出现的机会的多少,H原子最外层只有一个电子,所以不存在大多数电子,只能说H原子的一个电子在原子核附近出现的机会较多,错误;D项,在金属晶体的最密堆积中,对于每个原子来说,其周围的原子有同一层上的六个原子和上一层的三个及下一层的三个,故每个原子周围都有12个原子与之相连,正确。
10.下图分别代表NaCl、金刚石、干冰、石墨结构的一部分。下列说法正确的是( )
A.NaCl晶体只有在熔融状态下离子键被完全破坏,才能形成自由移动的离子
B.金刚石中存在的化学键只有共价键,不能导电
C.干冰中的化学键只需吸收很少的热量就可以被破坏,所以干冰容易升华
D.石墨中碳原子的最外层电子都参与了共价键的形成,故熔点很高、硬度很大
答案 B
解析 A项,NaCl是离子化合物,在溶于水或熔融状态下离子键均能被完全破坏,错误;B项,金刚石为原子晶体,化学键只有共价键,不能导电,正确;C项,干冰属于分子晶体,干冰升华是物理变化,破坏的是分子间作用力,化学键不变,错误;D项,石墨中的碳原子用sp2杂化轨道与相邻的三个碳原子以σ键结合,形成正六边形的平面层状结构,而每个碳原子还有一个2p轨道,其中有一个2p电子,这些p轨道又都互相平行,并垂直于碳原子sp2杂化轨道构成的平面,形成了大π键,因而这些π电子可以在整个碳原子平面上活动,类似金属键的性质,石墨为层状结构,层与层之间通过范德华力连接,所以石墨的熔点很高,但硬度较小,错误。
11.KO2的晶体结构与NaCl相似,KO2可以看成是Na+的位置由K+代替,Cl-的位置由O代替,则下列对于KO2晶体结构的描述正确的是( )
A.与K+距离相等且最近的O共有8个
B.与K+距离相等且最近的O构成的多面体是正八面体
C.与K+距离相等且最近的K+有8个
D.一个KO2晶胞中的K+和O粒子数均为8个
答案 B
解析 A项,K+位于晶胞棱心,与K+距离相等且最近的O位于顶点和面心,共有6个,错误;B项,与K+距离相等且最近的O共有6个,构成正八面体,K+位于正八面体中心,正确;C项,K+位于晶胞棱心,则被横平面、竖平面和正平面共有,且每一个平面有4个K+距离最近,共4×3=12个,错误;D项,K+位于晶胞棱心和体心,数目为12×+1=4,O位于顶点和面心,数目为8×+6×=4,即一个KO2晶胞中摊得的K+和O粒子数均为4个,错误。
三、非选择题
12.(2019·常州一中高三考试)已知:硫酸铜溶液中滴入氨基乙酸钠(H2N—CH2—COONa)即可得到配合物A。其结构如图所示:
(1)Cu元素基态原子的外围电子排布式为_________________________________。
(2)元素C、N、O的第一电离能由大到小排列顺序为___________________________。
(3)配合物A中碳原子的轨道杂化类型为_________________________________________。
(4)1 mol氨基乙酸钠(H2N—CH2—COONa)含有σ键的数目为________。
(5)氨基乙酸钠分解产物之一为二氧化碳。写出二氧化碳的一种等电子体:____________________________________________(写化学式)。
(6)已知:硫酸铜灼烧可以生成一种红色晶体,其结构如图所示,则该化合物的化学式是________________________________________________________________________。
答案 (1)3d104s1 (2)N>O>C (3)sp2、sp3
(4)8NA (5)N2O(或SCN-、N等) (6)Cu2O
解析 (3)配合物A分子中一种碳有C==O,碳的杂化方式为sp2杂化,另一种碳周围都是单键,碳的杂化方式为sp3杂化。
(4)共价单键为σ键,共价双键中一个是σ键一个是π键,1个H2N—CH2—COONa分子中含有9个σ键,所以1 mol氨基乙酸钠中含有σ键的数目为9NA。
(5)一个二氧化碳分子中原子个数为3个,价电子数为16,原子个数相等、价电子数相等的微粒为等电子体,则CO2的等电子体为:N2O或SCN-、N等。
(6)利用均摊法知,该化合物中O原子个数=1+8×=2,Cu原子个数=4,铜原子和氧原子个数之比=4∶2=2∶1,所以其化学式为:Cu2O。
13.(2019·溧水高级中学高三学情调研)氢氧化镍在乙醇的悬浊液中可发生如下反应生成单质镍的配合物:
Ni(OH)2+5CH3NC===(CH3NC)4Ni+CH3NCO+H2O
(1)Ni2+基态核外电子排布式为_______________________________。
(2)CH3NC(其结构简式为CH3—NC)分子中碳原子轨道的杂化类型是________;1 mol CH3NC中σ键的数目为________。
(3)用光气(COCl2)与甲胺(CH3NH2)可以制取CH3NCO。
①与COCl2互为等电子体的一种阴离子为__________________________________________。
②甲胺极易溶于水,除因为它们都是极性分子外,还因为______________________。
(4)Ni单质的晶胞结构如图所示,每个晶胞中含Ni原子数目为________。
答案 (1) [Ar]3d8(或1s22s22p63s23p63d8) (2) sp、sp3 5NA (3)①CO或NO ② 甲胺能与水形成分子间氢键 (4)4
解析 (2)CH3NC中甲基上的碳是sp3杂化,而碳氮三键中的碳是sp杂化,1 mol CH3NC中σ键为5 mol。(3)①原子数和价电子数都相等的微粒互为等电子体,与COCl2互为等电子体的阴离子的化学式为CO或NO;②因为甲胺能与水形成分子间氢键,所以甲胺极易溶于水。(4)每个晶胞中镍原子个数=8×+6×=4。
14.(2018·江苏省丹阳高级中学高三上学期期中)甲基呋喃与氨在高温下反应得到甲基吡咯:
(1)Zn的基态原子核外电子排布式为_______________________________________________。
(2)配合物[Zn(NH3)3(H2O)]2+中,与Zn2+形成配位键的原子是________(填元素符号)。
(3)1 mol甲基呋喃分子中含有σ键的数目为________。
(4)甲基吡咯分子中碳原子轨道的杂化轨道类型是____________。与NH3分子互为等电子体的阳离子为____________。
(5)甲基吡咯的熔、沸点高于甲基呋喃的原因是___________________________________。
(6)锌的某种化合物晶胞结构如图所示,则构成该化合物的两种粒子个数比为________。
答案 (1)[Ar]3d104s2(或1s22s22p63s23p63d104s2)
(2)N和O
(3)12NA
(4)sp3和sp2 H3O+
(5)甲基吡咯分子间存在氢键
(6)1∶1
解析 (1)锌是30号元素,基态核外电子排布式为[Ar]3d104s2或1s22s22p63s23p63d104s2。(2)配合物[Zn(NH3)3(H2O)]2+中氨气分子中的氮原子提供孤对电子与锌离子形成配位键,水分子中的氧原子提供孤对电子与锌离子形成配位键。(3)每个甲基呋喃分子中含有6个碳氢键,即为σ键,含有2个碳碳单键,2个碳氧单键,2个碳碳双键,每个单键都是1个σ键,双键中含有1个σ键和1个π键,所以总共有12个σ键。(4)甲基吡咯分子中有两类碳原子,一类碳原子形成碳碳单键,采用sp3杂化,一类碳原子形成了碳碳双键,采用sp2杂化,与氨气分子互为等电子体的物质含有4个原子且有10个电子,所以为水合氢离子。(5)甲基呋喃的氧原子没有与氢原子形成共价键,所以无法形成分子间氢键,而甲基吡咯的氮原子和氢原子形成了共价键,可以形成分子间氢键,从而提高了熔、沸点。(6)X原子位于晶胞的顶点和面心,所以一个晶胞中X的原子个数为8×+6×=4,晶胞中含有4个锌离子,则两种粒子个数比为4∶4=1∶1。
相关资料
更多

