还剩25页未读,
继续阅读
所属成套资源:2020江苏高考物理二轮专题精品教案
成套系列资料,整套一键下载
2020江苏高考物理二轮讲义:专题七第1讲 力学实验与创新
展开
第1讲 力学实验与创新
本部分属于高考必考内容,每个实验都有可能考查,但纸带类问题为命题的重点.由于实验考查“来源于大纲,而又不拘泥于大纲”的特点,所以在复习中一定要把握实验的灵魂——原理,只有在原理性内容掌握之后,才能进行数据的处理和误差分析.
热点题型一 速度随时间变化的规律
实验
装置图
操作要领
考查热点
速度随时
间变化的
规律
①平行:细绳、纸带与长木板平行
②靠近:小车释放前,应靠近打点计时器的位置
③先后:实验时先接通电源,后释放小车;实验后先断开电源,后取下纸带
④适当:悬挂钩码要适当,避免纸带打出的点太少或过于密集
①考装置:器材装配正误
②考读算:读纸带计数点间位移;计算瞬时速度;计算加速度
③摩擦力:无须平衡(木板平放或斜放均可)
④远小于:无须满足(悬挂钩码质量与小车质量)
(2019·高考全国卷Ⅰ)某小组利用打点计时器对物块沿倾斜的长木板加速下滑时的运动进行探究.物块拖动纸带下滑,打出的纸带一部分如图所示.已知打点计时器所用交流电的频率为50 Hz,纸带上标出的每两个相邻点之间还有4个打出的点未画出.在A、B、C、D、E五个点中,打点计时器最先打出的是________点.在打出C点时物块的速度大小为________m/s(保留3位有效数字);物块下滑的加速度大小为________m/s2(保留2位有效数字).
[解析] 根据题述,物块加速下滑,在A、B、C、D、E五个点中,打点计时器最先打出的是A点.根据刻度尺读数规则可读出,B点对应的刻度为1.20 cm,C点对应的刻度为3.15 cm,D点对应的刻度为5.85 cm,E点对应的刻度为9. 30 cm,AB=1.20 cm, BC=1.95 cm, CD=2.70 cm, DE=3.45 cm.两个相邻计数点之间的时间T=5× s=0.10 s,根据做匀变速直线运动的质点在一段时间内的平均速度等于中间时刻的瞬时速度可得,打出C点时物块的速度大小为vC=≈0.233 m/s.由逐差法可得a=,解得a=0.75 m/s2.
[答案] A 0.233 0.75
纸带的三大应用
(1)由纸带确定时间:要区别打点计时器打出的点与人为选取的计数点之间的区别与联系,便于测量和计算.
(2)求解瞬时速度:利用做匀变速直线运动的物体在一段时间内的平均速度等于中间时刻的瞬时速度.如图所示,打n点时的瞬时速度vn=.
(3)用“逐差法”求加速度
如图所示,a=.
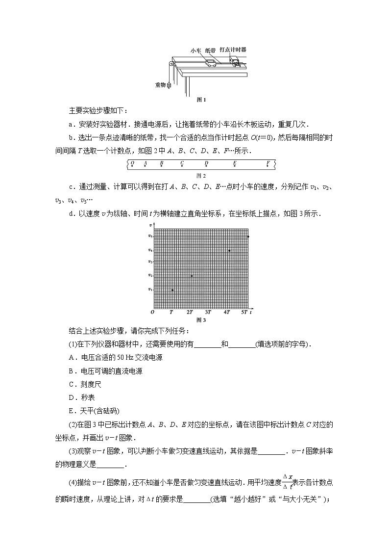
1.(2018·高考北京卷)用图1所示的实验装置研究小车速度随时间变化的规律.
主要实验步骤如下:
a.安装好实验器材.接通电源后,让拖着纸带的小车沿长木板运动,重复几次.
b.选出一条点迹清晰的纸带,找一个合适的点当作计时起点O(t=0),然后每隔相同的时间间隔T选取一个计数点,如图2中A、B、C、D、E、F…所示.
c.通过测量、计算可以得到在打A、B、C、D、E…点时小车的速度,分别记作v1、v2、v3、v4、v5…
d.以速度v为纵轴、时间t为横轴建立直角坐标系,在坐标纸上描点,如图3所示.
结合上述实验步骤,请你完成下列任务:
(1)在下列仪器和器材中,还需要使用的有________和________(填选项前的字母).
A.电压合适的50 Hz交流电源
B.电压可调的直流电源
C.刻度尺
D.秒表
E.天平(含砝码)
(2)在图3中已标出计数点A、B、D、E对应的坐标点,请在该图中标出计数点C对应的坐标点,并画出v-t图象.
(3)观察v-t图象,可以判断小车做匀变速直线运动,其依据是________.v-t图象斜率的物理意义是________.
(4)描绘v-t图象前,还不知道小车是否做匀变速直线运动.用平均速度表示各计数点的瞬时速度,从理论上讲,对Δt的要求是________(选填“越小越好”或“与大小无关”);从实验的角度看,选取的Δx大小与速度测量的误差________(选填“有关”或“无关”).
(5)早在16世纪末,伽利略就猜想落体运动的速度应该是均匀变化的.当时只能靠滴水计时,为此他设计了如图4所示的“斜面实验”,反复做了上百次,验证了他的猜想.请你结合匀变速直线运动的知识,分析说明如何利用伽利略“斜面实验”检验小球的速度是随时间均匀变化的.
解析:(1)打点计时器用的是低压交流电源,故选A;打相邻计数点的时间间隔是已知的,故不需要秒表;计数点间的距离需要用刻度尺测量,故选C;由于不需要知道小车和重物的质量,故不需要天平(含砝码).
(2)先标出计数点C对应的坐标点,连线时要让尽量多的点在一条直线上.
(3)依据v-t图象是直线(斜率一定),即小车的速度随时间均匀变化,判断出小车做匀变速直线运动;v-t图象斜率的物理意义是加速度.
(4)表示的是Δt内的平均速度,只有当Δt趋近于零时,才表示瞬时速度.因此若用表示各计数点的瞬时速度,对Δt的要求是越小越好;从实验的角度看,选取的Δx越大,Δx的测量误差就越小,算出的速度的误差就越小,因此从实验的角度看,选取的Δx大小与速度测量的误差有关.
(5)如果小球的初速度为0,其速度v∝t,那么它通过的位移x=t,故推出x∝t2.因此,只要测量小球通过不同位移所用的时间,就可以检验小球的速度是否随时间均匀变化.
答案:(1)A C (2)如图所示 (3)小车的速度随时间均匀变化 加速度 (4)越小越好 有关 (5)如果小球的初速度为0,其速度v∝t,那么它通过的位移x∝t2.因此,只要测量小球通过不同位移所用的时间,就可以检验小球的速度是否随时间均匀变化
热点题型二 力的平行四边形定则
实验
装置图
操作要领
考查热点
力
的平行
四边形
定则
①等效:同一次实验中橡皮条拉长后的结点O位置必须保持不变
②拉力:沿弹簧测力计轴线方向拉,橡皮条、弹簧测力计和细绳套与纸面平行;两分力F1、F2 的夹角不要太大或太小
③作图:选定比例要相同;严格按力的图示要求作平行四边形求合力
①考读数:弹簧测力计示数
②考操作:两次拉橡皮条时需将结点O拉到同一位置
③求合力:根据分力F1、F2 大小与方向用作图法求合力
④会区分:能区分合力的理论值与实验值
(2018·高考天津卷)某研究小组做“验证力的平行四边形定则”实验,所用器材有:方木板一块,白纸,量程为5 N的弹簧测力计两个,橡皮条(带两个较长的细绳套),刻度尺,图钉(若干个).
(1)具体操作前,同学们提出了如下关于实验操作的建议,其中正确的有________.
A.橡皮条应和两绳套夹角的角平分线在一条直线上
B.重复实验再次进行验证时,结点O的位置可以与前一次不同
C.使用测力计时,施力方向应沿测力计轴线;读数时视线应正对测力计刻度
D.用两个测力计互成角度拉橡皮条时的拉力必须都小于只用一个测力计时的拉力
(2)该小组的同学用同一套器材做了四次实验,白纸上留下的标注信息有结点位置O、力的标度、分力和合力的大小及表示力的作用线的点,如下图所示.其中对于提高实验精度最有利的是________.
[解析] (1)由力的平行四边形定则知,橡皮条和两绳套夹角的角平分线不一定在一条直线上,两分力的大小也不一定小于合力,A、D项错误;验证力的平行四边形定则时,每次实验需保证合力与分力作用效果相同,结点O必须在同一位置.但重复实验时,可以改变合力的大小,故结点O的位置可以与前一次不同,B项正确;使用测力计测力时,施力方向应沿测力计轴线方向,读数时视线应正对测力计刻度,C项正确.
(2)为了减小画图时表示力的方向的误差,记录各个力的方向时,需要确定相对较远的两个点,然后连线确定力的方向,A项错误;根据纸张大小,选择合适的标度,使图尽量大,所以B项正确,C、D项错误.
[答案] (1)BC (2)B
验证力的平行四边形定则中的两点说明
(1)本实验中一个弹簧测力计的作用效果与两个弹簧测力计的共同作用效果相同,具有等效替代关系,两次拉橡皮条时结点O完全重合,以保证力F1,F2 的合力与F的作用效果相同.
(2)实验过程中要同时记录弹簧测力计的示数及拉力方向.
2.(2017 ·高考全国卷Ⅲ)某探究小组做“验证力的平行四边形定则”实验,将画有坐标轴(横轴为x轴,纵轴为y轴,最小刻度表示1 mm)的纸贴在水平桌面上,如图(a)所示.将橡皮筋的一端Q固定在y轴上的B点(位于图示部分之外),另一端P位于y轴上的A点时,橡皮筋处于原长.
(1)用一只测力计将橡皮筋的P端沿y轴从A点拉至坐标原点O,此时拉力F的大小可由测力计读出.测力计的示数如图(b)所示,F的大小为________N.
(2)撤去(1)中的拉力,橡皮筋P端回到A点;现使用两个测力计同时拉橡皮筋,再次将P端拉至O点,此时观察到两个拉力分别沿图(a)中两条虚线所示的方向,由测力计的示数读出两个拉力的大小分别为F1=4.2 N和F2=5.6 N.
①用5 mm长度的线段表示1 N的力,以O为作用点,在图(a)中画出力F1、F2的图示,然后按平行四边形定则画出它们的合力F合;
②F合的大小为________N,F合与拉力F的夹角的正切值为________.
若F合与拉力F的大小及方向的偏差均在实验所允许的误差范围之内,则该实验验证了力的平行四边形定则.
解析:(1)由测力计的读数规则可知,读数为4.0 N.(2)①利用平行四边形定则作图;
②由图可知F合=4.0 N,从F合的顶点向x轴和y轴分别作垂线,顶点的横坐标对应长度为1 mm,顶点的纵坐标长度为20 mm,则可得出F合与拉力F的夹角的正切值为0.05.
答案:(1)4.0 (2)①F1、F2和F合如图所示
②4.0 0.05
热点题型三 加速度与物体质量、物体受力的关系
实验
装置图
操作要领
考查热点
加速度
与物体
质量、物
体受力
的关系
①平衡:必须平衡摩擦力(改变小车或重物质量,无须重新平衡)
②质量:重物的总质量远小于小车质量(若使用力传感器,或以小车与重物的系统为研究对象无须满足此要求)
③其他:细绳与长木板平行;小车靠近打点计时器的位置释放;实验时先接通电源,后释放小车
①考装置:器材安装正误;平衡摩擦力的方法、标准;质量控制要求
②测定a:根据纸带或光电门数据计算加速度
③求结论:描点作a-F或a-图象,并得出结论
④判成因:给定异常a-F图象,判断其可能成因
“探究加速度与物体质量、物体受力的关系”的实验装置如图甲所示,已知打点计时器所用电源频率为50 Hz,试回答下列问题.
(1)实验中在平衡小车与桌面之间摩擦力的过程中,打出了一条纸带如图乙所示,A、B、C、D、E、F、G这些点的间距如图中标示,其中每相邻两点间还有4个计时点未画出.根据测量结果计算:打C点时小车的速度大小为________ m/s;小车运动的加速度大小为________ m/s2.(结果保留三位有效数字)
(2)平衡好摩擦力后,将5个相同的砝码都放在小车上.挂上砝码盘,然后每次从小车上取一个砝码添加到砝码盘中,测量小车的加速度.根据小车的加速度a与砝码盘中砝码总重力F的实验数据作出的a-F图线如图丙所示,此图线不通过原点的主要原因是_______________________________________________________.
(3)在某次利用上述已调整好的装置进行实验时,保持砝码盘中砝码个数不变,小车自身的质量保持不变(已知小车的质量远大于砝码盘和盘中砝码的质量),在小车上加一个砝码,并测出此时小车的加速度a,调整小车上的砝码,进行多次实验,得到多组数据,以小车上砝码的质量m为横坐标,相应加速度的倒数为纵坐标,在坐标纸上作出如图丁所示的-m关系图线,实验结果验证了牛顿第二定律.如果图中纵轴上的截距为b,图线的斜率为k,则小车受到的拉力大小为________,小车的质量为________.
[解析] (1)纸带上两相邻计数点的时间间隔为T=0.10 s,s1=9.50 cm、s2=11.00 cm、s3=12.55 cm、s4=14.00 cm、s5=15.50 cm、s6=17.05 cm,由匀变速直线运动中,物体在某段时间内中间时刻的瞬时速度等于这段时间内的平均速度,可知打C点时小车的速度大小为vC=,代入数值得vC=1.18 m/s,小车的加速度大小为a=,代入数值得a=1.50 m/s2.
(2)平衡摩擦力后,F=0时就产生了加速度,说明未计入砝码盘的重力.
(3)当小车上无砝码时,小车加速度为a0=,设小车的质量为M,则小车受到的拉力为F=Ma0=;图丁中图线的函数关系式满足=km+b,根据牛顿第二定律得F=(m+M)a,可解得M=,F=.
[答案] (1)1.18 1.50 (2)未计入砝码盘的重力
(3)
验证牛顿第二定律的两点体会
(1)图象法处理实验数据一直是高考考查的热点,一般会要求根据数据画出图象,根据图象分析误差原因或根据图象斜率和截距等得出相关物理量.
(2)在实验中如果发现一个量x与另一个量y成反比,那么,x就应与成正比,可以将反比例函数的曲线转化为正比例函数的直线进行处理.
3.某物理课外小组利用图甲中的装置探究物体加速度与其所受合外力之间的关系.图中,置于实验台上的长木板水平放置,其右端固定一轻滑轮;轻绳跨过滑轮,一端与放在木板上的小滑车相连,另一端可悬挂钩码.本实验中可用的钩码共有N=5个,每个质量均为0.010 kg.实验步骤如下:
(1)将5个钩码全部放入小车中,在长木板左下方垫上适当厚度的小物块,使小车(和钩码)可以在木板上匀速下滑.
(2)将n(依次取n=1,2,3,4,5)个钩码挂在轻绳右端,其余N-n个钩码仍留在小车内;用手按住小车并使轻绳与木板平行.释放小车,同时用传感器记录小车在时刻t相对于其起始位置的位移s,绘制s-t图象,经数据处理后可得到相应的加速度a.
(3)对应于不同的n的a值见下表.n=2时的s-t图象如图乙所示;由图乙求出此时小车的加速度(保留2位有效数字),将结果填入下表.
n
1
2
3
4
5
a/(m·s-2)
0.20
0.58
0.78
1.00
(4)利用表中的数据在图丙中补齐数据点,并作出a-n图象.从图象可以看出:当物体质量一定时,物体的加速度与其所受的合外力成正比.
(5)利用a-n图象求得小车(空载)的质量为________kg(保留2位有效数字,重力加速度取g=9.8 m·s-2).
(6)若以“保持木板水平”来代替步骤(1),下列说法正确的是________(填入正确选项前的标号).
A.a-n图线不再是直线
B.a-n图线仍是直线,但该直线不过原点
C.a-n图线仍是直线,但该直线的斜率变大
解析:(3)实验中小车做匀加速直线运动,由于小车初速度为零,结合匀变速直线运动规律有s=at2,结合图乙得加速度a=0.39 m/s2.
(5)由(4)知,当物体质量一定,加速度与合外力成正比,得加速度a与n成正比,即a-n图象为过原点的直线.a-n图象的斜率k=0.196 m/s2,平衡摩擦力后,下端所挂钩码的总重力提供小车的加速度,nm0g=(M+Nm0)a,解得a=n,则k=,可得M=0.45 kg.
(6)若未平衡摩擦力,则下端所挂钩码的总重力与小车所受摩擦力的合力提供小车的加速度,即nm0g-μ[M+(N-n)m0]g=(M+Nm0)a,解得a=·n-μg,可见图线截距不为零,其图线仍是直线,图线斜率相对平衡摩擦力时有所变大,B、C项正确.
答案:(3)0.39(0.37~0.41均可)
(4)a-n图线如图
(5)0.45(0.43~0.47均可) (6)BC
热点题型四 探究动能定理
实验
装置图
操作要领
考查热点
探究
动能
定理
①平衡:须平衡摩擦力
②做功:橡皮筋做的功是变力做功,不能具体求解,须用倍增法改变功的大小
③小车:靠近打点计时器且接通电源再释放小车;每次小车须由同一位置静止弹出
①考装置:平衡摩擦力的方法、判断标准
②求速度:小车获得速度就是纸带上点距均匀的速度
③考图象:作W-v或W-v2 图象,得出结论
(2019·高考江苏卷)某兴趣小组用如图1所示的装置验证动能定理.
(1)有两种工作频率均为50 Hz的打点计时器供实验选用:
A.电磁打点计时器
B.电火花打点计时器
为使纸带在运动时受到的阻力较小,应选择______(选填“A”或“B”).
(2)保持长木板水平,将纸带固定在小车后端,纸带穿过打点计时器的限位孔.实验中,为消除摩擦力的影响,在砝码盘中慢慢加入沙子,直到小车开始运动.同学甲认为此时摩擦力的影响已得到消除.同学乙认为还应从盘中取出适量沙子,直至轻推小车观察到小车做匀速运动.看法正确的同学是________(选填“甲”或“乙”).
(3)消除摩擦力的影响后,在砝码盘中加入砝码.接通打点计时器电源,松开小车,小车运动.纸带被打出一系列点,其中的一段如图2所示.图中纸带按实际尺寸画出,纸带上A点的速度vA=________m/s.
(4)测出小车的质量为M,再测出纸带上起点到A点的距离为L.小车动能的变化量可用ΔEk=Mv算出.砝码盘中砝码的质量为m,重力加速度为g.实验中,小车的质量应________(选填“远大于”“远小于”或“接近”)砝码、砝码盘和沙子的总质量,小车所受合力做的功可用W=mgL算出.多次测量,若W与ΔEk均基本相等则验证了动能定理.
[解析] (1)电火花打点计时器对纸带的阻力小于电磁打点计时器对纸带的阻力,实验时误差小,故选B.
(2)在砝码盘中慢慢加入沙子直至小车开始运动,小车从静止开始做加速运动,此时砝码盘和沙子的总重力大于小车与长木板间的滑动摩擦力,平衡摩擦力过度;轻推小车,小车做匀速运动,根据平衡条件可知,此时砝码盘和沙子的总重力等于小车与长木板间的滑动摩擦力大小,消除了摩擦力的影响,看法正确的是同学乙.
(3)在匀变速直线运动中,中间时刻的瞬时速度等于这段时间内的平均速度.用刻度尺量出A左侧第一个点与A右侧第一个点之间的距离l=1.24 cm,再除以0.04 s,可得vA=0.31 m/s.
(4)本实验中砝码的重力应该是小车所受的合外力.只有当小车的质量远大于砝码盘、砝码以及沙子的总质量时,才可以将砝码的重力当成小车受到的合外力.
[答案] (1)B (2)乙 (3)0.31(0.30~0.33都算对) (4)远大于
探究动能定理的三点说明
(1)不是直接测量对小车做功,而是通过改变橡皮筋条数确定对小车做功W、2W、3W…
(2)由于橡皮筋做功而使小车获得的速度可以由纸带和打点计时器测出,进行若干次测量,就得到若干组功和速度的数据.
(3)以橡皮筋对小车做的功为横坐标,小车获得的速度的平方为纵坐标,作出v2-W图线,分析这条直线,可以得知橡皮筋对小车做的功与小车获得的速度的定量关系.
5.(2019·淮安高三第二次联考)某实验小组采用如图1所示的装置探究功与速度变化的关系,小车在橡皮筋的作用下弹出后,沿木板滑行,打点计时器的工作频率为50 Hz.
(1)实验中先后用同样的橡皮筋1条、2条、3条……合并起来挂在小车的前端进行多次实验,每次都要把小车拉到同一位置再释放,把第1次只挂1条橡皮筋时橡皮筋对小车做的功记为W1,第二次挂2条橡皮筋时橡皮筋对小车做的功记为2W1……橡皮筋对小车做功后而使小车获得的速度可由打点计时器打出的纸带测出.根据第四次的纸带(如图2所示)求得小车获得的速度为______________m/s(保留三位有效数字).
(2)若根据多次测量数据画出的W-v图象如图3所示,根据图线形状,可知对W于v的关系符合实际的图是________.
解析:(1)小车的速度应从匀速运动部分取纸带,可得小车获得的速度为=2.00 m/s.
(2)根据W=mv2,可得W是关于v的二次函数,为开口向上的抛物线,可知应选C.
答案:(1)2.00 (2)C
热点题型五 验证机械能守恒定律
实验
装置图
操作要领
考查热点
验证机
械能守
恒定律
①安装:打点计时器竖直安装;纸带沿竖直方向拉直
②重物:选密度大、质量大的金属块,且靠近打点计时器处释放
③速度:应用vn=,不能用vn=或vn=gt计算
①考装置:器材选择、装配正误
②考运算:下落速度的计算;减少重力势能与增加动能的计算
③考图象:-h或-Δh图象的斜率判断机械能守恒
(2019·连云港模拟)某同学用如图甲所示装置验证机械能守恒定律时,所用交流电源的频率为50 Hz,得到如图乙所示的纸带.选取纸带上打出的连续五个点A、B、C、D、E,测出A点距起点O的距离为s0=19.00 cm,点A、C间的距离为s1=8.36 cm,点C、E间的距离为s2=9.88 cm,g取9.8 m/s2,测得重物的质量为m=1 kg.
(1)下列做法正确的有________.
A.图甲中两限位孔必须在同一竖直线上
B.实验前,手应提住纸带上端,使纸带竖直
C.实验时,先放开纸带,再接通打点计时器的电源
D.数据处理时,应选择纸带上距离较近的两点作为初、末位置
(2)选取O、C两点为初、末位置验证机械能守恒定律,重物减少的重力势能是________J,打下C点时重物的速度大小是________m/s.(结果保留三位有效数字)
(3)根据纸带算出打下各点时重物的速度v,量出下落距离s,则以为纵坐标、以s为横坐标画出的图象应是下面的________.
(4)重物减少的重力势能总是略大于增加的动能,产生这一现象的原因是____________.(写出一条即可)
[解析] (1)图甲中两限位孔必须在同一竖直线上,实验前手应提住纸带上端,并使纸带竖直,这是为了减小打点计时器与纸带之间的摩擦,选项A、B正确;实验时,应先接通打点计时器的电源再放开纸带,选项C错误;数据处理时,应选择纸带上距离较远的两点作为初、末位置,以减小长度的测量误差,选项D错误.
(2)重物减少的重力势能为ΔEp=mg(s0+s1)=2.68 J,由于重物下落时做匀变速运动,根据匀变速直线运动任意时间段中间时刻的瞬时速度等于这段时间内的平均速度可知,打下C点时重物的速度为vC==2.28 m/s.
(3)物体自由下落过程中机械能守恒,可以得出mgs=mv2,即gs=v2,所以-s图线应是一条过原点的倾斜直线,选项C正确.
(4)在实验过程中,纸带与打点计时器之间的摩擦阻力、空气阻力是存在的,克服阻力做功损失了部分机械能,因此实验中重物减小的重力势能总是略大于增加的动能.
[答案] (1)AB (2)2.68 2.28 (3)C (4)重物受到空气阻力(或纸带与打点计时器之间存在阻力)
验证机械能守恒的三种方法
(1)利用起始点和第n点计算,代入ghn和v,如果在实验误差允许的范围内,ghn=v,则说明机械能守恒定律是正确的.
(2)任取两点A、B测出hAB,算出ghAB和(v-v)的值,如果在实验误差允许的范围内,ghAB=v-v,则说明机械能守恒定律是正确的.
(3)图象法,从纸带上选取多个点,测量从第一点到其余各点的下落高度h,并计算各点速度的平方v2,然后以v2 为纵轴,以h为横轴,根据实验数据绘出v2-h图线.若在误差允许的范围内图线是一条过原点且斜率为g的直线,则验证了机械能守恒.
5.某同学用图(a)所示的实验装置验证机械能守恒定律,其中打点计时器的电源为交流电源,可以使用的频率有20 Hz、30 Hz和40 Hz.打出纸带的一部分如图(b)所示.该同学在实验中没有记录交流电的频率f,需要用实验数据和其他题给条件进行推算.
(1)若从打出的纸带可判定重物匀加速下落,利用f和图(b)中给出的物理量可以写出:在打点计时器打出B点时,重物下落的速度大小为____________,打出C点时重物下落的速度大小为____________,重物下落的加速度大小为____________.
(2)已测得s1=8.89 cm,s2=9.50 cm,s3=10.10 cm;当地重力加速度大小为9.80 m/s2,实验中重物受到的平均阻力大小约为其重力的1%.由此推算出f为________Hz.
解析:(1)利用做匀变速直线运动的质点在一段时间内的平均速度等于中间时刻的瞬时速度,可得打点计时器打出B点时重物下落的速度vB==;打出C点时重物下落的速度vC==.根据加速度的定义,重物下落的加速度大小为a==(vC-vB)f=.
(2)根据题述,重物下落受到的阻力为0.01mg,由牛顿第二定律得,mg-0.01mg=ma,解得a=0.99g.由=0.99g,解得f=40 Hz.
答案:(1) (2)40
热点题型六 验证动量守恒定律
实验
装置图
操作要领
考查热点
验证
动量
守恒
定律
①安装:斜槽末端切线必须沿水平方向
②起点:斜槽末端上方l处
③速度:应用小球平抛的水平位移替代
①考装置:器材安装、小球选取、O点确定
②考测量:小球质量的测量和小球平抛运动的水平位移的测量
③考结论:根据实验数据判断两球碰撞过程中动量是否守恒
某同学用如图甲所示的装置通过半径相同的A、B两球(mA>mB)的碰撞来验证动量守恒定律.图甲中PQ是斜槽,QR为水平槽.实验时先使A球从斜槽上某一固定位置G由静止开始滚下,落到位于水平地面的记录纸上,留下痕迹.重复上述操作10次,得到10个落点痕迹.再把B球放在水平槽上靠近槽末端的地方,让A球仍从位置G由静止开始滚下,和B球碰撞后,A、B球分别在记录纸上留下各自的落点痕迹.重复这种操作10次.图甲中O点是水平槽末端R在记录纸上的竖直投影点.B球落点痕迹如图乙所示,其中米尺水平放置,且平行于G、R、O所在的平面,米尺的零点与O点对齐.
(1)碰撞后B球的水平射程应取为________ cm;
(2)在以下选项,哪些是本次实验必须进行的测量?________(填选项序号).
A.水平槽上未放B球时,测量A球落点位置到O点的距离
B.A球与B球碰撞后,测量A球落点位置到O点的距离
C.测量A球或B球的直径
D.测量A球和B球的质量(或两球质量之比)
E.测量水平槽面相对于O点的高度
(3)实验中,关于入射小球在斜槽上释放点的高低对实验影响的说法中正确的是________.
A.释放点越低,小球受阻力越小,入射小球速度越小,误差越小
B.释放点越低,两球碰后水平位移越小,水平位移测量的相对误差越小,两球速度的测量越准确
C.释放点越高,两球相碰时,相互作用的内力越大,碰撞前后动量之差越小,误差越小
D.释放点越高,入射小球对被碰小球的作用力越大,轨道对被碰小球的阻力越小
[解析] (1)如题图所示,用尽可能小的圆把小球落点圈在里面,由此可见圆心的位置是65.7 cm.
(2)小球做平抛运动时飞行时间相同,所以可以用水平位移的大小关系表示速度的大小关系.实验中要测量的数据有:两小球的质量m1、m2,三个落点到O点的距离x1、x2、x.所以选项A、B、D正确.
(3)入射小球的释放点越高,入射小球碰前速度越大,相碰时内力越大,阻力影响越小,可以较好地满足动量守恒的条件,有利于减小误差,故选项C正确.
[答案] (1)65.7 (2)ABD (3)C
抛体法验证动量守恒定律的三点注意
(1)测质量:用天平测出两小球的质量,并选定质量大的小球为入射小球.
(2)安装:如例7图甲所示安装实验装置.调整固定斜槽使斜槽底端水平.
(3)找点:用圆规画尽量小的圆把所有的小球落点圈在里面.圆心就是小球落点的平均位置.
6. 气垫导轨是常用的一种实验仪器.它是利用气泵使带孔的导轨与滑块之间形成气垫,使滑块悬浮在导轨上,滑块在导轨上的运动可视为没有摩擦.我们可以用带竖直挡板C和D的气垫导轨以及滑块A和B来验证动量守恒定律,实验装置如图所示(弹簧的长度忽略不计).
采用的实验步骤如下:
①用天平分别测出滑块A、B的质量mA、mB.
②调整气垫导轨,使导轨处于水平.
③在A和B间放入一个被压缩的轻弹簧,用电动卡销锁定,静止放置在气垫导轨上.
④用刻度尺测出A的左端至C板的距离L1.
⑤按下电钮放开卡销,同时使分别记录滑块A、B运动时间的计时器开始工作.当A、B滑块分别碰撞C、D挡板时停止计时,记下A、B分别到达C、D的运动时间t1和t2.
(1)实验中还应测量的物理量是_______________________________________________.
(2)利用上述测量的实验数据,验证动量守恒定律的表达式是__________________,上式中算得的A、B两滑块的动量大小并不完全相等,产生误差的原因是________________________________________________________________________
________________________________________________________________________
________________________________________________________________________.
(3)利用上述实验数据能否测出被压缩弹簧的弹性势能的大小?若能,请写出表达式:________________________________________________________________________
________________________________________________________________________.
解析:(1)验证动量守恒,需要知道物体的运动速度,在已经知道运动时间的前提下,需要测量运动物体的位移,即需要测量的量是B的右端至D板的距离L2.
(2)由于运动前两物体是静止的,故总动量为零,运动后两物体是向相反方向运动的,设向左运动为正,则有mAvA-mBvB=0,即mA-mB=0.造成误差的原因:一是测量本身就存在误差,如测量质量、时间、距离等存在误差;二是空气阻力或者是导轨不是水平的等.
(3)根据能量守恒知,两运动物体获得的动能之和就是弹簧的弹性势能,所以能测出.故有ΔEp=.
答案:(1)B的右端至D板的距离L2
(2)mA-mB=0 原因见解析 (3)见解析
热点题型七 创新实验
常见的两种创新方式
1.实验仪器的创新与改进
(1)光电计时器:比较精确的测量物体运动的瞬时速度,取代传统实验中的纸带法.
(2)气垫导轨:可以减少接触面的摩擦阻力,取代传统实验中利用倾斜长木板平衡摩擦力的方法,不需要再平衡摩擦力.
(3)力传感器:精确的测力工具,取代弹簧测力计的使用,可以详细地描述力的变化情况,减小误差.
2.实验情景的创新
(1)利用打点计时器或光电门结合运动学规律求出滑块加速度,再利用牛顿第二定律得到动摩擦因数,是常见的实验情景的创新.例如用如图甲所示装置测物块与长木板间的动摩擦因数.
(2)如图乙所示的装置,利用小球由静止向下摆动的过程验证机械能守恒定律是实验情景的创新.
(3)如图丙所示的装置,利用凹形桥模拟器和托盘秤测量玩具小车到达凹形桥最低点的速度是实验情景的创新.
(2018·高考江苏卷)某同学利用如图所示的实验装置来测量重力加速度g.细绳跨过固定在铁架台上的轻质滑轮,两端各悬挂一只质量为M的重锤.实验操作如下:
①用米尺量出重锤1底端距地面的高度H;
②在重锤1上加上质量为m的小钩码;
③左手将重锤2压在地面上,保持系统静止.释放重锤2,同时右手开启秒表,在重锤1落地时停止计时,记录下落时间;
④重复测量3次下落时间,取其平均值作为测量值t.
请回答下列问题:
(1)步骤④可以减小对下落时间t测量的________(选填“偶然”或“系统”)误差.
(2)实验要求小钩码的质量m要比重锤的质量M小很多,主要是为了________.
A.使H测得更准确
B.使重锤1下落的时间长一些
C.使系统的总质量近似等于2M
D.使细绳的拉力与小钩码的重力近似相等
(3)滑轮的摩擦阻力会引起实验误差.现提供一些橡皮泥用于减小该误差,可以怎么做?
________________________________________________________________________.
(4)使用橡皮泥改进实验后,重新进行实验测量,并测出所用橡皮泥的质量为m0.用实验中的测量量和已知量表示g,得g=________.
[解析] (1)步骤④多次测量取平均值是为了减小偶然误差.
(2)实验中,小钩码的重力实质上等于系统所受的合外力,实验要求小钩码的质量m要比重锤的质量M小很多,这样可以使重锤1下落的加速度小一些,根据H=at2可知,可以使重锤1下落的时间长一些,便于测量时间,选项B正确.
(3)在重锤1上粘些橡皮泥,调整橡皮泥质量,直至轻拉重锤1能够观察到重锤1匀速下落.
(4)对两个重锤、小钩码和橡皮泥组成的系统,由牛顿第二定律,mg=(2M+m+m0)a,重锤1下落,根据匀变速直线运动规律,H=at2,联立解得g=.
[答案] (1)偶然 (2)B (3)在重锤1上粘上橡皮泥,调整橡皮泥质量直至轻拉重锤1能观察到其匀速下落 (4)
7.(2019·高考全国卷Ⅱ)如图(a),某同学设计了测量铁块与木板间动摩擦因数的实验.所用器材有:铁架台、长木板、铁块、米尺、电磁打点计时器、频率50 Hz的交流电源、纸带等等.回答下列问题:
(1)铁块与木板间动摩擦因数μ=________(用木板与水平面的夹角θ、重力加速度g和铁块下滑的加速度a表示).
(2)某次实验时,调整木板与水平面的夹角使θ=30°.接通电源,开启打点计时器,释放铁块,铁块从静止开始沿木板滑下.多次重复后选择点迹清晰的一条纸带,如图(b)所示.图中的点为计数点(每两个相邻的计数点间还有4个点未画出).重力加速度为9.80 m/s2.可以计算出铁块与木板间的动摩擦因数为________(结果保留2位小数).
解析:(1)对铁块受力分析,由牛顿第二定律有mgsin θ-μmgcos θ=ma,解得μ=.
(2)两个相邻计数点之间的时间间隔T=5× s=0.10 s,由逐差法和Δx=aT2,可得a=1.97 m/s2,代入μ=,解得μ=0.35.
答案:(1) (2)0.35
(建议用时:60分钟)
1.(2017·高考江苏卷)利用如图甲所示的实验装置探究恒力做功与物体动能变化的关系.小车的质量为M=200.0 g,钩码的质量为m=10.0 g,打点计时器的电源为50 Hz的交流电.
(1)挂钩码前,为了消除摩擦力的影响,应调节木板右侧的高度,直至向左轻推小车观察到________________________________________________________________________.
(2)挂上钩码,按实验要求打出的一条纸带如图乙所示.选择某一点为O,依次每隔4个计时点取一个计数点.用刻度尺量出相邻计数点间的距离Δx,记录在纸带上.计算打出各计数点时小车的速度v,其中打出计数点“1”时小车的速度v1=________ m/s.
(3)将钩码的重力视为小车受到的拉力,取g=9.80 m/s2,利用W=mgΔx算出拉力对小车做的功W.利用Ek=Mv2算出小车动能,并求出动能的变化量ΔEk.计算结果见下表.
W/×10-3 J
2.45
2.92
3.35
3.81
4.26
ΔEk/×10-3 J
2.31
2.73
3.12
3.61
4.00
请根据表中的数据,在方格纸上作出ΔEk-W图象.
(4)实验结果表明,ΔEk总是略小于W.某同学猜想是由于小车所受拉力小于钩码重力造成的.用题中小车和钩码质量的数据可算出小车受到的实际拉力F=________N.
解析:(1)挂钩码前,调节木板右侧的高度,直至向左轻推小车,观察到小车做匀速直线运动,表明此时已消除了摩擦力的影响.(2)打出计数点“1”时小车的速度v1= m/s=0.228 m/s.(3)根据题表格中的数据,描点作图.(4)由于W=mgΔx,ΔEk=FΔx,则有F=mg=×0.01×9.8 N≈0.093 N.
答案:(1)小车做匀速运动 (2)0.228 (3)如图
(4)0.093
2.在做“速度随时间变化的规律”的实验时,某同学得到一条用打点计时器打下的纸带,如图所示,并在其上取了A、B、C、D、E、F、G共7个计数点,图中每相邻两个计数点间还有4个点没有画出,打点计时器接频率f=50 Hz的交流电源.
(1)打下E点时纸带的速度vE=________(用给定字母表示);
(2)若测得d6=65.00 cm,d3=19.00 cm,物体的加速度a=________ m/s2;
(3)如果当时交变电流的频率f>50 Hz,但当时做实验的同学并不知道,那么测得的加速度值和真实值相比________(选填“偏大”或“偏小”).
解析:(1)由于图中每相邻两个计数点间还有4个点没有画出,所以相邻的计数点之间的时间间隔为5T,利用匀变速直线运动的推论得vE==.
(2)根据匀变速直线运动的推论Δx=aT2 可得a===3.00 m/s2.
(3)如果在某次实验中,交流电的频率f>50 Hz,则实际打点周期变小,根据运动学公式Δx=aT2 得,测量的加速度值和真实的加速度值相比偏小.
答案:(1) (2)3.00 (3)偏小
3.(2019·宿迁二模)在用如图所示的装置做“加速度与物体质量、物体受力的关系”的实验中,保持小车质量一定时,验证小车加速度a与合力F的关系.
(1)除了电火花计时器、小车、砝码、砝码盘、细线、附有定滑轮的长木板、垫木、导线及开关外,在下列器材中必须使用的有________(选填选项前的字母).
A.220 V、50 Hz的交流电源
B.电压可调的直流电源
C.刻度尺
D.秒表
E.天平(附砝码)
(2)为了使细线对小车的拉力等于小车所受的合外力,以下操作正确的是________.
A.调整长木板上滑轮的高度使细线与长木板平行
B.在调整长木板的倾斜度平衡摩擦力时,应当将砝码和砝码盘通过细线挂在小车上
C.在调整长木板的倾斜度平衡摩擦力时,应当将穿过打点计时器的纸带连在小车上
(3)某同学得到了如图所示的一条纸带,由此得到小车加速度的大小a=________ m/s2.
(4)在本实验中认为细线的拉力F等于砝码和砝码盘的总重力mg,由此造成的误差是________(选填“系统误差”或“偶然误差”).设拉力的真实值为F真,小车的质量为M,为了使<5%,应当满足的条件是<________.
解析:(1)打点计时器接交流电源,处理纸带时要用刻度尺测出计数点间的距离,还要用到天平测砝码和砝码盘的质量,故选A、C、E.
(2)在平衡摩擦力时,不能挂盘;要保证细线和纸带与木板平行,先接通电源,再释放小车,若纸带做匀速直线运动,则纸带上的点间距是均匀的,即说明平衡了摩擦力,故选A、C.
(3)由图知AC=6.40 cm,CE=8.80 cm,CE-AC=a(2T)2,得a==15 m/s2.
(4)小车在做匀加速直线运动时,砝码和砝码盘也在做匀加速直线运动,细线的拉力F一定小于砝码和砝码盘的总重力mg,此误差不可避免,为系统误差;小车与砝码和砝码盘都在做加速度为a的匀加速直线运动,对砝码和砝码盘有mg—F真=ma,对小车有F真=Ma,代入<5%,得<5%.
答案:(1)ACE (2)AC (3)15 (4)系统误差 5%
4.某同学用如图甲所示的实验装置来验证“力的平行四边形定则”.弹簧测力计A挂于固定点P,下端用细线挂一重物M,弹簧测力计B的一端用细线系于O点,手持另一端向左拉,使结点O静止在某位置.分别读出弹簧测力计A和B的示数,并在贴于竖直木板的白纸上记录O点的位置和拉线的方向.
(1)本实验用的弹簧测力计示数的单位为N,图乙中的示数为________N.
(2)下列实验要求中不必要的是________.(填写选项前对应的字母,下同)
A.细线应尽可能长一些
B.应测量重物M所受的重力
C.细线AO与BO之间的夹角应尽可能大于90°
D.改变拉力的大小与方向,进行多次实验,每次都要使O点静止在同一位置
(3)图丙是在白纸上根据实验结果画出的力的图示,下列说法正确的是________.
A.图中的F是力F1 和F2 合力的理论值
B.图中的F′是力F1 和F2 合力的理论值
C.F是力F1 和F2 合力的实际测量值
D.本实验将细绳都换成橡皮条,同样能达到实验目的
(4)本实验采用的科学方法是________.
A.理想实验法 B.等效替代法
C.控制变量法 D.建立物理模型法
解析:(1)弹簧测力计每1 N被分成10格,每一小格为0.1 N,则弹簧测力计的读数为3.80 N;
(2)细线应尽可能长一些,能更加准确的记录力的方向;实验通过作出弹簧的弹力和重物的重力这三个力的图示,来验证“力的平行四边形定则”,因此重物的重力必须要知道;细线AO与BO之间的夹角适当大一点,不一定必须大于90°;只要验证两弹簧测力计拉力的合力大小等于重物的重力,方向竖直向上即可,每次只需保证O点保持静止即可,没必要每次都使O点静止在同一位置;
(3)在本实验中,按照平行四边形定则作出的合力F′是力F1 和F2 合力的理论值,而用一个弹簧测力计拉出的力F是F1 和F2 合力的实际测量值,本实验将细绳都换成橡皮条,同样能达到实验目的;
(4)本实验采用的科学方法是等效替代法.
答案:(1)3.80(3.79~3.81) (2)CD (3)BCD (4)B
5.(2019·苏州模拟)某同学利用图甲探究力对物体做的功与物体速度的关系,得到了如下表的数据:
实验次数
1
2
3
4
5
橡皮筋条数
1
3
4
5
7
小车速度
v/(m·s-1)
0.71
1.23
1.42
1.58
1.87
(注:每条橡皮筋拉长的长度都一样)
(1)设一条橡皮筋拉长到固定长度所做的功为W0,在图乙中大致画出橡皮筋所做的功W与小车速度v关系的图象.
(2)由图象大致可判断出W与v的关系可能是________.
解析:(1)根据表中数据可知,橡皮筋做的功与小车获得的速度有关,并且做功越多,小车获得的速度越大.据描点法可知,W与v的图线为抛物线,如图所示.
(2)由图象大致可判断出W与v的关系可能是W∝v2.
答案:(1)见解析图 (2)W∝v2
6.(2019·南通模拟)利用如图所示装置做“验证机械能守恒定律”实验.
(1)为验证机械能是否守恒,需要比较重物下落过程中任意两点间的________.
A.动能变化量与势能变化量
B.速度变化量与势能变化量
C.速度变化量与高度变化量
(2)除带夹子的重物、纸带、铁架台(含铁夹)、电磁打点计时器、导线及开关外,在下列器材中,还必须使用的两种器材是________.
A.交流电源
B.刻度尺
C.天平(含砝码)
(3)实验中,先接通电源,再释放重物,得到如图所示的一条纸带.在纸带上选取三个连续打出的点A、B、C,测得它们到起始点O的距离分别为hA、hB、hC.
已知当地重力加速度为g,打点计时器打点的周期为T.设重物的质量为m.从打O点到打B点的过程中,重物的重力势能变化量ΔEp=____________,动能变化量ΔEk=________.
(4)大多数学生的实验结果显示,重力势能的减少量大于动能的增加量,原因是________.
A.利用公式v=gt计算重物速度
B.利用公式v=计算重物速度
C.存在空气阻力和摩擦阻力的影响
D.没有采用多次实验取平均值的方法
(5)某同学想用下述方法研究机械能是否守恒,在纸带上选取多个计数点,测量它们到起始点O的距离h,计算对应计数点的重物速度v,描绘v2-h图象,并做如下判断:若图象是一条过原点的直线,则重物下落过程中机械能守恒,请你分析论证该同学的判断是否正确.
解析:(1)重物下落过程中重力势能减少,动能增加,故该实验需要比较重物下落过程中任意两点间的动能变化量与势能变化量在误差范围内是否相等,A项正确.
(2)电磁打点计时器使用的是交流电源,故要选A,需要测纸带上两点间的距离,还需要刻度尺,选B,根据mgh=mv2-0可将等式两边的质量抵消,不需要天平,不需用C.
(3)重物的重力势能变化量为ΔEp=-mghB,
动能的变化量ΔEk=mv=m.
(4)重物重力势能的减少量略大于动能的增加量,是因为重物下落过程中存在空气阻力和摩擦阻力的影响,C正确.
(5)该同学的判断不正确,在重物下落h的过程中,若阻力f恒定,根据mgh-fh=mv2-0,则v2=2h可知,v2-h图象就是过原点的一条直线.要想通过v2-h图象的方法验证机械能是否守恒,还必须看图象的斜率是否接近2g.
答案:(1)A (2)AB (3)-mghB m (4)C (5)不正确,理由见解析
7.(2019·常州模拟)如图所示为“验证碰撞中的动量守恒”实验装置示意图.
实验步骤为:
A.在地面上依次铺白纸和复写纸.
B.确定重锤对应点O.
C.不放球2,让球1从斜槽滑下,确定它落地点位置P.
D.把球2放在立柱上,让球1从斜槽滑下,与球2正碰后,确定球1和球2落地点位置M和N.
E.用刻度尺测量OM、OP、ON的长度.
F.看m1OM+m2ON与m1OP是否相等,以验证动量守恒.
上述步骤有几步不完善或有错误,请指出并写出相应的正确步骤.
________________________________________________________________________
________________________________________________________________________
________________________________________________________________________.
解析:为使小球离开轨道时的初速度相等,每次释放小球时应从同一高度由静止释放,故步骤D不完善;两球离开轨道后做平抛运动,它们抛出点的高度相等,在空中的运动时间t相等,若碰撞过程动量守恒,则有m1v1=m1v′1+m2v′2,两边同乘以t得m1v1t=m1v′1t+m2v′2t,即为m1=m1+m2(-d),故步骤F错误.
答案:D不完善,小球1应从斜槽的同一高度由静止释放;
F错误,应验证m1=m1+m2(-d)
8.某同学设计了一个用电磁打点计时器验证动量守恒定律的实验:在小车A的前端粘有橡皮泥,推动小车A使之做匀速直线运动,然后与原来静止在前方的小车B相碰并粘合成一体,继续做匀速直线运动.他设计的装置如图甲所示.在小车A后连着纸带,电磁打点计时器所用电源频率为50 Hz,长木板下垫着薄木片以平衡摩擦力.
(1)若已测得打点纸带如图乙所示,并测得各计数点间距(已标在图上).A为运动的起点,则应选________段来计算A碰前的速度.应选________段来计算A和B碰后的共同速度(以上两空选填“AB”“BC”“CD”或“DE”).
(2)已测得小车A的质量m1=0.4 kg,小车B的质量为m2=0.2 kg,则碰前两小车的总动量为________kg·m/s,碰后两小车的总动量为________kg·m/s.
解析:(1)从纸带上打点的情况看,BC段既表示小车做匀速运动,又表示小车有较大速度,因此BC段能较准确地描述小车A在碰撞前的运动情况,应选用BC段计算小
车A碰前的速度.从CD段打点的情况看,小车的运动情况还没稳定,而在DE段内小车运动稳定,故应选用DE段计算A和B碰后的共同速度.
(2)小车A的碰撞前的速度v0== m/s=1.050 m/s,
小车A在碰撞前的动量p0=m1v0=0.4×1.050 kg·m/s=0.420 kg·m/s.
碰撞后A、B的共同速度v== m/s=0.695 m/s,
碰撞后A、B的总动量p=(m1+m2)v=(0.2+0.4)×0.695 kg·m/s=0.417 kg·m/s.
答案:(1)BC DE (2)0.420 0.417
第1讲 力学实验与创新
本部分属于高考必考内容,每个实验都有可能考查,但纸带类问题为命题的重点.由于实验考查“来源于大纲,而又不拘泥于大纲”的特点,所以在复习中一定要把握实验的灵魂——原理,只有在原理性内容掌握之后,才能进行数据的处理和误差分析.
热点题型一 速度随时间变化的规律
实验
装置图
操作要领
考查热点
速度随时
间变化的
规律
①平行:细绳、纸带与长木板平行
②靠近:小车释放前,应靠近打点计时器的位置
③先后:实验时先接通电源,后释放小车;实验后先断开电源,后取下纸带
④适当:悬挂钩码要适当,避免纸带打出的点太少或过于密集
①考装置:器材装配正误
②考读算:读纸带计数点间位移;计算瞬时速度;计算加速度
③摩擦力:无须平衡(木板平放或斜放均可)
④远小于:无须满足(悬挂钩码质量与小车质量)
(2019·高考全国卷Ⅰ)某小组利用打点计时器对物块沿倾斜的长木板加速下滑时的运动进行探究.物块拖动纸带下滑,打出的纸带一部分如图所示.已知打点计时器所用交流电的频率为50 Hz,纸带上标出的每两个相邻点之间还有4个打出的点未画出.在A、B、C、D、E五个点中,打点计时器最先打出的是________点.在打出C点时物块的速度大小为________m/s(保留3位有效数字);物块下滑的加速度大小为________m/s2(保留2位有效数字).
[解析] 根据题述,物块加速下滑,在A、B、C、D、E五个点中,打点计时器最先打出的是A点.根据刻度尺读数规则可读出,B点对应的刻度为1.20 cm,C点对应的刻度为3.15 cm,D点对应的刻度为5.85 cm,E点对应的刻度为9. 30 cm,AB=1.20 cm, BC=1.95 cm, CD=2.70 cm, DE=3.45 cm.两个相邻计数点之间的时间T=5× s=0.10 s,根据做匀变速直线运动的质点在一段时间内的平均速度等于中间时刻的瞬时速度可得,打出C点时物块的速度大小为vC=≈0.233 m/s.由逐差法可得a=,解得a=0.75 m/s2.
[答案] A 0.233 0.75
纸带的三大应用
(1)由纸带确定时间:要区别打点计时器打出的点与人为选取的计数点之间的区别与联系,便于测量和计算.
(2)求解瞬时速度:利用做匀变速直线运动的物体在一段时间内的平均速度等于中间时刻的瞬时速度.如图所示,打n点时的瞬时速度vn=.
(3)用“逐差法”求加速度
如图所示,a=.
1.(2018·高考北京卷)用图1所示的实验装置研究小车速度随时间变化的规律.
主要实验步骤如下:
a.安装好实验器材.接通电源后,让拖着纸带的小车沿长木板运动,重复几次.
b.选出一条点迹清晰的纸带,找一个合适的点当作计时起点O(t=0),然后每隔相同的时间间隔T选取一个计数点,如图2中A、B、C、D、E、F…所示.
c.通过测量、计算可以得到在打A、B、C、D、E…点时小车的速度,分别记作v1、v2、v3、v4、v5…
d.以速度v为纵轴、时间t为横轴建立直角坐标系,在坐标纸上描点,如图3所示.
结合上述实验步骤,请你完成下列任务:
(1)在下列仪器和器材中,还需要使用的有________和________(填选项前的字母).
A.电压合适的50 Hz交流电源
B.电压可调的直流电源
C.刻度尺
D.秒表
E.天平(含砝码)
(2)在图3中已标出计数点A、B、D、E对应的坐标点,请在该图中标出计数点C对应的坐标点,并画出v-t图象.
(3)观察v-t图象,可以判断小车做匀变速直线运动,其依据是________.v-t图象斜率的物理意义是________.
(4)描绘v-t图象前,还不知道小车是否做匀变速直线运动.用平均速度表示各计数点的瞬时速度,从理论上讲,对Δt的要求是________(选填“越小越好”或“与大小无关”);从实验的角度看,选取的Δx大小与速度测量的误差________(选填“有关”或“无关”).
(5)早在16世纪末,伽利略就猜想落体运动的速度应该是均匀变化的.当时只能靠滴水计时,为此他设计了如图4所示的“斜面实验”,反复做了上百次,验证了他的猜想.请你结合匀变速直线运动的知识,分析说明如何利用伽利略“斜面实验”检验小球的速度是随时间均匀变化的.
解析:(1)打点计时器用的是低压交流电源,故选A;打相邻计数点的时间间隔是已知的,故不需要秒表;计数点间的距离需要用刻度尺测量,故选C;由于不需要知道小车和重物的质量,故不需要天平(含砝码).
(2)先标出计数点C对应的坐标点,连线时要让尽量多的点在一条直线上.
(3)依据v-t图象是直线(斜率一定),即小车的速度随时间均匀变化,判断出小车做匀变速直线运动;v-t图象斜率的物理意义是加速度.
(4)表示的是Δt内的平均速度,只有当Δt趋近于零时,才表示瞬时速度.因此若用表示各计数点的瞬时速度,对Δt的要求是越小越好;从实验的角度看,选取的Δx越大,Δx的测量误差就越小,算出的速度的误差就越小,因此从实验的角度看,选取的Δx大小与速度测量的误差有关.
(5)如果小球的初速度为0,其速度v∝t,那么它通过的位移x=t,故推出x∝t2.因此,只要测量小球通过不同位移所用的时间,就可以检验小球的速度是否随时间均匀变化.
答案:(1)A C (2)如图所示 (3)小车的速度随时间均匀变化 加速度 (4)越小越好 有关 (5)如果小球的初速度为0,其速度v∝t,那么它通过的位移x∝t2.因此,只要测量小球通过不同位移所用的时间,就可以检验小球的速度是否随时间均匀变化
热点题型二 力的平行四边形定则
实验
装置图
操作要领
考查热点
力
的平行
四边形
定则
①等效:同一次实验中橡皮条拉长后的结点O位置必须保持不变
②拉力:沿弹簧测力计轴线方向拉,橡皮条、弹簧测力计和细绳套与纸面平行;两分力F1、F2 的夹角不要太大或太小
③作图:选定比例要相同;严格按力的图示要求作平行四边形求合力
①考读数:弹簧测力计示数
②考操作:两次拉橡皮条时需将结点O拉到同一位置
③求合力:根据分力F1、F2 大小与方向用作图法求合力
④会区分:能区分合力的理论值与实验值
(2018·高考天津卷)某研究小组做“验证力的平行四边形定则”实验,所用器材有:方木板一块,白纸,量程为5 N的弹簧测力计两个,橡皮条(带两个较长的细绳套),刻度尺,图钉(若干个).
(1)具体操作前,同学们提出了如下关于实验操作的建议,其中正确的有________.
A.橡皮条应和两绳套夹角的角平分线在一条直线上
B.重复实验再次进行验证时,结点O的位置可以与前一次不同
C.使用测力计时,施力方向应沿测力计轴线;读数时视线应正对测力计刻度
D.用两个测力计互成角度拉橡皮条时的拉力必须都小于只用一个测力计时的拉力
(2)该小组的同学用同一套器材做了四次实验,白纸上留下的标注信息有结点位置O、力的标度、分力和合力的大小及表示力的作用线的点,如下图所示.其中对于提高实验精度最有利的是________.
[解析] (1)由力的平行四边形定则知,橡皮条和两绳套夹角的角平分线不一定在一条直线上,两分力的大小也不一定小于合力,A、D项错误;验证力的平行四边形定则时,每次实验需保证合力与分力作用效果相同,结点O必须在同一位置.但重复实验时,可以改变合力的大小,故结点O的位置可以与前一次不同,B项正确;使用测力计测力时,施力方向应沿测力计轴线方向,读数时视线应正对测力计刻度,C项正确.
(2)为了减小画图时表示力的方向的误差,记录各个力的方向时,需要确定相对较远的两个点,然后连线确定力的方向,A项错误;根据纸张大小,选择合适的标度,使图尽量大,所以B项正确,C、D项错误.
[答案] (1)BC (2)B
验证力的平行四边形定则中的两点说明
(1)本实验中一个弹簧测力计的作用效果与两个弹簧测力计的共同作用效果相同,具有等效替代关系,两次拉橡皮条时结点O完全重合,以保证力F1,F2 的合力与F的作用效果相同.
(2)实验过程中要同时记录弹簧测力计的示数及拉力方向.
2.(2017 ·高考全国卷Ⅲ)某探究小组做“验证力的平行四边形定则”实验,将画有坐标轴(横轴为x轴,纵轴为y轴,最小刻度表示1 mm)的纸贴在水平桌面上,如图(a)所示.将橡皮筋的一端Q固定在y轴上的B点(位于图示部分之外),另一端P位于y轴上的A点时,橡皮筋处于原长.
(1)用一只测力计将橡皮筋的P端沿y轴从A点拉至坐标原点O,此时拉力F的大小可由测力计读出.测力计的示数如图(b)所示,F的大小为________N.
(2)撤去(1)中的拉力,橡皮筋P端回到A点;现使用两个测力计同时拉橡皮筋,再次将P端拉至O点,此时观察到两个拉力分别沿图(a)中两条虚线所示的方向,由测力计的示数读出两个拉力的大小分别为F1=4.2 N和F2=5.6 N.
①用5 mm长度的线段表示1 N的力,以O为作用点,在图(a)中画出力F1、F2的图示,然后按平行四边形定则画出它们的合力F合;
②F合的大小为________N,F合与拉力F的夹角的正切值为________.
若F合与拉力F的大小及方向的偏差均在实验所允许的误差范围之内,则该实验验证了力的平行四边形定则.
解析:(1)由测力计的读数规则可知,读数为4.0 N.(2)①利用平行四边形定则作图;
②由图可知F合=4.0 N,从F合的顶点向x轴和y轴分别作垂线,顶点的横坐标对应长度为1 mm,顶点的纵坐标长度为20 mm,则可得出F合与拉力F的夹角的正切值为0.05.
答案:(1)4.0 (2)①F1、F2和F合如图所示
②4.0 0.05
热点题型三 加速度与物体质量、物体受力的关系
实验
装置图
操作要领
考查热点
加速度
与物体
质量、物
体受力
的关系
①平衡:必须平衡摩擦力(改变小车或重物质量,无须重新平衡)
②质量:重物的总质量远小于小车质量(若使用力传感器,或以小车与重物的系统为研究对象无须满足此要求)
③其他:细绳与长木板平行;小车靠近打点计时器的位置释放;实验时先接通电源,后释放小车
①考装置:器材安装正误;平衡摩擦力的方法、标准;质量控制要求
②测定a:根据纸带或光电门数据计算加速度
③求结论:描点作a-F或a-图象,并得出结论
④判成因:给定异常a-F图象,判断其可能成因
“探究加速度与物体质量、物体受力的关系”的实验装置如图甲所示,已知打点计时器所用电源频率为50 Hz,试回答下列问题.
(1)实验中在平衡小车与桌面之间摩擦力的过程中,打出了一条纸带如图乙所示,A、B、C、D、E、F、G这些点的间距如图中标示,其中每相邻两点间还有4个计时点未画出.根据测量结果计算:打C点时小车的速度大小为________ m/s;小车运动的加速度大小为________ m/s2.(结果保留三位有效数字)
(2)平衡好摩擦力后,将5个相同的砝码都放在小车上.挂上砝码盘,然后每次从小车上取一个砝码添加到砝码盘中,测量小车的加速度.根据小车的加速度a与砝码盘中砝码总重力F的实验数据作出的a-F图线如图丙所示,此图线不通过原点的主要原因是_______________________________________________________.
(3)在某次利用上述已调整好的装置进行实验时,保持砝码盘中砝码个数不变,小车自身的质量保持不变(已知小车的质量远大于砝码盘和盘中砝码的质量),在小车上加一个砝码,并测出此时小车的加速度a,调整小车上的砝码,进行多次实验,得到多组数据,以小车上砝码的质量m为横坐标,相应加速度的倒数为纵坐标,在坐标纸上作出如图丁所示的-m关系图线,实验结果验证了牛顿第二定律.如果图中纵轴上的截距为b,图线的斜率为k,则小车受到的拉力大小为________,小车的质量为________.
[解析] (1)纸带上两相邻计数点的时间间隔为T=0.10 s,s1=9.50 cm、s2=11.00 cm、s3=12.55 cm、s4=14.00 cm、s5=15.50 cm、s6=17.05 cm,由匀变速直线运动中,物体在某段时间内中间时刻的瞬时速度等于这段时间内的平均速度,可知打C点时小车的速度大小为vC=,代入数值得vC=1.18 m/s,小车的加速度大小为a=,代入数值得a=1.50 m/s2.
(2)平衡摩擦力后,F=0时就产生了加速度,说明未计入砝码盘的重力.
(3)当小车上无砝码时,小车加速度为a0=,设小车的质量为M,则小车受到的拉力为F=Ma0=;图丁中图线的函数关系式满足=km+b,根据牛顿第二定律得F=(m+M)a,可解得M=,F=.
[答案] (1)1.18 1.50 (2)未计入砝码盘的重力
(3)
验证牛顿第二定律的两点体会
(1)图象法处理实验数据一直是高考考查的热点,一般会要求根据数据画出图象,根据图象分析误差原因或根据图象斜率和截距等得出相关物理量.
(2)在实验中如果发现一个量x与另一个量y成反比,那么,x就应与成正比,可以将反比例函数的曲线转化为正比例函数的直线进行处理.
3.某物理课外小组利用图甲中的装置探究物体加速度与其所受合外力之间的关系.图中,置于实验台上的长木板水平放置,其右端固定一轻滑轮;轻绳跨过滑轮,一端与放在木板上的小滑车相连,另一端可悬挂钩码.本实验中可用的钩码共有N=5个,每个质量均为0.010 kg.实验步骤如下:
(1)将5个钩码全部放入小车中,在长木板左下方垫上适当厚度的小物块,使小车(和钩码)可以在木板上匀速下滑.
(2)将n(依次取n=1,2,3,4,5)个钩码挂在轻绳右端,其余N-n个钩码仍留在小车内;用手按住小车并使轻绳与木板平行.释放小车,同时用传感器记录小车在时刻t相对于其起始位置的位移s,绘制s-t图象,经数据处理后可得到相应的加速度a.
(3)对应于不同的n的a值见下表.n=2时的s-t图象如图乙所示;由图乙求出此时小车的加速度(保留2位有效数字),将结果填入下表.
n
1
2
3
4
5
a/(m·s-2)
0.20
0.58
0.78
1.00
(4)利用表中的数据在图丙中补齐数据点,并作出a-n图象.从图象可以看出:当物体质量一定时,物体的加速度与其所受的合外力成正比.
(5)利用a-n图象求得小车(空载)的质量为________kg(保留2位有效数字,重力加速度取g=9.8 m·s-2).
(6)若以“保持木板水平”来代替步骤(1),下列说法正确的是________(填入正确选项前的标号).
A.a-n图线不再是直线
B.a-n图线仍是直线,但该直线不过原点
C.a-n图线仍是直线,但该直线的斜率变大
解析:(3)实验中小车做匀加速直线运动,由于小车初速度为零,结合匀变速直线运动规律有s=at2,结合图乙得加速度a=0.39 m/s2.
(5)由(4)知,当物体质量一定,加速度与合外力成正比,得加速度a与n成正比,即a-n图象为过原点的直线.a-n图象的斜率k=0.196 m/s2,平衡摩擦力后,下端所挂钩码的总重力提供小车的加速度,nm0g=(M+Nm0)a,解得a=n,则k=,可得M=0.45 kg.
(6)若未平衡摩擦力,则下端所挂钩码的总重力与小车所受摩擦力的合力提供小车的加速度,即nm0g-μ[M+(N-n)m0]g=(M+Nm0)a,解得a=·n-μg,可见图线截距不为零,其图线仍是直线,图线斜率相对平衡摩擦力时有所变大,B、C项正确.
答案:(3)0.39(0.37~0.41均可)
(4)a-n图线如图
(5)0.45(0.43~0.47均可) (6)BC
热点题型四 探究动能定理
实验
装置图
操作要领
考查热点
探究
动能
定理
①平衡:须平衡摩擦力
②做功:橡皮筋做的功是变力做功,不能具体求解,须用倍增法改变功的大小
③小车:靠近打点计时器且接通电源再释放小车;每次小车须由同一位置静止弹出
①考装置:平衡摩擦力的方法、判断标准
②求速度:小车获得速度就是纸带上点距均匀的速度
③考图象:作W-v或W-v2 图象,得出结论
(2019·高考江苏卷)某兴趣小组用如图1所示的装置验证动能定理.
(1)有两种工作频率均为50 Hz的打点计时器供实验选用:
A.电磁打点计时器
B.电火花打点计时器
为使纸带在运动时受到的阻力较小,应选择______(选填“A”或“B”).
(2)保持长木板水平,将纸带固定在小车后端,纸带穿过打点计时器的限位孔.实验中,为消除摩擦力的影响,在砝码盘中慢慢加入沙子,直到小车开始运动.同学甲认为此时摩擦力的影响已得到消除.同学乙认为还应从盘中取出适量沙子,直至轻推小车观察到小车做匀速运动.看法正确的同学是________(选填“甲”或“乙”).
(3)消除摩擦力的影响后,在砝码盘中加入砝码.接通打点计时器电源,松开小车,小车运动.纸带被打出一系列点,其中的一段如图2所示.图中纸带按实际尺寸画出,纸带上A点的速度vA=________m/s.
(4)测出小车的质量为M,再测出纸带上起点到A点的距离为L.小车动能的变化量可用ΔEk=Mv算出.砝码盘中砝码的质量为m,重力加速度为g.实验中,小车的质量应________(选填“远大于”“远小于”或“接近”)砝码、砝码盘和沙子的总质量,小车所受合力做的功可用W=mgL算出.多次测量,若W与ΔEk均基本相等则验证了动能定理.
[解析] (1)电火花打点计时器对纸带的阻力小于电磁打点计时器对纸带的阻力,实验时误差小,故选B.
(2)在砝码盘中慢慢加入沙子直至小车开始运动,小车从静止开始做加速运动,此时砝码盘和沙子的总重力大于小车与长木板间的滑动摩擦力,平衡摩擦力过度;轻推小车,小车做匀速运动,根据平衡条件可知,此时砝码盘和沙子的总重力等于小车与长木板间的滑动摩擦力大小,消除了摩擦力的影响,看法正确的是同学乙.
(3)在匀变速直线运动中,中间时刻的瞬时速度等于这段时间内的平均速度.用刻度尺量出A左侧第一个点与A右侧第一个点之间的距离l=1.24 cm,再除以0.04 s,可得vA=0.31 m/s.
(4)本实验中砝码的重力应该是小车所受的合外力.只有当小车的质量远大于砝码盘、砝码以及沙子的总质量时,才可以将砝码的重力当成小车受到的合外力.
[答案] (1)B (2)乙 (3)0.31(0.30~0.33都算对) (4)远大于
探究动能定理的三点说明
(1)不是直接测量对小车做功,而是通过改变橡皮筋条数确定对小车做功W、2W、3W…
(2)由于橡皮筋做功而使小车获得的速度可以由纸带和打点计时器测出,进行若干次测量,就得到若干组功和速度的数据.
(3)以橡皮筋对小车做的功为横坐标,小车获得的速度的平方为纵坐标,作出v2-W图线,分析这条直线,可以得知橡皮筋对小车做的功与小车获得的速度的定量关系.
5.(2019·淮安高三第二次联考)某实验小组采用如图1所示的装置探究功与速度变化的关系,小车在橡皮筋的作用下弹出后,沿木板滑行,打点计时器的工作频率为50 Hz.
(1)实验中先后用同样的橡皮筋1条、2条、3条……合并起来挂在小车的前端进行多次实验,每次都要把小车拉到同一位置再释放,把第1次只挂1条橡皮筋时橡皮筋对小车做的功记为W1,第二次挂2条橡皮筋时橡皮筋对小车做的功记为2W1……橡皮筋对小车做功后而使小车获得的速度可由打点计时器打出的纸带测出.根据第四次的纸带(如图2所示)求得小车获得的速度为______________m/s(保留三位有效数字).
(2)若根据多次测量数据画出的W-v图象如图3所示,根据图线形状,可知对W于v的关系符合实际的图是________.
解析:(1)小车的速度应从匀速运动部分取纸带,可得小车获得的速度为=2.00 m/s.
(2)根据W=mv2,可得W是关于v的二次函数,为开口向上的抛物线,可知应选C.
答案:(1)2.00 (2)C
热点题型五 验证机械能守恒定律
实验
装置图
操作要领
考查热点
验证机
械能守
恒定律
①安装:打点计时器竖直安装;纸带沿竖直方向拉直
②重物:选密度大、质量大的金属块,且靠近打点计时器处释放
③速度:应用vn=,不能用vn=或vn=gt计算
①考装置:器材选择、装配正误
②考运算:下落速度的计算;减少重力势能与增加动能的计算
③考图象:-h或-Δh图象的斜率判断机械能守恒
(2019·连云港模拟)某同学用如图甲所示装置验证机械能守恒定律时,所用交流电源的频率为50 Hz,得到如图乙所示的纸带.选取纸带上打出的连续五个点A、B、C、D、E,测出A点距起点O的距离为s0=19.00 cm,点A、C间的距离为s1=8.36 cm,点C、E间的距离为s2=9.88 cm,g取9.8 m/s2,测得重物的质量为m=1 kg.
(1)下列做法正确的有________.
A.图甲中两限位孔必须在同一竖直线上
B.实验前,手应提住纸带上端,使纸带竖直
C.实验时,先放开纸带,再接通打点计时器的电源
D.数据处理时,应选择纸带上距离较近的两点作为初、末位置
(2)选取O、C两点为初、末位置验证机械能守恒定律,重物减少的重力势能是________J,打下C点时重物的速度大小是________m/s.(结果保留三位有效数字)
(3)根据纸带算出打下各点时重物的速度v,量出下落距离s,则以为纵坐标、以s为横坐标画出的图象应是下面的________.
(4)重物减少的重力势能总是略大于增加的动能,产生这一现象的原因是____________.(写出一条即可)
[解析] (1)图甲中两限位孔必须在同一竖直线上,实验前手应提住纸带上端,并使纸带竖直,这是为了减小打点计时器与纸带之间的摩擦,选项A、B正确;实验时,应先接通打点计时器的电源再放开纸带,选项C错误;数据处理时,应选择纸带上距离较远的两点作为初、末位置,以减小长度的测量误差,选项D错误.
(2)重物减少的重力势能为ΔEp=mg(s0+s1)=2.68 J,由于重物下落时做匀变速运动,根据匀变速直线运动任意时间段中间时刻的瞬时速度等于这段时间内的平均速度可知,打下C点时重物的速度为vC==2.28 m/s.
(3)物体自由下落过程中机械能守恒,可以得出mgs=mv2,即gs=v2,所以-s图线应是一条过原点的倾斜直线,选项C正确.
(4)在实验过程中,纸带与打点计时器之间的摩擦阻力、空气阻力是存在的,克服阻力做功损失了部分机械能,因此实验中重物减小的重力势能总是略大于增加的动能.
[答案] (1)AB (2)2.68 2.28 (3)C (4)重物受到空气阻力(或纸带与打点计时器之间存在阻力)
验证机械能守恒的三种方法
(1)利用起始点和第n点计算,代入ghn和v,如果在实验误差允许的范围内,ghn=v,则说明机械能守恒定律是正确的.
(2)任取两点A、B测出hAB,算出ghAB和(v-v)的值,如果在实验误差允许的范围内,ghAB=v-v,则说明机械能守恒定律是正确的.
(3)图象法,从纸带上选取多个点,测量从第一点到其余各点的下落高度h,并计算各点速度的平方v2,然后以v2 为纵轴,以h为横轴,根据实验数据绘出v2-h图线.若在误差允许的范围内图线是一条过原点且斜率为g的直线,则验证了机械能守恒.
5.某同学用图(a)所示的实验装置验证机械能守恒定律,其中打点计时器的电源为交流电源,可以使用的频率有20 Hz、30 Hz和40 Hz.打出纸带的一部分如图(b)所示.该同学在实验中没有记录交流电的频率f,需要用实验数据和其他题给条件进行推算.
(1)若从打出的纸带可判定重物匀加速下落,利用f和图(b)中给出的物理量可以写出:在打点计时器打出B点时,重物下落的速度大小为____________,打出C点时重物下落的速度大小为____________,重物下落的加速度大小为____________.
(2)已测得s1=8.89 cm,s2=9.50 cm,s3=10.10 cm;当地重力加速度大小为9.80 m/s2,实验中重物受到的平均阻力大小约为其重力的1%.由此推算出f为________Hz.
解析:(1)利用做匀变速直线运动的质点在一段时间内的平均速度等于中间时刻的瞬时速度,可得打点计时器打出B点时重物下落的速度vB==;打出C点时重物下落的速度vC==.根据加速度的定义,重物下落的加速度大小为a==(vC-vB)f=.
(2)根据题述,重物下落受到的阻力为0.01mg,由牛顿第二定律得,mg-0.01mg=ma,解得a=0.99g.由=0.99g,解得f=40 Hz.
答案:(1) (2)40
热点题型六 验证动量守恒定律
实验
装置图
操作要领
考查热点
验证
动量
守恒
定律
①安装:斜槽末端切线必须沿水平方向
②起点:斜槽末端上方l处
③速度:应用小球平抛的水平位移替代
①考装置:器材安装、小球选取、O点确定
②考测量:小球质量的测量和小球平抛运动的水平位移的测量
③考结论:根据实验数据判断两球碰撞过程中动量是否守恒
某同学用如图甲所示的装置通过半径相同的A、B两球(mA>mB)的碰撞来验证动量守恒定律.图甲中PQ是斜槽,QR为水平槽.实验时先使A球从斜槽上某一固定位置G由静止开始滚下,落到位于水平地面的记录纸上,留下痕迹.重复上述操作10次,得到10个落点痕迹.再把B球放在水平槽上靠近槽末端的地方,让A球仍从位置G由静止开始滚下,和B球碰撞后,A、B球分别在记录纸上留下各自的落点痕迹.重复这种操作10次.图甲中O点是水平槽末端R在记录纸上的竖直投影点.B球落点痕迹如图乙所示,其中米尺水平放置,且平行于G、R、O所在的平面,米尺的零点与O点对齐.
(1)碰撞后B球的水平射程应取为________ cm;
(2)在以下选项,哪些是本次实验必须进行的测量?________(填选项序号).
A.水平槽上未放B球时,测量A球落点位置到O点的距离
B.A球与B球碰撞后,测量A球落点位置到O点的距离
C.测量A球或B球的直径
D.测量A球和B球的质量(或两球质量之比)
E.测量水平槽面相对于O点的高度
(3)实验中,关于入射小球在斜槽上释放点的高低对实验影响的说法中正确的是________.
A.释放点越低,小球受阻力越小,入射小球速度越小,误差越小
B.释放点越低,两球碰后水平位移越小,水平位移测量的相对误差越小,两球速度的测量越准确
C.释放点越高,两球相碰时,相互作用的内力越大,碰撞前后动量之差越小,误差越小
D.释放点越高,入射小球对被碰小球的作用力越大,轨道对被碰小球的阻力越小
[解析] (1)如题图所示,用尽可能小的圆把小球落点圈在里面,由此可见圆心的位置是65.7 cm.
(2)小球做平抛运动时飞行时间相同,所以可以用水平位移的大小关系表示速度的大小关系.实验中要测量的数据有:两小球的质量m1、m2,三个落点到O点的距离x1、x2、x.所以选项A、B、D正确.
(3)入射小球的释放点越高,入射小球碰前速度越大,相碰时内力越大,阻力影响越小,可以较好地满足动量守恒的条件,有利于减小误差,故选项C正确.
[答案] (1)65.7 (2)ABD (3)C
抛体法验证动量守恒定律的三点注意
(1)测质量:用天平测出两小球的质量,并选定质量大的小球为入射小球.
(2)安装:如例7图甲所示安装实验装置.调整固定斜槽使斜槽底端水平.
(3)找点:用圆规画尽量小的圆把所有的小球落点圈在里面.圆心就是小球落点的平均位置.
6. 气垫导轨是常用的一种实验仪器.它是利用气泵使带孔的导轨与滑块之间形成气垫,使滑块悬浮在导轨上,滑块在导轨上的运动可视为没有摩擦.我们可以用带竖直挡板C和D的气垫导轨以及滑块A和B来验证动量守恒定律,实验装置如图所示(弹簧的长度忽略不计).
采用的实验步骤如下:
①用天平分别测出滑块A、B的质量mA、mB.
②调整气垫导轨,使导轨处于水平.
③在A和B间放入一个被压缩的轻弹簧,用电动卡销锁定,静止放置在气垫导轨上.
④用刻度尺测出A的左端至C板的距离L1.
⑤按下电钮放开卡销,同时使分别记录滑块A、B运动时间的计时器开始工作.当A、B滑块分别碰撞C、D挡板时停止计时,记下A、B分别到达C、D的运动时间t1和t2.
(1)实验中还应测量的物理量是_______________________________________________.
(2)利用上述测量的实验数据,验证动量守恒定律的表达式是__________________,上式中算得的A、B两滑块的动量大小并不完全相等,产生误差的原因是________________________________________________________________________
________________________________________________________________________
________________________________________________________________________.
(3)利用上述实验数据能否测出被压缩弹簧的弹性势能的大小?若能,请写出表达式:________________________________________________________________________
________________________________________________________________________.
解析:(1)验证动量守恒,需要知道物体的运动速度,在已经知道运动时间的前提下,需要测量运动物体的位移,即需要测量的量是B的右端至D板的距离L2.
(2)由于运动前两物体是静止的,故总动量为零,运动后两物体是向相反方向运动的,设向左运动为正,则有mAvA-mBvB=0,即mA-mB=0.造成误差的原因:一是测量本身就存在误差,如测量质量、时间、距离等存在误差;二是空气阻力或者是导轨不是水平的等.
(3)根据能量守恒知,两运动物体获得的动能之和就是弹簧的弹性势能,所以能测出.故有ΔEp=.
答案:(1)B的右端至D板的距离L2
(2)mA-mB=0 原因见解析 (3)见解析
热点题型七 创新实验
常见的两种创新方式
1.实验仪器的创新与改进
(1)光电计时器:比较精确的测量物体运动的瞬时速度,取代传统实验中的纸带法.
(2)气垫导轨:可以减少接触面的摩擦阻力,取代传统实验中利用倾斜长木板平衡摩擦力的方法,不需要再平衡摩擦力.
(3)力传感器:精确的测力工具,取代弹簧测力计的使用,可以详细地描述力的变化情况,减小误差.
2.实验情景的创新
(1)利用打点计时器或光电门结合运动学规律求出滑块加速度,再利用牛顿第二定律得到动摩擦因数,是常见的实验情景的创新.例如用如图甲所示装置测物块与长木板间的动摩擦因数.
(2)如图乙所示的装置,利用小球由静止向下摆动的过程验证机械能守恒定律是实验情景的创新.
(3)如图丙所示的装置,利用凹形桥模拟器和托盘秤测量玩具小车到达凹形桥最低点的速度是实验情景的创新.
(2018·高考江苏卷)某同学利用如图所示的实验装置来测量重力加速度g.细绳跨过固定在铁架台上的轻质滑轮,两端各悬挂一只质量为M的重锤.实验操作如下:
①用米尺量出重锤1底端距地面的高度H;
②在重锤1上加上质量为m的小钩码;
③左手将重锤2压在地面上,保持系统静止.释放重锤2,同时右手开启秒表,在重锤1落地时停止计时,记录下落时间;
④重复测量3次下落时间,取其平均值作为测量值t.
请回答下列问题:
(1)步骤④可以减小对下落时间t测量的________(选填“偶然”或“系统”)误差.
(2)实验要求小钩码的质量m要比重锤的质量M小很多,主要是为了________.
A.使H测得更准确
B.使重锤1下落的时间长一些
C.使系统的总质量近似等于2M
D.使细绳的拉力与小钩码的重力近似相等
(3)滑轮的摩擦阻力会引起实验误差.现提供一些橡皮泥用于减小该误差,可以怎么做?
________________________________________________________________________.
(4)使用橡皮泥改进实验后,重新进行实验测量,并测出所用橡皮泥的质量为m0.用实验中的测量量和已知量表示g,得g=________.
[解析] (1)步骤④多次测量取平均值是为了减小偶然误差.
(2)实验中,小钩码的重力实质上等于系统所受的合外力,实验要求小钩码的质量m要比重锤的质量M小很多,这样可以使重锤1下落的加速度小一些,根据H=at2可知,可以使重锤1下落的时间长一些,便于测量时间,选项B正确.
(3)在重锤1上粘些橡皮泥,调整橡皮泥质量,直至轻拉重锤1能够观察到重锤1匀速下落.
(4)对两个重锤、小钩码和橡皮泥组成的系统,由牛顿第二定律,mg=(2M+m+m0)a,重锤1下落,根据匀变速直线运动规律,H=at2,联立解得g=.
[答案] (1)偶然 (2)B (3)在重锤1上粘上橡皮泥,调整橡皮泥质量直至轻拉重锤1能观察到其匀速下落 (4)
7.(2019·高考全国卷Ⅱ)如图(a),某同学设计了测量铁块与木板间动摩擦因数的实验.所用器材有:铁架台、长木板、铁块、米尺、电磁打点计时器、频率50 Hz的交流电源、纸带等等.回答下列问题:
(1)铁块与木板间动摩擦因数μ=________(用木板与水平面的夹角θ、重力加速度g和铁块下滑的加速度a表示).
(2)某次实验时,调整木板与水平面的夹角使θ=30°.接通电源,开启打点计时器,释放铁块,铁块从静止开始沿木板滑下.多次重复后选择点迹清晰的一条纸带,如图(b)所示.图中的点为计数点(每两个相邻的计数点间还有4个点未画出).重力加速度为9.80 m/s2.可以计算出铁块与木板间的动摩擦因数为________(结果保留2位小数).
解析:(1)对铁块受力分析,由牛顿第二定律有mgsin θ-μmgcos θ=ma,解得μ=.
(2)两个相邻计数点之间的时间间隔T=5× s=0.10 s,由逐差法和Δx=aT2,可得a=1.97 m/s2,代入μ=,解得μ=0.35.
答案:(1) (2)0.35
(建议用时:60分钟)
1.(2017·高考江苏卷)利用如图甲所示的实验装置探究恒力做功与物体动能变化的关系.小车的质量为M=200.0 g,钩码的质量为m=10.0 g,打点计时器的电源为50 Hz的交流电.
(1)挂钩码前,为了消除摩擦力的影响,应调节木板右侧的高度,直至向左轻推小车观察到________________________________________________________________________.
(2)挂上钩码,按实验要求打出的一条纸带如图乙所示.选择某一点为O,依次每隔4个计时点取一个计数点.用刻度尺量出相邻计数点间的距离Δx,记录在纸带上.计算打出各计数点时小车的速度v,其中打出计数点“1”时小车的速度v1=________ m/s.
(3)将钩码的重力视为小车受到的拉力,取g=9.80 m/s2,利用W=mgΔx算出拉力对小车做的功W.利用Ek=Mv2算出小车动能,并求出动能的变化量ΔEk.计算结果见下表.
W/×10-3 J
2.45
2.92
3.35
3.81
4.26
ΔEk/×10-3 J
2.31
2.73
3.12
3.61
4.00
请根据表中的数据,在方格纸上作出ΔEk-W图象.
(4)实验结果表明,ΔEk总是略小于W.某同学猜想是由于小车所受拉力小于钩码重力造成的.用题中小车和钩码质量的数据可算出小车受到的实际拉力F=________N.
解析:(1)挂钩码前,调节木板右侧的高度,直至向左轻推小车,观察到小车做匀速直线运动,表明此时已消除了摩擦力的影响.(2)打出计数点“1”时小车的速度v1= m/s=0.228 m/s.(3)根据题表格中的数据,描点作图.(4)由于W=mgΔx,ΔEk=FΔx,则有F=mg=×0.01×9.8 N≈0.093 N.
答案:(1)小车做匀速运动 (2)0.228 (3)如图
(4)0.093
2.在做“速度随时间变化的规律”的实验时,某同学得到一条用打点计时器打下的纸带,如图所示,并在其上取了A、B、C、D、E、F、G共7个计数点,图中每相邻两个计数点间还有4个点没有画出,打点计时器接频率f=50 Hz的交流电源.
(1)打下E点时纸带的速度vE=________(用给定字母表示);
(2)若测得d6=65.00 cm,d3=19.00 cm,物体的加速度a=________ m/s2;
(3)如果当时交变电流的频率f>50 Hz,但当时做实验的同学并不知道,那么测得的加速度值和真实值相比________(选填“偏大”或“偏小”).
解析:(1)由于图中每相邻两个计数点间还有4个点没有画出,所以相邻的计数点之间的时间间隔为5T,利用匀变速直线运动的推论得vE==.
(2)根据匀变速直线运动的推论Δx=aT2 可得a===3.00 m/s2.
(3)如果在某次实验中,交流电的频率f>50 Hz,则实际打点周期变小,根据运动学公式Δx=aT2 得,测量的加速度值和真实的加速度值相比偏小.
答案:(1) (2)3.00 (3)偏小
3.(2019·宿迁二模)在用如图所示的装置做“加速度与物体质量、物体受力的关系”的实验中,保持小车质量一定时,验证小车加速度a与合力F的关系.
(1)除了电火花计时器、小车、砝码、砝码盘、细线、附有定滑轮的长木板、垫木、导线及开关外,在下列器材中必须使用的有________(选填选项前的字母).
A.220 V、50 Hz的交流电源
B.电压可调的直流电源
C.刻度尺
D.秒表
E.天平(附砝码)
(2)为了使细线对小车的拉力等于小车所受的合外力,以下操作正确的是________.
A.调整长木板上滑轮的高度使细线与长木板平行
B.在调整长木板的倾斜度平衡摩擦力时,应当将砝码和砝码盘通过细线挂在小车上
C.在调整长木板的倾斜度平衡摩擦力时,应当将穿过打点计时器的纸带连在小车上
(3)某同学得到了如图所示的一条纸带,由此得到小车加速度的大小a=________ m/s2.
(4)在本实验中认为细线的拉力F等于砝码和砝码盘的总重力mg,由此造成的误差是________(选填“系统误差”或“偶然误差”).设拉力的真实值为F真,小车的质量为M,为了使<5%,应当满足的条件是<________.
解析:(1)打点计时器接交流电源,处理纸带时要用刻度尺测出计数点间的距离,还要用到天平测砝码和砝码盘的质量,故选A、C、E.
(2)在平衡摩擦力时,不能挂盘;要保证细线和纸带与木板平行,先接通电源,再释放小车,若纸带做匀速直线运动,则纸带上的点间距是均匀的,即说明平衡了摩擦力,故选A、C.
(3)由图知AC=6.40 cm,CE=8.80 cm,CE-AC=a(2T)2,得a==15 m/s2.
(4)小车在做匀加速直线运动时,砝码和砝码盘也在做匀加速直线运动,细线的拉力F一定小于砝码和砝码盘的总重力mg,此误差不可避免,为系统误差;小车与砝码和砝码盘都在做加速度为a的匀加速直线运动,对砝码和砝码盘有mg—F真=ma,对小车有F真=Ma,代入<5%,得<5%.
答案:(1)ACE (2)AC (3)15 (4)系统误差 5%
4.某同学用如图甲所示的实验装置来验证“力的平行四边形定则”.弹簧测力计A挂于固定点P,下端用细线挂一重物M,弹簧测力计B的一端用细线系于O点,手持另一端向左拉,使结点O静止在某位置.分别读出弹簧测力计A和B的示数,并在贴于竖直木板的白纸上记录O点的位置和拉线的方向.
(1)本实验用的弹簧测力计示数的单位为N,图乙中的示数为________N.
(2)下列实验要求中不必要的是________.(填写选项前对应的字母,下同)
A.细线应尽可能长一些
B.应测量重物M所受的重力
C.细线AO与BO之间的夹角应尽可能大于90°
D.改变拉力的大小与方向,进行多次实验,每次都要使O点静止在同一位置
(3)图丙是在白纸上根据实验结果画出的力的图示,下列说法正确的是________.
A.图中的F是力F1 和F2 合力的理论值
B.图中的F′是力F1 和F2 合力的理论值
C.F是力F1 和F2 合力的实际测量值
D.本实验将细绳都换成橡皮条,同样能达到实验目的
(4)本实验采用的科学方法是________.
A.理想实验法 B.等效替代法
C.控制变量法 D.建立物理模型法
解析:(1)弹簧测力计每1 N被分成10格,每一小格为0.1 N,则弹簧测力计的读数为3.80 N;
(2)细线应尽可能长一些,能更加准确的记录力的方向;实验通过作出弹簧的弹力和重物的重力这三个力的图示,来验证“力的平行四边形定则”,因此重物的重力必须要知道;细线AO与BO之间的夹角适当大一点,不一定必须大于90°;只要验证两弹簧测力计拉力的合力大小等于重物的重力,方向竖直向上即可,每次只需保证O点保持静止即可,没必要每次都使O点静止在同一位置;
(3)在本实验中,按照平行四边形定则作出的合力F′是力F1 和F2 合力的理论值,而用一个弹簧测力计拉出的力F是F1 和F2 合力的实际测量值,本实验将细绳都换成橡皮条,同样能达到实验目的;
(4)本实验采用的科学方法是等效替代法.
答案:(1)3.80(3.79~3.81) (2)CD (3)BCD (4)B
5.(2019·苏州模拟)某同学利用图甲探究力对物体做的功与物体速度的关系,得到了如下表的数据:
实验次数
1
2
3
4
5
橡皮筋条数
1
3
4
5
7
小车速度
v/(m·s-1)
0.71
1.23
1.42
1.58
1.87
(注:每条橡皮筋拉长的长度都一样)
(1)设一条橡皮筋拉长到固定长度所做的功为W0,在图乙中大致画出橡皮筋所做的功W与小车速度v关系的图象.
(2)由图象大致可判断出W与v的关系可能是________.
解析:(1)根据表中数据可知,橡皮筋做的功与小车获得的速度有关,并且做功越多,小车获得的速度越大.据描点法可知,W与v的图线为抛物线,如图所示.
(2)由图象大致可判断出W与v的关系可能是W∝v2.
答案:(1)见解析图 (2)W∝v2
6.(2019·南通模拟)利用如图所示装置做“验证机械能守恒定律”实验.
(1)为验证机械能是否守恒,需要比较重物下落过程中任意两点间的________.
A.动能变化量与势能变化量
B.速度变化量与势能变化量
C.速度变化量与高度变化量
(2)除带夹子的重物、纸带、铁架台(含铁夹)、电磁打点计时器、导线及开关外,在下列器材中,还必须使用的两种器材是________.
A.交流电源
B.刻度尺
C.天平(含砝码)
(3)实验中,先接通电源,再释放重物,得到如图所示的一条纸带.在纸带上选取三个连续打出的点A、B、C,测得它们到起始点O的距离分别为hA、hB、hC.
已知当地重力加速度为g,打点计时器打点的周期为T.设重物的质量为m.从打O点到打B点的过程中,重物的重力势能变化量ΔEp=____________,动能变化量ΔEk=________.
(4)大多数学生的实验结果显示,重力势能的减少量大于动能的增加量,原因是________.
A.利用公式v=gt计算重物速度
B.利用公式v=计算重物速度
C.存在空气阻力和摩擦阻力的影响
D.没有采用多次实验取平均值的方法
(5)某同学想用下述方法研究机械能是否守恒,在纸带上选取多个计数点,测量它们到起始点O的距离h,计算对应计数点的重物速度v,描绘v2-h图象,并做如下判断:若图象是一条过原点的直线,则重物下落过程中机械能守恒,请你分析论证该同学的判断是否正确.
解析:(1)重物下落过程中重力势能减少,动能增加,故该实验需要比较重物下落过程中任意两点间的动能变化量与势能变化量在误差范围内是否相等,A项正确.
(2)电磁打点计时器使用的是交流电源,故要选A,需要测纸带上两点间的距离,还需要刻度尺,选B,根据mgh=mv2-0可将等式两边的质量抵消,不需要天平,不需用C.
(3)重物的重力势能变化量为ΔEp=-mghB,
动能的变化量ΔEk=mv=m.
(4)重物重力势能的减少量略大于动能的增加量,是因为重物下落过程中存在空气阻力和摩擦阻力的影响,C正确.
(5)该同学的判断不正确,在重物下落h的过程中,若阻力f恒定,根据mgh-fh=mv2-0,则v2=2h可知,v2-h图象就是过原点的一条直线.要想通过v2-h图象的方法验证机械能是否守恒,还必须看图象的斜率是否接近2g.
答案:(1)A (2)AB (3)-mghB m (4)C (5)不正确,理由见解析
7.(2019·常州模拟)如图所示为“验证碰撞中的动量守恒”实验装置示意图.
实验步骤为:
A.在地面上依次铺白纸和复写纸.
B.确定重锤对应点O.
C.不放球2,让球1从斜槽滑下,确定它落地点位置P.
D.把球2放在立柱上,让球1从斜槽滑下,与球2正碰后,确定球1和球2落地点位置M和N.
E.用刻度尺测量OM、OP、ON的长度.
F.看m1OM+m2ON与m1OP是否相等,以验证动量守恒.
上述步骤有几步不完善或有错误,请指出并写出相应的正确步骤.
________________________________________________________________________
________________________________________________________________________
________________________________________________________________________.
解析:为使小球离开轨道时的初速度相等,每次释放小球时应从同一高度由静止释放,故步骤D不完善;两球离开轨道后做平抛运动,它们抛出点的高度相等,在空中的运动时间t相等,若碰撞过程动量守恒,则有m1v1=m1v′1+m2v′2,两边同乘以t得m1v1t=m1v′1t+m2v′2t,即为m1=m1+m2(-d),故步骤F错误.
答案:D不完善,小球1应从斜槽的同一高度由静止释放;
F错误,应验证m1=m1+m2(-d)
8.某同学设计了一个用电磁打点计时器验证动量守恒定律的实验:在小车A的前端粘有橡皮泥,推动小车A使之做匀速直线运动,然后与原来静止在前方的小车B相碰并粘合成一体,继续做匀速直线运动.他设计的装置如图甲所示.在小车A后连着纸带,电磁打点计时器所用电源频率为50 Hz,长木板下垫着薄木片以平衡摩擦力.
(1)若已测得打点纸带如图乙所示,并测得各计数点间距(已标在图上).A为运动的起点,则应选________段来计算A碰前的速度.应选________段来计算A和B碰后的共同速度(以上两空选填“AB”“BC”“CD”或“DE”).
(2)已测得小车A的质量m1=0.4 kg,小车B的质量为m2=0.2 kg,则碰前两小车的总动量为________kg·m/s,碰后两小车的总动量为________kg·m/s.
解析:(1)从纸带上打点的情况看,BC段既表示小车做匀速运动,又表示小车有较大速度,因此BC段能较准确地描述小车A在碰撞前的运动情况,应选用BC段计算小
车A碰前的速度.从CD段打点的情况看,小车的运动情况还没稳定,而在DE段内小车运动稳定,故应选用DE段计算A和B碰后的共同速度.
(2)小车A的碰撞前的速度v0== m/s=1.050 m/s,
小车A在碰撞前的动量p0=m1v0=0.4×1.050 kg·m/s=0.420 kg·m/s.
碰撞后A、B的共同速度v== m/s=0.695 m/s,
碰撞后A、B的总动量p=(m1+m2)v=(0.2+0.4)×0.695 kg·m/s=0.417 kg·m/s.
答案:(1)BC DE (2)0.420 0.417
相关资料
更多

