还剩4页未读,
继续阅读
甘肃省兰州第一中学2019-2020学年高一上学期期末考试化学试题
展开
兰州一中 2019-2020-1 学期期末考试试题
高一化学
出题人: 审题人: 说明:本试卷分第Ⅰ卷(选择题)和第Ⅱ卷(非选择题)两部分。满分 100 分,考试时间 100
分钟。答案写在答题卡上,交卷时只交答题卡。可能用到的原子量:H—1,C—12,N—14,O—
16,Na—23,Mg—24,Al—27,S—32,Cl—35.5,Ca—40,Fe—56,Cu—64,Ag—108。
第 I 卷(选择题,共 50 分) 一、单选题(每题 2 分,共 50 分)
1.下列化合物中,不能由单质直接化合而得到的是( )
A.Al2O3 B.Na2O C.FeCl3 D.FeCl2
2.下列实验正确的是( )
A.定容 B.制蒸馏水 C.制氨气 D.检验钾离子
3.用 NA 表示阿伏加德罗常数,下列叙述正确的是( )
A.标准状况下,22.4 L H2O 含有的分子数为 1 NA
B.在标准状况下,22.4 L 由 N2 和 N2O 组成的混合气体中,所含有的氮原子数为 2 NA
C.通常状况下,1 NA 个 SO2 分子占有的体积约为 22.4 L D.物质的量浓度为 0.5 mol/L 的 MgCl2 溶液中,含有 Cl-个数为 1 NA
4.同温同压下,等质量的 SO2 和 CO2 相比较,下列叙述中正确的是( )
A.密度比为 16∶11 B.密度比为 11∶16
C.体积比为 16∶11 D.摩尔体积比为 16∶11
5.下列各组物质分类正确的是( )
强电解质
弱电解质
非电解质
A
Fe
CH3COOH
蔗糖
B
NaCl
NH3
BaSO4
C
CaCO3
H2CO3
C2H5OH
D
HNO3
Fe(OH)3
H2O
6.下列说法中正确的是( )
A.某无色溶液中可能含有下列离子:H+、Cl-、Na+、Fe2+
B.能使石蕊变红的溶液中可能含有 Cl-、K+、Na+、NO -
C.取少量某溶液,向其中加入盐酸酸化的 BaCl2 溶液,通过观察是否有白色沉淀生成,可证明 该溶液中是否含有 SO 2-
D.在加入铝粉能放出 H2 的溶液中可能含有下列离子:Na+、Ba2+、Cl-、HCO3
7.中华优秀传统文化涉及到很多的化学知识,下列有关说法错误的是( )
A.“日照澄洲江雾开”中伴有丁达尔效应
B.古剑“沈卢”“以剂钢为刃,柔铁为茎干,不尔则多断折”,剂钢指的是铁的合金
C.“粉身碎骨浑不怕,要留清白在人间”指的是物质发生了物理变化
D.“煤饼烧蛎房成灰”,蛎房即牡蛎壳,其中灰的主要成分为氧化钙
8.酸性溶液中离子还原性强弱为 SO2 > I- > Fe2+ > H2O2 > Cl-,下列反应不可能发生的是( )
A.2Fe3+ + 2H2O + SO2 = 2Fe2+ + SO42- + 4H+
B.2Fe2+ + Cl2 = 2Fe3+ + 2Cl-
C.I2 + SO2 + 2H2O = H2SO4 + 2HI D.H2O2 + H2SO4 = SO2↑+ O2↑+ 2H2O
9.下列用单、双线桥表示电子转移的方向和数目不正确的是( )
A. B.
C. D.
10.向 30 mL 1 mol·L-1 的 AlCl3 溶液中逐渐加入浓度为 4 mol·L-1 的 NaOH 溶液,若产生 0.78 g 白 色沉淀,则加入的 NaOH 溶液的体积可能为( )
A.3 mL B.7.5 mL C.15 mL D.17.5 mL
11.下列化学反应的离子方程式正确的是( )
① 将饱和 FeCl3 溶液滴入沸水中:Fe3++3H2O Fe(OH)3(胶体)+3H+
2- +
② 向 Ba(OH)2 溶液中滴加稀硫酸:Ba2++OH-+SO4 +H
③ 钠与 CuSO4 溶液反应:2Na+Cu2+=Cu+2Na+
=BaSO4↓+H2O
- 2+
④ 铜丝溶于浓硝酸:3Cu+8H++2NO3 ==3Cu
+2NO↑+4H2O
⑤ 在 A1C13 溶液中加入过量氨水出现浑浊:A13++3OH-= Al(OH)3↓
2- +
⑥ 碳酸氢钠溶液中加入稀盐酸后有气体生成:CO3
+2H
=CO2↑+H2O
A.②④⑥ B.①③⑤ C.①⑤ D.只有①
12.用下列方法来制备胶体,能够得到胶体的是( )
A.将等体积、等物质的量浓度的 BaCl2 溶液和硫酸相混合并振荡
B.把 1 mL 饱和三氯化铁溶液逐滴加入到 20 mL 温水中,边加边振荡,并加热到沸腾
C.把 1 mL 饱和三氯化铁溶液一次性加入到 20 mL 沸水中,并加以搅拌
D.把 1 mL 饱和三氯化铁溶液逐滴加入到 20 mL 沸水中,边加边振荡
13.对于反应:2Na2O2 + 2H2O = 4NaOH + O2↑,下列说法中正确的是( )
A.Na2O2 是氧化剂,H2O 是还原剂 B.Na2O2 既是氧化剂,又是还原剂
C.该反应中电子转移的数目为 4e- D.氧气是还原产物
14.同温同压下,在 3 支相同体积的试管中分别充有等体积混合的两种气体,它们是①NO 和
NO2,②NO2 和 O2,③NO 和 N2。现将 3 支试管均倒置于水槽中,充分反应后,试管中剩余气体
的体积分别为 V1、V2、V3,则下列关系正确的是( )
A.V1 > V2 > V3 B.V1 > V3 >V2 C.V2 > V3 > V1 D.V3 > V1 > V2
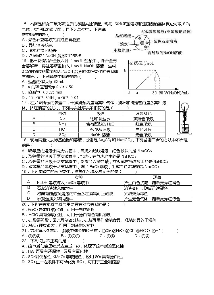
15.右图是研究二氧化硫性质的微型实验装置。现用 60%硫酸溶液和亚硫酸钠晶体反应制取 SO2
气体,实验现象很明显,且不污染空气。下列说
法中错误的是( )
A.紫色石蕊溶液先变红色再褪色
B.品红溶液褪色
C.溴水的橙色褪去
D.含酚酞的 NaOH 溶液红色变浅
16.把一块镁铝合金投入到 1 mol/L 盐酸中,待合金完
全溶解后,再往溶液里加入 1 mol/L NaOH 溶液,生成
沉淀的物质的量随加入 NaOH 溶液的体积变化的关系如
右图所示,下列说法中错误的是( )
A.盐酸的体积为 80 mL
B.a 的取值范围为 0 < a < 50
C.n(Mg2+) < 0.025 mol
D.当 a 值为 30 时,b 值为 0.01
17.在如图所示的装置中,干燥烧瓶内盛有某种气体,烧杯和滴定管内盛放某种液
气体
液体
喷泉颜色
A
Cl2
饱和食盐水
黄绿色喷泉
B
NH3
含有酚酞的 H2O
红色喷泉
C
HCl
AgNO3 溶液
白色喷泉
D
SO2
NaOH 溶液
无色喷泉
体。挤压滴管的胶头,下列与实验事实不相符的是( )
18.现有两瓶失去标签的饱和溶液,分别是 Na2CO3 和 NaHCO3,下列鉴别二者的方法中不合理 的是( )
A.取等量的溶液于两支试管中,各滴入酚酞溶液,红色较深的是 Na2CO3
B.取等量的溶液于两支试管中,加热,有气泡产生的是 NaHCO3
C.取等量的溶液于两支试管中,逐滴加入稀盐酸,立即就有气体放出的是 NaHCO3
D.取等量的溶液于两支试管中,滴加 BaCl2 溶液,生成白色沉淀的是 Na2CO3
19.下列实验中的颜色变化,与氧化还原反应无关的是( )
实验
现象
A
NaOH 溶液滴入 FeSO4 溶液中
产生白色沉淀,随后变为红褐色
B
石蕊溶液滴入氯水中
溶液变红,随后迅速褪色
C
将蘸有硫酸铜溶液的铂丝放在酒精灯上灼烧
火焰变为绿色
D
热铜丝插入稀硝酸中
产生无色气体,随后变为红棕色
20.下列有关物质性质与用途具有对应关系的是( )
A.Fe2O3 是碱性氧化物,可用于制作涂料
B.HClO 具有强氧化性,可用于漂白有色有机物质
C.硅酸是弱酸,因此可制备硅胶,硅胶可用作袋装食品、瓶装药品的干燥剂
D.Al2O3 硬度很大,可用于制造耐火材料
21.饱和氯水久置后,溶液中减少的粒子有:①Cl2 ②H2O ③Cl- ④HClO ⑤H+( )
A.①②④ B.①②③ C.①④ D.②④
22.下列说法不正确的是( )
A.硫单质与金属铁反应生成 FeS,体现了硫单质的氧化性
B.H2S 既具有还原性,又具有氧化性
C.SO2 能使酸性 KMnO4 溶液褪色,说明 SO2 具有漂白性。
D.SO2 在一定条件下可转化为 SO3,可用于工业制硫酸
23.下列有关硅及硅酸盐材料的说法正确的是( ) A.硅酸钠属于盐,不属于碱,所以硅酸钠可以保存在磨口玻璃塞试剂瓶中 B.高纯度的硅单质广泛用于制作光导纤维 C.普通玻璃、石英玻璃、水泥等均属于硅酸盐材料
D.祖母绿的主要成分为 Be3Al2Si6O18,用氧化物形式表示为 3BeO·Al2O3·6SiO2
24.下列实验能达到预期目的的是( )
2-
A.检验溶液中是否含有 CO3
+
:滴加稀盐酸,将产生的气体通入澄清石灰水
B.检验溶液中是否含有 NH4 :先滴加浓 NaOH 溶液并加热,再用湿润的红色石蕊试纸
C.检验溶液中是否含有 Fe2+:先滴加氯水,再滴加 KSCN 溶液
2-
D.检验溶液中是否含有 SO4
:先滴加氯化钡溶液,再滴加稀盐酸
25.为了探究 HCl、H2CO3 和 H2SiO3 的酸性强弱,某学生设计了如图所示的实验装置,希望通过 一次实验达到实验目的,下列说法不正确的是( )
A.锥形瓶中可以盛放 Na2CO3
B.装置 B 中的目的是除去挥发的 HCl
C.装置 C 的目的是尾气处理
D.该装置可以得出 HCl、H2CO3、H2SiO3 的酸性强弱顺序
二、填空题
26.(每空 1 分,共 13 分)
第 II 卷(非选择题,共 50 分)
现代工业中,钠、铝、铁的化合物有着重要的意义,请按要求回答下列问题: Ⅰ.某化学小组模拟“侯氏制碱法”,以 NaCl、NH3、CO2 和水等为原料以及下图所示装置制取 NaHCO3,然后再将 NaHCO3 制成 Na2CO3。
(1)装置丙中冷水的作用是 ;
(2)由产生的 NaHCO3 制取 Na2CO3 时,需要进行的实验操作有 、洗涤、灼烧。
(3)NaHCO3 转化为 Na2CO3 的化学方程式为 ;
Ⅱ.铝土矿(主要成分为 Al2O3,还有少量杂质)是提取氧化铝的原料,其工艺流程如下:
(1)请用离子方程式表示以上工艺流程中第①步反应: 。
(2)以上工艺流程中,第③步反应需通入过量 CO2,写出该反应的化学方程式: 。
(3)电解熔融氧化铝制取金属铝,转移了 0.9 mol 电子,理论上能得到金属铝的质量是 g。
Ⅲ.某工厂排放的工业废水呈酸性,经检测,其中所含离子及其浓度如下表所示:
离子
Fe3+
Cu2+
2-
+
+
浓度/(mol/L)
2×10-3
1×10-3
1×10-2
2×10-3
SO4 Na H
(1)计算:c(H+)= mol/L。
(2)为了减少污染并变废为宝,工程师们设计了如下流程,回收铜和绿矾(FeSO4·7H2O)。
① 操作①向工业废水中加入铁粉后,反应的离子方程式为:
Fe + Cu2+ == Fe2+ + Cu、 、 。
② 试剂 B 是 。
③ 通过检验溶液 D 中 Fe3+来判断废水中 Fe3+是否除尽,实验方法是 。
④ 获得的 FeSO4·7H2O 需密闭保存,原因是 。
⑤ 上述 1000 L 废水经处理,可获得 FeSO4·7H2O 的物质的量是 mol。
27.(每空 1 分,共 7 分)
已知 A 是灰黑色的硬而脆的固体,B 是气态物质,A~E 各种物质
的相互转化关系如下图所示。
(1)写出 B、C、D、E 三种物质的化学式:B ,
C ,D ,E ;
(2)画出 A 的原子结构示意图 ;
(3)写出 A→D 的化学方程式 。
(4)写出 C→A 的化学方程式 。
28.(方程式每空 2 分,其余每空 1 分,共 14 分)
氯气、氨气是两种重要的化工原料,在工农业生产、生活中都有着重要的应用。
Ⅰ.某化学兴趣小组同学对氯气的性质进行如下探究:
参考装置图回答下列问题:
(1)请指出仪器 a 的名称 ,写出装置 A 中反应的化学方程式 。
(2)装置 B 的作用为 ,写出装置 H 中的离子方程式 。
(3)在装置 D 中可观察到的现象是 。
(4)据报道,将洁厕液与 84 消毒液混合使用会发生中毒的事故。84 消毒液的主要成分是次氯酸
钠,洁厕灵的主要成分是 HCl。洁厕液与 84 消毒液混合后会发生氧化还原反应,生成有毒的氯
气。写出该反应的离子方程式: 。
Ⅱ.某化学小组在实验室按照右图装置制备并收集氨气:
(1)装置 A 中产生 NH3 的化学方程式为 ;
(2)装置 B 中,当湿润红色石蕊试纸颜色变为
色,表示已经收集满 NH3;
(3)一定条件下,氨气和氯气混合后可以发生反应,生成白
色的烟和一种常见气体,写出该反应的化学方程
式: 。
29.(每空 2 分,共 16 分) 盐酸、硫酸、硝酸合称三大工业强酸,在轻工业、冶金、制药、国防等方面都有重要意义。 Ⅰ.如图实验室某浓盐酸试剂瓶标签上的有关数据,试根据标签上的有关数据回答下列问题:
(1)该浓盐酸中 HCl 的物质的量浓度为 mol/L。
(2)某学生欲用上述浓盐酸和蒸馏水配制 245 mL 物质的量浓度为 0.400 mol/L 的稀盐酸。该学
生需要所需的玻璃仪器有烧杯、玻璃棒、量筒和 ;其中用量筒量取 mL 上述浓
盐酸进行配制。
Ⅱ.将适量的蔗糖放入烧杯中,加适量浓硫酸,迅速搅拌,放出大量的热,同时观察到蔗糖逐渐
变黑,体积膨胀,并放出有刺激性气味的气体。试回答:
(1)“体积膨胀,并放出有刺激性气味的气体”,写出对应的化学方程式: 。
(2)上述现象体现了浓硫酸的 (填序号)
① 酸性 ② 吸水性 ③ 脱水性 ④ 强氧化性
(3)将 SO2 气体与新制得的 Cl2 按一定比例一起通入水中,得到没有漂白性的溶液,该反应的化
学方程式为 。
Ⅲ.将 32 g 铜与 250 mL 一定浓度的硝酸恰好完全反应,产生的 NO 和 NO2 混合气体在标准状况
下的体积为 11.2 L。试计算
(1)硝酸的物质的量浓度是 mol/L
(2)若要使此混合气体被水完全吸收,需要通入标准状况下 L O2。
参考答案: 一、选择题:
1
D
2
D
3
B
4
A
5
C
6
B
7
C
8
D
9
D
10
B
11
D
12
D
13
B
14
D
15
A
16
D
17
A
18
B
19
C
20
B
21
A
22
C
23
D
24
B
25
C
二、填空题
26. I. (1) 冷却,使碳酸氢钠晶体析出 (2) 过滤 (3) 2NaHCO3Na2CO3+H2O+CO2↑
II. (1) Al2O3+2OH-═2AlO2-+H2O (2) NaAlO2+CO2+2H2O = Al(OH)3↓+NaHCO3 (3) 8.1 g
III. (1) 0.01 (2)①Fe+2Fe3+=3Fe2+ Fe+2H+=Fe2++H2↑ ② 硫酸 ③ 取少量 D 中溶液
于试管中,滴加 1 滴 KSCN 溶液,不出现红色,说明废水中 Fe3+除尽 ④ FeSO4 有还原性,
易被氧化(或 FeSO4·7H2O 失去结晶水) ⑤ 12
27. (1) SiF4 SiO2 Na2SiO3 H2SiO3 或 H4SiO4 (2) (3) Si+2NaOH+H2O=Na2SiO3+2H2↑ (4) 2C+SiO2Si+2CO
28. I. (1) 分液漏斗 MnO2+4HCl(浓)Cl2↑+MnCl2+2H2O (2) 除去 Cl2 中的 HCl Cl2+2OH- =Cl-+ClO-+H2O
(3) 干燥的有色布条无变化 (4) ClO-+Cl-+2H+=Cl2↑+H2O
II.(1) Ca(OH)2+2NH4Cl=CaCl2+2NH3↑+2H2O (2) 蓝 (3) 8NH3+3Cl2=N2+6NH4Cl
29. I. (1) 11.9 (2) 250 mL 容量瓶 8.4
II. (1) C+2H2SO4(浓)CO2↑+2SO2↑+2H2O (2) ③④ (3) SO2+Cl2+2H2O=H2SO4+2HCl
III. (1) 6 (2) 5.6
高一化学
出题人: 审题人: 说明:本试卷分第Ⅰ卷(选择题)和第Ⅱ卷(非选择题)两部分。满分 100 分,考试时间 100
分钟。答案写在答题卡上,交卷时只交答题卡。可能用到的原子量:H—1,C—12,N—14,O—
16,Na—23,Mg—24,Al—27,S—32,Cl—35.5,Ca—40,Fe—56,Cu—64,Ag—108。
第 I 卷(选择题,共 50 分) 一、单选题(每题 2 分,共 50 分)
1.下列化合物中,不能由单质直接化合而得到的是( )
A.Al2O3 B.Na2O C.FeCl3 D.FeCl2
2.下列实验正确的是( )
A.定容 B.制蒸馏水 C.制氨气 D.检验钾离子
3.用 NA 表示阿伏加德罗常数,下列叙述正确的是( )
A.标准状况下,22.4 L H2O 含有的分子数为 1 NA
B.在标准状况下,22.4 L 由 N2 和 N2O 组成的混合气体中,所含有的氮原子数为 2 NA
C.通常状况下,1 NA 个 SO2 分子占有的体积约为 22.4 L D.物质的量浓度为 0.5 mol/L 的 MgCl2 溶液中,含有 Cl-个数为 1 NA
4.同温同压下,等质量的 SO2 和 CO2 相比较,下列叙述中正确的是( )
A.密度比为 16∶11 B.密度比为 11∶16
C.体积比为 16∶11 D.摩尔体积比为 16∶11
5.下列各组物质分类正确的是( )
强电解质
弱电解质
非电解质
A
Fe
CH3COOH
蔗糖
B
NaCl
NH3
BaSO4
C
CaCO3
H2CO3
C2H5OH
D
HNO3
Fe(OH)3
H2O
6.下列说法中正确的是( )
A.某无色溶液中可能含有下列离子:H+、Cl-、Na+、Fe2+
B.能使石蕊变红的溶液中可能含有 Cl-、K+、Na+、NO -
C.取少量某溶液,向其中加入盐酸酸化的 BaCl2 溶液,通过观察是否有白色沉淀生成,可证明 该溶液中是否含有 SO 2-
D.在加入铝粉能放出 H2 的溶液中可能含有下列离子:Na+、Ba2+、Cl-、HCO3
7.中华优秀传统文化涉及到很多的化学知识,下列有关说法错误的是( )
A.“日照澄洲江雾开”中伴有丁达尔效应
B.古剑“沈卢”“以剂钢为刃,柔铁为茎干,不尔则多断折”,剂钢指的是铁的合金
C.“粉身碎骨浑不怕,要留清白在人间”指的是物质发生了物理变化
D.“煤饼烧蛎房成灰”,蛎房即牡蛎壳,其中灰的主要成分为氧化钙
8.酸性溶液中离子还原性强弱为 SO2 > I- > Fe2+ > H2O2 > Cl-,下列反应不可能发生的是( )
A.2Fe3+ + 2H2O + SO2 = 2Fe2+ + SO42- + 4H+
B.2Fe2+ + Cl2 = 2Fe3+ + 2Cl-
C.I2 + SO2 + 2H2O = H2SO4 + 2HI D.H2O2 + H2SO4 = SO2↑+ O2↑+ 2H2O
9.下列用单、双线桥表示电子转移的方向和数目不正确的是( )
A. B.
C. D.
10.向 30 mL 1 mol·L-1 的 AlCl3 溶液中逐渐加入浓度为 4 mol·L-1 的 NaOH 溶液,若产生 0.78 g 白 色沉淀,则加入的 NaOH 溶液的体积可能为( )
A.3 mL B.7.5 mL C.15 mL D.17.5 mL
11.下列化学反应的离子方程式正确的是( )
① 将饱和 FeCl3 溶液滴入沸水中:Fe3++3H2O Fe(OH)3(胶体)+3H+
2- +
② 向 Ba(OH)2 溶液中滴加稀硫酸:Ba2++OH-+SO4 +H
③ 钠与 CuSO4 溶液反应:2Na+Cu2+=Cu+2Na+
=BaSO4↓+H2O
- 2+
④ 铜丝溶于浓硝酸:3Cu+8H++2NO3 ==3Cu
+2NO↑+4H2O
⑤ 在 A1C13 溶液中加入过量氨水出现浑浊:A13++3OH-= Al(OH)3↓
2- +
⑥ 碳酸氢钠溶液中加入稀盐酸后有气体生成:CO3
+2H
=CO2↑+H2O
A.②④⑥ B.①③⑤ C.①⑤ D.只有①
12.用下列方法来制备胶体,能够得到胶体的是( )
A.将等体积、等物质的量浓度的 BaCl2 溶液和硫酸相混合并振荡
B.把 1 mL 饱和三氯化铁溶液逐滴加入到 20 mL 温水中,边加边振荡,并加热到沸腾
C.把 1 mL 饱和三氯化铁溶液一次性加入到 20 mL 沸水中,并加以搅拌
D.把 1 mL 饱和三氯化铁溶液逐滴加入到 20 mL 沸水中,边加边振荡
13.对于反应:2Na2O2 + 2H2O = 4NaOH + O2↑,下列说法中正确的是( )
A.Na2O2 是氧化剂,H2O 是还原剂 B.Na2O2 既是氧化剂,又是还原剂
C.该反应中电子转移的数目为 4e- D.氧气是还原产物
14.同温同压下,在 3 支相同体积的试管中分别充有等体积混合的两种气体,它们是①NO 和
NO2,②NO2 和 O2,③NO 和 N2。现将 3 支试管均倒置于水槽中,充分反应后,试管中剩余气体
的体积分别为 V1、V2、V3,则下列关系正确的是( )
A.V1 > V2 > V3 B.V1 > V3 >V2 C.V2 > V3 > V1 D.V3 > V1 > V2
15.右图是研究二氧化硫性质的微型实验装置。现用 60%硫酸溶液和亚硫酸钠晶体反应制取 SO2
气体,实验现象很明显,且不污染空气。下列说
法中错误的是( )
A.紫色石蕊溶液先变红色再褪色
B.品红溶液褪色
C.溴水的橙色褪去
D.含酚酞的 NaOH 溶液红色变浅
16.把一块镁铝合金投入到 1 mol/L 盐酸中,待合金完
全溶解后,再往溶液里加入 1 mol/L NaOH 溶液,生成
沉淀的物质的量随加入 NaOH 溶液的体积变化的关系如
右图所示,下列说法中错误的是( )
A.盐酸的体积为 80 mL
B.a 的取值范围为 0 < a < 50
C.n(Mg2+) < 0.025 mol
D.当 a 值为 30 时,b 值为 0.01
17.在如图所示的装置中,干燥烧瓶内盛有某种气体,烧杯和滴定管内盛放某种液
气体
液体
喷泉颜色
A
Cl2
饱和食盐水
黄绿色喷泉
B
NH3
含有酚酞的 H2O
红色喷泉
C
HCl
AgNO3 溶液
白色喷泉
D
SO2
NaOH 溶液
无色喷泉
体。挤压滴管的胶头,下列与实验事实不相符的是( )
18.现有两瓶失去标签的饱和溶液,分别是 Na2CO3 和 NaHCO3,下列鉴别二者的方法中不合理 的是( )
A.取等量的溶液于两支试管中,各滴入酚酞溶液,红色较深的是 Na2CO3
B.取等量的溶液于两支试管中,加热,有气泡产生的是 NaHCO3
C.取等量的溶液于两支试管中,逐滴加入稀盐酸,立即就有气体放出的是 NaHCO3
D.取等量的溶液于两支试管中,滴加 BaCl2 溶液,生成白色沉淀的是 Na2CO3
19.下列实验中的颜色变化,与氧化还原反应无关的是( )
实验
现象
A
NaOH 溶液滴入 FeSO4 溶液中
产生白色沉淀,随后变为红褐色
B
石蕊溶液滴入氯水中
溶液变红,随后迅速褪色
C
将蘸有硫酸铜溶液的铂丝放在酒精灯上灼烧
火焰变为绿色
D
热铜丝插入稀硝酸中
产生无色气体,随后变为红棕色
20.下列有关物质性质与用途具有对应关系的是( )
A.Fe2O3 是碱性氧化物,可用于制作涂料
B.HClO 具有强氧化性,可用于漂白有色有机物质
C.硅酸是弱酸,因此可制备硅胶,硅胶可用作袋装食品、瓶装药品的干燥剂
D.Al2O3 硬度很大,可用于制造耐火材料
21.饱和氯水久置后,溶液中减少的粒子有:①Cl2 ②H2O ③Cl- ④HClO ⑤H+( )
A.①②④ B.①②③ C.①④ D.②④
22.下列说法不正确的是( )
A.硫单质与金属铁反应生成 FeS,体现了硫单质的氧化性
B.H2S 既具有还原性,又具有氧化性
C.SO2 能使酸性 KMnO4 溶液褪色,说明 SO2 具有漂白性。
D.SO2 在一定条件下可转化为 SO3,可用于工业制硫酸
23.下列有关硅及硅酸盐材料的说法正确的是( ) A.硅酸钠属于盐,不属于碱,所以硅酸钠可以保存在磨口玻璃塞试剂瓶中 B.高纯度的硅单质广泛用于制作光导纤维 C.普通玻璃、石英玻璃、水泥等均属于硅酸盐材料
D.祖母绿的主要成分为 Be3Al2Si6O18,用氧化物形式表示为 3BeO·Al2O3·6SiO2
24.下列实验能达到预期目的的是( )
2-
A.检验溶液中是否含有 CO3
+
:滴加稀盐酸,将产生的气体通入澄清石灰水
B.检验溶液中是否含有 NH4 :先滴加浓 NaOH 溶液并加热,再用湿润的红色石蕊试纸
C.检验溶液中是否含有 Fe2+:先滴加氯水,再滴加 KSCN 溶液
2-
D.检验溶液中是否含有 SO4
:先滴加氯化钡溶液,再滴加稀盐酸
25.为了探究 HCl、H2CO3 和 H2SiO3 的酸性强弱,某学生设计了如图所示的实验装置,希望通过 一次实验达到实验目的,下列说法不正确的是( )
A.锥形瓶中可以盛放 Na2CO3
B.装置 B 中的目的是除去挥发的 HCl
C.装置 C 的目的是尾气处理
D.该装置可以得出 HCl、H2CO3、H2SiO3 的酸性强弱顺序
二、填空题
26.(每空 1 分,共 13 分)
第 II 卷(非选择题,共 50 分)
现代工业中,钠、铝、铁的化合物有着重要的意义,请按要求回答下列问题: Ⅰ.某化学小组模拟“侯氏制碱法”,以 NaCl、NH3、CO2 和水等为原料以及下图所示装置制取 NaHCO3,然后再将 NaHCO3 制成 Na2CO3。
(1)装置丙中冷水的作用是 ;
(2)由产生的 NaHCO3 制取 Na2CO3 时,需要进行的实验操作有 、洗涤、灼烧。
(3)NaHCO3 转化为 Na2CO3 的化学方程式为 ;
Ⅱ.铝土矿(主要成分为 Al2O3,还有少量杂质)是提取氧化铝的原料,其工艺流程如下:
(1)请用离子方程式表示以上工艺流程中第①步反应: 。
(2)以上工艺流程中,第③步反应需通入过量 CO2,写出该反应的化学方程式: 。
(3)电解熔融氧化铝制取金属铝,转移了 0.9 mol 电子,理论上能得到金属铝的质量是 g。
Ⅲ.某工厂排放的工业废水呈酸性,经检测,其中所含离子及其浓度如下表所示:
离子
Fe3+
Cu2+
2-
+
+
浓度/(mol/L)
2×10-3
1×10-3
1×10-2
2×10-3
SO4 Na H
(1)计算:c(H+)= mol/L。
(2)为了减少污染并变废为宝,工程师们设计了如下流程,回收铜和绿矾(FeSO4·7H2O)。
① 操作①向工业废水中加入铁粉后,反应的离子方程式为:
Fe + Cu2+ == Fe2+ + Cu、 、 。
② 试剂 B 是 。
③ 通过检验溶液 D 中 Fe3+来判断废水中 Fe3+是否除尽,实验方法是 。
④ 获得的 FeSO4·7H2O 需密闭保存,原因是 。
⑤ 上述 1000 L 废水经处理,可获得 FeSO4·7H2O 的物质的量是 mol。
27.(每空 1 分,共 7 分)
已知 A 是灰黑色的硬而脆的固体,B 是气态物质,A~E 各种物质
的相互转化关系如下图所示。
(1)写出 B、C、D、E 三种物质的化学式:B ,
C ,D ,E ;
(2)画出 A 的原子结构示意图 ;
(3)写出 A→D 的化学方程式 。
(4)写出 C→A 的化学方程式 。
28.(方程式每空 2 分,其余每空 1 分,共 14 分)
氯气、氨气是两种重要的化工原料,在工农业生产、生活中都有着重要的应用。
Ⅰ.某化学兴趣小组同学对氯气的性质进行如下探究:
参考装置图回答下列问题:
(1)请指出仪器 a 的名称 ,写出装置 A 中反应的化学方程式 。
(2)装置 B 的作用为 ,写出装置 H 中的离子方程式 。
(3)在装置 D 中可观察到的现象是 。
(4)据报道,将洁厕液与 84 消毒液混合使用会发生中毒的事故。84 消毒液的主要成分是次氯酸
钠,洁厕灵的主要成分是 HCl。洁厕液与 84 消毒液混合后会发生氧化还原反应,生成有毒的氯
气。写出该反应的离子方程式: 。
Ⅱ.某化学小组在实验室按照右图装置制备并收集氨气:
(1)装置 A 中产生 NH3 的化学方程式为 ;
(2)装置 B 中,当湿润红色石蕊试纸颜色变为
色,表示已经收集满 NH3;
(3)一定条件下,氨气和氯气混合后可以发生反应,生成白
色的烟和一种常见气体,写出该反应的化学方程
式: 。
29.(每空 2 分,共 16 分) 盐酸、硫酸、硝酸合称三大工业强酸,在轻工业、冶金、制药、国防等方面都有重要意义。 Ⅰ.如图实验室某浓盐酸试剂瓶标签上的有关数据,试根据标签上的有关数据回答下列问题:
(1)该浓盐酸中 HCl 的物质的量浓度为 mol/L。
(2)某学生欲用上述浓盐酸和蒸馏水配制 245 mL 物质的量浓度为 0.400 mol/L 的稀盐酸。该学
生需要所需的玻璃仪器有烧杯、玻璃棒、量筒和 ;其中用量筒量取 mL 上述浓
盐酸进行配制。
Ⅱ.将适量的蔗糖放入烧杯中,加适量浓硫酸,迅速搅拌,放出大量的热,同时观察到蔗糖逐渐
变黑,体积膨胀,并放出有刺激性气味的气体。试回答:
(1)“体积膨胀,并放出有刺激性气味的气体”,写出对应的化学方程式: 。
(2)上述现象体现了浓硫酸的 (填序号)
① 酸性 ② 吸水性 ③ 脱水性 ④ 强氧化性
(3)将 SO2 气体与新制得的 Cl2 按一定比例一起通入水中,得到没有漂白性的溶液,该反应的化
学方程式为 。
Ⅲ.将 32 g 铜与 250 mL 一定浓度的硝酸恰好完全反应,产生的 NO 和 NO2 混合气体在标准状况
下的体积为 11.2 L。试计算
(1)硝酸的物质的量浓度是 mol/L
(2)若要使此混合气体被水完全吸收,需要通入标准状况下 L O2。
参考答案: 一、选择题:
1
D
2
D
3
B
4
A
5
C
6
B
7
C
8
D
9
D
10
B
11
D
12
D
13
B
14
D
15
A
16
D
17
A
18
B
19
C
20
B
21
A
22
C
23
D
24
B
25
C
二、填空题
26. I. (1) 冷却,使碳酸氢钠晶体析出 (2) 过滤 (3) 2NaHCO3Na2CO3+H2O+CO2↑
II. (1) Al2O3+2OH-═2AlO2-+H2O (2) NaAlO2+CO2+2H2O = Al(OH)3↓+NaHCO3 (3) 8.1 g
III. (1) 0.01 (2)①Fe+2Fe3+=3Fe2+ Fe+2H+=Fe2++H2↑ ② 硫酸 ③ 取少量 D 中溶液
于试管中,滴加 1 滴 KSCN 溶液,不出现红色,说明废水中 Fe3+除尽 ④ FeSO4 有还原性,
易被氧化(或 FeSO4·7H2O 失去结晶水) ⑤ 12
27. (1) SiF4 SiO2 Na2SiO3 H2SiO3 或 H4SiO4 (2) (3) Si+2NaOH+H2O=Na2SiO3+2H2↑ (4) 2C+SiO2Si+2CO
28. I. (1) 分液漏斗 MnO2+4HCl(浓)Cl2↑+MnCl2+2H2O (2) 除去 Cl2 中的 HCl Cl2+2OH- =Cl-+ClO-+H2O
(3) 干燥的有色布条无变化 (4) ClO-+Cl-+2H+=Cl2↑+H2O
II.(1) Ca(OH)2+2NH4Cl=CaCl2+2NH3↑+2H2O (2) 蓝 (3) 8NH3+3Cl2=N2+6NH4Cl
29. I. (1) 11.9 (2) 250 mL 容量瓶 8.4
II. (1) C+2H2SO4(浓)CO2↑+2SO2↑+2H2O (2) ③④ (3) SO2+Cl2+2H2O=H2SO4+2HCl
III. (1) 6 (2) 5.6
相关资料
更多

