内蒙古自治区包头市第二中学2019-2020年高一上学期10月月考化学试卷
展开一、单选题(本大题共10小题,共60分)
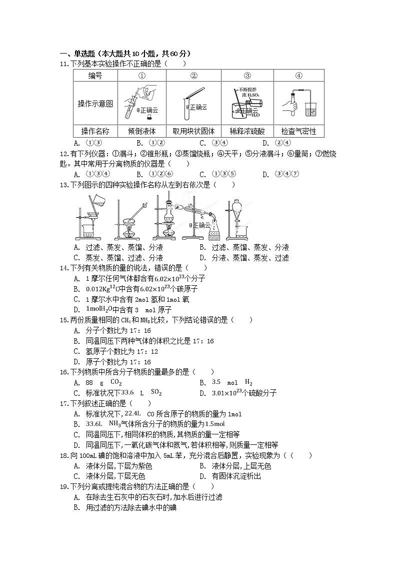
11.下列基本实验操作不正确的是( )
编号 | ① | ② | ③ | ④ |
操作示意图 | ||||
操作名称 | 倾倒液体 | 取用块状固体 | 稀释浓硫酸 | 检查气密性 |
A. B. C. D.
12.有下列仪器:①漏斗;②锥形瓶;③蒸馏烧瓶;④天平;⑤分液漏斗;⑥量筒;⑦燃烧匙。其中常用于分离物质的仪器是( )
A. B. C. D.
13.下列图示的四种实验操作名称从左到右依次是( )
A. 过滤、蒸发、蒸馏、分液 B. 过滤、蒸馏、蒸发、分液
C. 蒸发、蒸馏、过滤、分液 D. 分液、蒸馏、蒸发、过滤
14.下列有关物质的量的说法,错误的是( )
A. 1摩尔任何气体都含有个分子
B. 中含有个碳原子
C. 1摩尔水中含有2mol氢和1mol氧
D. 中含有3 mol原子
15.两份质量相同的CH4和NH3比较,下列结论错误的是( )
A. 分子个数比为17:16
B. 同温同压下两种气体的体积之比是17:16
C. 氢原子个数比为17:12
D. 原子个数比为17:16
16.下列物质中所含分子物质的量最多的是( )
A. 88 g B. mol
C. 标准状况下 L D. 个硫酸分子
17.下列叙述正确的是( )
A. 标准状况下, CO所含原子的物质的量为1mol
B. 气体所含分子的物质的量为
C. 同温同压下,相同体积的物质,其物质的量一定相等
D. 同温同压下,一氧化碳气体和氮气,若体积相等,则质量一定相等
18.向100mL碘的饱和溶液中加入5mL苯,充分混合后静置,实验现象为(( )
A. 液体分层,下层为紫色 B. 液体分层,上层无色
C. 液体分层,下层无色 D. 有固体沉淀析出
19.下列分离或提纯混合物的方法正确的是( )
A. 在除去生石灰中的石灰石时,加水后进行过滤
B. 用过滤的方法除去碘水中的碘
C. 用乙醇萃取碘水中的碘
D. 用溶解过滤蒸发的方法除去固体中的
20.设NA为阿佛加德罗常数的值,下列说法不正确的是( )
A. 常温常压下,1mol氦气含有的原子数为
B. 常温常压下,8g甲烷中含有的电子数为
C. 和混合气体中含有的原子数为
D. 标准状况下,四氯化碳所含分子数
34.填空题(本大题共2小题,共16分)
(Ⅰ) 6.02×1023个氢氧根离子的物质的量是______mol,其摩尔质量为______。
(Ⅱ) 有下列六组仪器:①牛角管、②锥形瓶、③温度计、④冷凝管、⑤已组装固定好的铁架台、酒精灯和带塞(有孔)蒸馏烧瓶(垫有石棉网)、⑥带铁夹的铁架台。现要进行酒精和水混合物的分离实验。试回答下列问题:
(1)按仪器的安装先后顺序排列以上提供的各组仪器(填序号):⑤→______→______→______→①→②。
(2)冷凝管中冷凝水应从下口______(填“进”或“出”,下同),上口______。
(3)蒸馏时,温度计水银球应位于______。
(4)在蒸馏烧瓶中注入液体混合物后,加几片碎瓷片的目的是______。
(5)蒸馏后在锥形瓶中收集到的液体是______,烧瓶中剩下的液体主要是______。
35.简答题(本大题共1小题,共10.0分)
- 现有含有少量NaCl、Na2SO4、Na2CO3等杂质的NaNO3溶液,选择适当的试剂除去杂质,得到纯净的NaNO3固体,实验流程如图所示.
(1)沉淀A的主要成分是 ______ 、 ______ (填化学式).
(2)③中加入过量的Na2CO3溶液的目的是 ______ .
(3)溶液3经过处理可以得到NaNO3固体,溶液3中肯定含有的杂质是 ______ ,为了除去杂质,可向溶液3中加入适量的 ______ .
- 实验题(本大题共1小题,共14.0分)
今实验室欲配制0.5mol•L-1的NaOH溶液500mL,已有以下仪器:
①烧杯②500mL量筒 ③1000mL容量瓶④500mL容量瓶⑤玻璃棒⑥托盘天平(带砝码)⑦药匙
(1)配制时,必须使用上述仪器中的①⑤⑥⑦和______(填代号)这四种仪器外,还缺少另一种仪器,其名称是______.
(2)该实验中两次用到玻璃棒,第一次在溶解过程中是用于搅拌,第二次是用于______.
(3)使用容量瓶前必须进行的一步操作是______
(4)配制过程一般可以分为以下几个步骤:
①称量 ②计算 ③溶解后冷却 ④摇匀 ⑤转移 ⑥洗涤 ⑦定容
其正确的操作顺序为______(用序号填写)在称量操作中需称量NaOH________g
(5)配制过程中,下列情况会使配制结果偏高的是 _______ (填序号)
①容量瓶使用时未干燥 ②定容时俯视刻度线观察液面
③定容后经振荡、摇匀、静置,发现液面低于刻度线,再加蒸馏水补至刻度线
④移液时未洗涤烧杯和玻璃棒 ⑤移液时不慎有少量溶液洒落到桌面上.
答案和解析
1.【答案】B 2.【答案】C 3.【答案】A 4.【答案】C 5.【答案】D
6.【答案】B 7.【答案】D 8.【答案】C 9.【答案】D 10.【答案】D
11.【答案】1 17g/mol 1.96
【解析】解:(1)6.02×1023个氢氧根离子的物质的量是:6.02×1023÷6.02×1023mol-1=1mol,其摩尔质量为:17g/mol,
故答案为:1;17g/mol;
12.【答案】BaSO4;BaCO3;除去过量的Ba(NO3)2〔或BaCl2〕和AgNO3;Na2CO3;HNO3
【解析】解:由实验流程可知,加入过量的Ba(NO3)2,生成BaSO4、BaCO3沉淀,然后在滤液中加入过量的AgNO3,使Cl-全部转化为AgCl沉淀,在所得滤液中加入过量的Na2CO3,使溶液中的Ag+、Ba2+完全沉淀,最后所得溶液为NaNO3和Na2CO3的混合物,加入稀HNO3,最后进行蒸发操作可得固体NaNO3.
(1)加入过量的Ba(NO3)2,Na2SO4、Na2CO3和Ba(NO3)2反应生成BaSO4、BaCO3沉淀,故答案为:BaSO4;BaCO3;
(2)滤液中含有Ag+、Ba2+,在所得滤液中加入过量的Na2CO3,使溶液中的Ag+、Ba2+完全沉淀,故答案为:除去过量的Ba(NO3)2〔或BaCl2〕和AgNO3;
(3)溶液3为NaNO3和Na2CO3的混合物,加入稀HNO3,可除去Na2CO3,最后加热蒸发、冷却结晶、过滤得到硝酸钠,故答案为:Na2CO3;HNO3.
由实验流程可知,加入过量的Ba(NO3)2,生成BaSO4、BaCO3沉淀,然后在滤液中加入过量的AgNO3,使Cl-全部转化为AgCl沉淀,在所得滤液中加入过量的Na2CO3,使溶液中的Ag+、Ba2+完全沉淀,最后所得溶液为NaNO3和Na2CO3的混合物,加入稀HNO3,最后进行蒸发操作可得固体NaNO3.以此解答该题.
本题考查物质的分离提纯操作方法,题目难度中等,解答时注意明确Cl-、SO42-的性质,把握除杂原则,提纯时不能引入新的杂质,注意把握实验的先后顺序.
13.【答案】③ ⑥ ④ 进 出 蒸馏烧瓶支管口处 防止加热时液体暴沸 乙醇 水
【解析】解:(1)安装仪器采用从左到右、从下而上的原则,左侧从下而上仪器是:已组装固定好的铁架台、酒精灯和带塞(有孔)蒸馏烧瓶(垫有石棉网),塞子上方插有温度计,蒸馏烧瓶连接冷凝管,冷凝管固定在铁架台上,冷凝管下方连接牛角管,牛角管下方有锥形瓶,所以仪器连接顺序为⑤③⑥④①②,
故答案为:③;⑥;④;
(2)冷凝管中水采用逆流方法,目的是防止蒸气急剧冷却而炸裂冷凝管,所以水从下口进入,上口出,
故答案为:进;出;
(3)蒸馏时,温度计测量馏分温度,所以温度计水银球应该位于蒸馏烧瓶支管口处,
故答案为:蒸馏烧瓶支管口处;
(4)碎瓷片能防暴沸,为防止液体暴沸而加入碎瓷片,
故答案为:防止加热时液体暴沸;
(5)乙醇沸点小于水,所以蒸馏出的物质是乙醇,烧瓶中剩下的液体主要是水,
故答案为:乙醇;水。
(1)安装仪器采用从左到右、从下而上的原则;
(2)冷凝管中水采用逆流方法;
(3)蒸馏时,温度计测量馏分温度;
(4)碎瓷片能防暴沸;
(5)乙醇沸点小于水,所以蒸馏出的物质是乙醇。
本题以乙醇和水混合溶液蒸馏为载体考查实验操作,为高频考点,明确实验原理、元素化合物性质、实验操作规范性是解本题关键,注意冷凝管中水流方向、温度计位置,为解答易错点。
14.【答案】④;胶头滴管;引流;检漏;②①③⑤⑥⑦④;10.0;②
【解析】解:(1)根据配制一定物质的量浓度的溶液的步骤是:计算、称量、溶解、移液、洗涤、定容、摇匀可知需要的仪器有:托盘天平、药匙、烧杯、玻璃棒、500mL容量瓶和胶头滴管,故必须使用的仪器有:①④⑤⑥⑦,还缺少的仪器室胶头滴管;
故答案为:④;胶头滴管;
(2)在配制过程中,溶解氢氧化钠固体时玻璃棒的用途是:搅拌,加速溶解;在移液时玻璃棒的用途是引流,
故答案为:引流;
(3)容量瓶带有瓶塞,为防止漏液,使用前应检查是否漏水;
故答案为:检漏;
(4)配制0.5mol•L-1的NaOH溶液500mL,配制步骤有计算、称量、溶解、移液、洗涤移液、定容、摇匀等操作,用天平称量NaOH(用到药匙),在烧杯中稀释,并用玻璃棒搅拌,加速溶解,冷却后转移到500mL容量瓶中,并用玻璃棒引流,洗涤2-3次,并将洗涤液移入容量瓶,当加水至液面距离刻度线1~2cm时,改用胶头滴管滴加,最后定容颠倒摇匀.所以操作顺序是②①③⑤⑥⑦④;
需要氢氧化钠的质量为:m=CVM=0.5mol/L×0.5L×40g/mol=10.0g,
故答案为:②①③⑤⑥⑦④;10.0;
(5)①容量瓶使用时未干燥,对溶质的物质的量和体积都不产生影响,溶液浓度不变,故不选;
②定容时俯视刻度线观察液面,导致液面下降,溶液体积偏小,溶液浓度偏高,故选;
③定容后经振荡、摇匀、静置,发现液面低于刻度线,再加蒸馏水补至刻度线,导致溶液体积偏大,溶液浓度偏低,故不选;
④移液时未洗涤烧杯和玻璃棒,导致部分溶质损耗,溶质的物质的量偏小,溶液浓度偏低,故不选;
⑤移液时不慎有少量溶液洒落到桌面上,导致部分溶质损耗,溶质的物质的量偏小,溶液浓度偏低,故不选;
故选:②.
(1)根据配制一定物质的量浓度的溶液的步骤是:计算、称量、溶解、移液、洗涤、定容、摇匀来选择使用的仪器;
(2)根据使用玻璃棒的操作来分析其用途;
(3)依据容量瓶构造及使用方法解答;
(4)据配制溶液的实验操作过程进行实验步骤排序;根据m=CVM计算氢氧化钠的质量;
(5)根据c=分析操作对溶质的物质的量或对溶液的体积的影响判断.
本题考查配制一定物质的量浓度溶液的实验操作步骤和仪器,题目难度不大,注意容量瓶的使用方法和误差分析的方法.

