2019届二轮复习常考题型答题技巧用样本的频率分布估计总体分布学案(全国通用)
展开2019届二轮复习 常考题型答题技巧 用样本的频率分布估计总体分布 学案 (全国通用)
【知识梳理】
1.用样本估计总体的两种情况
(1)用样本的频率分布估计总体分布.
(2)用样本的数字特征估计总体数字特征.
2.频率分布直方图的画法
3.频率分布折线图和总体密度曲线
(1)频率分布折线图:
连接频率分布直方图中各小长方形上端的中点,就得到了频率分布折线图.
(2)总体密度曲线:
随着样本容量的增加,作图时所分的组数也在增加,组距减小,相应的频率分布折线图就会越来越接近于一条光滑曲线,统计中称之为总体密度曲线,它反映了总体在各个范围内取值的百分比.
4.茎叶图的概念]
茎是指中间的一列数,叶就是从茎的旁边生长出来的数.茎叶图可用来分析单组数据,也可以对两组数据进行比较.茎叶图不仅能够保留原始数据,而且能够展示数据的分布情况.
【常考题型】
题型一、列频率分布表、画频率分布直方图
【例1】 考察某校高二年级男生的身高,随机抽取40名高二男生,实测身高数据(单位:cm)如下:
171 163 163 166 166 168 168 160 168 165
171 169 167 169 151 168 170 160 168 174
165 168 174 159 167 156 157 164 169 180
176 157 162 161 158 164 163 163 167 161
(1)作出频率分布表;
(2)画出频率分布直方图和频率分布折线图.
[解] (1)最低身高151,最高身高180,它们的极差为180-151=29.
确定组距为3,组数为10,列表如下:
分组 | 频数 | 频率 |
[150.5,153.5) | 1 | 0.025 |
[153.5,156.5) | 1 | 0.025 |
[156.5,159.5) | 4 | 0.1 |
[159.5,162.5) | 5 | 0.125 |
[162.5,165.5) | 8 | 0.2 |
[165.5,168.5) | 11 | 0.275 |
[168.5,171.5) | 6 | 0.15 |
[171.5,174.5) | 2 | 0.05 |
[174.5,177.5) | 1 | 0.025 |
[177.5,180.5) | 1 | 0.025 |
合计 | 40 | 1 |
(2)频率分布直方图和频率分布折线图如图所示.
学 ]
【类题通法】
绘制频率分布直方图应注意的问题
(1)在绘制出频率分布表后,画频率分布直方图的关键就是确定小矩形的高.一般地,频率分布直方图中两坐标轴上的单位长度是不一致的,合理的定高方法是“以一个恰当的单位长度”(没有统一规定),然后以各组的“”所占的比例来定高.如我们预先设定以“”为1单位长度,代表“0.1”,则若一个组的为0.2,则该小矩形的高就是“”(占两个单位长度),如此类推.
(2)数据要合理分组,组距要选取恰当,一般尽量取整,数据为30 100个左右时,应分成5 12组,在频率分布直方图中,各个小长方形的面积等于各组的频率,小长方形的高与频数成正比,各组频数之和等于样本容量,频率之和为1.
【对点训练】
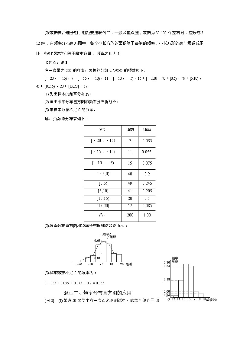
有一容量为200的样本,数据的分组以及各组的频数如下:
[-20,-15),7;[-15,-10),11;[-10,-5),15;[-5,0),40;[0,5),49;[5,10),41;[10,15),20;[15,20],17.
(1)列出样本的频率分布表;
(2)画出频率分布直方图和频率分布折线图;
(3)求样本数据不足0的频率.
解:(1)频率分布表如下:
分组 | 频数 | 频率 |
[-20,-15) | 7 | 0.035 |
[-15,-10) | 11 | 0.055 学 |
[-10,-5) | 15 | 0.075 |
[-5,0) | 40 | 0.2 |
[0,5) | 49 | 0.245 |
[5,10) | 41 | 0.205 |
[10,15) | 20 | 0.1 |
[15,20] | 17 | 0.085 |
合计 | 200 | 1.00 |
(2)频率分布直方图和频率分布折线图如图所示:
(3)样本数据不足0的频率为:
0.035+0.055+0.075+0.2=0.365.
题型二、频率分布直方图的应用
[例2] (1)某班50名学生在一次百米跑测试中,成绩全部介于13 s与19 s之间,将测试结果按如下方式分成六组:第一组,成绩大于等于13 s且小于14 s;第二组,成绩大于等于14 s且小于15 s;…;第六组,成绩大于等于18 s且小于等于19 s,如图所示是按上述分组方法得到的频率分布直方图.设成绩小于17 s的学生人数占全班总人数的百分比为x,成绩大于等于15 s且小于17 s的学生人数为y,则从频率分布直方图(如图所示)中分析出x和y分别为( )
A.0.9,35 B.0.9,45
C.0.1,35 D.0.1,45
[解析] 由频率分布直方图知x=0.34+0.36+0.18+0.02=0.9,∵=0.36+0.34=0.7,∴y=35.故选A.
[答案] A
(2)为了了解高一年级学生的体能情况,某校抽取部分学生进行一分钟跳绳次数测试,将所得数据整理后,画出频率分布直方图(如图所示),图中从左到右各小长方形的面积之比为2∶4∶17∶15∶9∶3,第二小组的频数为12.
①第二小组的频率是多少?样本容量是多少?
②若次数在110以上(含110次)为达标,则该校全体高一年级学生的达标率是多少?
[解] ①频率分布直方图是以面积的形式反映了数据落在各小组内的频率大小的,因此第二小组的频率为=0.08.
又因为第二小组的频率=,所以样本容量===150.
②由直方图可估计该校高一年级学生的达标率为×100 =88 .
【类题通法】
频率分布直方图的意义
(1)频率分布直方图以面积的形式反映了数据落在各组内的频率大小.
(2)在频率分布直方图中,各小矩形的面积之和等于1.
(3)频数/相应的频率=样本容量.
【对点训练】
某工厂对一批产品进行了抽样检测.如图是根据抽样检测后的产品净重(单位:克)数据绘制的频率分布直方图,其中产品净重的范围是[96,106],样本数据分组为[96,98),[98,100),[100,102),[102,104),[104,106].已知样本中产品净重小于100克的个数是36,则样本中净重大于或等于98克并且小于104克的产品的个数是( )
A.90 B.75
C.60 D.45
解析:选A 产品净重小于100克的频率为(0.050+0.100)×2=0.300,已知样本中产品净重小于100克的个数是36,设样本容量为n,则=0.300,所以n=120,净重大于或等于98克并且小于104克的产品的个数是120×0.75=90.
题型三、茎叶图
【例3】 (1)甲、乙两个班级各随机选出15名同学进行测验,成绩的茎叶图如图所示(单位:分),则甲班、乙班的最高成绩分别是 ,从图中看, 班的平均成绩较高.
[解析] 由茎叶图知甲班的最高成绩为96分,乙班的最高成绩为92分,再根据茎叶图的分布特点知,乙班的成绩分布集中在下面,故乙班的平均成绩较高.
[答案] 96,92 乙
(2)某中学高一(2)班甲、乙两名同学自入高中以来每场数学考试成绩情况如下:
甲同学得分:95,81,75,91,86,89,71,65,76,88,94,110;
乙同学得分:83,86,93,99,88,103,98,114,98,79,101,107.
画出两人数学成绩的茎叶图,并根据茎叶图对两人的成绩进行比较.
[解] 甲、乙两人数学成绩的茎叶图如图所示.
从这个茎叶图上可以看出,乙同学的得分情况是大致对称的,中位数是98;甲同学的得分情况除一个特殊得分外,也大致对称,中位数是87,因此乙同学发挥较稳定,总体得分情况比甲同学好.
【类题通法】
画茎叶图的步骤
第一步,将数据分为“茎”(高位)和“叶”(低位)两部分.
第二步,将表示“茎”的数字按大小顺序由上到下排成一列.
第三步,将各个数据的 “叶”按次序写在其茎的左、右两侧.
【对点训练】
如图是2012年青年歌手大奖赛中七位评委为甲、乙两名选手打出的分数的茎叶图(图中m为数字0 9中的一个),去掉一个最高分和一个最低分后,甲、乙两名选手得分的平均数分别为a1,a2,则一定有( )
A.a1>a2 B.a2>a1
C.a1=a2 D.a1,a2的大小与m的值有关
解析:选B 根据茎叶图可知,去掉一个最高分和一个最低分后,甲的平均分为a1=80+=84,乙的平均分为a2=80+=85,故a2>a1.
【练习反馈】
1.某班学生在一次数学考试中各分数段以及人数的成绩分布为:
[0,80),2人;[80,90),6人;[90,100),4人;[100,110),8人;[110,120),12人;[120,130),5人;[130,140),6人;[140,150),2人.那么分数在[100,130)中的频数以及频率分别为( )
A.25,0.56 B.20,0.56
C.25,0.50 D.13,0.29
解析:选A 由[100,130)中的人数为8+12+5=25,得频数为25,频率为≈0.56.
2.如图是甲、乙两名运动员某赛季一些场次得分的茎叶图,据图可知( )
A.甲运动员的成绩好于乙运动员
B.乙运动员的成绩好于甲运动员
C.甲、乙两名运动员的成绩没有明显的差异
D.甲运动员的最低得分为0分
解析:选A 由茎叶图可以看出甲的成绩都集中在30 50分,且高分较多.而乙的成绩只有一个高分52分,其他成绩比较低,故甲运动员的成绩好于乙运动员的成绩.
3.如图是一个班的语文成绩的茎叶图(单位:分),则优秀率(90分以上)是 ,最低分是 .
解析:由茎叶图知,样本容量为25,90分以上的有1人,故优秀率为=4 ,最低分为51分.
答案:4 51
4.某地为了了解该地区10 000户家庭的用电情况,采用分层抽样的方法抽取了500户家庭的月平均用电量,并根据这500户家庭的月平均用电量画出频率分布直方图如图所示,则该地区10 000户家庭中月平均用电度数在[70,80)的家庭有 户.
解析:根据频率分布直方图得该地区10 000户家庭中月平均用电度数在[70,80)的家庭有10 000×0.012×10=1 200(户).
答案:1 200
5.随机抽取100名学生,测得他们的身高(单位:cm),按照区间[160,165),[165,170),[170,175),[175,180),[180,185]分组,得到样本身高的频率分布直方图如图所示.
(1)求频率分布直方图中x的值及身高在170 cm以上的学生人数;
(2)将身高在[170,175),[175,180),[180,185]区间内的学生依次记为A,B,C三个组,用分层抽样的方法从这三个组中抽取6人,求这三个组分别抽取的学生人数.
解:(1)由频率分布直方图可知5×(0.01+0.02+0.04+x+0.07)=1解之得x=0.06.
身高在170 cm以上的学生人数为100×(0.06×5+0.04×5+0.02×5)=60(人).
(2)A组人数为100×0.06×5=30(人),
B组人数为100×0.04×5=20(人),
C组人数为100×0.02×5=10(人),
由题意可知抽样比k==,
故应从A,B,C三组中分别抽取30×=3(人),20×=2(人),10×=1(人).

