2021年高考一轮复习题组训练 物理(湖南省专用)专题十七 光学、电磁波与相对论初步
展开专题十七 光学、电磁波与相对论初步
【高考题组】
A组 基础题组
1.[2016课标Ⅱ,34(1),5分](多选)关于电磁波,下列说法正确的是( )
A.电磁波在真空中的传播速度与电磁波的频率无关
B.周期性变化的电场和磁场可以相互激发,形成电磁波
C.电磁波在真空中自由传播时,其传播方向与场强、磁感应强度均垂直
D.利用电磁波传递信号可以实现无线通信,但电磁波不能通过电缆、光缆传输
E.电磁波可以由电磁振荡产生,若波源的电磁振荡停止,空间的电磁波随即消失
2.[2017课标Ⅱ,34(1),5分](多选)在双缝干涉实验中,用绿色激光照射在双缝上,在缝后的屏幕上显示出干涉图样。若要增大干涉图样中两相邻亮条纹的间距,可选用的方法是( )
A.改用红色激光
B.改用蓝色激光
C.减小双缝间距
D.将屏幕向远离双缝的位置移动
E.将光源向远离双缝的位置移动
3.[2018课标Ⅰ,34(1),5分]
如图,△ABC为一玻璃三棱镜的横截面,∠A=30°。一束红光垂直AB边射入,从AC边上的D点射出,其折射角为60°,则玻璃对红光的折射率为 。若改用蓝光沿同一路径入射,则光线在D点射出时的折射角 (填“小于”“等于”或“大于”)60°。
4.(2019北京理综,14,6分)利用图1所示的装置(示意图),观察光的干涉、衍射现象,在光屏上得到如图2中甲和乙两种图样。下列关于P处放置的光学元件说法正确的是( )
图2
A.甲对应单缝,乙对应双缝
B.甲对应双缝,乙对应单缝
C.都是单缝,甲对应的缝宽较大
D.都是双缝,甲对应的双缝间距较大
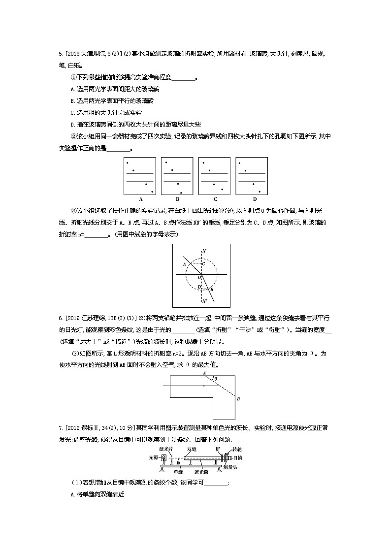
5.[2019天津理综,9(2)](2)某小组做测定玻璃的折射率实验,所用器材有:玻璃砖,大头针,刻度尺,圆规,笔,白纸。
①下列哪些措施能够提高实验准确程度 。
A.选用两光学表面间距大的玻璃砖
B.选用两光学表面平行的玻璃砖
C.选用粗的大头针完成实验
D.插在玻璃砖同侧的两枚大头针间的距离尽量大些
②该小组用同一套器材完成了四次实验,记录的玻璃砖界线和四枚大头针扎下的孔洞如下图所示,其中实验操作正确的是 。
③该小组选取了操作正确的实验记录,在白纸上画出光线的径迹,以入射点O为圆心作圆,与入射光线、折射光线分别交于A、B点,再过A、B点作法线NN'的垂线,垂足分别为C、D点,如图所示,则玻璃的折射率n= 。(用图中线段的字母表示)
6.[2019江苏理综,13B(2)(3)](2)将两支铅笔并排放在一起,中间留一条狭缝,通过这条狭缝去看与其平行的日光灯,能观察到彩色条纹,这是由于光的 (选填“折射”“干涉”或“衍射”)。当缝的宽度 (选填“远大于”或“接近”)光波的波长时,这种现象十分明显。
(3)如图所示,某L形透明材料的折射率n=2。现沿AB方向切去一角,AB与水平方向的夹角为θ。为使水平方向的光线射到AB面时不会射入空气,求θ的最大值。
7.[2019课标Ⅱ,34(2),10分]某同学利用图示装置测量某种单色光的波长。实验时,接通电源使光源正常发光;调整光路,使得从目镜中可以观察到干涉条纹。回答下列问题:
(ⅰ)若想增加从目镜中观察到的条纹个数,该同学可 ;
A.将单缝向双缝靠近
B.将屏向靠近双缝的方向移动
C.将屏向远离双缝的方向移动
D.使用间距更小的双缝
(ⅱ)若双缝的间距为d,屏与双缝间的距离为l,测得第1条暗条纹到第n条暗条纹之间的距离为Δx,则单色光的波长λ= ;
(ⅲ)某次测量时,选用的双缝的间距为0.300 mm,测得屏与双缝间的距离为1.20 m,第1条暗条纹到第4条暗条纹之间的距离为7.56 mm。则所测单色光的波长为 nm(结果保留3位有效数字)。
8.[2018课标Ⅲ,34(2),10分]如图,某同学在一张水平放置的白纸上画了一个小标记“·”(图中O点),然后用横截面为等边三角形ABC的三棱镜压在这个标记上,小标记位于AC边上。D位于AB边上,过D点做AC边的垂线交AC于F。该同学在D点正上方向下顺着直线DF的方向观察,恰好可以看到小标记的像;过O点做AB边的垂线交直线DF于E;DE=2 cm,EF=1 cm。求三棱镜的折射率。(不考虑光线在三棱镜中的反射)
9.[2016课标Ⅰ,34(2),10分]如图,在注满水的游泳池的池底有一点光源A,它到池边的水平距离为3.0 m。从点光源A射向池边的光线AB与竖直方向的夹角恰好等于全反射的临界角,水的折射率为。
(ⅰ)求池内的水深;
(ⅱ)一救生员坐在离池边不远处的高凳上,他的眼睛到池面的高度为2.0 m。当他看到正前下方的点光源A时,他的眼睛所接受的光线与竖直方向的夹角恰好为45°。求救生员的眼睛到池边的水平距离(结果保留1位有效数字)。
B组 综合题组
1.[2019课标Ⅰ,34(2),10分]如图,一艘帆船静止在湖面上,帆船的竖直桅杆顶端高出水面3 m。距水面4 m的湖底P点发出的激光束,从水面出射后恰好照射到桅杆顶端,该出射光束与竖直方向的夹角为53°(取sin 53°=0.8)。已知水的折射率为。
(ⅰ)求桅杆到P点的水平距离;
(ⅱ)船向左行驶一段距离后停止,调整由P点发出的激光束方向,当其与竖直方向夹角为45°时,从水面射出后仍照射在桅杆顶端,求船行驶的距离。
2.[2019课标Ⅲ,34(2),10分]如图,直角三角形ABC为一棱镜的横截面,∠A=90°,∠B=30°。一束光线平行于底边BC射到AB边上并进入棱镜,然后垂直于AC边射出。
(ⅰ)求棱镜的折射率;
(ⅱ)保持AB边上的入射点不变,逐渐减小入射角,直到BC边上恰好有光线射出。求此时AB边上入射角的正弦。
3.[2017课标Ⅱ,34(2),10分]一直桶状容器的高为2l,底面是边长为l的正方形;容器内装满某种透明液体,过容器中心轴DD'、垂直于左右两侧面的剖面图如图所示。容器右侧内壁涂有反光材料,其他内壁涂有吸光材料。在剖面的左下角处有一点光源,已知由液体上表面的D点射出的两束光线相互垂直,求该液体的折射率。
4.[2018课标Ⅱ,34(2),10分]如图,△ABC是一直角三棱镜的横截面,∠A=90°,∠B=60°。一细光束从BC边的D点折射后,射到AC边的E点,发生全反射后经AB边的F点射出。EG垂直于AC交BC于G,D恰好是CG的中点。不计多次反射。
(ⅰ)求出射光相对于D点的入射光的偏角;
(ⅱ)为实现上述光路,棱镜折射率的取值应在什么范围?
5.[2017课标Ⅰ,34(2),10分]如图,一玻璃工件的上半部是半径为R的半球体,O点为球心;下半部是半径为R、高为2R的圆柱体,圆柱体底面镀有反射膜。有一平行于中心轴OC的光线从半球面射入,该光线与OC之间的距离为0.6R。已知最后从半球面射出的光线恰好与入射光线平行(不考虑多次反射)。求该玻璃的折射率。
6.[2017课标Ⅲ,34(2),10分]如图,一半径为R的玻璃半球,O点是半球的球心,虚线OO'表示光轴(过球心O与半球底面垂直的直线)。已知玻璃的折射率为1.5。现有一束平行光垂直入射到半球的底面上,有些光线能从球面射出(不考虑被半球的内表面反射后的光线)。求
(ⅰ)从球面射出的光线对应的入射光线到光轴距离的最大值;
(ⅱ)距光轴的入射光线经球面折射后与光轴的交点到O点的距离。
7.[2016课标Ⅲ,34(2),10分]如图,玻璃球冠的折射率为,其底面镀银,底面的半径是球半径的倍;在过球心O且垂直于底面的平面(纸面)内,有一与底面垂直的光线射到玻璃球冠上的M点,该光线的延长线恰好过底面边缘上的A点。求该光线从球面射出的方向相对于其初始入射方向的偏角。
C组 提高题组
1.[2015课标Ⅱ,34(1),5分](多选)如图,一束光沿半径方向射向一块半圆柱形玻璃砖,在玻璃砖底面上的入射角为θ,经折射后射出a、b两束光线。则( )
A.在玻璃中,a光的传播速度小于b光的传播速度
B.在真空中,a光的波长小于b光的波长
C.玻璃砖对a光的折射率小于对b光的折射率
D.若改变光束的入射方向使θ角逐渐变大,则折射光线a首先消失
E.分别用a、b光在同一个双缝干涉实验装置上做实验,a光的干涉条纹间距大于b光的干涉条纹间距
2.[2014课标Ⅱ,34(2),10分]一厚度为h的大平板玻璃水平放置,其下表面贴有一半径为r的圆形发光面。在玻璃板上表面放置一半径为R的圆纸片,圆纸片与圆形发光面的中心在同一竖直线上。已知圆纸片恰好能完全遮挡住从圆形发光面发出的光线(不考虑反射),求平板玻璃的折射率。
3.[2015课标Ⅰ,34(1),5分]在双缝干涉实验中,分别用红色和绿色的激光照射同一双缝,在双缝后的屏幕上,红光的干涉条纹间距Δx1与绿光的干涉条纹间距Δx2相比,Δx1 Δx2(填“>”、“=”或“<”)。若实验中红光的波长为630 nm,双缝与屏幕的距离为1.00 m,测得第1条到第6条亮条纹中心间的距离为10.5 mm,则双缝之间的距离为 mm。
4.[2014课标Ⅰ,34(2),9分]一个半圆柱形玻璃砖,其横截面是半径为R的半圆,AB为半圆的直径,O为圆心,如图所示。玻璃的折射率为n=。
(ⅰ)一束平行光垂直射向玻璃砖的下表面,若光线到达上表面后,都能从该表面射出,则入射光束在AB上的最大宽度为多少?
(ⅱ)一细束光线在O点左侧与O相距 R处垂直于AB从下方入射,求此光线从玻璃砖射出点的位置。
5.(2017北京理综,14,6分)如图所示,一束可见光穿过平行玻璃砖后,变为a、b两束单色光。如果光束b是蓝光,则光束a可能是( )
A.红光 B.黄光 C.绿光 D.紫光
6.(2017上海单科,4,3分)用单色光照射位于竖直平面内的肥皂液薄膜,所观察到的干涉条纹为( )
7.[2018江苏单科,12B(1)](多选)梳子在梳头后带上电荷,摇动这把梳子在空中产生电磁波。该电磁波( )
A.是横波
B.不能在真空中传播
C.只能沿着梳子摇动的方向传播
D.在空气中的传播速度约为3×108 m/s
8.(2016天津理综,6,6分)(多选)物理学家通过对实验的深入观察和研究,获得正确的科学认知,推动物理学的发展。下列说法符合事实的是( )
A.赫兹通过一系列实验,证实了麦克斯韦关于光的电磁理论
B.查德威克用α粒子轰击N获得反冲核O,发现了中子
C.贝克勒尔发现的天然放射性现象,说明原子核有复杂结构
D.卢瑟福通过对阴极射线的研究,提出了原子核式结构模型
9.(2017北京理综,20,6分)物理学原理在现代科技中有许多重要应用。例如,利用波的干涉,可将无线电波的干涉信号用于飞机降落的导航。
如图所示,两个可发射无线电波的天线对称地固定于飞机跑道两侧,它们类似于杨氏干涉实验中的双缝。两天线同时都发出波长为λ1和λ2的无线电波。飞机降落过程中,当接收到λ1和λ2的信号都保持最强时,表明飞机已对准跑道。下列说法正确的是( )
A.天线发出的两种无线电波必须一样强
B.导航利用了λ1与λ2两种无线电波之间的干涉
C.两种无线电波在空间的强弱分布稳定
D.两种无线电波各自在空间的强弱分布完全重合
10.[2018北京理综,24(2)]观测宇宙中辐射电磁波的天体,距离越远单位面积接收的电磁波功率越小,观测越困难。为了收集足够强的来自天体的电磁波,增大望远镜口径是提高天文观测能力的一条重要途径。2016年9月25日,世界上最大的单口径球面射电望远镜FAST在我国贵州落成启用,被誉为“中国天眼”。FAST直径为500 m,有效提高了人类观测宇宙的精度和范围。
a.设直径为100 m的望远镜能够接收到的来自某天体的电磁波功率为P1,计算FAST能够接收到的来自该天体的电磁波功率P2;
b.在宇宙大尺度上,天体的空间分布是均匀的。仅以辐射功率为P的同类天体为观测对象,设直径为100 m望远镜能够观测到的此类天体数目是N0,计算FAST能够观测到的此类天体数目N。
【限时模拟训练】
时间:40分钟 分值:85分
一、选择题(5分)
1.[2019衡阳三模,34(1)](多选)以下物理学知识的相关叙述中,正确的是( )
A.交警通过发射超声波测量车速是利用了波的多普勒效应
B.用透明的标准样板和单色光检查平面的平整度是利用了光的偏振
C.通过手指间的缝隙观察日光灯,可以看到彩色条纹,说明光具有波动性
D.红外线的显著作用是热作用,温度较低的物体不能辐射红外线
E.在“用单摆测重力加速度”的实验中,为了减小测量单摆周期的误差,应选小球运动中的最低点为计时起点,测其n次全振动的时间
二、非选择题(共80分)
2.[2020届湘潭一中等六校联考,34(2)](9分)如图所示,在MN的下方足够大的空间是玻璃介质,其折射率n=,玻璃介质的上边界MN是屏幕。玻璃中有一正三角形空气泡,其边长l=40 cm,顶点与屏幕接触于C点,底边AB与屏幕平行。激光a垂直于AB边射向AC边的中点O,结果在屏幕MN上出现两个光斑。
①画出光路图;
②求两个光斑之间的距离L
3.[2020届长郡中学月考,19(2)](9分)如图为一玻璃砖的截面图,ABCD为长方形,BCE为圆,AB=2R,BC=R,一束单色光从AD界面上的F点(未画出)入射,在CD界面上的G点(未画出)发生一次全反射后,从BE界面上的H点射出,折射角α=60°,折射光平行于DE且与反射光垂直,真空中的光速为c。
(ⅰ)画出光路图并求出折射率n;
(ⅱ)光从射入玻璃砖到第一次射出的时间t。
4.一棱镜的截面为直角三角形ABC,其中∠C=90°、∠A=30°、BC边长为l。在该截面所在的平面内,一条光线以i=45°的入射角从AC边的中点M射入棱镜,经过一次折射和一次全反射后垂直于BC边射出,部分光路图如图所示。光在真空中的传播速度为c。求:
(1)棱镜材料的折射率n;
(2)光在棱镜中传播的时间t。
5.(2020届衡阳八中月考,19)(12分)如图,跳水比赛的1 m跳板伸向水面,右端点距水面高1 m,A为右端点在水底正下方的投影,水深h=4 m,若跳水馆只开了一盏黄色小灯S,该灯距跳板右端水平距离x=4 m,离水面高度H=4 m,现观察到跳板水下阴影右端点B到A的距离AB=4 m。
(1)求该黄色光在水中的折射率;
(2)若在水底A处放一物体,则站在跳板右端向下看,该物体看起来在水下多深处?
6.[2020届衡阳八中月考,19(2)](10分)如图所示,一个半径为R的透明玻璃球,玻璃球的折射率为,虚线为过球心的一条对称轴。现有两束与对称轴平行的光线分别从球上A、B两点射入玻璃球,A、B两点到对称轴的距离均为R,两束光线分别从C、D两点射出玻璃球后相交于对称轴上的E点。求E点到球心O的距离。
7.[2019湖南师大附中月考,34(2)](10分)如图甲所示,在平静的水面下深d处有一个点光源S,它发出的是两种不同颜色的a光和b光,在水面上形成了一个被照亮的圆形区域,该区域的中间为由a、b两种单色光所构成的复色光的圆形区域,其半径为R。周边为环状区域,其宽度为ΔL且为a光的颜色(见图乙)。则:两种色光的折射率na、nb分别是多少?
8.[2019长沙一中月考,34(2)](10分)一半径为 m的半圆柱玻璃砖上,上方有平行横截面直径AB的固定直轨道,轨道上有一小车,车上固定一与轨道成45°角的激光笔,发出的细激光束始终在与横截面平行的平面上。打开激光笔,并使小车从左侧足够远的地方以恒定速度向右运动,结果在半圆柱玻璃砖的弧面有激光射出的时间持续了1 s。不考虑光在AB面上的反射,已知该激光在玻璃砖中的折射率为,光在空气中的传播速度大小为c。求:
①该激光在玻璃砖中传播的速度大小;
②小车向右匀速运动的速度v0的大小。
9.[2019湘赣十四校联考,19(2)](10分)某种透明材料制成的空心球体外径是内径的2倍,其过球心的某截面(纸面内)如图所示。一束单色光(纸面内)从外球面上A点入射,入射角为45°,光束经折射后恰好与内球面B点相切。
①求该透明材料的折射率;
②欲使光束能射入空心球内部空心区域,入射角i'应满足什么条件?

