安徽省滁州市定远县育才学校2020届高三上学期月考化学试题
展开育才学校2020届高三第二次月考
化学试题
可能用到的相对原子质量:H-1 O-16 N-14 Na-23 Fe-56 S-32 K-39 Cu-65
一、选择题(本大题共16小题,每小题只有一个选项符合题意,满分48分。)
1.化学与生产、生活、环境等息息相关,下列有关说法中不正确的是( )
A. PM2.5是指粒径不大于2.5μm的可吸入悬浮颗粒物
B. 绿色化学要求从源头上消除或减少生产活动对环境的污染
C. 双氧水、高锰酸钾溶液可以杀灭病毒,其消毒原理与二氧化硫漂白丝织物原理相同
D. 工业上生产玻璃、水泥、漂白粉及用铁矿石冶炼铁,均需要用石灰石为原料
2.用NA表示阿伏加德罗常数的值,下列叙述中正确的是( )
A. 常温下,1L0.1 mol•L-1CH3COONa溶液中CH3COO-离子数目为0.1NA
B. 标准状况下,11.2LHF 含有0.5 NAHF分子
C. 将含0.1mol FeCl3的饱和溶液滴入沸水形成的胶体粒子的数目小于0.1 NA
D. 含19.6gH2SO4的浓硫酸与足量铜反应,生成SO2的分子数为0.1 NA
3.六种短周期元素A、B、C、D、E、F的原子序数依次增大,其中A与E,B与F同主族,E与F同周期;D的核电荷数是F的最外层电子数的2倍;B的最高正价与最低负价的代数和为0;常温下单质A与E的状态不同。下列判断正确的是( )
A. A、D形成的化合物一定比A、B形成的化合物的沸点高
B. C、F的最高价氧化物均为酸性氧化物,均可以与水反应生成对应的酸
C. 原子半径由大到小的顺序是:E>F>C>D
D. C、E、F的最高价氧化物的水化物之间,可两两发生反应
4.某实验小组对一含有Al 3+ 的未知溶液进行了如下分析:(1)滴入少量氢氧化钠,无明显变化;(2)继续滴加NaOH溶液,有白色沉淀;(3)滴入过量的氢氧化钠,白色沉淀明显减少。实验小组经定量分析,得出如图所示沉淀与滴入氢氧化钠体积的关系。下列说法正确的是( )
A. 该未知溶液中至少含有4种阳离子
B. 滴加的NaOH溶液的物质的量浓度为0.5 mol·L -1
C. 若另一种离子为二价阳离子,则a=10
D. 若将最终沉淀过滤、洗涤、灼烧,其质量一定为6g
5.利用下列实验装置可以达到实验目的的是( )
A. 甲装置可以实现Cl2的制取、收集、尾气吸收
B. 乙装置可以实现乙酸乙酯的制取和收集
C. 丙装置可以形成Cu—Zn原电池
D. 丁装置可证明H2CO3的酸性大于H2SiO3
6.X、Y、Z和W代表原子序数依次增大的四种短周期主族元素,它们满足以下条件:①在元素周期表中,Z 与Y、W均相邻;②X、Y、W分别位于不同周期;③Y、Z、W三种元素的原子最外层电子数之和为17。 下列说法错误的是( )
A. 简单阴离子的离子半径:W>Y>Z>X
B. X、Y、Z既能形成离子化合物,又能形成共价化合物
C. W的常见氧化物均为酸性氧化物
D. X分别与Y、Z形成的核外电子总数为10的微粒最多只有5种
7.下表中的实验操作、现象和结论均正确的是( )
选项 | 实验操作 | 实验现象 | 结论 |
A | 将浓硫酸滴到蔗糖中并搅拌 | 固体变黑膨胀 | 浓硫酸仅体现脱水性 |
B | 将稀硫酸缓缓滴入Na2CO3 溶液中 | 开始无气泡产生 | 二者不反应 |
C | 向某溶液中加入浓NaOH溶液并加热,在试管口用湿润的红色石蕊纸检验 | 试纸变蓝 | 原溶液中含有NH4+ |
D | 向氢氧化铁胶体中滴加氯化铵饱和溶液 | 产生沉淀 | 沉淀为FeCl3 |
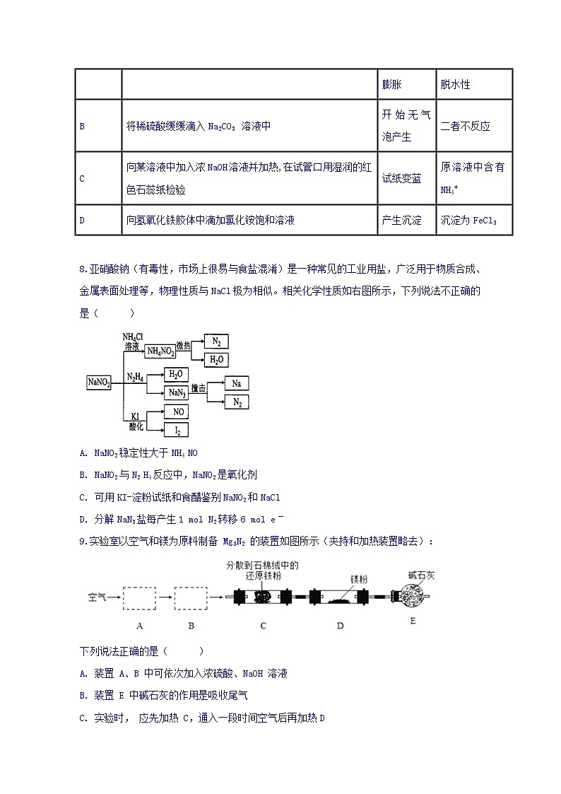
8.亚硝酸钠(有毒性,市场上很易与食盐混淆)是一种常见的工业用盐,广泛用于物质合成、金属表面处理等,物理性质与NaCl极为相似。相关化学性质如右图所示,下列说法不正确的是( )
A. NaNO2稳定性大于NH4 NO
B. NaNO2与N2 H4反应中,NaNO2是氧化剂
C. 可用KI-淀粉试纸和食醋鉴别NaNO2和NaCl
D. 分解NaN3盐每产生1 mol N2转移6 mol e一
9.实验室以空气和镁为原料制备 Mg3N2 的装置如图所示(夹持和加热装置略去):
下列说法正确的是( )
A. 装置 A、B 中可依次加入浓硫酸、NaOH 溶液
B. 装置 E 中碱石灰的作用是吸收尾气
C. 实验时, 应先加热 C,通入一段时间空气后再加热D
D. 若去掉装置 C,对产品纯度无影响
10.关于某无色溶液所含离子的确定,下列判断正确的是( )
A. 若加入AgNO3溶液,生成白色沉淀,加稀盐酸沉淀不消失,可确定有Cl-存在
B. 加入几滴Fe2(SO4)3溶液,溶液变成紫色,可确定有酚羟基存在
C. 若加入Ba(NO3)2溶液,生成白色沉淀,加稀盐酸沉淀不消失,可确定有SO42-或Ag+的存在
D. 若加入盐酸,生成无色无味气体且能使澄清石灰水变浑浊,可确定一定有CO32-
11.由下列实验及现象推出的相应结论正确的是( )
选项 | 实验 | 现象 | 结论 |
A | 向填有硫酸处理的K2Cr2O7硅胶导管中吹入乙醇蒸气 | 管中固体逐渐由橙色变为绿色 | 乙醇具有还原性 |
B | 向盐酸酸化的Cu( NO3)2溶液中通少量SO2,然后滴入BaCl2溶液 | 产生白色沉淀 | Cu2+氧化性大于H2SO4 |
C | 打磨后的铝片放入Hg(N03)2溶液中片刻,用滤纸吸干后置空气中 | 铝片发烫并逐渐长出白色针状固体 | 汞与氧气反应放热,白色物质为HgO |
D | 向2支分别盛有相同浓度的K4Fe( CN)6和CuSO4溶液中分別滴入2 滴H2S 饱和溶液 | 前者无明显现象,后者产生黑色沉淀 | Ksp(FeS) < Ksp (CuS) |
12.某无色溶液中可能存在Na+、Mg2+、Fe3+、I-、CO32-、SO42-、Cl-中的几种,某学生进行了下列实验: ①取少量原溶液,向其中滴加足量氯水,有无色无味气体产生,溶液仍为无色,再将溶液分为2份;②向其中一份溶液中加入AgNO3溶液,有白色沉淀产生;③向另一份溶液中加入BaCl2溶液,有白色沉淀产生。原溶液中一定大量存在的离子组是( )
A. Na+、Fe3+、SO42- B. CO32-、Cl- 、SO42-
C. Mg2+、I-、SO42- D. Na+、SO42-、CO32-
13.下列实验对应的现象及结论均正确且两者具有因果关系的是( )
选项 | 实验 | 现象 | 结论 |
A | 25℃,两片相同的A1片分别和等体积稀HNO3和浓HNO3反应 | 前者产生无色气体,后者产生红棕色气体,且后者反应更加剧烈 | 其他条件相同时,反应物浓度越大, 反应速率越快 |
B | 向某液溶胶中分别加入石膏和硫酸钠的溶液 | 前者明显聚沉,后者几乎无变化 | 该胶体微粒带负电荷 |
C | SO2通入BaCl2溶液,然后滴入稀硝酸 | 有白色沉淀产生,加入稀硝酸后沉淀不溶解 | 所得沉淀为 BaSO3,后转化为 BaSO4 |
D | 将炭和浓H2SO4的混合物加热,产生的气体通入石灰水 | 石灰水变浑浊 | 碳被氧化成CO2 |
14.下列反应的离子方程式正确的是( )
A. Ba(OH)2溶液中加入少量KAl(SO4)2溶液:3Ba2++6OH-+2Al3++3SO42-=3BaSO4↓+2Al(OH)3↓
B. 氢氧化铁溶于氢碘酸中:Fe(OH)3 + 3H+ =Fe3+ + 3H2O
C. 向硅酸钠溶液中滴入过量稀盐酸:SiO32-+2H+=H2SiO3(胶体)
D. 用石墨电极电解AlCl3溶液阴极区生成沉淀:2Al3++6H2O+6e-=2Al(OH)3↓+3H2↑
15.将13.6gCu和Cu2O组成的混合物加入250ml一定浓度的稀硝酸中,固体完全溶解生成Cu(NO3)2和NO。向所得溶液中加入1.0L0.5mol•L-1的NaOH溶液,生成沉淀的质量为19.6g,此时溶液呈中性,且金属离子沉淀完全。下列说法正确的是 ( )
A. 原固体混合物中,Cu和Cu2O的物质的量之比为1∶1 B. 原稀硝酸的浓度为1.3mol·L-1
C. 产生的NO的体积为2.24L D. 反应后剩余硝酸的物质的量为0.1mol
16.X为一种常见气体(常温下),a、b、c是中学化学常见物质,均由常见元素组成,转化关系如图所示,下列说法不正确的是( )
A. 若a、b、c焰色反应均呈黄色,水溶液均呈碱性,则a中可能既含有离子键又含有共价键
B. 若X为O2,a为一种固态单质,则c可能为CO2和SO3
C. 若b为固态非金属单质,b与X所含元素同主族,则a、b、c均能与X反应
D. 若a为固态非金属单质,a与X所含元素同周期,常温常压下c为白色固体,则X与a所含元素原子的核电荷数相差2
二、非选择题(本大题共3小题,满分52分。)
17. (本大题满分20分)青蒿素是一种有效的抗疟药。常温下,青蒿素为无色针状晶体,难溶于水,易溶于有机溶剂,熔点为156~157℃。提取青蒿素的方法之一是乙醚浸取法,提取流程如下:
请回答下列问题:
(l)对青蒿进行破碎的目的是__________________。
(2)操作I用到的玻璃仪器是__________,操作Ⅱ的名称是_______。
(3)用下列实验装置测定青蒿素的化学式,将28.2g青蒿素放在燃烧管C中充分燃烧:
① 仪器各接口的连接顺序从左到右依次为_______(每个装置限用一次)。A装置中发生的化学反应方程式为_________________。
② 装置C中CuO的作用是_________________。
③ 装置D中的试剂为_________________。
④ 已知青蒿素是烃的含氧衍生物,用合理连接后的装置进行实验.测量数据如下表:
装置质量 | 实验前/g | 实验后/g |
B | 22.6 | 42.4 |
E(不含干燥管) | 80.2 | 146.2 |
则青蒿素的最简式为__________。
(4)某学生对青蒿素的性质进行探究。将青蒿素加入含有NaOH 、酚酞的水溶液中,青蒿素的溶解度较小,加热并搅拌,青蒿素的溶解度增大,且溶液红色变浅,与青蒿素化学性质相似的物质是______(填字母代号)。
A.乙醇 B.乙酸 C.乙酸乙酯 D.葡萄糖
18. (本大题满分18分)氮化铝(AlN)是一种新型无机非金属材料。某AlN样品仅含有Al2O3杂质,为测定AlN含量,设计如下两种实验方案。(已知:AlN+NaOH+ H2O==NaAlO2+ NH3↑)
【方案1】取一定量的样品,用以下装置测定样品中AlN的纯度(夹持装置已略去)。
(1)上图C装置中球形干燥管的作用是_________________。
(2)完成以下实验步骤:组装好实验装置,检查装置气密性并加入实验药品,关闭K1,打开K2 ,打开分液漏斗活塞,加入NaOH浓溶液,至不再产生气体。打开K1,通入氮气一段时间,测定C装置反应前后的质量变化。
①检验装置气密性的方法是__________________________
②通入氮气的目的是__________________________________________________。
(3)由于装置存在缺陷,导致测定结果偏高,请提出改进意见__________________。
【方案2】用下图装置测定m g样品中AlN的纯度(部分夹持装置已略去)。
(4)为测定生成气体的体积,量气装置中的X液体可以是___________
A.CCl4 B.H2O C.NH4Cl溶液 D.苯
(5)若m g样品完全反应,测得生成气体的体积为V mL(已转换为标准状况),则AlN的质量分数是_____________________。
若其他操作均正确,但反应结束后读数时,右侧量气管中液面高于左侧球型管中液面,则最后测得AlN的质量分数会_________(填“偏高”“偏低”或“无影响”)。
19. (本大题满分14分)某化学兴趣小组为探究Cl2、Br2、Fe3+的氧化性强弱,设计如下实验:
(1)整套实验装置存在一处明显的不足,请指出:__________。
(2)用改正后的装置进行实验,实验过程如下:
实验操作 | 实验现象 | 结论 |
打开活塞a,向圆底烧瓶中滴入适量浓盐酸;然后关闭活塞a,点燃酒精灯 | D装置中:溶液变红 E装置中:水层溶液变黄,振荡后,CCl4层无明显变化 | Cl2、Br2、Fe3+的氧化性由强到弱的顺序为___ _ |
(3)因忙于观察和记录,没有及时停止反应,D、E中均发生了新的变化。D装置中:红色慢慢褪去。E装置中:CCl4层先由无色变为橙色,后颜色逐渐加深,直至变成红色。①为探究上述实验现象的本质,小组同学查得资料如下:(SCN)2性质与卤素单质类似。氧化性:Cl2>(SCN)2。请用平衡移动原理(结合化学用语)解释Cl2过量时D中溶液红色褪去的原因________________________________;请设计简单实验证明上述解释:__________________________。
②欲探究E中颜色变化的原因,设计实验如下:用分液漏斗分离出E的下层溶液,蒸馏、收集红色物质,取少量,加入AgNO3溶液,结果观察到仅有白色沉淀产生。请结合化学用语解释仅产生白色沉淀的原因:_______________。
③将少量BrCl通入到碘化钾溶液中,该反应的化学方程式为_________________。
参考答案
1.C 2.C 3.C 4.C 5.C 6.D 7.C 8.D 9.C 10.B 11.A 12.D 13.B 14.D 15.D 16.B
17. 增大青蒿与乙醚的接触面积,提高青蒿素的浸取率
漏斗、玻璃棒、烧杯 蒸馏
afgdebchi 2 H2O2 2 H2O+O2
使青蒿素充分氧化生成CO2和H2O 浓硫酸 C15H22O5
C
18. 防倒吸 关闭K1和分液漏斗活塞,向C中注水至浸没长导管下端管口,微热A,若C中长导管管口出现气泡,冷却后回流一段水柱,说明装置气密性良好 把装置中残留的氨气全部赶入C装置 C装置出口处连接一个盛有碱石灰的干燥管 AD 41V/22400m×100% 偏低
19. 缺少尾气处理装置
Cl2>Br2>Fe3+
过量氯气和SCN-反应:2SCN-+Cl2 2Cl-+(SCN)2,使SCN-浓度减小,则Fe3++3SCN- Fe(SCN)3平衡逆向移动而褪色 取少量褪色后的溶液,滴加KSCN溶液,若溶液变红色,则上述推测合理
BrCl+H2O HBrO+HCl,反应只产生Cl-,不产生Br-
BrCl+2KI KCl+KBr+I2

