还剩22页未读,
继续阅读
2019届四川省宜宾市第四中学高三二诊模拟考试理综试题
展开
2019届四川省宜宾市第四中学高三二诊模拟考试理综试题
说明:可能用到的元素的相对原子质量:
H-I Li-7 C-12 N-14 0-16 Na-23 Mg-24 A1-27 Si-28
S-32 Cl-35.5 Ca-40 Ti-48 Fe-56 Cu-64
第Ⅰ卷(选择题,共126分)
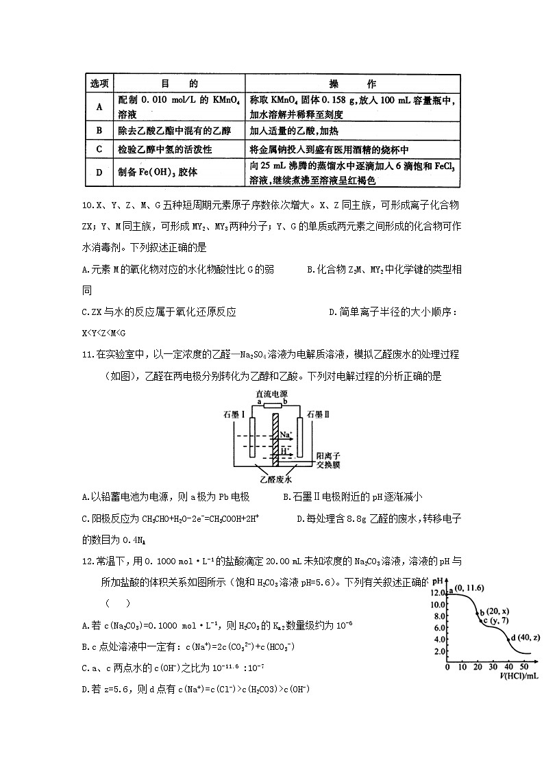
一、选择题(本题共13小题,每小题6分。在每小题给出的四个选项中,只有一项符合题目要求)
1.下列关于生物膜结构和功能的叙述,错误的是
A.细胞膜上的糖被只与细胞表面的识别有关
B.癌细胞膜上的糖蛋白等减少使癌细胞间的黏着性下降
C.核膜上的核孔对物资进出细胞核仍然具有选择性
D.膜成分相互转化的基础是生物膜具有一定的流动性
2.下列有关生物体内物质的叙述,正确的是
A.脂肪、糖原和淀粉都是动物细胞的储能物质
B.酵母菌细胞内[H]与O2的结合发生在生物膜上
C.细胞中自由水与结合水的比例越小则代谢越强
D.酶通过提供能量和降低反应活化能来提高反应速率
3. 体温恒定对于人体正常的生命活动至关重要。下列与人体体温调节有关的叙述,正确的是
A. 炎热环境中机体增加排尿量是促进散热的重要途径
B. 寒冷环境中体温恒定是因为机体产热量等于散热量
C. 人体骨骼肌细胞中产热量最多的部位是细胞质基质
D. 下丘脑是体温调节中枢但不能直接感受体温的变化
4. 植物体内有多种激素对各种生命活动进行调节。下列关于植物激素调节的叙述,错误的是
A. 生长素不直接参与细胞代谢只能给细胞传达促进生长的信息
B. 秋天落叶中脱落酸的合成量增加既受基因调控也受环境影响
C. 单侧光能影响生长素的横向运输但不影响生长素的极性运输
D. 生长素和乙烯对植物侧芽细胞的伸长都起着一定的调节作用
5.下列对人体某些生理过程的叙述中,正确的是
A.如果某人的下丘脑严重受损,则其不能维持自身的体温恒定
B.某人摄入了较多的碱性食品后会使血浆的pH明显上升
C.只要是病毒侵染人体后引起的免疫反应全部属于细胞免疫
D.增加尿液排出量是体温调节中增加散热的重要途径
6.中国女科学家屠呦呦获2015年诺贝尔生理学或医学奖,她研制的抗疟药青蒿素挽救了数百万人的生命。
青蒿素是从植物黄花蒿的组织细胞中所提取的一种代谢产物,其作用方式目前尚不明确,推测可能是作用 于疟原虫的食物泡膜,从而阻断了营养摄取的最早阶段,使疟原虫较快出现氨基酸饥饿,迅速形成自噬泡, 并不断排出虫体外,使疟原虫损失大量胞浆而死亡。下列论述不正确的是
A.疟原虫对外界食物的获取方式主要是胞吞,体现了细胞膜的流动性特点
B.细胞质是细胞代谢的主要场所,如果大量流失,会威胁到细胞生存
C.疟原虫寄生在寄主体内,从生态系统的成分上来看,可以视为分解者
D.在植物黄花蒿中提取青蒿素治疗疟疾,这体现了生物的直接使用价值
7.中国传统文化中的“笔、墨、纸、砚”被称为“文房四宝”。下列说法错误的是
A.毛笔中羊毫的主要成分是蛋白质 B.墨中炭黑性质稳定可使古代字画长期保存而不褪色
C.宣纸制作工序中的“加碱蒸煮”主要发生化学变化 D.砚石中含有二氧化硅,结构式为O=Si=O
8.检查司机是否酒后驾车的反应原理是:C2H5OH+4CrO3+6H2SO4=2Cr2(SO4)3+2CO2↑+9H2O。NA表示阿伏加德罗常数的值,下列说法正确的是
A.0.1 mol C2H5OH中含OH-数目为0.1 NA B.25℃时,pH=1的H2SO4溶液中含有H+的数目为0.1 NA
C.1.8 g H2O中含有共用电子对数目为0.2 NA D.生成4.48 L CO2气体时,转移电子数目为1.2 NA
9.下列实验操作规范且能达到目的是
10.X、Y、Z、M、G五种短周期元素原子序数依次增大。X、Z同主族,可形成离子化合物ZX;Y、M同主族,可形成MY2、MY3两种分子;Y、G的单质或两元素之间形成的化合物可作水消毒剂。下列叙述正确的是
A.元素M的氧化物对应的水化物酸性比G的弱 B.化合物Z2M、MY2中化学键的类型相同
C.ZX与水的反应属于氧化还原反应 D.简单离子半径的大小顺序:X
11.在实验室中,以一定浓度的乙醛—Na2SO4溶液为电解质溶液,模拟乙醛废水的处理过程(如图),乙醛在两电极分别转化为乙醇和乙酸。下列对电解过程的分析正确的是
A.以铅蓄电池为电源,则a极为Pb电极 B.石墨Ⅱ电极附近的pH逐渐减小
C.阳极反应为CH3CHO+H2O-2e-=CH3COOH+2H+ D.每处理含8.8g乙醛的废水,转移电子的数目为0.4NA
12.常温下,用0. 1000 mol·L-1的盐酸滴定20.00 mL未知浓度的Na2CO3溶液,溶液的pH与所加盐酸的体积关系如图所示(饱和H2CO3溶液pH=5.6)。下列有关叙述正确的是( )
A.若c(Na2CO3)=0.1000 mol·L-1,则H2CO3的Ka2数量级约为10-6
B.c点处溶液中一定有:c(Na+)=2c(CO32-)+c(HCO3-)
C.a、c两点水的c(OH-)之比为10-11.6 :10-7
D.若z=5.6,则d点有c(Na+)=c(Cl-)>c(H2CO3)>c(OH-)
13.对伞花烃(图I)常用作染料、医药、香料的中间体。下列说法错误的是( )
A. 常温对伞花烃呈液态且难溶于水
B. 图Ⅱ物质的一氯代物有5种结构
C. 对伞花烃最多有9个碳原子共平面
D. 图中氢化反应既是加成反应又是还原反应
二、选择题(本题共8小题,每小题6分。14至18题,每小题给出的四个选项中,只有一项符合题目要求,19至21题有多项符合题目要求。全部选对的得6分,选对但不全的得3分,有选错的得0分)
14.一物体做加速度为-1m/s2的直线运动,t=0时速度为-5m/s。下列说法正确的是
A.初速度为-5m/s说明物体在做减速运动 B.加速度为-1m/s2说明物体在做减速运动
C.t=ls时物体的速度为-4m/s D.初速度和加速度方向相同,物体在做加速运动
15.如图所示,细线一端固定,另一端栓一小球,小球处于静止状态。现用一始终与细线垂直的力F缓慢拉着小球沿圆弧运动,直到细线水平。在小球运动的整个过程中,F和细线拉力的变化情况为
A.F先增大后减小 B.F不断增大 C.细线的拉力先增大后减小 D.细线的拉力不断增大
16. 2016年8月全球首颗量子科学实验卫星“墨子号”发射成功,“墨子号”卫星最终在距地而高度约为500km的圆形轨道上运行.2016年10月,神舟十一号飞船与天宫二号空间站自动交会对接成功,并在距地面高度约为393km的圆形轨道上运行则以下说法正确的是
A.“墨子号”卫星的运行速度比天宫二号人
B.“墨子号”卫星的运行周期比天宫二号大
C.“墨子号”卫星的向心加速度比天宫二号大
D“墨子号”卫星和天官二号的运行速度都可能等于7.9 km/s
17.如图,图甲中理想变压器原、副线圈的匝数之比n1:n2=5:1,电阻R= 20Ω,L1、L1为规格相同的两只小灯泡,S1为单刀双掷开关原线圈接正弦交变电源,输入电压u随时间t的变化关系如图乙所示.现将S1接l且S2闭合,此时L2正常开光.下列说法正确的是
A.输入电压u的表达式u= 20sin(50πt)V
B.当S1接1,断开S2时,L1、L2均正常发光
C.当S1接1,断开S2时,原线圈的输入功率将增大
D.当S1换接到2后,R消耗的电功率为0.8W
18.图示为一半径为0.6 rn的四分之一圆柱体OAB的竖直截面,在A点正上方的c点(图中未标出)水平向左抛出一个小球,小球恰好在D点沿DO方向撞向圆柱体表面。已知OD与OA的夹角θ=37°,忽略空气阻力,取sin 37°=0.6,cos 37°=0.8,重力加速度g=10 m/s2,则A、C两点间的距离为
A 0. 363 m B. 0. 405 m C. 0. 46 m D. 0. 52 m
19. 2018年3月15日,华体集团泳联吐界杯日本站展开争夺。巾围队首日告捷,包揽了男女双人10米台和男女双人3米板的4枚金牌。我国某一跳水运动员在走扳时,从跳板的A端缓慢地走到B端,跳板逐渐向下弯曲,如图所示,在此过程中,该运动员对跳板的
A.压力不断增大 B.摩擦力不断增大
C.作用力不断增大 D.作用力不变
20. 如图甲所示,两固定平行且光滑金属轨道MN、PQ与水平面成θ=37°,M、P之间接电阻箱R,电阻箱的阻值范围为0~9.9Ω,导轨所在空间存在匀强磁场,磁场方向垂直于轨道平面向上,磁感应强度为B=0.5T。质量为m的金属杆ab水平放置在轨道上,其接入电路的电阻值为r。现从静止释放杆ab,测得最大速度为vm。改变电阻箱的阻值R,得到vm与R的关系如图乙所示。已知轨道间距为L=2m,重力加速度取g=10m/s2,轨道足够长且电阻不计(sin37°=0.6,cos37°=0.8)。则
A. 金属杆滑动时产生的感应电流方向是 aPMba B. 金属杆的质量为m=0.5kg
C. 金属杆的接入电阻r=2Ω D. 当R=2Ω时,杆ab匀速下滑过程中R两端电压为8V
21.如图所示,光滑的水平轨道AB与半径为R的光滑的半圆形轨道BCD相切于B点,水平轨道AB部分存在水平向右的匀强电场E,半圆形轨道处于竖直平面内,B为最低点,D为最高点.一质量为m,带正电的小球从距B点x的位置在电场力的作用下由静止开始沿AB向右运动,并能恰好通过最高点D,则下列物理量的变化对应关系正确的是
A. 其他条件不变,R越大,x越大
B. 其他条件不变,m越大,x越大
C. 其他条件不变,E越大,x越大
D. 其他条件不变,R越大,小球经过B点瞬间对轨道的压力越大
第II卷(非选择题共174分)
三、非选择题:包括必考题和选考题两部分。第22题~第32题为必考题,每个试题考生都必须做答。第33题~第38题为选考题,考生根据要求做答。
(一)必考题(共129分)
22.(6分)在探究动能定理的实验中,某实验小组组装了一套如图所示的装置,拉力传感器固定在小车上,一端与细绳相连,用拉力传感器记录小车受到拉力的大小。穿过打点计时器的纸带与小车尾部相连接,打点计时器打点周期为T,实验的部分步骤如下:
① 平衡小车所受的阻力:不挂钩码,调整木板右端的高度,用手轻推小车,直到打点计时器在纸带上打出一系列________的点。
②测量小车和拉力传感器的总质量M,按图组装好仪器,并连接好所需电路,将小车停在打点计时器附近,先接通拉力传感器和打点计时器的电源,然后,打出一条纸带,关闭电源。
③在打出的纸带中选择一条比较理想的纸带如图所示,在纸带上按打点先后顺序依次取O,A,B,C,D,E等多个计数点,各个计数点到O点间的距离分别用hA,hB,hC,hD,hE……表示,则小车和拉力传感器在计时器打下D点时的动能表达式为,若拉力传感器的读数为F,计时器打下A点到打下D点过程中,细绳拉力对小车所做功的表达式为 。
④某同学以A点为起始点,以A点到各个计数点动能的增量为纵坐标,以A点到各个计数点拉力对小车所做的功W为横坐标,得到一条过原点的倾角为45°的直线,由此可以得到的结论是 .
23.(9分)某照明电路出现故障,其电路如图1所示,该电路用标称值12 V的蓄电池为电源,导线及其接触完好.维修人员使用已调好的多用表直流50 V挡检测故障.他将黑表笔接在c点,用红表笔分别探测电路的a,b点.
① 断开开关,红表笔接a点时多用表指示如图2所示,读数为________ V,说明________正常(选填“蓄电池”,“保险丝”,“开关”或“小灯”).
② 红表笔接b点,断开开关时,表针不偏转,闭合开关后,多用表指示仍然和图2相同,可判断发生故障的器件是________.(选填“蓄电池”,“保险丝”,“开关”或“小灯”)
24(12分).如图所示,竖直平面内的四分之一圆弧轨道下端与水平桌面相切,小滑块A和B分别静止在圆弧轨道的最高点和最低点。现将A无初速度释放,A与B碰撞后结合为一个整体,并沿桌面滑动。已知圆弧轨道光滑,半径R=0.2m,A与B的质量相等,A与B整体与桌面之间的动摩擦因数=0.2。取重力加速度g=10m/s2,求:
(1)碰撞前瞬间A的速率v。
(2)碰撞后瞬间A与B整体的速度。
(3)A与B整体在桌面上滑动的距离L。
25.(20分)如图所示,在0≤x≤a的区域I内有垂直于纸面向里的匀强磁场.在x>a的区域II内有垂直于纸面向外的匀强磁场,磁感应强度的大小均为B0。质量为m、电荷量为q(q>0)的粒子沿x轴从原点O射入磁场。当粒子射入速度不大于v0时,粒子在进场中运动的时间都相同,求:
(1)速度v0的大小;
(2)若粒子射入磁场的速度大小为v0,其轨迹与x抽交点的横坐标;
(3)调节区域II磁场的磁感强度为λB0,使粒子以速度nv0(n>1)从O点
沿x轴射入时,粒子均从O点射出磁场,n与λ满足的关系。
26. (14分)工业废水中含+6价的铬会损害环境,必须进行处理。某工厂的处理工艺流程如下:
(1)N2H4的电子式为_____。
(2)下列溶液中,可替代N2H4的是_____。(填选项序号字母)
a.FeSO4溶液 b.浓HNO3溶液 c.酸性KMnO4溶液 d.Na2SO3溶液
(3)已知加入N2H4后,N2H4转化为无污染的物质,则该反应中氧化剂与还原剂的物质的量之比为_____。
(4)在实际工业生产中,处理含铬废水还可采用直接沉淀的方法,其成本较低。
①已知酸性废水中存在Cr2O72-和CrO42-的转化平衡,请用离子方程式表示它们之间的转化反应_____;
②加入沉淀剂BaCl2溶液之前需加入一定量的NaOH溶液,以利于沉淀的生成,则生成的沉淀为_____(写化学式)。
(5)工业上还可用电解法来处理含Cr2O72-的酸性废水,通过电解制得还原剂。右图为电解装置示意图(电极材料分别为铁和石墨)。
①装置中b电极的材料是_____(填“铁”或“石墨”)。
②该处理过程中,Cr2O72-被还原成Cr3+的离子方程式为_____。
27. (15分)利用氢气对废气进行脱碳处理可实现绿色环保、废物利用,对于减少雾霾也具有重要意义。
(1)汽车尾气的主要污染物为NO,用H2催化还原NO可以达到消除污染的目的。
已知:2NO(g) N2(g)+O2(g) ΔH=-180.5 kJ·mol-1
2H2O(l)===2H2(g)+O2(g) ΔH=+571.6 kJ·mol-1
写出H2(g)与NO(g)反应生成N2(g)和H2O(l)的热化学方程式是________________。
(2)某研究小组模拟研究如下:向2 L恒容密闭容器中充入2 mol NO发生反应2NO(g) N2(g)+O2(g),在不同的温度下,反应过程中物质的量与时间的关系如图所示:
①T2下,在0~5 min内,v(O2)=________________mol·L-1·min-1;该温度下反应
N2(g)+O2(g) 2NO(g)的平衡常数K=________________。
②该反应进行到M点放出的热量________________进行到W点放出的热量(填“>”、“<”或“=”)。M点时再加入一定量NO,平衡后NO的转化率________________(填“变大”、“变小”或“不变”)。
③反应开始至达到平衡的过程中,容器中下列各项发生变化的是________________(填序号)。
a.混合气体的密度 b.逆反应速率
c.单位时间内,N2和NO的消耗量之比 d.气体的平均相对分子质量
(3)氢气作为一种理想燃料,但不利于贮存和运输。利用氢能需要选择合适的储氢材料,镧镍合金在一定条件下可吸收氢气形成氢化物:LaNi5(s)+3H2(g) LaNi5H6(s) ΔH<0,欲使LaNi5H6(s)释放出气态氢,根据平衡移动原理,可改变的条件是________________(填字母编号)。
A.增加LaNi5H6(s)的量 B.升高温度
C.使用催化剂 D.减小压强
28.(14 分)以红土镍矿(主要成分为NiS、FeS和SiO2等) 为原料制备兰尼镍的工艺流程如下所示。
(1)形成Ni(CO)4时碳元素的化合价没有变化,则Ni(CO)4中的Ni的化合价为___________。
(2) Ni2O3有强氧化性,加压酸浸时有气体产生且镍被还原为Ni2+,则产生的气体为______(填化学式)。
(3) 滤渣D为单质镍、硫的混合物,请写出向浸出液B中通入H2S气体时所有反应的离子方程式:__________________________,_________________________。
(4) 已知: 3Fe2+ +2[Fe(CN)6]3-==Fe3[Fe(CN)6]2↓(蓝色沉淀);4Fe3++3[Fe(CN)6]4-==Fe4[Fe(CN)6]3↓(蓝色沉淀)。下列可以用于检验滤液C 中金属阳离子的试剂有____________(填标号)
a.KSCN溶液 b.K3[Fe(CN)6] c.K4[Fe(CN)6] d.苯酚
(5) 兰尼镍是一种带有多孔结构的细小晶粒组成的镍铝合金。碱浸镍铝合金后,残铝量对兰尼镍的催化活性有重大影响,根据下图分析,残铝量在_____范围内催化活性最高,属于优质产品。
(6) 仿照下面示例,设计从浸出液E 回收氧化铝的流程: 浸出液E_____________。(示例: )
29. (6分)核糖核酸简称RNA,它在生物体的遗传和蛋白质的生物合成中具有重要作用。回答下列问题:
(1)真核细胞内的RNA主要分布在____________中。利用吡罗红甲基绿混合染色剂将细胞染色,就可以显示DNA和RNA在细胞中的分布,原理是______________。
(2)在基因的表达过程中,tRNA的主要作用是__________。核糖体合成肽链时,能将遗传信息进行准确翻译的原因是_______________。
(3)科学家发现,将大肠杆菌RnaseP(—种酶)的蛋白质部分除去后,留下的RNA部分仍具有与全酶相同的活性,这个事实说明RNA也能降低___________,从而加快有关化学反应的速率。后来发现四膜虫L19RNA在一定条件下能专一地催化某些小分子RNA的合成,这表明L19RNA具有与__________酶相同的功能。
30.(10分) 研究证实ATP既是“能量通货”,也可作为神经细胞间信息传递中的一种信号分子,其作为信号分子的作用机理如图所示。请分析回答:
(1)神经细胞中的ATP主要来自_____(生理过程),其结构简式是_____。研究发现,正常成年人安静状态下24小时有40 kg ATP发生转化,而细胞内ADP、ATP的浓度仅为2~10 mmnol/L,为满足能量需要,人体解决这一矛盾的合理途径是_____。
(2)由图可知,细胞间隙中的ATP在有关酶的作用下,磷酸基团逐个脱离下来,最后剩下的是_____。
(3)一些神经细胞不仅能释放典型神经递质,还能释放ATP,两者均能作用于靶细胞膜上特异性的_____,从而引起细胞的膜电位变化。据图分析,科学家当初推测ATP可作为神经细胞间传递信息的信号分子的实验思路是:用化学物质阻断神经递质在神经细胞间的信息传递后,发现_____。
(4)为了研究X物质对动物细胞的影响,某研究小组用不同浓度的X物质将细胞处理24h,然后测量各组细胞内ATP的浓度和细胞死亡的百分率。经过多次实验后,所得数据如下表所示:
实验组编号
X物质的浓度
(mg•mL-1)
细胞内ATP的浓度(mmol•mL-1)
细胞死亡的百分率
A
0
80
1
B
2
70
2
C
4
50
10
D
8
20
25
E
16
5
70
F
32
1
95
①该实验的因变量是________。②实验数据表明,该实验的因变量之间有何联系?_________。
31.(12分) 图1为某生态系统的碳循环示意图,其中甲、乙、丙、丁为生态系统的组成成分。A、B、C、D是丙中关系密切的四种生物,其能量所占比例如图所示。图2为图1中某种群在一段时间内λ值的变化情况。请据图回答问題:
(1)图1中,流经该生态系统的总能量是由图中的_______(填编号)所固定;B和C两种生物之间的种间关系为_______;该生态系统中能将有机物分解成无机物的生物有_______(填编号)。
(2)请画出图1中的生物构成的食物链(网):_______。
(3)种群数量的“J”型增长数学模型为:Nt=N0λt;其中λ表示_______。据图2可知,前8年该种群数量最小的是_______点所对应的数量。
32.(共11分)2017年9月,袁隆平院士在国家水稻新品种与新技术展示现场观摩会上宣布了两项重大研究成果:一是耐盐碱的“海水稻”培育,二是吸镉基因被敲除的“低镉稻”最新研究进展。有关遗传分析见下表。
水稻品种
表现型
导入或敲除的相关基因
该基因所在位置
普通水稻
不耐盐高镉
未导入和敲除
——
海水稻
耐盐高镉
B+
6号染色体
低镉稻
不耐盐低镉
C-
2号染色体
注:B+表示转入的耐盐基因,C-表示吸镉基因被敲除,普通水稻的基因型是B-B-C+C+。B+对B-为显性,C+C-表现为中镉稻。
请回答:
(1)已知C+C-为中镉水稻,说明C+对C-的显隐性关系为 。在进行水稻(2N=24)基因组测序时,应对 条染色体上的基因进行测序。
(2)若海水稻为纯合子,有可供选择的低镉水稻,为获得稳定遗传的耐盐低镉水稻。请设计杂交育种程序,用遗传图解(写出包括亲本在内的三代即可)表示,并用简要的文字说明。
(二)选考题(请考生从给出的2道物理题、2道化学题、2道生物题中每科任选一题作答,并用2B铅笔在答题卡上把所选题目的题号涂黑.注意所做题目的题号必须与所涂题目的题号一致,在答题卡上选答区域指定位置答题.如果多做,则按所做的第一题计分.)
33.【物理—选修3-3】(15分)
(1)(5分)有关热现象,下列说法正确的是( )
A.空气的绝对湿度大,相对湿度不一定大
B.荷叶上的小水珠呈球形,是表面张力使液面收缩的结果
C.布朗运动是指液体分子的无规则运动活塞
D.用热针尖接触金属表面的石蜡,熔解区域呈圆形,这是非晶体各向同性的表现
E.一切自然过程总是向分子热运动的无序性增大的方向进行
(2)(10分)如图所示,体积为V、内壁光滑的圆柱形导热气缸顶部有一质量和厚度均可忽略的活塞;气缸内密封有温度为3T0、压强为2P0的理想气体.P0和T0分别为大气的压强和温度.已知:容器内气体的所有变化过程都是缓慢的,求:缸内气体与大气达到热平衡时外界对气体所做的功W.
34.【物理选修3-4】
(1)(5分)如图甲所示,沿波的传播方向上有间距均为1m的六个质点a、b、c、d、e、f,均静止在各自的平衡位置,t=0时刻振源a从平衡位置竖直向上做简谐运动,其振动图象如图乙所示,形成的简谐横波以1m/s的速度水平向右传播,则下列说法正确的是
A.这列波的周期为4s
B.0~3s质点b运动路程为4ccm
C.4~5s质点c的加速度在减小
D.6s时质点e的振动速度水平向右为1m/s
E.此六质点都振动起来以后,质点a的运动方向始终与质点从的运动方向相反
(2)(10分)如图为半径为R的固定半圆形玻璃砖的横截面,O点为圆心,OO′为直径MN的垂线.足够大的光屏PQ紧靠在玻璃砖的右侧且与MN垂直.一束复色光沿半径方程与成θ=30°角射向O点,已知复色光包含有折射率从n1=到n2=的光束,因而光屏上出现了彩色光带.
(i)求彩色光带的宽度;
(ii)当复色光入射角逐渐增大时,光屏上的彩色光带将变成一个光点,求θ角至少为多少?
35.【化学—选修3:物质结构与性质】(15分)
中国是最早发现并使用青铜器的国家。司母戊鼎是迄今为止出土的世界上最大、最重的青铜礼器,享有“镇国之宝”的美誉(如图1)。
(1)Cu原子的外围电子排布式为_______。
(2)图2所示为第四周期某主族元素的第一至五电离能数据,该元素是_______,I3远大于I2的原因是_______。
(3)图3是某含铜配合物的晶体结构示意图。
①晶体中H2O和SO42-的中心原子的杂化类型为_______,试判断H2O和SO42-的键角大小关系并说明原因_______。
②图3中的氢键有(H2O)O—H···O(H2O)和_______。
③写出该配合物的化学式_______。
(4)一种铜的氯化物晶胞结构如下图所示。
该化合物的化学式为_______,已知P、Q、R的原子坐标分别(0,0,0)、(1,1,1)、 (,,),若Cu原子与最近的Cl原子的核间距为a pm,则该晶体的密度计算表达式为_______。
36、[化学-选修5:有机化学基础](15分)
E是一种环保型塑料,其合成路线如下:
已知:①
② (R1、R2、R3、R为烃基)
请回答下列问题:
(1)A中官能团的名称是____________,检验该官能团的试剂为___________________。
(2)反应①的化学方程式是:______________________________,其反应类型为________________,在反应①中,还可以得到另一种分子式为C10H16的化合物,其结构简式为___________________。
(3)已知,名称为丙酮酸,则C的系统命名法命名应为____________________。
(4)写出反应④的化学方程式:______________________________。
(5)C的同分异构体X满足下列条件:
①常温下,与碳酸钠溶液反应放出气体;
②能发生银镜反应。则符合条件的X共有________种。其核磁共振氢谱共有四组峰且峰面积之比为1∶1∶2∶2,则X的结构简式为________________。
(6)参照E的上述合成路线,设计一条由4一甲基一3一戊酮酸为起始原料制备的合成路线(无机试剂任选)_________________________。
37.[生物——选修1:生物技术实践](15分)
利用水中蒸馏法可从薄荷的新鲜茎叶中提取薄荷油。回答下列问题:
(1)植物芳香油的提取方法有蒸馏法、压榨法和 等。提取薄荷油可以用水蒸气蒸馏法,该方法的原理是 。蒸馏时许多因素都会影响产品的品质,例如 (写出两点)。
(2)提取薄荷油的过程中,水蒸气蒸馏后得到的乳浊液是 。若想得到纯净的薄荷精油,需向乳浊液中加入NaCl,目的是 。向分离的油层中加入 可以除去其中的水分。
(3)从橘皮中提取橘皮精油时不宜采用水中蒸馏法,这是因为 。
38. 【选修3--现代生物科技专题】
下图1为生产HIV单克隆抗体的过程,图2为运用基因工程技术生产HIV疫苗的操作简要路径。 据图分析回答。
(1)图1中,过程①称为 技术,过程②融合实验完成后得到的杂交瘤细胞所产生的抗体的优点是 。
(2)图2中, 过程①需要用到 酶。一个DNA片段进行扩增最简便的方法是使用PCR技术,如果这个过程中消耗了引物62个,则进行了 轮的DNA复制。
(3)若将重组质粒导入小鼠受精卵细胞中,通常应采取 技术。
(4)用限制酶处理DNA片段,可使特定核苷酸序列特定部位的 键断开。若用X、Y两种限制酶作用于图2中的DNA片段,并进行电泳分析,其结果如下图。 A至D选项中,关于两种酶切位置的判断,正确的是 。
2019年四川省宜宾市四中高三二诊模拟考试
理科综合答案
生物答案
1.A 2.B 3.B 4.A 5. A 6. C
29.(1). 细胞质 (2). 甲基绿和吡罗红两种染色剂对DNA和RNA的亲和力不同,甲基绿使DNA呈现绿色,吡罗红使RNA呈现红色 (3). 转运氨基酸 (4). 一种tRNA只能识别并搬运一种氨基酸,tRNA上的反密码子与mRNA上的密码子互补配对 (5). 化学反应的活化能 (6). RNA聚合
30.(1). 有氧呼吸 (2). A-P~P~P (3). ATP和ADP相互迅速转化 (4). 腺苷 (5). 受体 (6). 受体细胞能接受到部分神经信号(或受体细胞的膜电位发生变化) (7). 细胞中ATP的浓度和细胞死亡的百分率 (8). 细胞内ATP浓度下降,能量供应减少,细胞死亡率增加
31. (1). 乙 (2). 竞争 (3). 乙、丙、丁或乙、A、B、C、D、丁 (4). (5). 该种群数量是一年前种群数量的倍数 (6). d
32.(共11分)
(1)不完全显性(2分) 12(2分)
(2)(图解共7分)
耐盐高镉 不耐盐低镉
P B+B+C+C+ × B—B—C—C— 选择亲本进行杂交
↓
F1 B+B—C+C— 所得F1自交
耐盐中镉
↓U
F2 B+__C— C— 从F2中选择耐盐低镉品种连续自交,
耐盐低镉 直至不发生性状分离即可
给分说明:①P、F1、F2、×、↓、U符号正确(1分)
②P、F1、F2的基因型(各1分,共3分),亲本表现型(1分)
③从F2中选择耐盐低镉品种连续自交(1分),直至不发生性状分离(1分)
37.(15分)
(1)萃取法(2分) 利用水蒸气将挥发性较强的植物芳香油携带出来,形成油水混合物,冷却后油水又会重新分离(3分) 蒸馏温度、蒸馏时间(2分)
(2)油水混合物(2分) 使油水混合物分层(2分) 无水Na2S04(2分)
(3)水中蒸馏会导致原料焦糊和有效成分水解(2分)
38.(15分,除特殊说明外,每空2分)
(1)( 动物)细胞融合 特异性强,灵敏度高,并可大量制备(3分)
(2) 逆转录 5 (3) 显微注射
(4) 磷酸二酯 B
化学答案
7.D 8.C 9.D 10.C 11.C 12.D 13.B
26. (1). (2). ad (3). 2∶3 (4). Cr2O72-+H2O2CrO42-+2H+ (5). BaCrO4 (6). 铁 (7). Cr2O72-+6Fe2++14H+=2Cr3++6Fe3++7H2O
27. (1). 2H2(g)+2NO(g)=N2(g)+2H2O(l) ΔH=-752.1 kJ·mol-1 (2). 6.25×10-2 (3). 或 0.44 (4). < (5). 不变 (6). bc (7). BD
28.(14分,每空2分)(1)0 (2)O2
(3) H2S+ 2Fe3+==2Fe2++2H++ S↓,H2S+Ni2+==Ni↓+2H++S↓(写化学方程式不得分)
(4)b (5)4%~6% (只要在此范围内即可)
(6) (反应条件不写或写错不得分)
35.(15分)
(1)3d104s1(1分)
细则:其它表述不给分。
(2)Ca(或钙)(1分)
细则:其它表述不给分。
Ca原子失去2个电子以后达到稳定结构,再失去1个电子很困难(2分)
细则:答出失去2个电子以后达到稳定结构的意思给1分,答出再失去1个电子很困难的意思给1分。
(3)① sp3、sp3(1分)
细则:答“sp3”给1分。其它不规范表述(如sp3)不给分。
H2O分子键角小于的SO42-键角,因为H2O中O存在2对孤电子对而SO42-中的S不存在,孤电子对成键电子的斥力大于成键电子对成键电子的斥力(3分)
细则:答出“H2O分子键角小于的SO42-键角”的意思给1分;答出“H2O中O存在2对孤电子对而SO42-中的S不存在”的意思给1分;答出“孤电子对成键电子的斥力大于成键电子对成键电子的斥力”的意思给1分。
②(H2O)O—H···O(SO42-)(2分)细则:其它表述不给分。
③ [Cu(H2O)4]SO4·H2O(2分)细则:写成CuSO4·5H2O给1分,其它表述不给分。
(4)CuCl(1分) 细则:其它表述不给分。
(2分)细则:其它表述正确给分,NA用具体数值正确也可。
36.(15分)(1)碳碳双键(1分) 溴的CCl4溶液(合理即可,1分)
(2) (2分) 加成反应(1分) (1分)
(3)3-丁酮酸(2分)
(4) (2分)
(5)2(1分) HOOCCH2CH2CHO(1分)
(6) 件下
(3分)
物理部分
14. D 15.B 16.B 17.D 18.B 19.BD 20.AC 21.AB
22.①间距相等 ②释放小车 ③
④外力所做的功,等于物体动能的变化量
23.①11.5(11.2~11.8的值均可) 蓄电池 ②小灯
24.(1)从圆弧最高点滑到最低点的过程中机械能守恒则有:,(2分)可以得出:;(4分)
(2)在圆弧底部和滑块B相撞,动量守恒:
,(6分)
得;(7分)
(3)滑块A和B粘在一起在桌面上滑行,摩擦力做负功,由动能定理可得:
;(8分)
摩擦力:,(9分)
于是可以得到:,(11分)则:;(12分)
25.解:(1)粒子恰好与边界相切时R=a(2分)
qvB=m(2分)
解得:v0=(1分)
(2)带电粒子运动的轨迹如图所示,O1、O2分別为轨迹的圆心,
r=(2分)
由几何关系可得rsinθ=a (1分)
O2A=2rsinθ
O2B=2rcosθ-r=(2-)a(1分)
BC=(1分)
轨迹与x轴交点坐标为x=O2A+BC=2(1+)a (1分)
(3)粒子在区域I中圆周运动的半径为R1,根据qnv0B0=m(1分)
粒子在区域II中圆周运动的半径为R2,qnv0λB0= m(1分)
在区域II中圆周运动的圆心位于x轴上才可能使粒子从O点射出
R1sina=a(2分)
(R1+R2)cosa=R1(2分)
解得:(2分)
33.(1)ABE(6分)
(2)在气体由压强p=2p0下降到p0的过程中,气体体积不变,温度由T=3T0变为T1,
由查理定律得(2分)
①在气体温度由T1变为T0的过程中,体积由V减小到V1,气体压强不变,
由盖·吕萨克 定律得 (2分)
②由①②式得 (1分)
在活塞下降过程中,活塞对气体做的功为 (2分)
,故 (2分)
34.(1)ABE(5分)(2)解:(i)代入数据得 (4分)
故彩色光带的宽度为(7分)
(ii)当复色光恰好全部发生全反射时即入射角(10分)
说明:可能用到的元素的相对原子质量:
H-I Li-7 C-12 N-14 0-16 Na-23 Mg-24 A1-27 Si-28
S-32 Cl-35.5 Ca-40 Ti-48 Fe-56 Cu-64
第Ⅰ卷(选择题,共126分)
一、选择题(本题共13小题,每小题6分。在每小题给出的四个选项中,只有一项符合题目要求)
1.下列关于生物膜结构和功能的叙述,错误的是
A.细胞膜上的糖被只与细胞表面的识别有关
B.癌细胞膜上的糖蛋白等减少使癌细胞间的黏着性下降
C.核膜上的核孔对物资进出细胞核仍然具有选择性
D.膜成分相互转化的基础是生物膜具有一定的流动性
2.下列有关生物体内物质的叙述,正确的是
A.脂肪、糖原和淀粉都是动物细胞的储能物质
B.酵母菌细胞内[H]与O2的结合发生在生物膜上
C.细胞中自由水与结合水的比例越小则代谢越强
D.酶通过提供能量和降低反应活化能来提高反应速率
3. 体温恒定对于人体正常的生命活动至关重要。下列与人体体温调节有关的叙述,正确的是
A. 炎热环境中机体增加排尿量是促进散热的重要途径
B. 寒冷环境中体温恒定是因为机体产热量等于散热量
C. 人体骨骼肌细胞中产热量最多的部位是细胞质基质
D. 下丘脑是体温调节中枢但不能直接感受体温的变化
4. 植物体内有多种激素对各种生命活动进行调节。下列关于植物激素调节的叙述,错误的是
A. 生长素不直接参与细胞代谢只能给细胞传达促进生长的信息
B. 秋天落叶中脱落酸的合成量增加既受基因调控也受环境影响
C. 单侧光能影响生长素的横向运输但不影响生长素的极性运输
D. 生长素和乙烯对植物侧芽细胞的伸长都起着一定的调节作用
5.下列对人体某些生理过程的叙述中,正确的是
A.如果某人的下丘脑严重受损,则其不能维持自身的体温恒定
B.某人摄入了较多的碱性食品后会使血浆的pH明显上升
C.只要是病毒侵染人体后引起的免疫反应全部属于细胞免疫
D.增加尿液排出量是体温调节中增加散热的重要途径
6.中国女科学家屠呦呦获2015年诺贝尔生理学或医学奖,她研制的抗疟药青蒿素挽救了数百万人的生命。
青蒿素是从植物黄花蒿的组织细胞中所提取的一种代谢产物,其作用方式目前尚不明确,推测可能是作用 于疟原虫的食物泡膜,从而阻断了营养摄取的最早阶段,使疟原虫较快出现氨基酸饥饿,迅速形成自噬泡, 并不断排出虫体外,使疟原虫损失大量胞浆而死亡。下列论述不正确的是
A.疟原虫对外界食物的获取方式主要是胞吞,体现了细胞膜的流动性特点
B.细胞质是细胞代谢的主要场所,如果大量流失,会威胁到细胞生存
C.疟原虫寄生在寄主体内,从生态系统的成分上来看,可以视为分解者
D.在植物黄花蒿中提取青蒿素治疗疟疾,这体现了生物的直接使用价值
7.中国传统文化中的“笔、墨、纸、砚”被称为“文房四宝”。下列说法错误的是
A.毛笔中羊毫的主要成分是蛋白质 B.墨中炭黑性质稳定可使古代字画长期保存而不褪色
C.宣纸制作工序中的“加碱蒸煮”主要发生化学变化 D.砚石中含有二氧化硅,结构式为O=Si=O
8.检查司机是否酒后驾车的反应原理是:C2H5OH+4CrO3+6H2SO4=2Cr2(SO4)3+2CO2↑+9H2O。NA表示阿伏加德罗常数的值,下列说法正确的是
A.0.1 mol C2H5OH中含OH-数目为0.1 NA B.25℃时,pH=1的H2SO4溶液中含有H+的数目为0.1 NA
C.1.8 g H2O中含有共用电子对数目为0.2 NA D.生成4.48 L CO2气体时,转移电子数目为1.2 NA
9.下列实验操作规范且能达到目的是
10.X、Y、Z、M、G五种短周期元素原子序数依次增大。X、Z同主族,可形成离子化合物ZX;Y、M同主族,可形成MY2、MY3两种分子;Y、G的单质或两元素之间形成的化合物可作水消毒剂。下列叙述正确的是
A.元素M的氧化物对应的水化物酸性比G的弱 B.化合物Z2M、MY2中化学键的类型相同
C.ZX与水的反应属于氧化还原反应 D.简单离子半径的大小顺序:X
A.以铅蓄电池为电源,则a极为Pb电极 B.石墨Ⅱ电极附近的pH逐渐减小
C.阳极反应为CH3CHO+H2O-2e-=CH3COOH+2H+ D.每处理含8.8g乙醛的废水,转移电子的数目为0.4NA
12.常温下,用0. 1000 mol·L-1的盐酸滴定20.00 mL未知浓度的Na2CO3溶液,溶液的pH与所加盐酸的体积关系如图所示(饱和H2CO3溶液pH=5.6)。下列有关叙述正确的是( )
A.若c(Na2CO3)=0.1000 mol·L-1,则H2CO3的Ka2数量级约为10-6
B.c点处溶液中一定有:c(Na+)=2c(CO32-)+c(HCO3-)
C.a、c两点水的c(OH-)之比为10-11.6 :10-7
D.若z=5.6,则d点有c(Na+)=c(Cl-)>c(H2CO3)>c(OH-)
13.对伞花烃(图I)常用作染料、医药、香料的中间体。下列说法错误的是( )
A. 常温对伞花烃呈液态且难溶于水
B. 图Ⅱ物质的一氯代物有5种结构
C. 对伞花烃最多有9个碳原子共平面
D. 图中氢化反应既是加成反应又是还原反应
二、选择题(本题共8小题,每小题6分。14至18题,每小题给出的四个选项中,只有一项符合题目要求,19至21题有多项符合题目要求。全部选对的得6分,选对但不全的得3分,有选错的得0分)
14.一物体做加速度为-1m/s2的直线运动,t=0时速度为-5m/s。下列说法正确的是
A.初速度为-5m/s说明物体在做减速运动 B.加速度为-1m/s2说明物体在做减速运动
C.t=ls时物体的速度为-4m/s D.初速度和加速度方向相同,物体在做加速运动
15.如图所示,细线一端固定,另一端栓一小球,小球处于静止状态。现用一始终与细线垂直的力F缓慢拉着小球沿圆弧运动,直到细线水平。在小球运动的整个过程中,F和细线拉力的变化情况为
A.F先增大后减小 B.F不断增大 C.细线的拉力先增大后减小 D.细线的拉力不断增大
16. 2016年8月全球首颗量子科学实验卫星“墨子号”发射成功,“墨子号”卫星最终在距地而高度约为500km的圆形轨道上运行.2016年10月,神舟十一号飞船与天宫二号空间站自动交会对接成功,并在距地面高度约为393km的圆形轨道上运行则以下说法正确的是
A.“墨子号”卫星的运行速度比天宫二号人
B.“墨子号”卫星的运行周期比天宫二号大
C.“墨子号”卫星的向心加速度比天宫二号大
D“墨子号”卫星和天官二号的运行速度都可能等于7.9 km/s
17.如图,图甲中理想变压器原、副线圈的匝数之比n1:n2=5:1,电阻R= 20Ω,L1、L1为规格相同的两只小灯泡,S1为单刀双掷开关原线圈接正弦交变电源,输入电压u随时间t的变化关系如图乙所示.现将S1接l且S2闭合,此时L2正常开光.下列说法正确的是
A.输入电压u的表达式u= 20sin(50πt)V
B.当S1接1,断开S2时,L1、L2均正常发光
C.当S1接1,断开S2时,原线圈的输入功率将增大
D.当S1换接到2后,R消耗的电功率为0.8W
18.图示为一半径为0.6 rn的四分之一圆柱体OAB的竖直截面,在A点正上方的c点(图中未标出)水平向左抛出一个小球,小球恰好在D点沿DO方向撞向圆柱体表面。已知OD与OA的夹角θ=37°,忽略空气阻力,取sin 37°=0.6,cos 37°=0.8,重力加速度g=10 m/s2,则A、C两点间的距离为
A 0. 363 m B. 0. 405 m C. 0. 46 m D. 0. 52 m
19. 2018年3月15日,华体集团泳联吐界杯日本站展开争夺。巾围队首日告捷,包揽了男女双人10米台和男女双人3米板的4枚金牌。我国某一跳水运动员在走扳时,从跳板的A端缓慢地走到B端,跳板逐渐向下弯曲,如图所示,在此过程中,该运动员对跳板的
A.压力不断增大 B.摩擦力不断增大
C.作用力不断增大 D.作用力不变
20. 如图甲所示,两固定平行且光滑金属轨道MN、PQ与水平面成θ=37°,M、P之间接电阻箱R,电阻箱的阻值范围为0~9.9Ω,导轨所在空间存在匀强磁场,磁场方向垂直于轨道平面向上,磁感应强度为B=0.5T。质量为m的金属杆ab水平放置在轨道上,其接入电路的电阻值为r。现从静止释放杆ab,测得最大速度为vm。改变电阻箱的阻值R,得到vm与R的关系如图乙所示。已知轨道间距为L=2m,重力加速度取g=10m/s2,轨道足够长且电阻不计(sin37°=0.6,cos37°=0.8)。则
A. 金属杆滑动时产生的感应电流方向是 aPMba B. 金属杆的质量为m=0.5kg
C. 金属杆的接入电阻r=2Ω D. 当R=2Ω时,杆ab匀速下滑过程中R两端电压为8V
21.如图所示,光滑的水平轨道AB与半径为R的光滑的半圆形轨道BCD相切于B点,水平轨道AB部分存在水平向右的匀强电场E,半圆形轨道处于竖直平面内,B为最低点,D为最高点.一质量为m,带正电的小球从距B点x的位置在电场力的作用下由静止开始沿AB向右运动,并能恰好通过最高点D,则下列物理量的变化对应关系正确的是
A. 其他条件不变,R越大,x越大
B. 其他条件不变,m越大,x越大
C. 其他条件不变,E越大,x越大
D. 其他条件不变,R越大,小球经过B点瞬间对轨道的压力越大
第II卷(非选择题共174分)
三、非选择题:包括必考题和选考题两部分。第22题~第32题为必考题,每个试题考生都必须做答。第33题~第38题为选考题,考生根据要求做答。
(一)必考题(共129分)
22.(6分)在探究动能定理的实验中,某实验小组组装了一套如图所示的装置,拉力传感器固定在小车上,一端与细绳相连,用拉力传感器记录小车受到拉力的大小。穿过打点计时器的纸带与小车尾部相连接,打点计时器打点周期为T,实验的部分步骤如下:
① 平衡小车所受的阻力:不挂钩码,调整木板右端的高度,用手轻推小车,直到打点计时器在纸带上打出一系列________的点。
②测量小车和拉力传感器的总质量M,按图组装好仪器,并连接好所需电路,将小车停在打点计时器附近,先接通拉力传感器和打点计时器的电源,然后,打出一条纸带,关闭电源。
③在打出的纸带中选择一条比较理想的纸带如图所示,在纸带上按打点先后顺序依次取O,A,B,C,D,E等多个计数点,各个计数点到O点间的距离分别用hA,hB,hC,hD,hE……表示,则小车和拉力传感器在计时器打下D点时的动能表达式为,若拉力传感器的读数为F,计时器打下A点到打下D点过程中,细绳拉力对小车所做功的表达式为 。
④某同学以A点为起始点,以A点到各个计数点动能的增量为纵坐标,以A点到各个计数点拉力对小车所做的功W为横坐标,得到一条过原点的倾角为45°的直线,由此可以得到的结论是 .
23.(9分)某照明电路出现故障,其电路如图1所示,该电路用标称值12 V的蓄电池为电源,导线及其接触完好.维修人员使用已调好的多用表直流50 V挡检测故障.他将黑表笔接在c点,用红表笔分别探测电路的a,b点.
① 断开开关,红表笔接a点时多用表指示如图2所示,读数为________ V,说明________正常(选填“蓄电池”,“保险丝”,“开关”或“小灯”).
② 红表笔接b点,断开开关时,表针不偏转,闭合开关后,多用表指示仍然和图2相同,可判断发生故障的器件是________.(选填“蓄电池”,“保险丝”,“开关”或“小灯”)
24(12分).如图所示,竖直平面内的四分之一圆弧轨道下端与水平桌面相切,小滑块A和B分别静止在圆弧轨道的最高点和最低点。现将A无初速度释放,A与B碰撞后结合为一个整体,并沿桌面滑动。已知圆弧轨道光滑,半径R=0.2m,A与B的质量相等,A与B整体与桌面之间的动摩擦因数=0.2。取重力加速度g=10m/s2,求:
(1)碰撞前瞬间A的速率v。
(2)碰撞后瞬间A与B整体的速度。
(3)A与B整体在桌面上滑动的距离L。
25.(20分)如图所示,在0≤x≤a的区域I内有垂直于纸面向里的匀强磁场.在x>a的区域II内有垂直于纸面向外的匀强磁场,磁感应强度的大小均为B0。质量为m、电荷量为q(q>0)的粒子沿x轴从原点O射入磁场。当粒子射入速度不大于v0时,粒子在进场中运动的时间都相同,求:
(1)速度v0的大小;
(2)若粒子射入磁场的速度大小为v0,其轨迹与x抽交点的横坐标;
(3)调节区域II磁场的磁感强度为λB0,使粒子以速度nv0(n>1)从O点
沿x轴射入时,粒子均从O点射出磁场,n与λ满足的关系。
26. (14分)工业废水中含+6价的铬会损害环境,必须进行处理。某工厂的处理工艺流程如下:
(1)N2H4的电子式为_____。
(2)下列溶液中,可替代N2H4的是_____。(填选项序号字母)
a.FeSO4溶液 b.浓HNO3溶液 c.酸性KMnO4溶液 d.Na2SO3溶液
(3)已知加入N2H4后,N2H4转化为无污染的物质,则该反应中氧化剂与还原剂的物质的量之比为_____。
(4)在实际工业生产中,处理含铬废水还可采用直接沉淀的方法,其成本较低。
①已知酸性废水中存在Cr2O72-和CrO42-的转化平衡,请用离子方程式表示它们之间的转化反应_____;
②加入沉淀剂BaCl2溶液之前需加入一定量的NaOH溶液,以利于沉淀的生成,则生成的沉淀为_____(写化学式)。
(5)工业上还可用电解法来处理含Cr2O72-的酸性废水,通过电解制得还原剂。右图为电解装置示意图(电极材料分别为铁和石墨)。
①装置中b电极的材料是_____(填“铁”或“石墨”)。
②该处理过程中,Cr2O72-被还原成Cr3+的离子方程式为_____。
27. (15分)利用氢气对废气进行脱碳处理可实现绿色环保、废物利用,对于减少雾霾也具有重要意义。
(1)汽车尾气的主要污染物为NO,用H2催化还原NO可以达到消除污染的目的。
已知:2NO(g) N2(g)+O2(g) ΔH=-180.5 kJ·mol-1
2H2O(l)===2H2(g)+O2(g) ΔH=+571.6 kJ·mol-1
写出H2(g)与NO(g)反应生成N2(g)和H2O(l)的热化学方程式是________________。
(2)某研究小组模拟研究如下:向2 L恒容密闭容器中充入2 mol NO发生反应2NO(g) N2(g)+O2(g),在不同的温度下,反应过程中物质的量与时间的关系如图所示:
①T2下,在0~5 min内,v(O2)=________________mol·L-1·min-1;该温度下反应
N2(g)+O2(g) 2NO(g)的平衡常数K=________________。
②该反应进行到M点放出的热量________________进行到W点放出的热量(填“>”、“<”或“=”)。M点时再加入一定量NO,平衡后NO的转化率________________(填“变大”、“变小”或“不变”)。
③反应开始至达到平衡的过程中,容器中下列各项发生变化的是________________(填序号)。
a.混合气体的密度 b.逆反应速率
c.单位时间内,N2和NO的消耗量之比 d.气体的平均相对分子质量
(3)氢气作为一种理想燃料,但不利于贮存和运输。利用氢能需要选择合适的储氢材料,镧镍合金在一定条件下可吸收氢气形成氢化物:LaNi5(s)+3H2(g) LaNi5H6(s) ΔH<0,欲使LaNi5H6(s)释放出气态氢,根据平衡移动原理,可改变的条件是________________(填字母编号)。
A.增加LaNi5H6(s)的量 B.升高温度
C.使用催化剂 D.减小压强
28.(14 分)以红土镍矿(主要成分为NiS、FeS和SiO2等) 为原料制备兰尼镍的工艺流程如下所示。
(1)形成Ni(CO)4时碳元素的化合价没有变化,则Ni(CO)4中的Ni的化合价为___________。
(2) Ni2O3有强氧化性,加压酸浸时有气体产生且镍被还原为Ni2+,则产生的气体为______(填化学式)。
(3) 滤渣D为单质镍、硫的混合物,请写出向浸出液B中通入H2S气体时所有反应的离子方程式:__________________________,_________________________。
(4) 已知: 3Fe2+ +2[Fe(CN)6]3-==Fe3[Fe(CN)6]2↓(蓝色沉淀);4Fe3++3[Fe(CN)6]4-==Fe4[Fe(CN)6]3↓(蓝色沉淀)。下列可以用于检验滤液C 中金属阳离子的试剂有____________(填标号)
a.KSCN溶液 b.K3[Fe(CN)6] c.K4[Fe(CN)6] d.苯酚
(5) 兰尼镍是一种带有多孔结构的细小晶粒组成的镍铝合金。碱浸镍铝合金后,残铝量对兰尼镍的催化活性有重大影响,根据下图分析,残铝量在_____范围内催化活性最高,属于优质产品。
(6) 仿照下面示例,设计从浸出液E 回收氧化铝的流程: 浸出液E_____________。(示例: )
29. (6分)核糖核酸简称RNA,它在生物体的遗传和蛋白质的生物合成中具有重要作用。回答下列问题:
(1)真核细胞内的RNA主要分布在____________中。利用吡罗红甲基绿混合染色剂将细胞染色,就可以显示DNA和RNA在细胞中的分布,原理是______________。
(2)在基因的表达过程中,tRNA的主要作用是__________。核糖体合成肽链时,能将遗传信息进行准确翻译的原因是_______________。
(3)科学家发现,将大肠杆菌RnaseP(—种酶)的蛋白质部分除去后,留下的RNA部分仍具有与全酶相同的活性,这个事实说明RNA也能降低___________,从而加快有关化学反应的速率。后来发现四膜虫L19RNA在一定条件下能专一地催化某些小分子RNA的合成,这表明L19RNA具有与__________酶相同的功能。
30.(10分) 研究证实ATP既是“能量通货”,也可作为神经细胞间信息传递中的一种信号分子,其作为信号分子的作用机理如图所示。请分析回答:
(1)神经细胞中的ATP主要来自_____(生理过程),其结构简式是_____。研究发现,正常成年人安静状态下24小时有40 kg ATP发生转化,而细胞内ADP、ATP的浓度仅为2~10 mmnol/L,为满足能量需要,人体解决这一矛盾的合理途径是_____。
(2)由图可知,细胞间隙中的ATP在有关酶的作用下,磷酸基团逐个脱离下来,最后剩下的是_____。
(3)一些神经细胞不仅能释放典型神经递质,还能释放ATP,两者均能作用于靶细胞膜上特异性的_____,从而引起细胞的膜电位变化。据图分析,科学家当初推测ATP可作为神经细胞间传递信息的信号分子的实验思路是:用化学物质阻断神经递质在神经细胞间的信息传递后,发现_____。
(4)为了研究X物质对动物细胞的影响,某研究小组用不同浓度的X物质将细胞处理24h,然后测量各组细胞内ATP的浓度和细胞死亡的百分率。经过多次实验后,所得数据如下表所示:
实验组编号
X物质的浓度
(mg•mL-1)
细胞内ATP的浓度(mmol•mL-1)
细胞死亡的百分率
A
0
80
1
B
2
70
2
C
4
50
10
D
8
20
25
E
16
5
70
F
32
1
95
①该实验的因变量是________。②实验数据表明,该实验的因变量之间有何联系?_________。
31.(12分) 图1为某生态系统的碳循环示意图,其中甲、乙、丙、丁为生态系统的组成成分。A、B、C、D是丙中关系密切的四种生物,其能量所占比例如图所示。图2为图1中某种群在一段时间内λ值的变化情况。请据图回答问題:
(1)图1中,流经该生态系统的总能量是由图中的_______(填编号)所固定;B和C两种生物之间的种间关系为_______;该生态系统中能将有机物分解成无机物的生物有_______(填编号)。
(2)请画出图1中的生物构成的食物链(网):_______。
(3)种群数量的“J”型增长数学模型为:Nt=N0λt;其中λ表示_______。据图2可知,前8年该种群数量最小的是_______点所对应的数量。
32.(共11分)2017年9月,袁隆平院士在国家水稻新品种与新技术展示现场观摩会上宣布了两项重大研究成果:一是耐盐碱的“海水稻”培育,二是吸镉基因被敲除的“低镉稻”最新研究进展。有关遗传分析见下表。
水稻品种
表现型
导入或敲除的相关基因
该基因所在位置
普通水稻
不耐盐高镉
未导入和敲除
——
海水稻
耐盐高镉
B+
6号染色体
低镉稻
不耐盐低镉
C-
2号染色体
注:B+表示转入的耐盐基因,C-表示吸镉基因被敲除,普通水稻的基因型是B-B-C+C+。B+对B-为显性,C+C-表现为中镉稻。
请回答:
(1)已知C+C-为中镉水稻,说明C+对C-的显隐性关系为 。在进行水稻(2N=24)基因组测序时,应对 条染色体上的基因进行测序。
(2)若海水稻为纯合子,有可供选择的低镉水稻,为获得稳定遗传的耐盐低镉水稻。请设计杂交育种程序,用遗传图解(写出包括亲本在内的三代即可)表示,并用简要的文字说明。
(二)选考题(请考生从给出的2道物理题、2道化学题、2道生物题中每科任选一题作答,并用2B铅笔在答题卡上把所选题目的题号涂黑.注意所做题目的题号必须与所涂题目的题号一致,在答题卡上选答区域指定位置答题.如果多做,则按所做的第一题计分.)
33.【物理—选修3-3】(15分)
(1)(5分)有关热现象,下列说法正确的是( )
A.空气的绝对湿度大,相对湿度不一定大
B.荷叶上的小水珠呈球形,是表面张力使液面收缩的结果
C.布朗运动是指液体分子的无规则运动活塞
D.用热针尖接触金属表面的石蜡,熔解区域呈圆形,这是非晶体各向同性的表现
E.一切自然过程总是向分子热运动的无序性增大的方向进行
(2)(10分)如图所示,体积为V、内壁光滑的圆柱形导热气缸顶部有一质量和厚度均可忽略的活塞;气缸内密封有温度为3T0、压强为2P0的理想气体.P0和T0分别为大气的压强和温度.已知:容器内气体的所有变化过程都是缓慢的,求:缸内气体与大气达到热平衡时外界对气体所做的功W.
34.【物理选修3-4】
(1)(5分)如图甲所示,沿波的传播方向上有间距均为1m的六个质点a、b、c、d、e、f,均静止在各自的平衡位置,t=0时刻振源a从平衡位置竖直向上做简谐运动,其振动图象如图乙所示,形成的简谐横波以1m/s的速度水平向右传播,则下列说法正确的是
A.这列波的周期为4s
B.0~3s质点b运动路程为4ccm
C.4~5s质点c的加速度在减小
D.6s时质点e的振动速度水平向右为1m/s
E.此六质点都振动起来以后,质点a的运动方向始终与质点从的运动方向相反
(2)(10分)如图为半径为R的固定半圆形玻璃砖的横截面,O点为圆心,OO′为直径MN的垂线.足够大的光屏PQ紧靠在玻璃砖的右侧且与MN垂直.一束复色光沿半径方程与成θ=30°角射向O点,已知复色光包含有折射率从n1=到n2=的光束,因而光屏上出现了彩色光带.
(i)求彩色光带的宽度;
(ii)当复色光入射角逐渐增大时,光屏上的彩色光带将变成一个光点,求θ角至少为多少?
35.【化学—选修3:物质结构与性质】(15分)
中国是最早发现并使用青铜器的国家。司母戊鼎是迄今为止出土的世界上最大、最重的青铜礼器,享有“镇国之宝”的美誉(如图1)。
(1)Cu原子的外围电子排布式为_______。
(2)图2所示为第四周期某主族元素的第一至五电离能数据,该元素是_______,I3远大于I2的原因是_______。
(3)图3是某含铜配合物的晶体结构示意图。
①晶体中H2O和SO42-的中心原子的杂化类型为_______,试判断H2O和SO42-的键角大小关系并说明原因_______。
②图3中的氢键有(H2O)O—H···O(H2O)和_______。
③写出该配合物的化学式_______。
(4)一种铜的氯化物晶胞结构如下图所示。
该化合物的化学式为_______,已知P、Q、R的原子坐标分别(0,0,0)、(1,1,1)、 (,,),若Cu原子与最近的Cl原子的核间距为a pm,则该晶体的密度计算表达式为_______。
36、[化学-选修5:有机化学基础](15分)
E是一种环保型塑料,其合成路线如下:
已知:①
② (R1、R2、R3、R为烃基)
请回答下列问题:
(1)A中官能团的名称是____________,检验该官能团的试剂为___________________。
(2)反应①的化学方程式是:______________________________,其反应类型为________________,在反应①中,还可以得到另一种分子式为C10H16的化合物,其结构简式为___________________。
(3)已知,名称为丙酮酸,则C的系统命名法命名应为____________________。
(4)写出反应④的化学方程式:______________________________。
(5)C的同分异构体X满足下列条件:
①常温下,与碳酸钠溶液反应放出气体;
②能发生银镜反应。则符合条件的X共有________种。其核磁共振氢谱共有四组峰且峰面积之比为1∶1∶2∶2,则X的结构简式为________________。
(6)参照E的上述合成路线,设计一条由4一甲基一3一戊酮酸为起始原料制备的合成路线(无机试剂任选)_________________________。
37.[生物——选修1:生物技术实践](15分)
利用水中蒸馏法可从薄荷的新鲜茎叶中提取薄荷油。回答下列问题:
(1)植物芳香油的提取方法有蒸馏法、压榨法和 等。提取薄荷油可以用水蒸气蒸馏法,该方法的原理是 。蒸馏时许多因素都会影响产品的品质,例如 (写出两点)。
(2)提取薄荷油的过程中,水蒸气蒸馏后得到的乳浊液是 。若想得到纯净的薄荷精油,需向乳浊液中加入NaCl,目的是 。向分离的油层中加入 可以除去其中的水分。
(3)从橘皮中提取橘皮精油时不宜采用水中蒸馏法,这是因为 。
38. 【选修3--现代生物科技专题】
下图1为生产HIV单克隆抗体的过程,图2为运用基因工程技术生产HIV疫苗的操作简要路径。 据图分析回答。
(1)图1中,过程①称为 技术,过程②融合实验完成后得到的杂交瘤细胞所产生的抗体的优点是 。
(2)图2中, 过程①需要用到 酶。一个DNA片段进行扩增最简便的方法是使用PCR技术,如果这个过程中消耗了引物62个,则进行了 轮的DNA复制。
(3)若将重组质粒导入小鼠受精卵细胞中,通常应采取 技术。
(4)用限制酶处理DNA片段,可使特定核苷酸序列特定部位的 键断开。若用X、Y两种限制酶作用于图2中的DNA片段,并进行电泳分析,其结果如下图。 A至D选项中,关于两种酶切位置的判断,正确的是 。
2019年四川省宜宾市四中高三二诊模拟考试
理科综合答案
生物答案
1.A 2.B 3.B 4.A 5. A 6. C
29.(1). 细胞质 (2). 甲基绿和吡罗红两种染色剂对DNA和RNA的亲和力不同,甲基绿使DNA呈现绿色,吡罗红使RNA呈现红色 (3). 转运氨基酸 (4). 一种tRNA只能识别并搬运一种氨基酸,tRNA上的反密码子与mRNA上的密码子互补配对 (5). 化学反应的活化能 (6). RNA聚合
30.(1). 有氧呼吸 (2). A-P~P~P (3). ATP和ADP相互迅速转化 (4). 腺苷 (5). 受体 (6). 受体细胞能接受到部分神经信号(或受体细胞的膜电位发生变化) (7). 细胞中ATP的浓度和细胞死亡的百分率 (8). 细胞内ATP浓度下降,能量供应减少,细胞死亡率增加
31. (1). 乙 (2). 竞争 (3). 乙、丙、丁或乙、A、B、C、D、丁 (4). (5). 该种群数量是一年前种群数量的倍数 (6). d
32.(共11分)
(1)不完全显性(2分) 12(2分)
(2)(图解共7分)
耐盐高镉 不耐盐低镉
P B+B+C+C+ × B—B—C—C— 选择亲本进行杂交
↓
F1 B+B—C+C— 所得F1自交
耐盐中镉
↓U
F2 B+__C— C— 从F2中选择耐盐低镉品种连续自交,
耐盐低镉 直至不发生性状分离即可
给分说明:①P、F1、F2、×、↓、U符号正确(1分)
②P、F1、F2的基因型(各1分,共3分),亲本表现型(1分)
③从F2中选择耐盐低镉品种连续自交(1分),直至不发生性状分离(1分)
37.(15分)
(1)萃取法(2分) 利用水蒸气将挥发性较强的植物芳香油携带出来,形成油水混合物,冷却后油水又会重新分离(3分) 蒸馏温度、蒸馏时间(2分)
(2)油水混合物(2分) 使油水混合物分层(2分) 无水Na2S04(2分)
(3)水中蒸馏会导致原料焦糊和有效成分水解(2分)
38.(15分,除特殊说明外,每空2分)
(1)( 动物)细胞融合 特异性强,灵敏度高,并可大量制备(3分)
(2) 逆转录 5 (3) 显微注射
(4) 磷酸二酯 B
化学答案
7.D 8.C 9.D 10.C 11.C 12.D 13.B
26. (1). (2). ad (3). 2∶3 (4). Cr2O72-+H2O2CrO42-+2H+ (5). BaCrO4 (6). 铁 (7). Cr2O72-+6Fe2++14H+=2Cr3++6Fe3++7H2O
27. (1). 2H2(g)+2NO(g)=N2(g)+2H2O(l) ΔH=-752.1 kJ·mol-1 (2). 6.25×10-2 (3). 或 0.44 (4). < (5). 不变 (6). bc (7). BD
28.(14分,每空2分)(1)0 (2)O2
(3) H2S+ 2Fe3+==2Fe2++2H++ S↓,H2S+Ni2+==Ni↓+2H++S↓(写化学方程式不得分)
(4)b (5)4%~6% (只要在此范围内即可)
(6) (反应条件不写或写错不得分)
35.(15分)
(1)3d104s1(1分)
细则:其它表述不给分。
(2)Ca(或钙)(1分)
细则:其它表述不给分。
Ca原子失去2个电子以后达到稳定结构,再失去1个电子很困难(2分)
细则:答出失去2个电子以后达到稳定结构的意思给1分,答出再失去1个电子很困难的意思给1分。
(3)① sp3、sp3(1分)
细则:答“sp3”给1分。其它不规范表述(如sp3)不给分。
H2O分子键角小于的SO42-键角,因为H2O中O存在2对孤电子对而SO42-中的S不存在,孤电子对成键电子的斥力大于成键电子对成键电子的斥力(3分)
细则:答出“H2O分子键角小于的SO42-键角”的意思给1分;答出“H2O中O存在2对孤电子对而SO42-中的S不存在”的意思给1分;答出“孤电子对成键电子的斥力大于成键电子对成键电子的斥力”的意思给1分。
②(H2O)O—H···O(SO42-)(2分)细则:其它表述不给分。
③ [Cu(H2O)4]SO4·H2O(2分)细则:写成CuSO4·5H2O给1分,其它表述不给分。
(4)CuCl(1分) 细则:其它表述不给分。
(2分)细则:其它表述正确给分,NA用具体数值正确也可。
36.(15分)(1)碳碳双键(1分) 溴的CCl4溶液(合理即可,1分)
(2) (2分) 加成反应(1分) (1分)
(3)3-丁酮酸(2分)
(4) (2分)
(5)2(1分) HOOCCH2CH2CHO(1分)
(6) 件下
(3分)
物理部分
14. D 15.B 16.B 17.D 18.B 19.BD 20.AC 21.AB
22.①间距相等 ②释放小车 ③
④外力所做的功,等于物体动能的变化量
23.①11.5(11.2~11.8的值均可) 蓄电池 ②小灯
24.(1)从圆弧最高点滑到最低点的过程中机械能守恒则有:,(2分)可以得出:;(4分)
(2)在圆弧底部和滑块B相撞,动量守恒:
,(6分)
得;(7分)
(3)滑块A和B粘在一起在桌面上滑行,摩擦力做负功,由动能定理可得:
;(8分)
摩擦力:,(9分)
于是可以得到:,(11分)则:;(12分)
25.解:(1)粒子恰好与边界相切时R=a(2分)
qvB=m(2分)
解得:v0=(1分)
(2)带电粒子运动的轨迹如图所示,O1、O2分別为轨迹的圆心,
r=(2分)
由几何关系可得rsinθ=a (1分)
O2A=2rsinθ
O2B=2rcosθ-r=(2-)a(1分)
BC=(1分)
轨迹与x轴交点坐标为x=O2A+BC=2(1+)a (1分)
(3)粒子在区域I中圆周运动的半径为R1,根据qnv0B0=m(1分)
粒子在区域II中圆周运动的半径为R2,qnv0λB0= m(1分)
在区域II中圆周运动的圆心位于x轴上才可能使粒子从O点射出
R1sina=a(2分)
(R1+R2)cosa=R1(2分)
解得:(2分)
33.(1)ABE(6分)
(2)在气体由压强p=2p0下降到p0的过程中,气体体积不变,温度由T=3T0变为T1,
由查理定律得(2分)
①在气体温度由T1变为T0的过程中,体积由V减小到V1,气体压强不变,
由盖·吕萨克 定律得 (2分)
②由①②式得 (1分)
在活塞下降过程中,活塞对气体做的功为 (2分)
,故 (2分)
34.(1)ABE(5分)(2)解:(i)代入数据得 (4分)
故彩色光带的宽度为(7分)
(ii)当复色光恰好全部发生全反射时即入射角(10分)
相关资料
更多

