还剩13页未读,
继续阅读
2020年江西省中考化学逆袭卷(三)
展开
2020年江西省中考化学逆袭卷(三)
学校:___________姓名:___________班级:___________考号:___________
一、单选题(本大题共10小题,共20.0分)
1. 下列变化属于物理变化的是( )
A. 水果榨汁 B. 粮食酿酒 C. 塑料降解 D. 盐酸除锈
2. 在物质分类中,氯气属于( )
A. 氧化物 B. 金属单质 C. 非金属单质 D. 混合物
3. 为除去某化工厂车间排放的废水中的色素,可采取的合理措施是( )
A. 静置沉淀 B. 加入明矾处理
C. 蒸馏 D. 经活性炭层吸附
4. 试管是常见的仪器,下列与试管相关的操作中,正确的是( )
A. 塞紧橡胶塞 B. 倾倒液体
C. 加热固体 D. 振荡试管
5. 火神山医院是为抗击新型冠状病毒而赶建的临时医院,但在废水处理上一点都不“临时”,铺设了3万平方米的HDPE(高密度聚乙烯)防渗膜,防止污水渗入地下。HDPE防渗膜属于( )
A. 天然材料 B. 合成材料
C. 金属材料 D. 无机非金属材料
6. 高氯酸盐主要作为火箭、导弹、焰火等的固体氧化剂等。已知高氯酸盐中氯元素显+7价,则高氯酸镁的化学式为( )
A. Mg(ClO4)2 B. Mg(ClO3)2 C. MgClO4 D. MgClO2
7. 铯原子钟是一种精密的计时器具,它的稳定程度很高,目前最好的铯原子钟达到2000万年才相差1秒。已知某种铯原子的相对原子质量为134,核外电子数为55,则该原子的中子数为( )
A. 34 B. 55 C. 79 D. 134
8. 将棉手帕放入白酒中浸湿,再用坩埚钳夹住,从下方点燃,待火焰熄灭后棉手帕依然完好。下列有关“烧不坏的棉手帕”实验的叙述正确的是( )
A. 手帕不是可燃物,不能燃烧
B. 手帕被白酒浸湿,导致着火点降低
C. 手帕接触不到氧气,不燃烧
D. 白酒中的水蒸发使手帕的温度达不到着火点
9. 如图是离子五角星示意图。五角星上每个角的阳离子与中间的阴离子R结合若不产生沉淀或气体或水,则称为共存离子对。要使共存离子对数目最大,则R应该是( )
A. OH−
B. NO3−
C. Cl−
D. CO32−
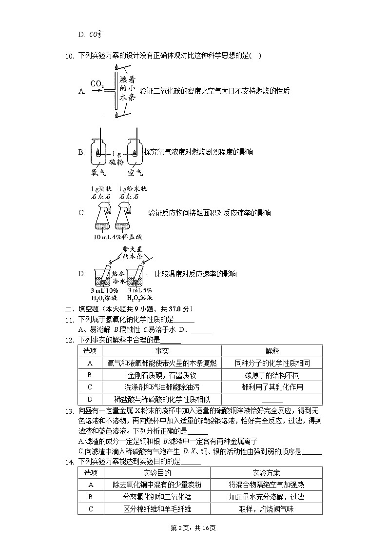
10. 下列实验方案的设计没有正确体现对比这种科学思想的是( )
A. 验证二氧化碳的密度比空气大且不支持燃烧的性质
B. 探究氧气浓度对燃烧剧烈程度的影响
C. 验证反应物间接触面积对反应速率的影响
D. 比较温度对反应速率的影响
二、填空题(本大题共9小题,共37.0分)
11. 下列属于氢氧化钠化学性质的是______
A、易潮解 B.腐蚀性 C.易溶于水 D.______
12. 下列事实的解释中合理的是______
选项
事实
解释
A
氧气和液氧都能使带火星的木条复燃
同种分子的化学性质相同
B
金刚石质硬,石墨质软
碳原子的结构不同
C
洗涤剂和汽油都能除油污
都利用了其乳化作用
D
稀盐酸与稀硫酸的化学性质相似
______
13. 向盛有一定量金属X粉末的烧杯中加入适量的硝酸铜溶液恰好完全反应,得到无色溶液和不溶物,再向烧杯中加入适量的硝酸银溶液,恰好完全反应,过滤,得到滤渣和蓝色溶液。下列分析正确的是______
A.滤渣的成分一定是铜和银 B.滤液中一定含有两种金属离子
C.向滤渣中滴入稀硫酸有气泡产生 D. X、铜、银的活动性由强到弱的顺序是______
14. 下列实验方案能达到实验目的的是______
选项
实验目的
实验方案
A
除去氧化铜中混有的少量炭粉
将混合物隔绝空气加强热
B
分离氯化钾和二氧化锰
加足量水充分溶解,过滤
C
区分棉纤维和羊毛纤维
取样,灼烧闻气味
D
鉴别硫酸铵和硝酸钙
______
15. 向氯化钙和盐酸的混合溶液中逐滴加入碳酸钠溶液并搅拌,如图图象能正确表示该过程中相关量间关系的是______
16. 江西特产品种丰富。远近闻名。请用恰当的化学用语表示下列加点部分的文字:
(1)贵溪冷水坑银矿中含有银元素______。
(2)赣南脐橙适合生长的土壤为“红壤”,“红壤”中含有氧化铝______。
(3)上栗是中国烟花爆竹发祥地。烟花燃烧产生的二氧化硫中硫元素显+4价______。
17. 2019年11月5日,第二届中国国际进口博览会在上海国家会展中心开幕。
(1)食品及农产品展区西班牙火腿、蓝鳍金枪鱼等一批来自世界各地的美食轮番亮相,火腿和金枪鱼中主要富含的营养物质是______。
(2)汽车展区氢燃料汽车、无人驾驶汽车……展示最新的汽车科技。氢燃料汽车是以氢气为燃料,从环境保护角度分析,氢气作为燃料的优点是______;液化石油气也是一种燃料,请从分子的角度分析液化石油气能被压缩在钢瓶中的原因______。
(3)品质生活展区紧贴消费热点,有变色蓝宝石、孟加拉国的黄麻制品等。黄麻纤维的主要成分是纤维素【化学式为( C6H10O3)n】,纤维素中碳、氧元素的质量比为______;变色宝石大多都含有钒、铬等元素,已知钒在元素周期表中的部分信息及原子结构示意图如图所示,其中X的值为______,钒原子在化学反应中易______(填“得到”或“失去”)电子。
18. 如表是氢氧化钠、硝酸钾和氯化钠在不同温度下的溶解度。
温度/℃
10
20
30
40
50
60
70
溶解度/g
NaOH
51
109
119
129
145
174
299
KNO3
20.9
31.6
45.8
63.9
85.5
110
138
NaCl
35.8
36.0
36.3
36.6
37.0
37.3
37.8
(1)三种物质中溶解度受温度影响最小的是______。
(2)从三种物质中选择两种进行如下实验:20℃时分别取质量为50g的两种固体于烧杯中,分别加入100g水,充分搅拌,然后升高温度至50℃,充分溶解(忽略水分蒸发),现象如图1所示,则固体乙为______,溶液④中溶质质量分数为______ (精确到0.1%)。
(3)室温(25℃)下配制氢氧化钠溶液时,观察到如图2所示现象(忽略水分蒸发),下列说法正确的是______ (用序号填空,双选)。
A.a溶液一定是饱和溶液 B.溶液的质量:a=b
C.溶质质量分数:a>b D.溶液温度:a>b
19. 某化工厂为综合利用生产过程中的副产品CaSO4,与相邻的化肥厂联合设计了以下制备(NH4)2SO4的工艺流程。
已知:二氧化碳在水中溶解度不大,且溶解较慢;氨气极易溶于水,与水反应生成氨水(NH3⋅H2O),氨水的性质与氢氧化钠相似。
(1)反应①中甲、乙分别为二氧化碳和氨气中的一种,为提高原料的利用率,应向CaSO4悬浊液中先通入______。
(2)实验室中在进行操作A时玻璃棒的作用是______。
(3)反应①的化学方程式为______。
(4)该流程中可循环利用的物质是______。
三、计算题(本大题共1小题,共10.0分)
20. 元明粉又名无水硫酸钠,常用于制造玻璃洗涤剂等,兴趣小组同学为测定某元明粉样品中硫酸钠的质量分数,设计实验流程如图(假设元明粉中只含有杂质氯化钠,忽略操作中的损耗):
(1)40.0g溶质质量分数为10.4%的氯化钡溶液中氯化钡的质量为______g。
(2)计算该样品中硫酸钠的质量分数。(结果精确到0.1% )
(3)如果样品完全溶解后,加入20.0gBaCl2溶液充分反应后,所得溶液中Na+的数目______ (填“>”、“=”或“<”)Cl−的数目。
四、推断题(本大题共1小题,共8.0分)
21. 在游园活动中,氢氧化钙、碳酸钠、碳、二氧化碳、氧化铜、稀盐酸六种物质分在一组,它们按如图方式围在一起,位置编排原则是相邻两种物质间能发生反应(图中所涉及的反应均为初中化学常见的反应),已知A为黑色固体,F常用于灭火。请回答:
(1)F的化学式为______。
(2)编排完成后,若要临时添加一名成员G【Ba(OH)2】则其可排在______(填序号)之间。
①B与C ②A与F ③C与D
(3)B与C反应的化学方程式为______。
(4)图中反应中没有涉及的基本反应类型为______。
五、探究题(本大题共3小题,共25.0分)
22. 在常见气体实验室制取的复习课中,实验桌面上摆放有下列仪器和装置,请回答相关问题:
(1)仪器B的名称为______。
(2)用高锰酸钾制取并收集一瓶氧气,反应的化学方程式为______,应该选择上述仪器中的______(填图中字母)进行组合,实验时判断氧气已收集满的依据是______。
(3)硫化氢是一种具有臭鸡蛋气味,能溶于水,密度比空气大的气体。常温下,实验室可用硫酸亚铁固体和酸反应制取硫化氢气体。利用图中的仪器和装置______(填“能”或“不能”)制取硫化氢,制取硫化氢时常选用稀硫酸而不用稀盐酸,其原因是______。
23. “深水炸弹糖”因放入水中,会在水中上下翻滚、溶解,并快速向四周放出一种无色无味的气体,给人以“炸”的感觉而深受同学们的喜爱。小凡同学对此展开如下探究。
【查阅资料】①“深水炸弹糖”的主要成分是蔗糖、小苏打、柠檬酸香精等;②蔗糖、柠檬酸、香精属于有机物,易溶于酒精;小苏打微溶于酒精。
【提出问题】炸弹糖放入水中产生的气体是什么?
【猜想与假设】猜想一:O2;猜想二:H2;猜想三:CO;猜想四:CO2;猜想五:SO2;猜想六:CH4.小凡认为猜想五不需要设计实验验证就可以判断是错误的,理由是______。
【实验探究】分别取少量炸弹糖于三支试管,加入适量水,进行如下实验,请填写表中空格。
序号
1
2
3
实验
现象
______
气体不燃烧
澄清石灰水变浑浊
结论
猜想一不成立
猜想 ______ 不成立
猜想 ______ 成立
【继续探究】取少许炸弹糖,放入足量酒精中充分溶解后过滤,向滤液中滴加紫色石蕊溶液,溶液变______色,验证了柠檬酸的存在;炸弹糖没有溶于水时并不发生反应,溶于水后迅速反应,原因是______。
【拓展应用】炸弹糖中含有的小苏打与柠檬酸(C6H8O7)发生反应的化学方程式为3NaHCO3+C6H8O7=C6H5O7Na3+3X+3CO2↑,则X的化学式______。若要使小苏打与柠檬酸的反应尽可能产生更多的二氧化碳,则“深水炸弹糖配方中小苏打与柠檬酸的最佳质量比为______(填最简整数比)。
24. 雷琐辛具有杀菌作用,可用作防腐剂,常添加于化妆品、皮肤病药物糊剂中等。某化学小组对雷琐辛的元素成分开展了如下探究:
【提出问题】雷琐辛的组成元素是什么?
【查阅资料】碱石灰是氧化钙和氢氧化钠的固体混合物,可作干燥剂。
【进行实验】小明取适量雷琐辛在氧气中燃烧,检验到生成物中只有水和二氧化碳,得出结论“雷琐辛是由碳、氢、氧三种元素组成的”。小雨认为该方案不合理,只能说明雷琐辛中一定含有碳元素和氢元素,不能确定是否含有氧元素,理由是______。
【继续探究】为进一步确定雷琐辛的元素组成,小组同学利用下列装置进行实验(固定装置省略,装置B、C、D、E中药品足量)。
(1)装置A中氧化铜的作用是______。
(2)实验中装置C处发生反应的化学方程式为______。
【数据记录】雷琐辛样品质量为2.75g,雷琐辛样品燃烧后,B装置增加的质量为1.35g,C、D装置增加的总质量为6.6g。
【分析与结论】利用上述实验数据分析与计算,2.75g雷琐辛样品中氢元素的质量为______g,雷琐辛由______(填元素名称)元素组成。
【反思与评价】关于本实验的下列说法中正确的是______(填序号,双选)。
①A装置加热前不能通入氧气,否则会影响实验结果
②B、C装置的位置可以互换
③如果不用E装置,则所测得氧元素的质量会偏小
④雷琐辛样品完全燃烧后,需再通一会儿氧气
答案和解析
1.【答案】A
【解析】解:A、水果榨汁没有新物质生成,属于物理变化;故选项正确;
B、粮食酿酒,酒精是新物质,属于化学变化;故选项错误;
C、塑料降解属于化学变化;故选项错误;
D、盐酸除锈生成氯化铁和水,属于化学变化;故选项错误;
故选:A。
有新物质生成的变化叫化学变化,粮食酿酒、塑料降解、盐酸除锈属于化学变化;没有新物质生成的变化叫物理变化。化学变化的特征是:有新物质生成。判断物理变化和化学变化的依据是:是否有新物质生成。
本考点考查了物理变化和化学变化的区别,基础性比较强,只要抓住关键点:是否有新物质生成,问题就很容易解决。本考点主要出现在选择题和填空题中。
2.【答案】C
【解析】解:氯气是由氯元素一种元素组成,属于单质,氯气属于非金属单质。
故选:C。
根据单质和化合物的区别是:是否由一种元素组成,单质分为金属单质和非金属单质回答本题。
解答本题关键是熟悉物质的分类。
3.【答案】D
【解析】解:A.静置沉淀只能除去水中较大的难溶性杂质,但不能除去色素,不合题意;
B.加入明矾后,明矾溶于水会吸附水中的悬浮杂质而加速其沉降,但不能除去色素,不合题意;
C.蒸馏可以除去水中的所有杂质,但是操作起来较繁琐,不合题意;
D.活性炭具有吸附性,可以除去水中的色素,符合题意。
故选:D。
根据净化水的方法与原理来分析解答。
要想解答好这类题目,首先,要熟记水的净化方法、原理和相关操作等。然后结合实验情景和问题情景,细致地分析题意和实验信息,并根据所学的相关知识,选择好净化的方法,进行净化实验操作,或者是通过细心地思考、探究,来解答相关的实际问题等。
4.【答案】C
【解析】解:A、把橡皮塞慢慢转动着塞进试管口,切不可把试管放在桌上在使劲塞进塞子,以免压破试管,图中所示操作错误。
B、向试管中倾倒液体药品时,瓶塞要倒放,标签要对准手心,瓶口紧挨;图中瓶塞没有倒放,所示操作错误。
C、给试管中的固体加热时,为防止冷凝水回流到热的试管底部,试管口应略向下倾斜,图中所示操作正确。
D、振荡试管时,振荡试管中的液体的正确方法是手指拿住试管,用手腕的力量左右摆动,而不是手指拿住试管上下晃动,图中所示操作错误。
故选:C。
A、根据把橡皮塞塞进试管口的方法进行分析判断。
B、根据向试管中倾倒液体药品的方法进行分析判断。
C、根据给试管中的固体加热的方法进行分析判断。
D、根据振荡试管时的方法进行分析判断。
本题难度不大,熟悉各种仪器的用途及使用注意事项、常见化学实验基本操作的注意事项是解答此类试题的关键。
5.【答案】B
【解析】解:HDPE(高密度聚乙烯)是一种塑料,属于合成材料。
故选:B。
根据材料的分类来分析,合成材料包括塑料、合成纤维和合成纤维。
本题难度不大,掌握合成材料的三大特征(有机物、合成、高分子化合物)、分类是正确解答此类题的关键所在。
6.【答案】A
【解析】解:化合物中镁元素、氧元素的化合价分别为+2和−2,根据化合物中各种元素化合价的代数和为0,可计算出化合物中氯元素的化合价:
A、Mg(ClO4)2中氯元素的化合价为:+7,故选项正确;
B、Mg(ClO3)2中氯元素的化合价为:+5,故选项错误;
C、MgClO4中氯元素的化合价为:+5,故选项错误;
D、MgClO2中氯元素的化合价为:+2,故选项错误。
故选:A。
根据化合物中各种元素化合价的代数和为0进行分析判断。
本题难度较小,解题的关键是认识化合物中各种元素化合价的代数和为0以及应用。
7.【答案】C
【解析】解:某种铯原子的相对原子质量为134,核外电子数为55,则该原子的中子数为134−55=79,
故选:C。
根据核内质子数=核电荷数=原子序数=核外电子=相对原子质量−核内中子数解答即可。
此题考查原子的有关数量计算,关键是根据核内质子数=核电荷数=原子序数=核外电子=相对原子质量−核内中子数解答。
8.【答案】D
【解析】解:A.用坩埚钳夹住,从下方点燃,待火焰熄灭后,布手帕依然完好,是因为手帕上的水汽化吸热,使手帕的温度低于手帕的着火点;而不是手帕不可燃物,故选项说法错误。
B.用坩埚钳夹住,从下方点燃,待火焰熄灭后,布手帕依然完好,是因为手帕上的水汽化吸热,使手帕的温度低于手帕的着火点;而不是布手帕被白酒浸湿、导致着火点降低,故选项说法错误。
C.用坩埚钳夹住,从下方点燃,待火焰熄灭后,布手帕依然完好,是因为手帕上的水汽化吸热,使手帕的温度低于手帕的着火点;而不是接触不到氧气,布手帕不会燃烧,故选项说法错误。
D.用坩埚钳夹住,从下方点燃,待火焰熄灭后,布手帕依然完好,是因为手帕上的水汽化吸热,使温度低于手帕的着火点,故选项说法正确。
故选:D。
根据燃烧的条件(燃烧需要同时满足三个条件:①可燃物、②氧气或空气、③温度要达到着火点),进行分析解答本题。
本题难度不大,考查燃烧的条件,掌握燃烧的条件并能灵活运用是正确解答本题的关键。
9.【答案】B
【解析】解:A、OH−与Mg2+能结合成氢氧化镁沉淀,OH−与NH4+能结合成氨气和水,不能大量共存。
B、NO3−与五角星上每个角的阳离子不能结合成沉淀、气体或水,能大量共存。
C、Cl−、Ag+两种离子能结合成氯化银沉淀,不能大量共存。
D、碳酸根离子与银离子、钙离子和镁离子均能结合成沉淀,不能大量共存。
故选:B。
根据题意,五角星上每个角的阳离子与中间的阴离子R结合若不产生沉淀或气体或水,则称为共存离子对,据此结合复分解反应的条件,离子间若能互相结合成沉淀、气体或水,则离子不能共存,据此进行分析判断即可。
本题考查了离子共存的问题,判断各离子在溶液中能否共存,主要看溶液中的各离子之间能否发生反应生成沉淀、气体、水。
10.【答案】D
【解析】解:A、图中实验,放在下端管口的燃着的小木条很快熄灭,放在上端管口的燃着的小木条熄灭的慢,说明二氧化碳的密度比空气大且支持燃烧,故选项实验方案正确体现对比这种科学思想。
B、根据硫粉在空气和氧气燃烧的现象,可以探究氧气浓度对燃烧剧烈程度的影响,故选项实验方案正确体现对比这种科学思想。
C、根据等质量的块状石灰石与粉末状的石灰石与相同的稀盐酸反应的速率快慢,可验证反应物间接触面积对反应速率的影响,故选项实验方案正确体现对比这种科学思想。
D、图中实验,过氧化氢溶液的浓度不同,不能比较温度对反应速率的影响,故选项实验方案没有正确体现对比这种科学思想。
故选:D。
对比实验是为了探究某一因素对实验的影响,而运用控制变量法进行对比实验的探究方法;解答时要根据实验目的分清实验中的定量和变量,其他条件相同且只有一个变量,出现不同的现象,才能达到对比实验的目的。
本题难度不大,设计实验时要掌握其原理和区别,掌握对比实验的关键是必须至少有一组作为对照是正确解答本题的关键。
11.【答案】B 能与酸反应
【解析】解:A、氢氧化钠易潮解,说明容易吸收水蒸气,不需要通过化学变化表现出来,是物理性质;
B、氢氧化钠具有腐蚀性需要通过化学变化表现出来,是化学性质;
C、溶解性不需要通过化学变化表现出来,是物理性质;
D、氢氧化钠能和酸反应生成盐和水,需要通过化学变化表现出来,是化学性质。
故填:B;能与酸反应。
氢氧化钠能够吸收水蒸气,具有腐蚀性,易溶于水,能和酸反应生成盐和水。
本题主要考查物质的性质,解答时要根据各种物质的性质,结合各方面条件进行分析、判断,从而得出正确的结论。
12.【答案】A 在水溶液中电离出的阳离子都是氢离子
【解析】解:A、氧气和液氧都能使带火星的木条复燃,是因为同种分子的化学性质相同,该选项说法正确;
B、金刚石质硬,石墨质软,是因为碳原子的排列方式不同,该选项说法不正确;
C、洗涤剂和汽油都能除油污,是因为洗涤剂能够乳化油污,汽油能够溶解油污,该选项说法不正确;
D、稀盐酸与稀硫酸的化学性质相似,是因为在水溶液中电离出的阳离子都是氢离子。
故填:A;在水溶液中电离出的阳离子都是氢离子。
相同的分子化学性质相同;
金刚石中的碳原子是正四面体结构,石墨中的碳原子是正六边形结构;
洗涤剂能够乳化油污,汽油能够溶解油污;
酸溶液化学性质相似,是因为溶液中都含有氢离子。
本题主要考查物质的性质,解答时要根据各种物质的性质,结合各方面条件进行分析、判断,从而得出正确的结论。
13.【答案】B X>铜>银
【解析】解:向盛有一定量金属X粉末的烧杯中加入适量的硝酸铜溶液恰好完全反应,得到无色溶液(X的硝酸盐)和不溶物(铜),再向烧杯中加入适量的硝酸银溶液,恰好完全反应生成硝酸铜和银,过滤,得到滤渣(银)和蓝色溶液(硝酸铜和含有X的硝酸盐的混合溶液);
A、滤渣的成分是银,该选项说法不正确;
B、滤液中一定含有两种金属离子,即X和铜的金属离子,该选项说法正确;
C、向滤渣中滴入稀硫酸,由于稀硫酸不能和银反应,没有气泡产生,该选项说法不正确;
D X能和硝酸铜反应,说明X比铜活泼,铜和硝酸银反应,说明铜比银活泼,X、铜、银的活动性由强到弱的顺序是X>铜>银。
故填:X>铜>银。
金属活动性顺序中,排在氢前面的金属,能和稀盐酸或稀硫酸反应生成盐和氢气,排在前面的金属,能把排在后面的金属从它的盐溶液中置换出来。
要会利用金属活动顺序表分析实验,氢前边的金属会与稀硫酸、盐酸反应,但氢后边的金属不会与稀硫酸、盐酸反应,前边的金属会把后边的金属从其盐溶液中置换出来。
14.【答案】C 取样,分别与熟石灰混合研磨,闻气味
【解析】解:A、将混合物隔绝空气加强热,碳能与氧化铜反应生成铜和二氧化碳,不但能把杂质除去,也会把原物质除去,不符合除杂原则,故选项实验方案不能达到实验目的。
B、KCl易溶于水,MnO2难溶于水,可采取加水溶解、过滤、蒸发的方法进行分离,故选项实验方案不能达到实验目的。
C、取样,灼烧闻气味,产生烧焦羽毛气味的是羊毛纤维,产生烧纸气味的是棉纤维,可以鉴别,故选项实验方案能达到实验目的。
D、硫酸铵属于铵态氮肥,与熟石灰混合研磨放出有刺激性气味的气体,硝酸钙不能,可取样,分别与熟石灰混合研磨,闻气味(合理即可)。
故答案为:
C;取样,分别与熟石灰混合研磨,闻气味(合理即可)
A、除杂质题至少要满足两个条件:①加入的试剂只能与杂质反应,不能与原物质反应;②反应后不能引入新的杂质。
B、根据氯化钾和二氧化锰的溶解性,进行分析判断。
C、根据羊毛纤维的主要成分是蛋白质,进行分析判断。
D、铵态氮肥与碱性物质混合研磨后能放出有刺激性气味的气体,进行分析判断。
本题难度不是很大,化学实验方案的设计是考查学生能力的主要类型,同时也是实验教与学难点,在具体解题时要对其原理透彻理解,可根据物质的物理性质和化学性质结合实验目的进行分析判断。
15.【答案】C;氯化钠(或二氧化碳)
【解析】解:A、盐酸和氯化钙的混合溶液呈酸性,当加入碳酸钠后,碳酸钠首先与盐酸反应,当盐酸全部消耗尽,碳酸钠与氯化钙反应生成碳酸钙沉淀和氯化钠,溶液质量会减小,反应完毕,继续加入碳酸钠,则溶液质量增加,不是一直增加,故选项对应关系错误。
B、碳酸钠和盐酸、氯化钙都能反应,但有盐酸和碳酸钙沉淀也能反应生成氯化钙、水和二氧化碳,相当于碳酸钠先和稀盐酸反应,当盐酸全部反应后再和氯化钙反应,该选项对应关系错误;
C、向盛有一定量的氯化钙与盐酸混合溶液的烧杯中逐滴加入碳酸钠溶液至过量时,碳酸钠先和稀盐酸反应生成氯化钠、水和二氧化碳,随着反应的进行,溶液的酸性减弱,pH升高,当恰好完全反应时,溶液显中性,pH=7,后和氯化钙反应生成碳酸钙沉淀和氯化钠,反应过程中溶液酸碱性不变,完全反应后,继续加入碳酸钠溶液时,溶液显碱性,pH升高,该选项对应关系正确;
D、该反应过程中碳酸钠放入溶液中会先于盐酸反应,产生二氧化碳气体,直至盐酸完全反应;氯化钠的质量不断增加至氯化钙和盐酸反应完全。
故答案为:C;氯化钠( 或二氧化碳)。
A、根据当加入碳酸钠后,碳酸钠首先与盐酸反应,当盐酸全部消耗尽,碳酸钠与氯化钙反应生成碳酸钙沉淀和氯化钠,溶液质量会减小,反应完毕,继续加入碳酸钠,则溶液质量增加分析;
B、根据碳酸钠和盐酸、氯化钙都能反应,但有盐酸和碳酸钙沉淀也能反应生成氯化钙、水和二氧化碳,相当于碳酸钠先和稀盐酸反应,当盐酸全部反应后再和碳酸钠反应分析;
C、向盛有一定量的氯化钙与盐酸混合溶液的烧杯中逐滴加入碳酸钠溶液至过量时,碳酸钠先和稀盐酸反应生成氯化钠、水和二氧化碳,随着反应的进行,溶液的酸性减弱,pH升高,当恰好完全反应时,溶液显中性,pH=7,后和氯化钙反应生成碳酸钙沉淀和氯化钠,反应过程中溶液酸碱性不变,完全反应后,继续加入碳酸钠溶液时,溶液显碱性,pH升高;
D、根据反应原理分析。
本题是结合数学图象的分析题,注重了学科间的联系,抓住转折点是解答这类题目的关键。
16.【答案】Ag Al2O3 S+4O2
【解析】解:(1)书写元素符号注意“一大二小”,银的元素符号是Ag。
(2)氧化铝中铝元素显+3价,氧元素显−2价,其化学式为:Al2O3。
(3)二氧化硫中硫元素显+4价;由化合价的表示方法,在该元素的上方用正负号和数字表示,正负号在前,数字在后,故二氧化硫中硫元素显+4价可表示为:S+4O2。
故答案为:
(1)Ag;
(2)A2O3;
(3)S+4O2。
(1)书写元素符号时应注意:①有一个字母表示的元素符号要大写;②由两个字母表示的元素符号,第一个字母大写,第二个字母小写。
(2)氧化铝中铝元素显+3价,氧元素显−2价,写出其化学式即可。
(3)化合价的表示方法,在该元素的上方用正负号和数字表示,正负号在前,数字在后。
本题难度不大,掌握常见化学用语(元素符号、化学式、化合价等)的书写方法、离子符号与化合价表示方法的区别等是正确解答此类题的关键。
17.【答案】蛋白质 无污染 分子间有间隔 3:2 23 失去
【解析】解:(1)火腿和金枪鱼中主要富含的营养物质是蛋白质;故填:蛋白质;
(2)氢气燃烧只生成水,不会对环境造成任何污染;分子间存在着间隔,增大压强时,分子间隔变小,所以液化石油气能被压缩在钢瓶中;故填:无汚染;分子间有间隔;
(3)纤维素【化学式为( C6H10O3)n】中碳、氧元素的质量比为:(12×6n):(16×3n)=3:2;原子序数=核电荷数=质子数,所以X为23,由原子结构示意图可知,钒原子的最外层有2个电子,在化学反应中易失去电子;故填:3:2;23;失去。
(1)根据食物中富含的营养素来分析;
(2)根据氢气燃烧的产物以及分子的性质来分析;
(3)根据化合物中元素质量比的计算方法、原子结构以及最外层电子数来分析。
本题难度不大,灵活运用元素周期表中元素的信息(原子序数、元素符号、元素名称、相对原子质量)、原子结构示意图的含义是正确解答本题的关键。
18.【答案】氯化钠(或NaCl) 硝酸钾(或KNO3) 33.3% CD
【解析】解:(1)由表格中的数据可知,三种物质中溶解度受温度影响最小的是氯化钠;故填:氯化钠(或NaCl);
(2)20℃时分别取质量为50g的两种固体于烧杯中,分别加入100g水,充分搅拌,如图①、②所示,都未完全溶解,且①中剩余的晶体少于②中剩余的晶体,由此可知,①中放入的是硝酸钾,②中加入的是氯化钠;升高温度至50℃,④中的固体完全溶解,所以该溶液中溶质的质量分数为50g50g+100g×100%≈33.3%;故填:硝酸钾(或KNO3);33.3%;
(3)氢氧化钠固体溶于水时,温度升高,所以氢氧化钠的溶解度增大。完全溶解降至室温后,溶解度又变小。
A.a溶液中氢氧化钠全部溶解,没有晶体存在,无法确定溶液的状态,说法错误;
B.a中氢氧化钠全部溶解,而b中未全部溶解,所得溶液的质量一定不相等,说法错误;
C.a、b中的溶剂的量相等,但是所溶解的氢氧化钠的量a中大于b,所以溶质质量分数:a>b,说法正确;
D.氢氧化钠固体溶于水时温度升高,氢氧化钠的溶解度增大,降温后,氢氧化钠的溶解度减小,晶体析出,由图可知,溶液温度:a>b,说法正确。
故填:CD。
(1)根据表格中的数据来分析;
(2)根据不同温度下三种物质的溶解度、受温度的影响以及溶质质量分数的计算方法来分析;
(3)根据氢氧化钠溶于水放热以及溶解度来分析。
本题难度不是很大,主要考查了固体的溶解度所表示的意义、受温度的影响情况,及根据固体的溶解度曲线来解决相关的问题,从而培养分析问题、解决问题的能力。
19.【答案】氨气 引流 CaSO4+2NH3+CO2+H2O=(NH4)2SO4+CaCO3↓ 二氧化碳
【解析】解:(1)根据题目信息氨气极易溶于水,且与氢氧化钠性质相似,说明可以与二氧化碳反应,因此可以先通入氨气,然后在通入二氧化碳,提高二氧化碳溶解度,利于氨水与二氧化碳、硫酸钙反应;
故答案为:氨气。
(2)过滤中为了避免滤液溅出,需要玻璃棒引流,帮助过滤;
故答案为:引流。
(3)反应物可以看到有氨气、二氧化碳、硫酸钙,生成物为硫酸铵和碳酸钙,根据质量守恒定律可以推测反应物还有水,因此是硫酸钙、氨气、二氧化碳和水反应生成硫酸铵和碳酸钙沉淀,据此书写化学方程式;
故答案为:CaSO4+2NH3+CO2+H2O=(NH4)2SO4+CaCO3↓。
(4)二氧化碳在开始反应时通入作为反应物,在碳酸钙高温分解时作为产物生成,因此可以被循环使用;
故答案为:二氧化碳。
(1)根据质量守恒定律团推断加入的气体;
(2)回忆过滤操作步骤及注意事项,回答玻璃棒作用;
(3)根据反应物和生成物名称书写化学方程式;
(4)根据流程中出现物质名称,找到可以循环使用的物质。
根据已有知识,在情景相似的情况下,进行知识地大胆迁移,是解决新问题的一种重要方法。
20.【答案】4.16 >
【解析】解:(1)氯化钡的质量为:40.0g×10.4%=4.16g;
(2)设样品中硫酸钠的质量为x
Na2SO4+BaCl2=BaSO4↓+2NaCl
142 208
x 4.16g
142208=x4.16g 解得:x=2.84 g
样品中硫酸钠的质量分数为2.84g3.0gx×100%=94.7%。
答:样品中硫酸钠的质量分数约为94.7%。
(3)由题意可知,如果样品完全溶解后,加入400gBaCl2溶液恰好,这是钠离子与氯离子的数目相同,若加入20.0gBaCl2溶液充分反应后,有剩余的硫酸钠,所得溶液中Na+的数目>Cl−的数目。
故答案为:(1)4.16。
(2)94.7%。
(3)>。
(1)根据溶质质量分数的计算公式计算;
(2)根据氯化钡的质量及反应的方程式可计算出样品中硫酸钠的质量,即可计算出质量分数;
(3)根据恰好反应的氯化钡的质量分析。
本题主要考查了溶质质量分数和化学方程式的计算,难度不大,熟悉盐的性质是解答本题的基础。
21.【答案】CO2 ③ CuO+2HCl=CuCl2+H2O 分解反应
【解析】解:碳和氧化铜在高温条件下反应生成铜和二氧化碳,氧化铜和盐酸反应生成氯化铜和水,稀盐酸和碳酸钠反应生成氯化钠、水和二氧化碳,碳酸钠和氢氧化钙反应生成碳酸钙沉淀和氢氧化钠,氢氧化钙和二氧化碳反应生成碳酸钙沉淀和水,高温条件下碳和二氧化碳反应生成一氧化碳,因此A−F分别是碳、氧化铜、稀盐酸、碳酸钠、氢氧化钙、二氧化碳;
(1)F是二氧化碳,二氧化碳的化学式为CO2。
故填:CO2。
(2)编排完成后,若要临时添加一名成员G【Ba(OH)2】则其可排在C与D之间,是因为氢氧化钡和盐酸反应生成氯化钡和水,和碳酸钠反应生成碳酸钡沉淀和氢氧化钠。
故填:③。
(3)B(氧化铜)与C(稀盐酸)反应的化学方程式为:CuO+2HCl=CuCl2+H2O。
故填:CuO+2HCl=CuCl2+H2O。
(4)图中反应中,二氧化碳和碳反应生成一氧化碳,是化合反应,碳和氧化铜反应生成铜和二氧化碳,是置换反应,氧化铜和稀盐酸反应生成氯化铜和水,是复分解反应,没有涉及的基本反应类型为分解反应。
故填:分解反应。
碳和氧化铜在高温条件下反应生成铜和二氧化碳,氧化铜和盐酸反应生成氯化铜和水,稀盐酸和碳酸钠反应生成氯化钠、水和二氧化碳,碳酸钠和氢氧化钙反应生成碳酸钙沉淀和氢氧化钠,氢氧化钙和二氧化碳反应生成碳酸钙沉淀和水,高温条件下碳和二氧化碳反应生成一氧化碳,氢氧化钡和盐酸反应生成氯化钡和水,和碳酸钠反应生成碳酸钡沉淀和氢氧化钠。
本题主要考查物质的性质,解答时要根据各种物质的性质,结合各方面条件进行分析、判断,从而得出正确的结论。
22.【答案】锥形瓶 2KMnO4− △ K2MnO4+MnO2+O2↑ ADEGHI 集气瓶瓶口有较大气泡冒出 能 稀硫酸没有挥发性,盐酸具有挥发性
【解析】解:(1)仪器B的名称为锥形瓶。
(2)高锰酸钾在加热条件下生成锰酸钾、二氧化锰和氧气,反应的化学方程式为2KMnO4− △ K2MnO4+MnO2+O2↑。
实验室用高锰酸钾制取氧气,属于固体加热型,氧气不易溶于水,密度比空气的大,能用排水法、向上排空气法收集,应该选择上述仪器中的ADEGHI。
实验时判断氧气已收集满的依据是集气瓶瓶口有较大气泡冒出。
(3)实验室可用硫酸亚铁固体和酸反应制取硫化氢气体,属于固液常温型,利用图中的仪器和装置能制取硫化氢。
制取硫化氢时常选用稀硫酸而不用稀盐酸,是因为稀硫酸没有挥发性,盐酸具有挥发性,会使制得的气体混有氯化氢气体。
故答案为:
(1)锥形瓶;
(2)2KMnO4− △ K2MnO4+MnO2+O2↑;ADEGHI;集气瓶瓶口有较大气泡冒出;
(3)能;稀硫酸没有挥发性,盐酸具有挥发性。
(1)根据常见的化学仪器的名称,进行分析解答。
(2)高锰酸钾在加热条件下生成锰酸钾、二氧化锰和氧气,属于固体加热型,进行分析解答。
(3)根据题意,实验室可用硫酸亚铁固体和酸反应制取硫化氢气体,进行分析解答。
本题难度不大,是中考的重要考点之一,熟练掌握实验室中制取气体的反应原理、发生装置和收集装置的选择依据等是正确解答本题的关键。
23.【答案】反应物中不含有硫元素,不能生成二氧化硫 带火星的木条不能复燃 二、三、六 四 红 溶于水后各粒子间充分接触 H2O 21:16
【解析】解:【猜想与假设】
小凡认为猜想五不需要设计实验验证就可以判断是错误的,理由是反应物中不含有硫元素,不能生成二氧化硫。
故填:反应物中不含有硫元素,不能生成二氧化硫。
【实验探究】
1、带火星的木条不能复燃,说明气体不是氧气,猜想一不成立。
故填:都会多媒体不能复燃。
2、气体不能燃烧,说明气体不是氢气、一氧化碳、甲烷,是因为氢气燃烧生成水,一氧化碳燃烧生成二氧化碳,甲烷燃烧生成水和二氧化碳,猜想二、三、六不成立。
故填:二、三、六。
3、澄清石灰水变浑浊,说明气体是二氧化碳,是因为二氧化碳和氢氧化钙反应生成白色沉淀碳酸钙和水,猜想四成立。
故填:四。
【继续探究】
取少许炸弹糖,放入足量酒精中充分溶解后过滤,向滤液中滴加紫色石蕊溶液,溶液变红色,验证了柠檬酸的存在;
炸弹糖没有溶于水时并不发生反应,溶于水后迅速反应,原因是溶于水后各粒子间充分接触。
故填:红;溶于水后各粒子间充分接触。
【拓展应用】
由3NaHCO3+C6H8O7=C6H5O7Na3+3X+3CO2↑可知,反应前后钠原子都是3个,碳原子都是9个,反应前氢原子是11个,反应后应该是11个,其中6个包含在3X中,反应前氧原子是16个,反应后应该是16个,其中3个包含在3X中,则X的化学式是H2O;
反应的化学方程式及其质量关系:
3NaHCO3+C6H8O7=C6H5O7Na3+3H2O+3CO2↑,
252 192
若要使小苏打与柠檬酸的反应尽可能产生更多的二氧化碳,则“深水炸弹糖配方中小苏打与柠檬酸的最佳质量比为:252:192=21:16。
故填:H2O; 21:16。
化学反应前后元素种类不变;
氧气能使带火星的木条复燃,氢气燃烧生成水,一氧化碳燃烧生成二氧化碳,甲烷燃烧生成水和二氧化碳;
显酸性溶液能使石蕊试液变红色;
反应物接触越充分、温度越高反应速率越快;
根据反应的化学方程式及其质量关系可以进行相关方面的计算和判断。
本题主要考查物质的性质,解答时要根据各种物质的性质,结合各方面条件进行分析、判断,从而得出正确的结论。
24.【答案】氧气参加了反应 确保雷琐辛中的碳元素完全转化为CO2 2NaOH+CO2=Na2CO3+H2O 0.15 碳、氢、氧 ③④
【解析】解:【进行实验】
不能确定是否含有氧元素,理由是氧气参加了反应。
故填:氧气参加了反应。
【继续探究】
(1)如果装置A中样品不完全燃烧生成一氧化碳,加热条件下一氧化碳和氧化铜反应生成铜和二氧化碳,因此装置A中氧化铜的作用是确保雷琐辛中的碳元素完全转化为CO2。
故填:确保雷琐辛中的碳元素完全转化为CO2。
(2)实验中装置C处氢氧化钠和二氧化碳反应生成碳酸钠和水,发生反应的化学方程式为:2NaOH+CO2=Na2CO3+H2O。
故填:2NaOH+CO2=Na2CO3+H2O。
【分析与结论】
2.75g雷琐辛样品中氢元素的质量为:1.35g×218=0.15g,碳元素质量:6.6g×1244=1.8g,氧元素质量:2.75g−0.15g−1.8g=0.8g,因此雷琐辛由碳、氢、氧元素组成。
故填:碳、氢、氧。
【反思与评价】
①A装置加热前应该通入氧气,把装置中的空气排出,否则会影响实验结果,该选项说法不正确;
②B、C装置的位置不可以互换,否则不能测定反应生成水的质量,该选项说法不正确;
③如果不用E装置,空气中的水蒸气和二氧化碳能被D装置吸收,则所测得氧元素的质量会偏小,该选项说法正确;
④雷琐辛样品完全燃烧后,需再通一会儿氧气,目的是使反应生成的水蒸气和二氧化碳被完全吸收,该选项说法正确。
故填:③④。
含有碳元素的物质燃烧时可能生成一氧化碳,加热条件下一氧化碳和氧化铜反应生成铜和二氧化碳;
化学反应遵循质量守恒定律,即化学反应前后,元素的种类不变,原子的种类、总个数不变,这是书写化学方程式、判断物质的化学式、判断化学计量数、进行相关方面计算的基础。
本题主要考查物质的性质,解答时要根据各种物质的性质,结合各方面条件进行分析、判断,从而得出正确的结论。
第1页,共1页
2020年江西省中考化学逆袭卷(三)
学校:___________姓名:___________班级:___________考号:___________
一、单选题(本大题共10小题,共20.0分)
1. 下列变化属于物理变化的是( )
A. 水果榨汁 B. 粮食酿酒 C. 塑料降解 D. 盐酸除锈
2. 在物质分类中,氯气属于( )
A. 氧化物 B. 金属单质 C. 非金属单质 D. 混合物
3. 为除去某化工厂车间排放的废水中的色素,可采取的合理措施是( )
A. 静置沉淀 B. 加入明矾处理
C. 蒸馏 D. 经活性炭层吸附
4. 试管是常见的仪器,下列与试管相关的操作中,正确的是( )
A. 塞紧橡胶塞 B. 倾倒液体
C. 加热固体 D. 振荡试管
5. 火神山医院是为抗击新型冠状病毒而赶建的临时医院,但在废水处理上一点都不“临时”,铺设了3万平方米的HDPE(高密度聚乙烯)防渗膜,防止污水渗入地下。HDPE防渗膜属于( )
A. 天然材料 B. 合成材料
C. 金属材料 D. 无机非金属材料
6. 高氯酸盐主要作为火箭、导弹、焰火等的固体氧化剂等。已知高氯酸盐中氯元素显+7价,则高氯酸镁的化学式为( )
A. Mg(ClO4)2 B. Mg(ClO3)2 C. MgClO4 D. MgClO2
7. 铯原子钟是一种精密的计时器具,它的稳定程度很高,目前最好的铯原子钟达到2000万年才相差1秒。已知某种铯原子的相对原子质量为134,核外电子数为55,则该原子的中子数为( )
A. 34 B. 55 C. 79 D. 134
8. 将棉手帕放入白酒中浸湿,再用坩埚钳夹住,从下方点燃,待火焰熄灭后棉手帕依然完好。下列有关“烧不坏的棉手帕”实验的叙述正确的是( )
A. 手帕不是可燃物,不能燃烧
B. 手帕被白酒浸湿,导致着火点降低
C. 手帕接触不到氧气,不燃烧
D. 白酒中的水蒸发使手帕的温度达不到着火点
9. 如图是离子五角星示意图。五角星上每个角的阳离子与中间的阴离子R结合若不产生沉淀或气体或水,则称为共存离子对。要使共存离子对数目最大,则R应该是( )
A. OH−
B. NO3−
C. Cl−
D. CO32−
10. 下列实验方案的设计没有正确体现对比这种科学思想的是( )
A. 验证二氧化碳的密度比空气大且不支持燃烧的性质
B. 探究氧气浓度对燃烧剧烈程度的影响
C. 验证反应物间接触面积对反应速率的影响
D. 比较温度对反应速率的影响
二、填空题(本大题共9小题,共37.0分)
11. 下列属于氢氧化钠化学性质的是______
A、易潮解 B.腐蚀性 C.易溶于水 D.______
12. 下列事实的解释中合理的是______
选项
事实
解释
A
氧气和液氧都能使带火星的木条复燃
同种分子的化学性质相同
B
金刚石质硬,石墨质软
碳原子的结构不同
C
洗涤剂和汽油都能除油污
都利用了其乳化作用
D
稀盐酸与稀硫酸的化学性质相似
______
13. 向盛有一定量金属X粉末的烧杯中加入适量的硝酸铜溶液恰好完全反应,得到无色溶液和不溶物,再向烧杯中加入适量的硝酸银溶液,恰好完全反应,过滤,得到滤渣和蓝色溶液。下列分析正确的是______
A.滤渣的成分一定是铜和银 B.滤液中一定含有两种金属离子
C.向滤渣中滴入稀硫酸有气泡产生 D. X、铜、银的活动性由强到弱的顺序是______
14. 下列实验方案能达到实验目的的是______
选项
实验目的
实验方案
A
除去氧化铜中混有的少量炭粉
将混合物隔绝空气加强热
B
分离氯化钾和二氧化锰
加足量水充分溶解,过滤
C
区分棉纤维和羊毛纤维
取样,灼烧闻气味
D
鉴别硫酸铵和硝酸钙
______
15. 向氯化钙和盐酸的混合溶液中逐滴加入碳酸钠溶液并搅拌,如图图象能正确表示该过程中相关量间关系的是______
16. 江西特产品种丰富。远近闻名。请用恰当的化学用语表示下列加点部分的文字:
(1)贵溪冷水坑银矿中含有银元素______。
(2)赣南脐橙适合生长的土壤为“红壤”,“红壤”中含有氧化铝______。
(3)上栗是中国烟花爆竹发祥地。烟花燃烧产生的二氧化硫中硫元素显+4价______。
17. 2019年11月5日,第二届中国国际进口博览会在上海国家会展中心开幕。
(1)食品及农产品展区西班牙火腿、蓝鳍金枪鱼等一批来自世界各地的美食轮番亮相,火腿和金枪鱼中主要富含的营养物质是______。
(2)汽车展区氢燃料汽车、无人驾驶汽车……展示最新的汽车科技。氢燃料汽车是以氢气为燃料,从环境保护角度分析,氢气作为燃料的优点是______;液化石油气也是一种燃料,请从分子的角度分析液化石油气能被压缩在钢瓶中的原因______。
(3)品质生活展区紧贴消费热点,有变色蓝宝石、孟加拉国的黄麻制品等。黄麻纤维的主要成分是纤维素【化学式为( C6H10O3)n】,纤维素中碳、氧元素的质量比为______;变色宝石大多都含有钒、铬等元素,已知钒在元素周期表中的部分信息及原子结构示意图如图所示,其中X的值为______,钒原子在化学反应中易______(填“得到”或“失去”)电子。
18. 如表是氢氧化钠、硝酸钾和氯化钠在不同温度下的溶解度。
温度/℃
10
20
30
40
50
60
70
溶解度/g
NaOH
51
109
119
129
145
174
299
KNO3
20.9
31.6
45.8
63.9
85.5
110
138
NaCl
35.8
36.0
36.3
36.6
37.0
37.3
37.8
(1)三种物质中溶解度受温度影响最小的是______。
(2)从三种物质中选择两种进行如下实验:20℃时分别取质量为50g的两种固体于烧杯中,分别加入100g水,充分搅拌,然后升高温度至50℃,充分溶解(忽略水分蒸发),现象如图1所示,则固体乙为______,溶液④中溶质质量分数为______ (精确到0.1%)。
(3)室温(25℃)下配制氢氧化钠溶液时,观察到如图2所示现象(忽略水分蒸发),下列说法正确的是______ (用序号填空,双选)。
A.a溶液一定是饱和溶液 B.溶液的质量:a=b
C.溶质质量分数:a>b D.溶液温度:a>b
19. 某化工厂为综合利用生产过程中的副产品CaSO4,与相邻的化肥厂联合设计了以下制备(NH4)2SO4的工艺流程。
已知:二氧化碳在水中溶解度不大,且溶解较慢;氨气极易溶于水,与水反应生成氨水(NH3⋅H2O),氨水的性质与氢氧化钠相似。
(1)反应①中甲、乙分别为二氧化碳和氨气中的一种,为提高原料的利用率,应向CaSO4悬浊液中先通入______。
(2)实验室中在进行操作A时玻璃棒的作用是______。
(3)反应①的化学方程式为______。
(4)该流程中可循环利用的物质是______。
三、计算题(本大题共1小题,共10.0分)
20. 元明粉又名无水硫酸钠,常用于制造玻璃洗涤剂等,兴趣小组同学为测定某元明粉样品中硫酸钠的质量分数,设计实验流程如图(假设元明粉中只含有杂质氯化钠,忽略操作中的损耗):
(1)40.0g溶质质量分数为10.4%的氯化钡溶液中氯化钡的质量为______g。
(2)计算该样品中硫酸钠的质量分数。(结果精确到0.1% )
(3)如果样品完全溶解后,加入20.0gBaCl2溶液充分反应后,所得溶液中Na+的数目______ (填“>”、“=”或“<”)Cl−的数目。
四、推断题(本大题共1小题,共8.0分)
21. 在游园活动中,氢氧化钙、碳酸钠、碳、二氧化碳、氧化铜、稀盐酸六种物质分在一组,它们按如图方式围在一起,位置编排原则是相邻两种物质间能发生反应(图中所涉及的反应均为初中化学常见的反应),已知A为黑色固体,F常用于灭火。请回答:
(1)F的化学式为______。
(2)编排完成后,若要临时添加一名成员G【Ba(OH)2】则其可排在______(填序号)之间。
①B与C ②A与F ③C与D
(3)B与C反应的化学方程式为______。
(4)图中反应中没有涉及的基本反应类型为______。
五、探究题(本大题共3小题,共25.0分)
22. 在常见气体实验室制取的复习课中,实验桌面上摆放有下列仪器和装置,请回答相关问题:
(1)仪器B的名称为______。
(2)用高锰酸钾制取并收集一瓶氧气,反应的化学方程式为______,应该选择上述仪器中的______(填图中字母)进行组合,实验时判断氧气已收集满的依据是______。
(3)硫化氢是一种具有臭鸡蛋气味,能溶于水,密度比空气大的气体。常温下,实验室可用硫酸亚铁固体和酸反应制取硫化氢气体。利用图中的仪器和装置______(填“能”或“不能”)制取硫化氢,制取硫化氢时常选用稀硫酸而不用稀盐酸,其原因是______。
23. “深水炸弹糖”因放入水中,会在水中上下翻滚、溶解,并快速向四周放出一种无色无味的气体,给人以“炸”的感觉而深受同学们的喜爱。小凡同学对此展开如下探究。
【查阅资料】①“深水炸弹糖”的主要成分是蔗糖、小苏打、柠檬酸香精等;②蔗糖、柠檬酸、香精属于有机物,易溶于酒精;小苏打微溶于酒精。
【提出问题】炸弹糖放入水中产生的气体是什么?
【猜想与假设】猜想一:O2;猜想二:H2;猜想三:CO;猜想四:CO2;猜想五:SO2;猜想六:CH4.小凡认为猜想五不需要设计实验验证就可以判断是错误的,理由是______。
【实验探究】分别取少量炸弹糖于三支试管,加入适量水,进行如下实验,请填写表中空格。
序号
1
2
3
实验
现象
______
气体不燃烧
澄清石灰水变浑浊
结论
猜想一不成立
猜想 ______ 不成立
猜想 ______ 成立
【继续探究】取少许炸弹糖,放入足量酒精中充分溶解后过滤,向滤液中滴加紫色石蕊溶液,溶液变______色,验证了柠檬酸的存在;炸弹糖没有溶于水时并不发生反应,溶于水后迅速反应,原因是______。
【拓展应用】炸弹糖中含有的小苏打与柠檬酸(C6H8O7)发生反应的化学方程式为3NaHCO3+C6H8O7=C6H5O7Na3+3X+3CO2↑,则X的化学式______。若要使小苏打与柠檬酸的反应尽可能产生更多的二氧化碳,则“深水炸弹糖配方中小苏打与柠檬酸的最佳质量比为______(填最简整数比)。
24. 雷琐辛具有杀菌作用,可用作防腐剂,常添加于化妆品、皮肤病药物糊剂中等。某化学小组对雷琐辛的元素成分开展了如下探究:
【提出问题】雷琐辛的组成元素是什么?
【查阅资料】碱石灰是氧化钙和氢氧化钠的固体混合物,可作干燥剂。
【进行实验】小明取适量雷琐辛在氧气中燃烧,检验到生成物中只有水和二氧化碳,得出结论“雷琐辛是由碳、氢、氧三种元素组成的”。小雨认为该方案不合理,只能说明雷琐辛中一定含有碳元素和氢元素,不能确定是否含有氧元素,理由是______。
【继续探究】为进一步确定雷琐辛的元素组成,小组同学利用下列装置进行实验(固定装置省略,装置B、C、D、E中药品足量)。
(1)装置A中氧化铜的作用是______。
(2)实验中装置C处发生反应的化学方程式为______。
【数据记录】雷琐辛样品质量为2.75g,雷琐辛样品燃烧后,B装置增加的质量为1.35g,C、D装置增加的总质量为6.6g。
【分析与结论】利用上述实验数据分析与计算,2.75g雷琐辛样品中氢元素的质量为______g,雷琐辛由______(填元素名称)元素组成。
【反思与评价】关于本实验的下列说法中正确的是______(填序号,双选)。
①A装置加热前不能通入氧气,否则会影响实验结果
②B、C装置的位置可以互换
③如果不用E装置,则所测得氧元素的质量会偏小
④雷琐辛样品完全燃烧后,需再通一会儿氧气
答案和解析
1.【答案】A
【解析】解:A、水果榨汁没有新物质生成,属于物理变化;故选项正确;
B、粮食酿酒,酒精是新物质,属于化学变化;故选项错误;
C、塑料降解属于化学变化;故选项错误;
D、盐酸除锈生成氯化铁和水,属于化学变化;故选项错误;
故选:A。
有新物质生成的变化叫化学变化,粮食酿酒、塑料降解、盐酸除锈属于化学变化;没有新物质生成的变化叫物理变化。化学变化的特征是:有新物质生成。判断物理变化和化学变化的依据是:是否有新物质生成。
本考点考查了物理变化和化学变化的区别,基础性比较强,只要抓住关键点:是否有新物质生成,问题就很容易解决。本考点主要出现在选择题和填空题中。
2.【答案】C
【解析】解:氯气是由氯元素一种元素组成,属于单质,氯气属于非金属单质。
故选:C。
根据单质和化合物的区别是:是否由一种元素组成,单质分为金属单质和非金属单质回答本题。
解答本题关键是熟悉物质的分类。
3.【答案】D
【解析】解:A.静置沉淀只能除去水中较大的难溶性杂质,但不能除去色素,不合题意;
B.加入明矾后,明矾溶于水会吸附水中的悬浮杂质而加速其沉降,但不能除去色素,不合题意;
C.蒸馏可以除去水中的所有杂质,但是操作起来较繁琐,不合题意;
D.活性炭具有吸附性,可以除去水中的色素,符合题意。
故选:D。
根据净化水的方法与原理来分析解答。
要想解答好这类题目,首先,要熟记水的净化方法、原理和相关操作等。然后结合实验情景和问题情景,细致地分析题意和实验信息,并根据所学的相关知识,选择好净化的方法,进行净化实验操作,或者是通过细心地思考、探究,来解答相关的实际问题等。
4.【答案】C
【解析】解:A、把橡皮塞慢慢转动着塞进试管口,切不可把试管放在桌上在使劲塞进塞子,以免压破试管,图中所示操作错误。
B、向试管中倾倒液体药品时,瓶塞要倒放,标签要对准手心,瓶口紧挨;图中瓶塞没有倒放,所示操作错误。
C、给试管中的固体加热时,为防止冷凝水回流到热的试管底部,试管口应略向下倾斜,图中所示操作正确。
D、振荡试管时,振荡试管中的液体的正确方法是手指拿住试管,用手腕的力量左右摆动,而不是手指拿住试管上下晃动,图中所示操作错误。
故选:C。
A、根据把橡皮塞塞进试管口的方法进行分析判断。
B、根据向试管中倾倒液体药品的方法进行分析判断。
C、根据给试管中的固体加热的方法进行分析判断。
D、根据振荡试管时的方法进行分析判断。
本题难度不大,熟悉各种仪器的用途及使用注意事项、常见化学实验基本操作的注意事项是解答此类试题的关键。
5.【答案】B
【解析】解:HDPE(高密度聚乙烯)是一种塑料,属于合成材料。
故选:B。
根据材料的分类来分析,合成材料包括塑料、合成纤维和合成纤维。
本题难度不大,掌握合成材料的三大特征(有机物、合成、高分子化合物)、分类是正确解答此类题的关键所在。
6.【答案】A
【解析】解:化合物中镁元素、氧元素的化合价分别为+2和−2,根据化合物中各种元素化合价的代数和为0,可计算出化合物中氯元素的化合价:
A、Mg(ClO4)2中氯元素的化合价为:+7,故选项正确;
B、Mg(ClO3)2中氯元素的化合价为:+5,故选项错误;
C、MgClO4中氯元素的化合价为:+5,故选项错误;
D、MgClO2中氯元素的化合价为:+2,故选项错误。
故选:A。
根据化合物中各种元素化合价的代数和为0进行分析判断。
本题难度较小,解题的关键是认识化合物中各种元素化合价的代数和为0以及应用。
7.【答案】C
【解析】解:某种铯原子的相对原子质量为134,核外电子数为55,则该原子的中子数为134−55=79,
故选:C。
根据核内质子数=核电荷数=原子序数=核外电子=相对原子质量−核内中子数解答即可。
此题考查原子的有关数量计算,关键是根据核内质子数=核电荷数=原子序数=核外电子=相对原子质量−核内中子数解答。
8.【答案】D
【解析】解:A.用坩埚钳夹住,从下方点燃,待火焰熄灭后,布手帕依然完好,是因为手帕上的水汽化吸热,使手帕的温度低于手帕的着火点;而不是手帕不可燃物,故选项说法错误。
B.用坩埚钳夹住,从下方点燃,待火焰熄灭后,布手帕依然完好,是因为手帕上的水汽化吸热,使手帕的温度低于手帕的着火点;而不是布手帕被白酒浸湿、导致着火点降低,故选项说法错误。
C.用坩埚钳夹住,从下方点燃,待火焰熄灭后,布手帕依然完好,是因为手帕上的水汽化吸热,使手帕的温度低于手帕的着火点;而不是接触不到氧气,布手帕不会燃烧,故选项说法错误。
D.用坩埚钳夹住,从下方点燃,待火焰熄灭后,布手帕依然完好,是因为手帕上的水汽化吸热,使温度低于手帕的着火点,故选项说法正确。
故选:D。
根据燃烧的条件(燃烧需要同时满足三个条件:①可燃物、②氧气或空气、③温度要达到着火点),进行分析解答本题。
本题难度不大,考查燃烧的条件,掌握燃烧的条件并能灵活运用是正确解答本题的关键。
9.【答案】B
【解析】解:A、OH−与Mg2+能结合成氢氧化镁沉淀,OH−与NH4+能结合成氨气和水,不能大量共存。
B、NO3−与五角星上每个角的阳离子不能结合成沉淀、气体或水,能大量共存。
C、Cl−、Ag+两种离子能结合成氯化银沉淀,不能大量共存。
D、碳酸根离子与银离子、钙离子和镁离子均能结合成沉淀,不能大量共存。
故选:B。
根据题意,五角星上每个角的阳离子与中间的阴离子R结合若不产生沉淀或气体或水,则称为共存离子对,据此结合复分解反应的条件,离子间若能互相结合成沉淀、气体或水,则离子不能共存,据此进行分析判断即可。
本题考查了离子共存的问题,判断各离子在溶液中能否共存,主要看溶液中的各离子之间能否发生反应生成沉淀、气体、水。
10.【答案】D
【解析】解:A、图中实验,放在下端管口的燃着的小木条很快熄灭,放在上端管口的燃着的小木条熄灭的慢,说明二氧化碳的密度比空气大且支持燃烧,故选项实验方案正确体现对比这种科学思想。
B、根据硫粉在空气和氧气燃烧的现象,可以探究氧气浓度对燃烧剧烈程度的影响,故选项实验方案正确体现对比这种科学思想。
C、根据等质量的块状石灰石与粉末状的石灰石与相同的稀盐酸反应的速率快慢,可验证反应物间接触面积对反应速率的影响,故选项实验方案正确体现对比这种科学思想。
D、图中实验,过氧化氢溶液的浓度不同,不能比较温度对反应速率的影响,故选项实验方案没有正确体现对比这种科学思想。
故选:D。
对比实验是为了探究某一因素对实验的影响,而运用控制变量法进行对比实验的探究方法;解答时要根据实验目的分清实验中的定量和变量,其他条件相同且只有一个变量,出现不同的现象,才能达到对比实验的目的。
本题难度不大,设计实验时要掌握其原理和区别,掌握对比实验的关键是必须至少有一组作为对照是正确解答本题的关键。
11.【答案】B 能与酸反应
【解析】解:A、氢氧化钠易潮解,说明容易吸收水蒸气,不需要通过化学变化表现出来,是物理性质;
B、氢氧化钠具有腐蚀性需要通过化学变化表现出来,是化学性质;
C、溶解性不需要通过化学变化表现出来,是物理性质;
D、氢氧化钠能和酸反应生成盐和水,需要通过化学变化表现出来,是化学性质。
故填:B;能与酸反应。
氢氧化钠能够吸收水蒸气,具有腐蚀性,易溶于水,能和酸反应生成盐和水。
本题主要考查物质的性质,解答时要根据各种物质的性质,结合各方面条件进行分析、判断,从而得出正确的结论。
12.【答案】A 在水溶液中电离出的阳离子都是氢离子
【解析】解:A、氧气和液氧都能使带火星的木条复燃,是因为同种分子的化学性质相同,该选项说法正确;
B、金刚石质硬,石墨质软,是因为碳原子的排列方式不同,该选项说法不正确;
C、洗涤剂和汽油都能除油污,是因为洗涤剂能够乳化油污,汽油能够溶解油污,该选项说法不正确;
D、稀盐酸与稀硫酸的化学性质相似,是因为在水溶液中电离出的阳离子都是氢离子。
故填:A;在水溶液中电离出的阳离子都是氢离子。
相同的分子化学性质相同;
金刚石中的碳原子是正四面体结构,石墨中的碳原子是正六边形结构;
洗涤剂能够乳化油污,汽油能够溶解油污;
酸溶液化学性质相似,是因为溶液中都含有氢离子。
本题主要考查物质的性质,解答时要根据各种物质的性质,结合各方面条件进行分析、判断,从而得出正确的结论。
13.【答案】B X>铜>银
【解析】解:向盛有一定量金属X粉末的烧杯中加入适量的硝酸铜溶液恰好完全反应,得到无色溶液(X的硝酸盐)和不溶物(铜),再向烧杯中加入适量的硝酸银溶液,恰好完全反应生成硝酸铜和银,过滤,得到滤渣(银)和蓝色溶液(硝酸铜和含有X的硝酸盐的混合溶液);
A、滤渣的成分是银,该选项说法不正确;
B、滤液中一定含有两种金属离子,即X和铜的金属离子,该选项说法正确;
C、向滤渣中滴入稀硫酸,由于稀硫酸不能和银反应,没有气泡产生,该选项说法不正确;
D X能和硝酸铜反应,说明X比铜活泼,铜和硝酸银反应,说明铜比银活泼,X、铜、银的活动性由强到弱的顺序是X>铜>银。
故填:X>铜>银。
金属活动性顺序中,排在氢前面的金属,能和稀盐酸或稀硫酸反应生成盐和氢气,排在前面的金属,能把排在后面的金属从它的盐溶液中置换出来。
要会利用金属活动顺序表分析实验,氢前边的金属会与稀硫酸、盐酸反应,但氢后边的金属不会与稀硫酸、盐酸反应,前边的金属会把后边的金属从其盐溶液中置换出来。
14.【答案】C 取样,分别与熟石灰混合研磨,闻气味
【解析】解:A、将混合物隔绝空气加强热,碳能与氧化铜反应生成铜和二氧化碳,不但能把杂质除去,也会把原物质除去,不符合除杂原则,故选项实验方案不能达到实验目的。
B、KCl易溶于水,MnO2难溶于水,可采取加水溶解、过滤、蒸发的方法进行分离,故选项实验方案不能达到实验目的。
C、取样,灼烧闻气味,产生烧焦羽毛气味的是羊毛纤维,产生烧纸气味的是棉纤维,可以鉴别,故选项实验方案能达到实验目的。
D、硫酸铵属于铵态氮肥,与熟石灰混合研磨放出有刺激性气味的气体,硝酸钙不能,可取样,分别与熟石灰混合研磨,闻气味(合理即可)。
故答案为:
C;取样,分别与熟石灰混合研磨,闻气味(合理即可)
A、除杂质题至少要满足两个条件:①加入的试剂只能与杂质反应,不能与原物质反应;②反应后不能引入新的杂质。
B、根据氯化钾和二氧化锰的溶解性,进行分析判断。
C、根据羊毛纤维的主要成分是蛋白质,进行分析判断。
D、铵态氮肥与碱性物质混合研磨后能放出有刺激性气味的气体,进行分析判断。
本题难度不是很大,化学实验方案的设计是考查学生能力的主要类型,同时也是实验教与学难点,在具体解题时要对其原理透彻理解,可根据物质的物理性质和化学性质结合实验目的进行分析判断。
15.【答案】C;氯化钠(或二氧化碳)
【解析】解:A、盐酸和氯化钙的混合溶液呈酸性,当加入碳酸钠后,碳酸钠首先与盐酸反应,当盐酸全部消耗尽,碳酸钠与氯化钙反应生成碳酸钙沉淀和氯化钠,溶液质量会减小,反应完毕,继续加入碳酸钠,则溶液质量增加,不是一直增加,故选项对应关系错误。
B、碳酸钠和盐酸、氯化钙都能反应,但有盐酸和碳酸钙沉淀也能反应生成氯化钙、水和二氧化碳,相当于碳酸钠先和稀盐酸反应,当盐酸全部反应后再和氯化钙反应,该选项对应关系错误;
C、向盛有一定量的氯化钙与盐酸混合溶液的烧杯中逐滴加入碳酸钠溶液至过量时,碳酸钠先和稀盐酸反应生成氯化钠、水和二氧化碳,随着反应的进行,溶液的酸性减弱,pH升高,当恰好完全反应时,溶液显中性,pH=7,后和氯化钙反应生成碳酸钙沉淀和氯化钠,反应过程中溶液酸碱性不变,完全反应后,继续加入碳酸钠溶液时,溶液显碱性,pH升高,该选项对应关系正确;
D、该反应过程中碳酸钠放入溶液中会先于盐酸反应,产生二氧化碳气体,直至盐酸完全反应;氯化钠的质量不断增加至氯化钙和盐酸反应完全。
故答案为:C;氯化钠( 或二氧化碳)。
A、根据当加入碳酸钠后,碳酸钠首先与盐酸反应,当盐酸全部消耗尽,碳酸钠与氯化钙反应生成碳酸钙沉淀和氯化钠,溶液质量会减小,反应完毕,继续加入碳酸钠,则溶液质量增加分析;
B、根据碳酸钠和盐酸、氯化钙都能反应,但有盐酸和碳酸钙沉淀也能反应生成氯化钙、水和二氧化碳,相当于碳酸钠先和稀盐酸反应,当盐酸全部反应后再和碳酸钠反应分析;
C、向盛有一定量的氯化钙与盐酸混合溶液的烧杯中逐滴加入碳酸钠溶液至过量时,碳酸钠先和稀盐酸反应生成氯化钠、水和二氧化碳,随着反应的进行,溶液的酸性减弱,pH升高,当恰好完全反应时,溶液显中性,pH=7,后和氯化钙反应生成碳酸钙沉淀和氯化钠,反应过程中溶液酸碱性不变,完全反应后,继续加入碳酸钠溶液时,溶液显碱性,pH升高;
D、根据反应原理分析。
本题是结合数学图象的分析题,注重了学科间的联系,抓住转折点是解答这类题目的关键。
16.【答案】Ag Al2O3 S+4O2
【解析】解:(1)书写元素符号注意“一大二小”,银的元素符号是Ag。
(2)氧化铝中铝元素显+3价,氧元素显−2价,其化学式为:Al2O3。
(3)二氧化硫中硫元素显+4价;由化合价的表示方法,在该元素的上方用正负号和数字表示,正负号在前,数字在后,故二氧化硫中硫元素显+4价可表示为:S+4O2。
故答案为:
(1)Ag;
(2)A2O3;
(3)S+4O2。
(1)书写元素符号时应注意:①有一个字母表示的元素符号要大写;②由两个字母表示的元素符号,第一个字母大写,第二个字母小写。
(2)氧化铝中铝元素显+3价,氧元素显−2价,写出其化学式即可。
(3)化合价的表示方法,在该元素的上方用正负号和数字表示,正负号在前,数字在后。
本题难度不大,掌握常见化学用语(元素符号、化学式、化合价等)的书写方法、离子符号与化合价表示方法的区别等是正确解答此类题的关键。
17.【答案】蛋白质 无污染 分子间有间隔 3:2 23 失去
【解析】解:(1)火腿和金枪鱼中主要富含的营养物质是蛋白质;故填:蛋白质;
(2)氢气燃烧只生成水,不会对环境造成任何污染;分子间存在着间隔,增大压强时,分子间隔变小,所以液化石油气能被压缩在钢瓶中;故填:无汚染;分子间有间隔;
(3)纤维素【化学式为( C6H10O3)n】中碳、氧元素的质量比为:(12×6n):(16×3n)=3:2;原子序数=核电荷数=质子数,所以X为23,由原子结构示意图可知,钒原子的最外层有2个电子,在化学反应中易失去电子;故填:3:2;23;失去。
(1)根据食物中富含的营养素来分析;
(2)根据氢气燃烧的产物以及分子的性质来分析;
(3)根据化合物中元素质量比的计算方法、原子结构以及最外层电子数来分析。
本题难度不大,灵活运用元素周期表中元素的信息(原子序数、元素符号、元素名称、相对原子质量)、原子结构示意图的含义是正确解答本题的关键。
18.【答案】氯化钠(或NaCl) 硝酸钾(或KNO3) 33.3% CD
【解析】解:(1)由表格中的数据可知,三种物质中溶解度受温度影响最小的是氯化钠;故填:氯化钠(或NaCl);
(2)20℃时分别取质量为50g的两种固体于烧杯中,分别加入100g水,充分搅拌,如图①、②所示,都未完全溶解,且①中剩余的晶体少于②中剩余的晶体,由此可知,①中放入的是硝酸钾,②中加入的是氯化钠;升高温度至50℃,④中的固体完全溶解,所以该溶液中溶质的质量分数为50g50g+100g×100%≈33.3%;故填:硝酸钾(或KNO3);33.3%;
(3)氢氧化钠固体溶于水时,温度升高,所以氢氧化钠的溶解度增大。完全溶解降至室温后,溶解度又变小。
A.a溶液中氢氧化钠全部溶解,没有晶体存在,无法确定溶液的状态,说法错误;
B.a中氢氧化钠全部溶解,而b中未全部溶解,所得溶液的质量一定不相等,说法错误;
C.a、b中的溶剂的量相等,但是所溶解的氢氧化钠的量a中大于b,所以溶质质量分数:a>b,说法正确;
D.氢氧化钠固体溶于水时温度升高,氢氧化钠的溶解度增大,降温后,氢氧化钠的溶解度减小,晶体析出,由图可知,溶液温度:a>b,说法正确。
故填:CD。
(1)根据表格中的数据来分析;
(2)根据不同温度下三种物质的溶解度、受温度的影响以及溶质质量分数的计算方法来分析;
(3)根据氢氧化钠溶于水放热以及溶解度来分析。
本题难度不是很大,主要考查了固体的溶解度所表示的意义、受温度的影响情况,及根据固体的溶解度曲线来解决相关的问题,从而培养分析问题、解决问题的能力。
19.【答案】氨气 引流 CaSO4+2NH3+CO2+H2O=(NH4)2SO4+CaCO3↓ 二氧化碳
【解析】解:(1)根据题目信息氨气极易溶于水,且与氢氧化钠性质相似,说明可以与二氧化碳反应,因此可以先通入氨气,然后在通入二氧化碳,提高二氧化碳溶解度,利于氨水与二氧化碳、硫酸钙反应;
故答案为:氨气。
(2)过滤中为了避免滤液溅出,需要玻璃棒引流,帮助过滤;
故答案为:引流。
(3)反应物可以看到有氨气、二氧化碳、硫酸钙,生成物为硫酸铵和碳酸钙,根据质量守恒定律可以推测反应物还有水,因此是硫酸钙、氨气、二氧化碳和水反应生成硫酸铵和碳酸钙沉淀,据此书写化学方程式;
故答案为:CaSO4+2NH3+CO2+H2O=(NH4)2SO4+CaCO3↓。
(4)二氧化碳在开始反应时通入作为反应物,在碳酸钙高温分解时作为产物生成,因此可以被循环使用;
故答案为:二氧化碳。
(1)根据质量守恒定律团推断加入的气体;
(2)回忆过滤操作步骤及注意事项,回答玻璃棒作用;
(3)根据反应物和生成物名称书写化学方程式;
(4)根据流程中出现物质名称,找到可以循环使用的物质。
根据已有知识,在情景相似的情况下,进行知识地大胆迁移,是解决新问题的一种重要方法。
20.【答案】4.16 >
【解析】解:(1)氯化钡的质量为:40.0g×10.4%=4.16g;
(2)设样品中硫酸钠的质量为x
Na2SO4+BaCl2=BaSO4↓+2NaCl
142 208
x 4.16g
142208=x4.16g 解得:x=2.84 g
样品中硫酸钠的质量分数为2.84g3.0gx×100%=94.7%。
答:样品中硫酸钠的质量分数约为94.7%。
(3)由题意可知,如果样品完全溶解后,加入400gBaCl2溶液恰好,这是钠离子与氯离子的数目相同,若加入20.0gBaCl2溶液充分反应后,有剩余的硫酸钠,所得溶液中Na+的数目>Cl−的数目。
故答案为:(1)4.16。
(2)94.7%。
(3)>。
(1)根据溶质质量分数的计算公式计算;
(2)根据氯化钡的质量及反应的方程式可计算出样品中硫酸钠的质量,即可计算出质量分数;
(3)根据恰好反应的氯化钡的质量分析。
本题主要考查了溶质质量分数和化学方程式的计算,难度不大,熟悉盐的性质是解答本题的基础。
21.【答案】CO2 ③ CuO+2HCl=CuCl2+H2O 分解反应
【解析】解:碳和氧化铜在高温条件下反应生成铜和二氧化碳,氧化铜和盐酸反应生成氯化铜和水,稀盐酸和碳酸钠反应生成氯化钠、水和二氧化碳,碳酸钠和氢氧化钙反应生成碳酸钙沉淀和氢氧化钠,氢氧化钙和二氧化碳反应生成碳酸钙沉淀和水,高温条件下碳和二氧化碳反应生成一氧化碳,因此A−F分别是碳、氧化铜、稀盐酸、碳酸钠、氢氧化钙、二氧化碳;
(1)F是二氧化碳,二氧化碳的化学式为CO2。
故填:CO2。
(2)编排完成后,若要临时添加一名成员G【Ba(OH)2】则其可排在C与D之间,是因为氢氧化钡和盐酸反应生成氯化钡和水,和碳酸钠反应生成碳酸钡沉淀和氢氧化钠。
故填:③。
(3)B(氧化铜)与C(稀盐酸)反应的化学方程式为:CuO+2HCl=CuCl2+H2O。
故填:CuO+2HCl=CuCl2+H2O。
(4)图中反应中,二氧化碳和碳反应生成一氧化碳,是化合反应,碳和氧化铜反应生成铜和二氧化碳,是置换反应,氧化铜和稀盐酸反应生成氯化铜和水,是复分解反应,没有涉及的基本反应类型为分解反应。
故填:分解反应。
碳和氧化铜在高温条件下反应生成铜和二氧化碳,氧化铜和盐酸反应生成氯化铜和水,稀盐酸和碳酸钠反应生成氯化钠、水和二氧化碳,碳酸钠和氢氧化钙反应生成碳酸钙沉淀和氢氧化钠,氢氧化钙和二氧化碳反应生成碳酸钙沉淀和水,高温条件下碳和二氧化碳反应生成一氧化碳,氢氧化钡和盐酸反应生成氯化钡和水,和碳酸钠反应生成碳酸钡沉淀和氢氧化钠。
本题主要考查物质的性质,解答时要根据各种物质的性质,结合各方面条件进行分析、判断,从而得出正确的结论。
22.【答案】锥形瓶 2KMnO4− △ K2MnO4+MnO2+O2↑ ADEGHI 集气瓶瓶口有较大气泡冒出 能 稀硫酸没有挥发性,盐酸具有挥发性
【解析】解:(1)仪器B的名称为锥形瓶。
(2)高锰酸钾在加热条件下生成锰酸钾、二氧化锰和氧气,反应的化学方程式为2KMnO4− △ K2MnO4+MnO2+O2↑。
实验室用高锰酸钾制取氧气,属于固体加热型,氧气不易溶于水,密度比空气的大,能用排水法、向上排空气法收集,应该选择上述仪器中的ADEGHI。
实验时判断氧气已收集满的依据是集气瓶瓶口有较大气泡冒出。
(3)实验室可用硫酸亚铁固体和酸反应制取硫化氢气体,属于固液常温型,利用图中的仪器和装置能制取硫化氢。
制取硫化氢时常选用稀硫酸而不用稀盐酸,是因为稀硫酸没有挥发性,盐酸具有挥发性,会使制得的气体混有氯化氢气体。
故答案为:
(1)锥形瓶;
(2)2KMnO4− △ K2MnO4+MnO2+O2↑;ADEGHI;集气瓶瓶口有较大气泡冒出;
(3)能;稀硫酸没有挥发性,盐酸具有挥发性。
(1)根据常见的化学仪器的名称,进行分析解答。
(2)高锰酸钾在加热条件下生成锰酸钾、二氧化锰和氧气,属于固体加热型,进行分析解答。
(3)根据题意,实验室可用硫酸亚铁固体和酸反应制取硫化氢气体,进行分析解答。
本题难度不大,是中考的重要考点之一,熟练掌握实验室中制取气体的反应原理、发生装置和收集装置的选择依据等是正确解答本题的关键。
23.【答案】反应物中不含有硫元素,不能生成二氧化硫 带火星的木条不能复燃 二、三、六 四 红 溶于水后各粒子间充分接触 H2O 21:16
【解析】解:【猜想与假设】
小凡认为猜想五不需要设计实验验证就可以判断是错误的,理由是反应物中不含有硫元素,不能生成二氧化硫。
故填:反应物中不含有硫元素,不能生成二氧化硫。
【实验探究】
1、带火星的木条不能复燃,说明气体不是氧气,猜想一不成立。
故填:都会多媒体不能复燃。
2、气体不能燃烧,说明气体不是氢气、一氧化碳、甲烷,是因为氢气燃烧生成水,一氧化碳燃烧生成二氧化碳,甲烷燃烧生成水和二氧化碳,猜想二、三、六不成立。
故填:二、三、六。
3、澄清石灰水变浑浊,说明气体是二氧化碳,是因为二氧化碳和氢氧化钙反应生成白色沉淀碳酸钙和水,猜想四成立。
故填:四。
【继续探究】
取少许炸弹糖,放入足量酒精中充分溶解后过滤,向滤液中滴加紫色石蕊溶液,溶液变红色,验证了柠檬酸的存在;
炸弹糖没有溶于水时并不发生反应,溶于水后迅速反应,原因是溶于水后各粒子间充分接触。
故填:红;溶于水后各粒子间充分接触。
【拓展应用】
由3NaHCO3+C6H8O7=C6H5O7Na3+3X+3CO2↑可知,反应前后钠原子都是3个,碳原子都是9个,反应前氢原子是11个,反应后应该是11个,其中6个包含在3X中,反应前氧原子是16个,反应后应该是16个,其中3个包含在3X中,则X的化学式是H2O;
反应的化学方程式及其质量关系:
3NaHCO3+C6H8O7=C6H5O7Na3+3H2O+3CO2↑,
252 192
若要使小苏打与柠檬酸的反应尽可能产生更多的二氧化碳,则“深水炸弹糖配方中小苏打与柠檬酸的最佳质量比为:252:192=21:16。
故填:H2O; 21:16。
化学反应前后元素种类不变;
氧气能使带火星的木条复燃,氢气燃烧生成水,一氧化碳燃烧生成二氧化碳,甲烷燃烧生成水和二氧化碳;
显酸性溶液能使石蕊试液变红色;
反应物接触越充分、温度越高反应速率越快;
根据反应的化学方程式及其质量关系可以进行相关方面的计算和判断。
本题主要考查物质的性质,解答时要根据各种物质的性质,结合各方面条件进行分析、判断,从而得出正确的结论。
24.【答案】氧气参加了反应 确保雷琐辛中的碳元素完全转化为CO2 2NaOH+CO2=Na2CO3+H2O 0.15 碳、氢、氧 ③④
【解析】解:【进行实验】
不能确定是否含有氧元素,理由是氧气参加了反应。
故填:氧气参加了反应。
【继续探究】
(1)如果装置A中样品不完全燃烧生成一氧化碳,加热条件下一氧化碳和氧化铜反应生成铜和二氧化碳,因此装置A中氧化铜的作用是确保雷琐辛中的碳元素完全转化为CO2。
故填:确保雷琐辛中的碳元素完全转化为CO2。
(2)实验中装置C处氢氧化钠和二氧化碳反应生成碳酸钠和水,发生反应的化学方程式为:2NaOH+CO2=Na2CO3+H2O。
故填:2NaOH+CO2=Na2CO3+H2O。
【分析与结论】
2.75g雷琐辛样品中氢元素的质量为:1.35g×218=0.15g,碳元素质量:6.6g×1244=1.8g,氧元素质量:2.75g−0.15g−1.8g=0.8g,因此雷琐辛由碳、氢、氧元素组成。
故填:碳、氢、氧。
【反思与评价】
①A装置加热前应该通入氧气,把装置中的空气排出,否则会影响实验结果,该选项说法不正确;
②B、C装置的位置不可以互换,否则不能测定反应生成水的质量,该选项说法不正确;
③如果不用E装置,空气中的水蒸气和二氧化碳能被D装置吸收,则所测得氧元素的质量会偏小,该选项说法正确;
④雷琐辛样品完全燃烧后,需再通一会儿氧气,目的是使反应生成的水蒸气和二氧化碳被完全吸收,该选项说法正确。
故填:③④。
含有碳元素的物质燃烧时可能生成一氧化碳,加热条件下一氧化碳和氧化铜反应生成铜和二氧化碳;
化学反应遵循质量守恒定律,即化学反应前后,元素的种类不变,原子的种类、总个数不变,这是书写化学方程式、判断物质的化学式、判断化学计量数、进行相关方面计算的基础。
本题主要考查物质的性质,解答时要根据各种物质的性质,结合各方面条件进行分析、判断,从而得出正确的结论。
第1页,共1页
相关资料
更多

