搜索
      上传资料 赚现金

      浙江省天域全国名校协作体2026届高三上学期10月联考(一模)通用技术试卷(Word版附解析)

      • 1.87 MB
      • 2025-10-30 20:42:25
      • 97
      • 0
      • 教习网3275309
      加入资料篮
      立即下载
      查看完整配套(共2份)
      包含资料(2份) 收起列表
      原卷
      浙江省天域全国名校协作体2026届高三上学期10月月考技术试题-高中通用技术(原卷版).docx
      预览
      解析
      浙江省天域全国名校协作体2026届高三上学期10月月考技术试题-高中通用技术 Word版含解析.docx
      预览
      正在预览:浙江省天域全国名校协作体2026届高三上学期10月月考技术试题-高中通用技术(原卷版).docx
      浙江省天域全国名校协作体2026届高三上学期10月月考技术试题-高中通用技术(原卷版)第1页
      高清全屏预览
      1/7
      浙江省天域全国名校协作体2026届高三上学期10月月考技术试题-高中通用技术(原卷版)第2页
      高清全屏预览
      2/7
      浙江省天域全国名校协作体2026届高三上学期10月月考技术试题-高中通用技术(原卷版)第3页
      高清全屏预览
      3/7
      浙江省天域全国名校协作体2026届高三上学期10月月考技术试题-高中通用技术 Word版含解析第1页
      高清全屏预览
      1/11
      浙江省天域全国名校协作体2026届高三上学期10月月考技术试题-高中通用技术 Word版含解析第2页
      高清全屏预览
      2/11
      浙江省天域全国名校协作体2026届高三上学期10月月考技术试题-高中通用技术 Word版含解析第3页
      高清全屏预览
      3/11
      还剩4页未读, 继续阅读

      浙江省天域全国名校协作体2026届高三上学期10月联考(一模)通用技术试卷(Word版附解析)

      展开

      这是一份浙江省天域全国名校协作体2026届高三上学期10月联考(一模)通用技术试卷(Word版附解析),文件包含浙江省天域全国名校协作体2026届高三上学期10月月考技术试题-高中通用技术原卷版docx、浙江省天域全国名校协作体2026届高三上学期10月月考技术试题-高中通用技术Word版含解析docx等2份试卷配套教学资源,其中试卷共18页, 欢迎下载使用。
      考生须知:
      1.本卷共13页满分100分,考试时间90分钟。
      2.答题前,在答题卷指定区域填写班级、姓名、考场号、座位号及准考证号并填涂相应数字。
      3.所有答案必须写在答题纸上,写在试卷上无效。
      4.考试结束后,只需上交答题纸。
      第二部分 通用技术(50分)
      一、选择题(本大题共12小题,每小题2分,共24分。每小题列出的四个备选项中只有一个是符合题目要求的,不选、多选、错选均不得分)
      1. 雅鲁藏布江下游水电工程是规划中的超大型清洁能源项目。下列关于该工程的说法中,不恰当的是( )
      A. 旨在开发可再生水电资源,减少碳排放,同时推动西藏经济发展,体现了技术的目的性
      B. 总投资约1.2万亿元人民币,规划装机容量6000万千瓦时,体现了技术的复杂性
      C. 该工程中研发了特种施工设备、高抗冻混凝土配方等关键技术,体现了技术的创新性
      D. 整合高原施工、生态修复等核心技术,体现了技术发展的同时注重环境保护
      【答案】B
      【解析】
      【详解】抱歉,这道题目暂时还没有解析内容,感谢您的理解与支持!
      2. 如图所示是一款便携式七孔可折叠衣架,下列对该衣架的分析与评价中不恰当的是( )
      A. 该衣架可悬挂多件衣服,符合设计的实用原则
      B. 该衣架推出了多款马卡龙色系的搭配,柔和清新,体现了人机关系的心理需求
      C. 支撑板上下可调,适应抽屉、杆子、椅背等多处悬挂使用,主要从“物”的角度考虑的
      D. 多处采用伸缩、转动结构,折叠时体积小巧方便携带,说明功能实现需要相应结构来保证
      【答案】C
      【解析】
      【详解】A、B、D 三项评价都与高中“通用技术”中对产品的功能性、人‐机‐环境关系(包括心理需求)以及结构与功能的对应分析相吻合,评价合理。选项 C 所谓“主要从‘物’的角度考虑”并不恰当:支撑板的上下可调是为了适应不同使用环境(如抽屉、杆子或椅背等),其实更多是从“人‐环境”的角度出发,以方便使用者在多种场合下悬挂衣物。因此 C 的表述不符合常规的人机与环境分析,属于不恰当的评价。故选C。
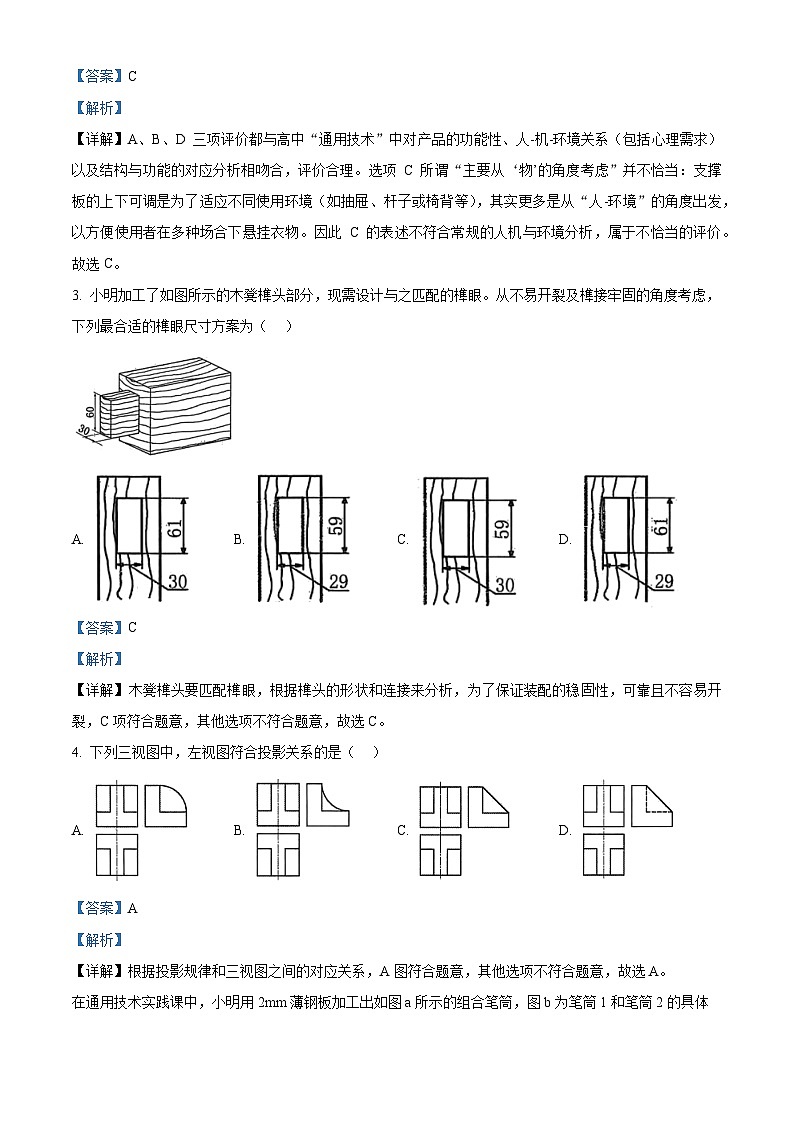
      3. 小明加工了如图所示的木凳榫头部分,现需设计与之匹配的榫眼。从不易开裂及榫接牢固的角度考虑,下列最合适的榫眼尺寸方案为( )
      A. B. C. D.
      【答案】C
      【解析】
      【详解】木凳榫头要匹配榫眼,根据榫头的形状和连接来分析,为了保证装配的稳固性,可靠且不容易开裂,C项符合题意,其他选项不符合题意,故选C。
      4. 下列三视图中,左视图符合投影关系的是( )
      A. B. C. D.
      【答案】A
      【解析】
      【详解】根据投影规律和三视图之间的对应关系,A图符合题意,其他选项不符合题意,故选A。
      在通用技术实践课中,小明用2mm薄钢板加工出如图a所示的组合笔筒,图b为笔筒1和笔筒2的具体结构以及配套的底板。请根据题图及其描述完成下面小题。
      5. 下列分析中合理的是( )
      A. 底板1和底板2的尺寸均为120mm×100mm
      B. 加工笔筒1扣槽的孔和笔筒2平头螺钉的安装孔时,可以用同一个麻花钻头
      C 钢板弯折时应用平口钳可靠夹持,并用木锤向弯折方向敲击
      D. 焊接钢板不能使用电烙铁,需要借用其他的设备
      6. 下列流程的分析中,不合理的是( )
      A. 笔筒1底板衬托的加工流程可以为:划线→锯割→锉削→弯折
      B. 笔筒1扣槽的加工流程可以为:划线→钻孔→锯割→锉削
      C. 笔简的表面处理流程可以为:锉刀锉削→砂纸打磨→喷漆
      D. 笔筒的安装流程可以为:拧平头螺钉→平头螺钉插入扣槽→安装底板1和底板2
      【答案】5. D 6. A
      【解析】
      【详解】1.A 底板 1 和底板 2 不一定都做成 120 mm×100 mm;B 扣槽的钻孔和平头螺钉装配孔往往所需孔径不同,不能用同一个钻头;C 用平口钳夹紧并用木锤敲击可行,但D “用电烙铁无法焊接钢板,需要其它焊接设备”是正确的判断,故选 D。
      2.笔筒1底板衬托的加工流程错误,笔筒1扣槽的加工流程正确,笔简的表面处理流程正确,笔筒的安装流程正确,不合理的只有A,故选A。
      7. 如图所示是一款夹紧机构,转动手柄带动丝杆转动,使楔块在机座滑槽上向左滑动,摆杆摆动压紧工件。楔块向右移动时,在弹簧复位作用下,摆杆松开工件。在压紧工件的过程中,下列对各构件的受力分析合理的是( )
      A. 丝杆受扭转及受拉B. 弹簧受压C. 摆杆受压D. 手柄受扭转
      【答案】B
      【解析】
      【详解】手柄顺时针旋转带动丝杆转动,丝杆对楔块施加扭矩并沿轴向推压楔块(实际受扭转和压缩而非拉伸);楔块推动摆杆压紧工件时,摆杆主要受转轴支承并产生弯曲作用,不是单纯的“受压”;而用于复位的弹簧被楔块与摆杆“挤短”,故处于受压状态;,弹簧受压(B)是正确的受力分析,其他选项分析不合理,故选B。
      如图所示的自动上水烧水壶,烧水壶主要由水位控制子系统和温度控制子系统组成,水位控制子系统主要由壶体、水泵、底座、控制电路板等元件组成。水位控制子系统将时间信号发送给控制电路板,然后驱动水泵运行来控制水壶水位。请根据描述完成下面小题。
      8. 下列关于自动上水烧水壶系统的分析中不恰当的是( )
      A. 水位控制子系统和温度控制子系统相互联系,体现了系统的相关性
      B. 烧水壶底座易损坏,需要定期维护,体现了系统的动态性
      C. 设计时经过计算和试验确定水泵的功率,体现了系统分析的科学性原则
      D. 设计时先考虑水泵的功能,再考虑烧水壶的功能,体现了系统分析的整体性原则
      9. 关于该水壶的水位控制子系统,下列分析中不恰当的是( )
      A. 输出量是水壶的实际水位B. 电压波动属于干扰因素
      C. 控制方式属于闭环控制D. 控制量是水泵的运行
      【答案】8. D 9. C
      【解析】
      【详解】1.本题考查对“系统分析原则”的理解。选项D表述“先考虑水泵的功能,再考虑烧水壶的功能体现了整体性原则”并不恰当,系统整体性原则要求从整体着眼、先明确系统总目标,再考虑子系统功能,D项做法恰与此相违背,因此D不恰当。故选D。
      2. 由题干可知,“水位控制子系统将时间信号发送给控制电路板,再驱动水泵工作来控制水位”,并未提及对壶中“实际水位”的实时检测和反馈调节,因而属于开环控制而非闭环控制,故C项“控制方式属于闭环控制”不恰当。其他选项均与一般控制系统分析相符。故选C。
      在通用技术实践课中,小明准备在万用板上焊接如图所示的光控小型电动机控制电路。请根据描述完成下面小题。
      10. 下列说法中不正确的是( )
      A. 检测元器件时,光敏电阻无需区分正负极
      B. 可以选用线圈额定工作电压为12V继电器
      C. 插装二极管VD时,有色环的一端为负极,无色环的一端为正极
      D. 元件焊接时,一般采用由小到大,由低到高的顺序
      11. 小明准备改进虚线框处电路,实现以下功能:用手电筒照射时,电机一直运转;短时间照射移开后,电机马上停转;长时间照射移开后继续运转一段时间后停转。以下方案中合理的是( )
      A B. C. D.
      【答案】10. B 11. B
      【解析】
      【详解】1.A项“光敏电阻不分正负极”是正确的;C项中二极管有色环端为负极、无色环端为正极符合常规标识;D项元件焊接时的顺序(由小到大、由低到高)也是通常做法。唯有B项不正确:电路中驱动继电器线圈的电源为6V,若选用12V线圈的继电器,则因电压不足无法正常吸合。故选B。
      2.要实现“短时间照射后立即停转,长时间照射后还能继续转一段时间才停”的功能,B项符合题意,合理,其他选项都是不合理的,故选B。
      12. 如图所示是小明设计的拍摄补光电路,当室内光线弱于室外光线时D3点亮,代表拍摄补光模块工作。VT1、VT2、VT3参数相同,D1与D2参数相同,R2与R3阻值相同。工作时,VT1、VT2、VT3三极管均处于放大状态,下列分析中不正确的是( )
      A. Rg1放置于室内,Rg2放置于室外
      B. 调大RP阻值,D1、D2指示灯亮度均变小
      C. 室内外光照一致时,D1与D2亮度相同
      D. 室内光照强时D1的亮度小于D2亮度
      【答案】A
      【解析】
      【详解】分析该电路,调大RP阻值时,VT1和VT2的基极电流Ib减小,导致集电极电流Ic减小。D1和D2的亮度由Ic决定,Ic减小,亮度变小,B正确。C:室内外光照一致时,Rg1 = Rg2,VT1和VT2的基极电流相等,Ic相同,故D1和D2亮度相同,C正确。D:室内光照强时,D正确。A项说法不合理,故选A。
      二、非选择题(本大题共3小题,第28小题8分,第29小题10分,第30小题8分,共24分。各小题中的“ ”处填写合适选项的字母编号)
      13. 小明发现老家有如图所示的残破木制机械扑翼鸟,想利用通用技术实践室进行修复和改进。请完成以下任务。
      (1)从材料规划的角度进行分析,不合理的是____
      A. 鸟翼可选用实木,尽量避开瑕疵
      B. 与鸟翼相连的细杆可以选用金属杆替换
      C. 鸟翼形状不规则,画轮廓线时尺寸要放宽,包含加工余量
      (2)小明对该机械鸟进行的设计分析中,合理的是____
      A. 鸟翼与鸟身之间应采用榫卯连接
      B. 该机械鸟较细构件应有足够的强度与刚度
      C. 该机械扑翼鸟能活动的部件之间的连接都应设计成铰连接
      (3)小明构思了金属手柄与金属转轴连接的方案,其中合理的是____
      A. B.
      C. D.
      (4)小明受四缸汽油机曲柄连杆机构启发,对机械鸟进行了如图所示的改进,使鸟翼的扑动更加形象生动。改进过程中采用的构思方法属于____
      A. 形态分析法B. 仿生法C. 设问法D. 联想法
      【答案】(1)C (2)B (3)AC (4)D
      【解析】
      【详解】1.鸟翼形状不规则,但画线时不需要尺寸放宽,不合理,其他选项说法合理,故选C。
      2.考查对机械鸟结构与连接方式的正确考虑。A项“用榫卯连接”并不适合需要活动的鸟翼与鸟身;C项说“所有能活动的部件都要做成铰连接”也过于绝对;只有B项“细杆等易受力部件需有足够的强度与刚度”是合理分析。故选B。
      3.该机械鸟较细的构件应有足够的强度与刚度,分析不合理,其他选项分析都是合理的,故选AC。
      4.考查在改进设计时所运用的构思方法。题干中“小明受四缸汽油机曲柄连杆机构的启发”属于由其它机械装置联想并迁移到新设计的思路,故选D“联想法”。
      14. 小明想设计一个装置,采用电机带动鸟翼上下扑腾。现已完成鸟和细杆的连接,支柱、滑块和底座的连接。电机的类型自选,安装位置如图所示,请你帮助小明设计该装置的机械部分,设计要求如下:
      (a)采用一个电机驱动,通过往复运动机构或电机的正反转来实现细杆的升降;
      (b)两根细杆运动的速度大小相等、方向相同;
      (c)细杆末端升降的行程为5cm;
      (d)对滑块进行再加工,利用滑块稳定细杆的升降。
      请完成以下任务:
      (1)请在头脑中构思符合设计要求的多个方案,并画出最优方案的设计草图(电机可用方框表示),简要说明方案的工作过程;
      (2)草图上标注主要尺寸。
      (3)小明想增加传感器实现自动控制,使扑翼鸟更有意思。当手握“魔法棒”较远距离指向基座处传感器时,鸟翼能上下扑腾。下列传感器最合适的是____
      A. 光敏传感器B. 声敏传感器C. 磁敏传感器
      【答案】(1)参考方案1 参考方案2
      参考方案3
      见图
      ①采用一个电机,电机安装位置正确(能看出电机与滑块有一定距离);②能带动细杆上下移动;③细杆等速同向运动;④滑块与细杆铰连接;⑤滑块与传动机构连接正确;
      (2)细杆上下移动5cm;滑块连接孔Φ6 (3)A
      【解析】
      【详解】1.
      2.细杆上下移动5cm;滑块连接孔Φ6
      3.当手握“魔法棒”从较远距离指向传感器,引发鸟翼扑动,最适宜选用光敏传感器(A)。其他选项不符合,故选A。
      15. 如图所示是小明设计的气雾栽培装置喷头控制电路,其中J1用于喷头喷雾控制,J2用于喷头转向控制。请完成以下任务:
      (1)调试时,小明发现喷头始终喷水但无法转向,下列故障分析中合理的是____
      A. VT1击穿B. R6阻值过大C. C2击穿
      (2)小明发现一个周期内喷水和转向的工作时间都太短,合理的调整措施是____
      A. 增大R2B. 增大R3C. 增大R4D. 增大R5
      (3)小明希望喷水和转向时长相等,图b中虚线框1处合理的电路设计方案是____
      A. B. C. D.
      (4)小明想进一步完善电路功能:当液位在M点以上、pH值正常且到达设定时间开启转向喷雾;喷雾过程中,一旦检测到液位或pH值不符合要求喷头立即停止喷雾。其中pH值正常时B输出高电平,探头M用于检测储液箱中的营养液液位值。到达设定时间,定时器输出高电平触发信号后恢复低电平。请在图虚线框2中使用不超过两个2输入与非门设计电路。
      【答案】(1)C (2)AC (3)BD
      (4)参考方案1 参考方案2
      【解析】
      【详解】1.由题意可知,“始终喷水但无法转向”往往是因为 555 振荡不起来,输出端始终处于某一固定电平所致。选项 A(VT1 击穿)和 B (R6 太大)都不太会导致“J1 继电器一直得电”这一现象;而若定时电容 C2 被击穿短路,则 555 无法正常充放电、也就无法输出转向所需的脉冲信号,喷头只会一直喷水,故合理故障原因是 C2 击穿。故选C。
      2.由 555 的常用无稳态(自激振荡)公式可知,一个振荡周期 T 由充放电回路的电阻与电容共同决定。若“喷水”和“转向”两个时段都过短,说明整个周期过短,需要增大“充放电总电阻”或增大定时电容。题中选项里 R5 是三极管基极限流电阻,不影响振荡周期;R3 一般只会改变“高电平”或“低电平”中的一段时间;而 R4 通常处在放电回路上,增大它可使“高、低”两段时间都变长在本电路里相当于总的充放电回路电阻变大)。因此应选“增大 R2”、“增大 R4”(选 AC)。故选AC。
      3.小明希望喷水和转向时长相等,符合的设计方案时BD,其他选项不符合,故选BD。
      4.

      相关试卷

      浙江省天域全国名校协作体2026届高三上学期10月联考(一模)通用技术试卷(Word版附解析):

      这是一份浙江省天域全国名校协作体2026届高三上学期10月联考(一模)通用技术试卷(Word版附解析),文件包含浙江省天域全国名校协作体2026届高三上学期10月月考技术试题-高中通用技术原卷版docx、浙江省天域全国名校协作体2026届高三上学期10月月考技术试题-高中通用技术Word版含解析docx等2份试卷配套教学资源,其中试卷共18页, 欢迎下载使用。

      浙江省天域全国名校协作体2026届高三上学期10月联考(一模)信息技术试卷(Word版附解析):

      这是一份浙江省天域全国名校协作体2026届高三上学期10月联考(一模)信息技术试卷(Word版附解析),文件包含浙江省天域全国名校协作体2026届高三上学期10月月考技术试题-高中信息技术原卷版docx、浙江省天域全国名校协作体2026届高三上学期10月月考技术试题-高中信息技术Word版含解析docx等2份试卷配套教学资源,其中试卷共23页, 欢迎下载使用。

      浙江省天域全国名校协作体2026届高三上学期10月联考(一模)信息技术试题 Word版含解析:

      这是一份浙江省天域全国名校协作体2026届高三上学期10月联考(一模)信息技术试题 Word版含解析,文件包含浙江省天域全国名校协作体2026届高三上学期10月月考技术试题-高中信息技术原卷版docx、浙江省天域全国名校协作体2026届高三上学期10月月考技术试题-高中信息技术Word版含解析docx等2份试卷配套教学资源,其中试卷共23页, 欢迎下载使用。

      资料下载及使用帮助
      版权申诉
      • 1.电子资料成功下载后不支持退换,如发现资料有内容错误问题请联系客服,如若属实,我们会补偿您的损失
      • 2.压缩包下载后请先用软件解压,再使用对应软件打开;软件版本较低时请及时更新
      • 3.资料下载成功后可在60天以内免费重复下载
      版权申诉
      若您为此资料的原创作者,认为该资料内容侵犯了您的知识产权,请扫码添加我们的相关工作人员,我们尽可能的保护您的合法权益。
      入驻教习网,可获得资源免费推广曝光,还可获得多重现金奖励,申请 精品资源制作, 工作室入驻。
      版权申诉二维码
      月考专区
      • 精品推荐
      • 所属专辑6份
      欢迎来到教习网
      • 900万优选资源,让备课更轻松
      • 600万优选试题,支持自由组卷
      • 高质量可编辑,日均更新2000+
      • 百万教师选择,专业更值得信赖
      微信扫码注册
      手机号注册
      手机号码

      手机号格式错误

      手机验证码 获取验证码 获取验证码

      手机验证码已经成功发送,5分钟内有效

      设置密码

      6-20个字符,数字、字母或符号

      注册即视为同意教习网「注册协议」「隐私条款」
      QQ注册
      手机号注册
      微信注册

      注册成功

      返回
      顶部
      学业水平 高考一轮 高考二轮 高考真题 精选专题 初中月考 教师福利
      添加客服微信 获取1对1服务
      微信扫描添加客服
      Baidu
      map