广东省茂名市高州中学2024-2025学年高一上学期期中考试 化学试题
展开
这是一份广东省茂名市高州中学2024-2025学年高一上学期期中考试 化学试题,共14页。试卷主要包含了5 Na,物质世界充满了变化,下列离子方程式书写正确的是等内容,欢迎下载使用。
本试卷共20题,满分100分。考试用时75分钟。请将答案填在答题卡相应的位置
相对原子质量:H:1 C:12 N:14 O:16 S:32 Cl:35.5 Na:23 Ca:40
一、单项选择题(本题共16小题,1~10题每题2分,11~16题每题4分,共44分,每题只有一个正确的选项)
1.物质世界充满了变化。下列变化过程中,没有涉及氧化还原反应的是( )
2.继“分子足球”之后,科学家又发现另一种“分子足球”,是未来的火箭燃料。属于( )
A.金属单质B.非金属单质C.化合物D.混合物
3.我国古代文献中有许多化学知识的记载,如《梦溪笔谈》中的“信州铅山县有苦泉,……,挹其水熬之,则成胆矾,熬胆矾铁釜,久之亦化为铜”等,上述描述中没有涉及的化学反应类型是( )
A.离子反应B.置换反应C.复分解反应D.氧化还原反应
4.当光束通过下列分散系时,能观察到丁达尔效应的是( )
A.KCl溶液B.胶体C.KOH溶液D.溶液
5.下列电离方程式书写正确的是( )
A.B.
C.D.
6.在下列无色透明的溶液中能大量共存的离子组是( )
A.、、、B.、、、
C.、、、D.、、、
7.下列离子方程式书写正确的是( )
A.单质铁与稀硫酸反应:
B.氢氧化钡溶液与稀硫酸反应:
C.单质钠放入水中,产生气体:
D.小苏打与氢氧化钠溶液反应:
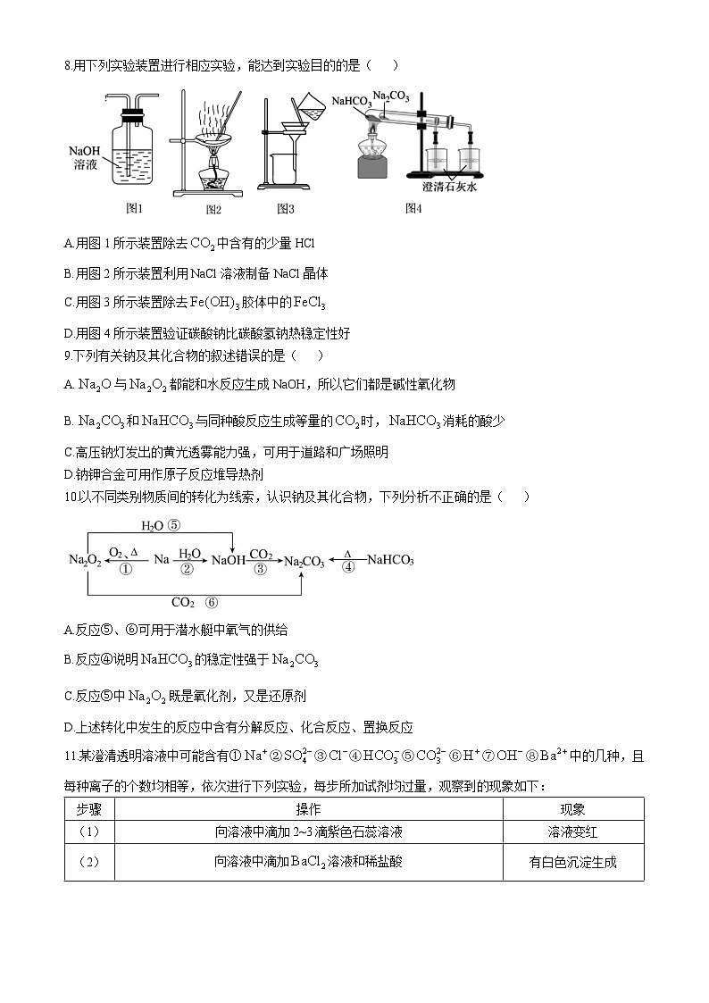
8.用下列实验装置进行相应实验,能达到实验目的的是( )
A.用图1所示装置除去中含有的少量HCl
B.用图2所示装置利用NaCl溶液制备NaCl晶体
C.用图3所示装置除去胶体中的
D.用图4所示装置验证碳酸钠比碳酸氢钠热稳定性好
9.下列有关钠及其化合物的叙述错误的是( )
A.与都能和水反应生成NaOH,所以它们都是碱性氧化物
B.和与同种酸反应生成等量的时,消耗的酸少
C.高压钠灯发出的黄光透雾能力强,可用于道路和广场照明
D.钠钾合金可用作原子反应堆导热剂
10.以不同类别物质间的转化为线索,认识钠及其化合物,下列分析不正确的是( )
A.反应⑤、⑥可用于潜水艇中氧气的供给
B.反应④说明的稳定性强于
C.反应⑤中既是氧化剂,又是还原剂
D.上述转化中发生的反应中含有分解反应、化合反应、置换反应
11.某澄清透明溶液中可能含有①②③④⑤⑥⑦⑧中的几种,且每种离子的个数均相等,依次进行下列实验,每步所加试剂均过量,观察到的现象如下:
下列结论不正确的是( )
A.由操作(1)可知溶液中一定不含、、
B.原溶液中肯定含有的离子是、、、
C.操作(2)和操作(3)中的白色沉淀分别为和AgCl
D.肯定不含有的离子是、、、、
12.通过捕获和转化技术可实现资源化利用,其物质转化关系如图所示:下列说法不正确的是( )
A.捕获和转化的过程中,CaO可以循环利用
B.过程I属于氧化还原反应
C.过程II中的反应为
D.的捕获和转化有助于减弱温室效应
13.已知,下列说法不正确的是( )
A.既不是氧化剂又不是还原剂B.1个参加反应时有5个电子转移
C.是氧化剂D.被氧化与被还原的氯元素的质量比为1:5
14.关于和下列说法不正确的是( )
A.我国制碱先驱侯德榜先生发明了“侯氏制碱法”,这里制备的“碱”是
B.分别向等浓度的溶液和溶液滴加少量盐酸,产生气体较快的为
C.我们可以用加热的方法除去中的,也可以用溶液区分和溶液
D.相同条件下,比易溶于水
15.某兴趣小组实验室制取后的废液中溶质是和HCl。某同学取一定质量的该废液于烧杯中,并向其中逐滴加入溶液充分反应。下列图像是滴加过程中他对烧杯中物质变化情况的分析(溶液呈中性,溶液中不考虑的溶解),其中错误的是( )
A.B.
C.D.
16.过氧化钙晶体常用于水产生物长途运输中供氧。以某废干燥剂为原料制备过氧化钙晶体的微流程如下:
已知:①“沉淀”时温度控制在,在以上分解速率加快;②微溶于水,在时开始分解产生;③氯化铵易分解。下列叙述正确的是( )
A.“沉淀”中用热水浴控制温度B.将滤液蒸干、灼烧得到
C.酒精洗涤产品可以减少损失D.“干燥”时温度应高于
二、非选择题:本大题包括4小题,共56分。
17.(每空2分,共14分)
CaO和是常见的两种氧化物,根据所学知识回答下列问题:
(1)CaO属于________(填“电解质”或“非电解质”,下同),属于________。
(2)与化学性质相似,将少量通入澄清石灰水,可观察到生成白色沉淀,发生反应的化学方程式为________________________________________________________。
(3)CaO在生活、生产中应用广泛。
(1)下列关于CaO的说法正确的是________(填标号)。
A.俗称是熟石灰B.属于碱性氧化物
C.可以干燥氢气D.干燥食品过程中只发生物理变化
(2)作固硫剂:将CaO加入燃煤中,可减少的排放量,原理为________________________(写化学方程式)、。
(3)制备石灰乳:将足量CaO溶于水中,得到的石灰乳属于________(填“溶液”“胶体”或“浊液”),其分散质粒子的直径范围主要为________________________。
18.(每空2分,共12分)
X、Y、Z三种可溶性盐,其阳离子分别是、、中的某一种,阴离子分别是、、中的某一种。现进行以下实验:
①将三种盐各取少量,分别溶于盛有5mL蒸馏水的三支试管中,只有X盐溶液呈蓝色。
②分别向三支试管中加入2mL稀盐酸,发现Y盐溶液中产生白色沉淀,Z盐溶液无明显现象。
回答下列问题:
(1)根据上述事实,推断这三种盐的化学式:X________,Y________,Z________。
(2)若上述三种阳离子、、对应的盐都为硝酸盐,将其混合配成溶液,请根据下面给出的溶解性表选择合适试剂,将这三种离子逐一沉淀分离。其流程图及部分物质的溶解性表如下图所示:
①沉淀1的化学式为________。
②写出混合溶液与试剂B反应的离子方程式:________________________________。
③若C为,沉淀3的化学式为________。
19.(除标记外,每空2分,共14分)
高铁酸钾是一种环保、高效的功能饮用水处理剂,制备原理如下:
①
②
③
已知:、为原子团。
回答下列问题:
(1)中铁元素的化合价为________。(1分)
(2)将得到的溶于水配制成饱和溶液并利用该溶液制备胶体:向沸水中滴加5~6滴的饱和溶液,________________________________________________,停止加热。
(3)反应②的离子方程式为________________________________________________,化合价发生变化的元素为________________________(写元素符号)。
(4)根据上述反应,下列判断正确的是________(填标号)。
A.氧化性:
B.还原性:
C.反应①中,只是氧化产物
D.室温下,在水中的溶解度:
(5)通过也可以制备高铁酸钾:(未配平),该反应中,氧化剂是________________(填化学式)(1分),请配平该化学方程式,并用双线桥法表示电子的转移方向和数目:________________________。(4分)
20.(每空2分,共16分)
现有1.5g含有杂质的样品,某同学在实验室用如图装置(部分夹持仪器已省略)测定其杂质含量:
回答下列问题:
(1)盛放稀盐酸的仪器名称为:________________。
(2)装置A中反应的离子方程式为________________________________________。
(3)B中有一处明显错误,请指出并改正:________________________________________________。
(4)装置D的作用是________________________________________________________________;若无装置D,样品中杂质的质量分数________(填“偏高”“偏低”或“无影响”)。
(5)写出装置C中和反应的化学方程式:________________________________________,每反应一个的转移电子数为________。
(6)实验结束后,通过读出装置F中水的体积,可近似的得到E中收集到的气体的体积,经过转换计算得E收集到的气体质量为0.16g,则样品中的质量分数为________(以百分数形式表示)。
2024-2025学年度第一学期期中考试
高一化学 参考答案
一、单项选择题(本题共16小题,1~10题每题2分,11~16题每题4分,共44分,每题只有一个正确的选项)
1.【答案】C【解析】A.植物光合作用吸收二氧化碳放出氧气,为氧化还原反应,A错误;
B.可燃冰燃烧生成二氧化碳和水,为氧化还原反应,B错误;
C.冰块融化没有新物质生成,是物理变化,不涉及氧化还原,C正确;
D.瓷器烧制过程中发生了多种化学反应,其中大多数是氧化还原反应,D错误;故答案选C。
2.【答案】B【解析】N60是由非金属元素氮元素组成的纯净物,属于非金属单质,故选答案B。
3.【答案】C【解析】挹其水熬之,则成胆矾:,为化合反应;熬胆矾:,为分解反应;熬胆矾铁釜,久之亦化为铜:,为置换反应,且、元素的化合价变化,为氧化还原反应,不涉及复分解反应。故答案选C。
4.【答案】B【解析】KCl溶液、KOH溶液、溶液都属于溶液,不具有胶体的性质,而胶体是胶体,胶体中的胶粒可以使光线发生散射作用而产生一条光亮的通路,即发生丁达尔效应,故选答案B。
5.【答案】C【解析】A.电荷不守恒,正确的是:,A错误;
B.是原子团不能拆,正确的是:,B错误;
C.硝酸是强电解质完全电离,C正确;
D.电荷不守恒,物质错误,正确的是:,D错误;故答案选C。
6.【答案】D【解析】A.、形成沉淀不能共存,且有颜色,A错误;
B.、反应生成二氧化碳气体和水,不能共存,B错误;
C.、反应生成沉淀,不能共存,C错误;
D.各离子之间互不反应,且都是无色,能大量共存,D正确;故答案选D。
7.【答案】C【解析】A.铁与稀硫酸反应生成,其离子方程式为:,A错误;
B.氢氧化钡溶液与稀硫酸反应方程式为:,其离子方程式为:,原离子方程式漏写了生成水的反应,B错误;
C.单质钠放入水中,产生气体,反应方程式为:,C正确;
D.小苏打与氢氧化钠溶液反应方程式为:,其离子方程式为:,D错误;故答案选C。
8.【答案】B【解析】A.、都能够与NaOH溶液发生反应,因此不能用NaOH溶液除去中含有的少量,A错误;
B.NaCl在水中的溶解度受温度的影响变化不大,所以采用蒸发结晶方法从NaCl溶液中获得NaCl晶体,B正确;
C.胶体和溶液中的微粒都可以通过滤纸,不能采用过滤的方法分离提纯胶体,C错误;
D.稳定受热不分解,而不稳定受热易分解,因此应该将稳定性比较强的放在温度高的外管,再将放在温度比较低的内管进行实验,根据石灰水变浑浊的情况,比较二者的稳定性强弱,D错误;故答案选B。
9.【答案】A【解析】A.和酸反应生成一种盐和水,是碱性氧化物;和酸反应生成盐、水和氧气,不属于碱性氧化物,A错误;
B.由方程式:、可知,和与同种酸反应生成等量的时,消耗的酸少,B正确;
C.钠的焰色试验为黄色,则可用作透雾能力强的高压钠灯,C正确;
D.钠钾合金可用作原子反应堆导热剂,D正确;故答案选A。
10.【答案】B【解析】A.反应都可放出,故反应⑤、⑥可用于潜水艇中氧气的供给,A正确;
B.反应④加热分解生成,说明稳定性强于,B错误;
C.反应⑤中,-1价的O化合价部分升高为0价,部分降低为-2价,故既是氧化剂,又是还原剂,C正确;
D.上述转化中发生的反应中④为分解反应、①为化合反应、②为置换反应,D正确;
故答案选B。
11.【答案】B【解析】A.分析可知,溶液酸性表明存在,则不含、、,A正确;
B.分析可知,由于每种离子的个数均相等,且溶液呈电中性,则原溶液中一定含有、、,一定不含,B错误;
C.操作(2)和操作(3)中的白色沉淀分别为和,C正确;
D.分析可知,肯定不含有的离子是、、、、,D正确;
故答案选B。
12.【答案】B【解析】A.过程I消耗氧化钙、过程II生成氧化钙,则二氧化碳的捕获和转化过程中,氧化钙可以循环使用,A正确;
B.过程I发生的反应为氧化钙与二氧化碳发生化合反应生成碳酸钙,无元素化合价发生变化,不属于氧化还原反应,B错误;
C.过程II发生的反应为催化剂作用下碳酸钙与甲烷反应生成氧化钙、一氧化碳和氢气,反应的化学方程式为:,C正确;
D.二氧化碳的捕获和转化可以减少二氧化碳的排放,有助于减弱温室效应的发生,D正确;
故答案选B。
13.【答案】D【解析】A.的组成元素在反应前后元素化合价没有发生变化,因此该物质在反应中既不是氧化剂又不是还原剂,A正确;
B.在反应前中Cl元素化合价为+5价,反应后变为中的0价,化合价降低5价,所以1个参加反应时有5个电子转移,B正确;
C.在反应前中Cl元素化合价为+5价,反应后变为中的0价,化合价降低,得到电子,被还原,所以是氧化剂,C正确;
D.在反应前中Cl元素化合价为+5价,反应后变为中的0价,化合价降低5价,得到电子被还原;KCl中Cl元素化合价为-1价,反应后变为中的0价,化合价升高1价,失去电子被氧化,根据氧化还原反应中元素化合价升降总数相等,可知、反应的个数比为1:5,即被氧化与被还原的氯元素的质量比为5:1,D错误;故答案选D。
14.【答案】C【解析】A.“侯氏制碱法”最终所得物质为纯碱,即,A正确;
B.由可知,向等浓度的和溶液滴加少量盐酸,产生气体较快的为,B正确;
C.和均能与反应产生白色沉淀,现象相同无法达到区分二者的目的,C错误;
D.相同温度下,比易溶于水,D正确;
故答案选C。
15.【答案】C【分析】往和HCl的混合溶液中滴加溶液时,先发生的反应为:,后发生的反应为;
【解析】A.由于先发生的反应为与HCl的反应,所以一开始滴加碳酸钠溶液时不产生沉淀,待混合溶液中HCl消耗完后,再开始产生沉淀;待反应结束后,沉淀质量不变,A正确;
B.由于先发生的反应为与HCl的反应,所以一开始滴加碳酸钠溶液时就开始产生气体,待溶液中HCl消耗完之后,不再产生气体,B正确;
C.由于先发生的反应为:,参与反应的的质量大于反应生成的的质量,且碳酸钠溶液中含有水,此时溶液质量增加;后发生的反应为,参与反应的的质量大于生成的的质量,且碳酸钠溶液中含有水,此时溶液质量继续增加;反应结束后继续滴加碳酸钠溶液,溶液质量继续增加,C错误;
D.由于溶液中含有HCl,溶液一开始pH值小于7,随着碳酸钠溶液的加入,由于和HCl反应,酸性减弱,溶液的pH值升高;当把HCl反应完后,再和反应生成和NaCl,此时溶液的pH值等于7;当把反应完后,再加入碳酸钠溶液,由于碳酸钠溶液显碱性,所以溶液的pH值又从7开始升高,D正确;
故答案选C。
16.【答案】C【解析】A.根据“沉淀”温度控制在,应选择冰水浴,A错误;
B.氯化铵易分解,采用蒸发浓缩、降温结晶、过滤等提取氯化铵,B错误;
C.产品在酒精中溶解度小于在水中的,C正确;
D.时过氧化钙晶体易失去结晶水,“干燥”温度应低于,D错误;
故答案选C。
二、非选择题:本大题包括4小题,共56分。
17.(每空2分,共14分)
(1)电解质 非电解质
(2)
(3)①BC ② ③浊液 大于100nm
【解析】(1)氧化钙熔融时可以电离出钙离子和氧离子,属于电解质;二氧化硫溶于水和熔融状态都不能电离,属于非电解质。
(2)二氧化硫可以和氢氧化钙反应生成亚硫酸钙和水。
(3)①A.氧化钙俗称生石灰,熟石灰是氢氧化钙,A错误;
B.氧化钙与酸反应生成盐和水,属于碱性氧化物,B正确;
C.氧化钙具有吸水性,且不和氢气反应,可以干燥氢气,C正确;
D.干燥食品过程中氧化钙和水反应生成氢氧化钙,发生了化学变化,D错误;故答案选BC。
②氧化钙是碱性氧化物,可以和酸性氧化物反应,故可以吸收二氧化硫。
③氢氧化钙微溶于水,则将足量CaO溶于水中,得到的石灰乳属于浊液;其分散质粒子的直径范围主要为大于100nm。
18.(每空2分,共12分)
(1)
(2)① ② ③CuS
【解析】(1)和、都不能大量共存,故可推断物质中含有;和不能大量共存,故其中一种物质为,则另一种物质为。X盐溶液呈蓝色,说明X为;加入盐酸,只有Y中出现白色沉淀,说明Y为,则Z为。
(2)因为是依次将三种离子沉淀出来,通过表格信息比较溶解性,应先用将沉淀出来,然后用将沉淀出来,最后用将沉淀出来。
因此,①沉淀1为AgCl;
②加入含的溶液,将沉淀出来,离子方程式为:;
③沉淀3为CuS。
19.(除标记外,每空2分,共14分)
(1)+6价
(2)继续煮沸至液体呈红褐色
(3)
(4)BD
(5)
【解析】(1)中K为+1价,O为-2价,则计算得到铁元素的化合价为+6价。
(2)将得到的溶于水配制成饱和溶液,并利用该溶液制备胶体:向沸水中滴加5~6滴的饱和溶液,继续煮沸至液体呈红褐色,停止加热。
(3)②中,将易溶于水的强电解质写成离子式,对应离子方程式为:;该反应中铁元素化合价升高,氯元素化合价降低,发生化合价变化的元素为:、。
(4)A.比较氧化性:氧化剂>氧化产物;氧化产物>还原剂。可知反应①中:氧化性;反应②中:氧化性,A错误;
B.比较还原性:还原剂>还原产物,反应②中:还原性,B正确;
C.反应①中,既是氧化产物又是还原产物,C错误;
D.根据反应③溶解度大的物质制备溶解度小的物质可知,室温下在水中的溶解度:,D正确;
故答案选BD。
(5)反应中氮元素化合价降低,为氧化剂;铁元素化合价升高,为还原剂,根据电子守恒和原子守恒将其配平为,用双线桥法表示电子的转移方向和数目为
20.(每空2分,共16分)
(1)分液漏斗
(2)
(3)装置B中左边导管口应浸没在液面以下,右边导管口稍稍伸出橡胶塞即可
(4)吸收未反应完的 偏低
(5) 1
(6)
【分析】稀盐酸和碳酸钙在A中反应生成气体,HCl易挥发,B中用饱和碳酸氢钠除去HCl气体;C中和、发生反应,原理为,;D中的碱石灰吸收多余的;生成的通过E、F测量体积。
【详解】(1)根据仪器的构造可知,盛放稀盐酸的仪器名称为分液漏斗。
(2)稀盐酸和碳酸钙在A中反应生成气体,装置A中反应的离子方程式为。
(3)图中有一处明显错误,装置B中左边导管口应浸没在液面以下,右边导管口稍稍伸出橡胶塞即可。
(4)装置D的作用是吸收未反应的;若无装置D,样品中杂质的质量分数偏低。
(5)装置C中和发生反应的化学方程式为,每反应一个的转移电子数为。
(6)经过转换计算得E收集到的气体质量为,的相对分子质量为78,的相对分子质量为32,通过方程式的系数关系计算,的质量为,故样品中的质量分数为。A.光合作用
B.可燃冰燃烧
C.冰块融化
D.瓷器烧制
步骤
操作
现象
(1)
向溶液中滴加2~3滴紫色石蕊溶液
溶液变红
(2)
向溶液中滴加溶液和稀盐酸
有白色沉淀生成
(3)
将(2)中所得混合物过滤,向滤液中加入溶液和稀硝酸
有白色沉淀生成
阴离子
阳离子
溶
溶
不
不
不
不
不
溶
微
溶
不
不
题号
1
2
3
4
5
6
7
8
答案
C
B
C
B
C
D
C
B
题号
9
10
11
12
13
14
15
16
答案
A
B
B
B
D
C
C
C
相关试卷
这是一份广东省茂名市化州市2024-2025学年高一上学期11月期中考试 化学试题,文件包含2024-2025学年第一学期高一化学期中试卷pdf、2024-2025学年第一学期高一化学期中测评参考答案pdf等2份试卷配套教学资源,其中试卷共12页, 欢迎下载使用。
这是一份广东省茂名市高州中学2022-2023学年高一上学期期中考试 化学试题,文件包含2022-2023年高一上学期化学期中试pdf、2022-2023年高一上学期化学期中试答案docx等2份试卷配套教学资源,其中试卷共10页, 欢迎下载使用。
这是一份广东省茂名市田家炳中学2024-2025学年高一上学期期中考试 化学试题,文件包含2024年10月化学高一考试试卷试题pdf、2024年10月化学高一考试试卷解析pdf等2份试卷配套教学资源,其中试卷共12页, 欢迎下载使用。

