所属成套资源:【备战2025】新高考物理大二轮复习课件+讲义+专练
第一篇 专题七 第十六讲 力学实验-【高考二轮】新高考物理大二轮复习(课件+讲义+专练)
展开
这是一份第一篇 专题七 第十六讲 力学实验-【高考二轮】新高考物理大二轮复习(课件+讲义+专练),文件包含第一篇专题七第16讲力学实验pptx、第一篇专题七第16练力学实验专练docx、第一篇专题七第16讲力学实验教师版docx、第一篇专题七第16讲力学实验学生版docx等4份课件配套教学资源,其中PPT共60页, 欢迎下载使用。
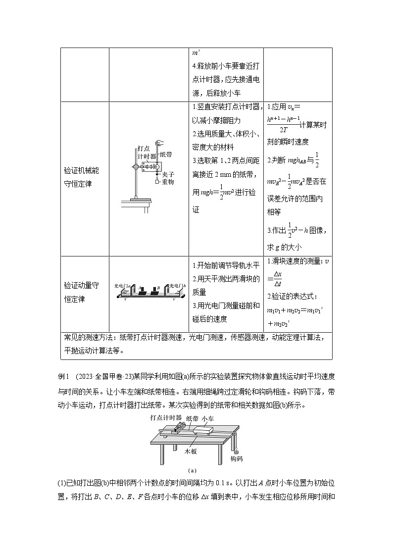
(2023·全国甲卷·23)某同学利用如图(a)所示的实验装置探究物体做直线运动时平均速度与时间的关系。让小车左端和纸带相连。右端用细绳跨过定滑轮和钩码相连。钩码下落,带动小车运动,打点计时器打出纸带。某次实验得到的纸带和相关数据如图(b)所示。
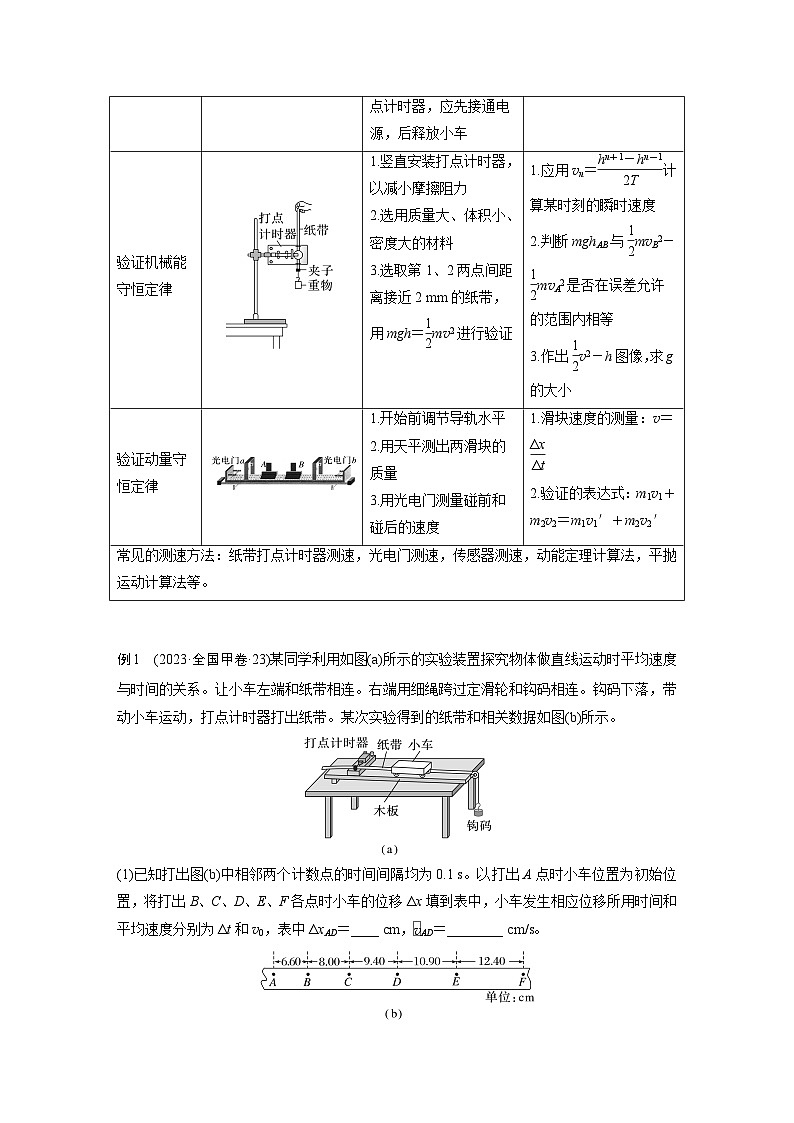
根据纸带的数据可得ΔxAD=xAB+xBC+xCD=6.60 cm+8.00 cm+9.40 cm=24.00 cm
(2)根据表中数据得到小车平均速度 随时间Δt的变化关系,如图(c)所示。在图中补全实验点。
根据第(1)小题结果补充表格和补全实验点图像得
从实验结果可知,小车运动的 -Δt图线可视为一条直线,图像为
(4)根据(3)中的直线方程可以判定小车做匀加速直线运动,得到打出A点时小车速度大小vA=_____,小车的加速度大小a=_____。(结果用字母k、b表示)
故根据图像斜率和截距可得vA=b,a=2k。
(2022·广东卷·11)某实验小组为测量小球从某一高度释放,与某种橡胶材料碰撞导致的机械能损失,设计了如图(a)所示的装置,实验过程如下:
(1)让小球从某一高度由静止释放,与水平放置的橡胶材料碰撞后竖直反弹。调节光电门位置,使小球从光电门正上方释放后,在下落和反弹过程中均可通过光电门。
(2)用螺旋测微器测量小球的直径,示数如图(b)所示,小球直径d=______________ mm。
7.883或7.884
根据题图(b)示数,小球的直径为d=7.5 mm+38.4×0.01 mm=7.884 mm考虑到偶然误差,7.883 mm也可以。
(3)测量时,应_____(选填“A”或“B”,其中A为“先释放小球,后接通数字计时器”,B为“先接通数字计时器,后释放小球”)。记录小球第一次和第二次通过光电门的遮光时间t1和t2。
在测量时,因小球下落时间很短,如果先释放小球,有可能会出现时间记录不完整,所以应先接通数字计时器,再释放小球,故选B。
(4)计算小球通过光电门的速度,已知小球的质量为m,可得小球与橡胶材料碰撞导致的机械能损失ΔE=________________(用字母m、d、t1和t2表示)。
依题意,小球向下、向上先后通过光电门时的速度大小分别为v1、v2,
(5)若适当调高光电门的高度,将会________(选填“增大”或“减小”)因空气阻力引起的测量误差。
若调高光电门的高度,较调整之前小球会经历更大的距离,空气阻力做的负功更多,所以将会增大因空气阻力引起的测量误差。
(2022·重庆卷·12)如图为某小组探究两滑块碰撞前后的动量变化规律所用的实验装置示意图。带刻度尺的气垫导轨右支点固定,左支点高度可调,装置上方固定一具有计时功能的摄像机。
(1)要测量滑块的动量,除了前述实验器材外,还必需的实验器材是______。
要测量滑块的动量还需要测量滑块的质量,故还需要的器材是天平;
(2)为减小重力对实验的影响,开动气泵后,调节气垫导轨的左支点,使轻推后的滑块能在气垫导轨上近似做__________运动。
为了减小重力对实验的影响,应该让气垫导轨处于水平位置,故调节气垫导轨后要使滑块能在气垫导轨上近似做匀速直线运动;
(3)测得滑块B的质量为197.8 g,两滑块碰撞前后位置x随时间t的变化图像如图所示,其中①为滑块B碰前的图线。取滑块A碰前的运动方向为正方向,由图中数据可得滑块B碰前的动量为_________ kg·m·s-1(保留2位有效数字),滑块A碰后的图线为_______(选填“②”“③”或“④”)。
取滑块A碰前运动方向为正方向,根据 x-t图可知滑块B碰前的速度为
则滑块B碰前的动量为pB=mBvB=0.197 8 kg×(-0.058) m/s≈-0.011 kg·m/s
由题意可知两滑块相碰要符合碰撞制约关系,则④图线为碰前滑块A的图线,由题图可知碰后③图线的速度大于②图线的速度,根据“后不超前”的原则可知③为碰后滑块A的图线。
(2023·天津市五校联考一模)“验证力的平行四边形定则”的实验情况如图甲所示,其中A为固定橡皮筋的图钉,O为橡皮筋与细绳的结点,OB和OC为细绳,图乙是白纸上根据实验结果画出的图。
(1)本实验中“等效替代”的含义是_____;A.橡皮筋可以用细绳替代B.左侧弹簧测力计的作用效果可以替代 右侧弹簧测力计的作用效果C.右侧弹簧测力计的作用效果可以替代 左侧弹簧测力计的作用效果D.两弹簧测力计共同作用的效果可以用一个弹簧测力计的作用效果替代
该实验采用了“等效替代”,即用两个弹簧测力计拉橡皮筋的效果和用一个弹簧测力计拉橡皮筋的效果是相同的,即要求橡皮筋的形变量相同,故D正确。
(2)如果没有操作失误,图乙中的F与F′两力中,方向一定沿AO方向的是____;
F是通过作图的方法得到的合力的理论值,在平行四边形的对角线上,而F′是通过一个弹簧测力计沿AO方向拉橡皮条,使橡皮条伸长到O点,测量出的合力,因此其方向沿着AO方向。
(3)如图所示,用a、b弹簧测力计拉橡皮筋使结点到O点,当保持弹簧测力计a的示数不变,而在角α逐渐减小到0的过程中,要使结点始终在O点,可以_______。A.增大b的示数,减小β角度B.减小b的示数,增大β角度C.减小b的示数,先增大β角度,后减小β角度D.增大b的示数,先减小β角度,后增大β角度
由题意可知:保持O点位置不动,即合力大小方向不变,弹簧测力计A的读数不变,因此根据要求作出力的平行四边形定则,画出受力分析图如右:第一种情况,原来α、β的值较小所以由图可知α角逐渐变小时,b的示数减小,同时β角减小;
第二种情况,原来α、β值较大
由图可以看出α角逐渐变小时,b的示数减小,同时β角增大;或者
由图可以看出α角逐渐变小时,b的示数减小,同时β角先增大,后减小;故选B、C。
(2022·湖南卷·11)小圆同学用橡皮筋、同种一元硬币、刻度尺、塑料袋、支架等,设计了如图(a)所示的实验装置,测量冰墩墩玩具的质量。主要实验步骤如下:
(1)查找资料,得知每枚硬币的质量为6.05 g;(2)将硬币以5枚为一组逐次加入塑料袋,测量每次稳定后橡皮筋的长度l,记录数据如下表:
(3)根据表中数据在图(b)上描点,绘制图线;
根据表格数据描点连线如图
(4)取出全部硬币,把冰墩墩玩具放入塑料袋中,稳定后橡皮筋长度的示数如图(c)所示,此时橡皮筋的长度为_______ cm;
由题图(c)可知刻度尺的分度值为1 mm,故读数l=15.35 cm;
(5)由上述数据计算得冰墩墩玩具的质量为______ g(计算结果保留3位有效数字)。
设橡皮筋的劲度系数为k,原长为l0,则n1mg=k(l1-l0),n2mg=k(l2-l0)
从作出的l-n图线读取数据则可得
设冰墩墩的质量为m1,则有m1g=k(l-l0)
(2023·北京卷·17)用频闪照相记录平抛小球在不同时刻的位置,探究平抛运动的特点。(1)关于实验,下列做法正确的是_______(填选项前的字母)。A.选择体积小、质量大的小球B.借助重垂线确定竖直方向C.先抛出小球,再打开频闪仪D.水平抛出小球
用频闪照相记录平抛小球在不同时刻的位置,选择体积小质量大的小球可以减小空气阻力的影响,A正确;本实验需要借助重垂线确定竖直方向,B正确;实验过程先打开频闪仪,再水平抛出小球,C错误,D正确。
(2)图甲所示的实验中,A球沿水平方向抛出,同时B球自由落下,借助频闪仪拍摄上述运动过程。图乙为某次实验的频闪照片,在误差允许范围内,根据任意时刻A、B两球的竖直高度相同,可判断A球竖直方向做_________运动;根据__________________________,可判断A球水平方向做匀速直线运动。
A球相邻两位置水平距离相等
根据任意时刻A、B两球的竖直高度相同,可以判断出A球竖直方向做自由落体运动;根据A球相邻两位置水平距离相等,可以判断A球水平方向做匀速直线运动。
(3)某同学使小球从高度为0.8 m的桌面水平飞出,用频闪照相机拍摄小球的平抛运动(每秒频闪25次),最多可以得到小球在空中运动的______个位置。
解得t=0.4 s频闪仪每秒频闪25次,
(4)某同学实验时忘了标记重垂线方向,为解决此问题,他在频闪照片中,以某位置为坐标原点,沿任意两个相互垂直的方向作为x轴和y轴正方向,建立直角坐标系xOy,并测量出另外两个位置的坐标值(x1,y1)、(x2,y2),如图丙所示。根据平抛运动规律,利用运动的合成与分解的方法,可得重垂线方向与y轴间夹角的正切值为__________。
如图,x0、y0分别表示水平和竖直方向,设重垂线方向y0与y轴间的夹角为θ,建立坐标系存在两种情况,如图所示当建立的坐标系为x1Oy1时,则x轴方向做匀减速运动,根据逐差法计算加速度有x2-2x1=-gsin θ(2T)2y轴方向有y2-2y1=gcs θ(2T)2
当建立的坐标系为x2Oy2时,则x轴方向做匀加速运动,根据逐差法计算加速度有x2-2x1=gsin θ(2T)2y轴方向有y2-2y1=gcs θ(2T)2
综上所述,重垂线方向与y轴间夹角的正切值为
1.(2023·四川泸州市二模)某实验小组用如图甲所示的装置探究向心力大小与周期、半径之间的关系,轻绳一端系着小球,另一端固定在竖直杆上的力传感器上,小球套在光滑水平杆上。水平杆在电动机带动下可以在水平面内绕竖直杆匀速转动。已知小球质量为m,
小球做圆周运动的半径为r,电子计数器可记录杆做圆周运动的圈数n,用秒表记录小球转动n圈的时间t。
(1)若保持小球运动半径不变,仅减小运动周期,小球受到的拉力将______;若保持小球运动的周期不变,仅减小运动半径,小球受到的拉力将_____。(以上两空均选填“变大”“变小”或“不变”)
小球做圆周运动时有FT=F向=mω2r=所以当小球运动半径不变,仅减小运动周期,小球受到的拉力将变大;若保持小球运动的周期不变,仅减小运动半径,小球受到的拉力将变小。
(2)该小组同学做实验时,保持小球做圆周运动的半径不变,选用质量为m1的小球甲和质量为m2(m1>m2)的小球乙做了两组实验。两组实验中分别多次改变小球运动的转速,记录实验数据,作出了F与 关系如图乙所示的①和②两条曲线,图中反映小球甲的实验数据是_____(选填“①”或“②”)。
2.(2023·江苏省苏锡常镇四市一模)某实验小组用图甲所示装置测量木块与木板间的动摩擦因数μ。实验操作步骤如下:①取若干个完全相同
的钩码,将部分钩码悬挂在细线下,剩余的钩码放在木块凹槽中,记录悬挂钩码的个数n;②保持长木板水平,释放木块后打点计时器打出纸带;③将木块凹槽中的钩码逐个添加到细线下端,重复多次打出多条纸带。
(1)如图乙所示用刻度尺测量纸带上点的位置,其中第4点读数为________ cm。
刻度尺的分度值为0.1 cm,需要估读到分度值的下一位,第4点读数为10.30 cm;
(2)已知打点周期为T=0.02 s,打第5点时的瞬时速度大小为______ m/s。(结果保留两位有效数字)
根据匀变速直线运动中间时刻的瞬时速度等于该过程平均速度可得
(3)测得悬挂钩码数n与相应的加速度a如下表,请根据表中数据在图丙中作出a-n图像。已知当地重力加速度g=9.8 m/s2,由图线可求得木块与木板间的动摩擦因数μ=______。(结果保留两位有效数字)
根据表中数据作出a-n图像如图所示设每个钩码的质量为m,所有钩码质量之和为M,木块质量为m0,当细线下端挂有n个钩码时,对这n个钩码,根据牛顿第二定律有nmg-FT=nma,对小车及剩余钩码,根据牛顿第二定律有FT-μ(M+m0-
nm)g=(M+m0-nm)a,联立解得a= 根据图像可得 -μg=-3.4 m/s2,解得μ≈0.35
(4)实验中发现木板未调节水平,右端偏高,考虑到此因素的影响,μ的测量值________(填“大于”“小于”或“等于”)真实值。
1.(2023·浙江6月选考·16Ⅰ(2))如图所示,某同学把A、B两根不同的弹簧串接竖直悬挂,探究A、B弹簧弹力与伸长量的关系。在B弹簧下端依次挂上质量为m的钩码,静止时指针所指刻度xA、xB的数据如表。
钩码个数为1时,弹簧A的伸长量ΔxA=_______ cm,弹簧B的伸长量ΔxB=_______ cm,两根弹簧弹性势能的增加量ΔEp______mg(ΔxA+ΔxB)(选填“=”“”)。
钩码个数为1时,弹簧A的伸长量ΔxA=8.53 cm-7.75 cm=0.78 cm弹簧B的伸长量ΔxB=18.52 cm-16.45 cm-0.78 cm=1.29 cm根据系统机械能守恒定律可知弹簧增加的弹性势能等于弹簧减少的重力势能和钩码减少的重力势能之和ΔEp>mg(ΔxA+ΔxB)
2.(2023·新课标卷·23)(12分)一学生小组做“用单摆测量重力加速度的大小”实验。
(1)用实验室提供的螺旋测微器测量摆球直径。首先,调节螺旋测微器,拧动微调旋钮使测微螺杆和测砧相触时,发现固定刻度的横线与可动刻度上的零刻度线未对齐,如图(a)所示,该示数为_______________ mm;螺旋测微器在夹有摆球时示数如图(b)所示,该示数为_______________________________ mm,则摆球的直径为________________________ mm。
0.006(0.007也可)
20.035(20.034 mm、
20.036 mm均可)
20.029(20.028、20.030均可)
题图(a)读数为0+0.6×0.01 mm=0.006 mm(0.007 mm也可);题图(b)读数为20 mm+3.5×0.01 mm=20.035 mm(20.034、20.036均可);则摆球的直径为20.035 mm-0.006 mm=20.029 mm(20.028 mm、20.030 mm均可)
(2)单摆实验的装置示意图如图(c)所示,其中角度盘需要固定在杆上的确定点O处,摆线在角度盘上所指的示数为摆角的大小。若将角度盘固定在O点上方,则摆线在角度盘上所指的示数为5°时,实际摆角_____5°(填“大于”或“小于”)。
若角度盘上移则形成如图所示图样,则实际摆角大于5°。
(3)某次实验所用单摆的摆线长度为81.50 cm,则摆长为_____ cm。实验中观测到从摆球第1次经过最低点到第61次经过最低点的时间间隔为54.60 s,则此单摆周期为______ s,该小组测得的重力加速度大小为______ m/s2。(结果均保留3位有效数字,π2取9.870)
摆长=摆线长度+半径,代入数据计算可得摆长为82.5 cm;
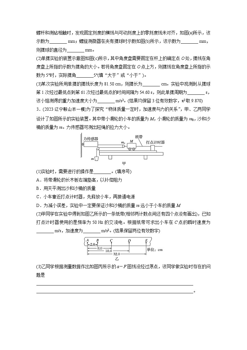
3.(2023·辽宁鞍山市一模)为了探究“物体质量一定时,加速度与力的关系”,甲、乙两同学设计了如图所示的实验装置。其中带小滑轮的小车的质量为M,小滑轮的质量为m0,沙和沙桶的质量为m。力传感器可测出轻绳的拉力大小。
(1)实验时,需要进行的操作是_____。(填序号)A.将带滑轮的长木板右端垫高, 以补偿阻力B.用天平测出沙和沙桶的质量C.小车靠近打点计时器,先释 放小车,再接通电源D.为减小误差,实验中一定要保证沙和沙桶的质量m远小于小车的质量M
实验时需将长木板右端垫高,以补偿阻力,故A正确;本题拉力可以由力传感器测出,不需要用天平测出沙和沙桶的
质量,也就不需要使小桶(包括沙)的质量远小于车的总质量,故B、D错误;实验时,为充分利用纸带,小车应靠近打点计时器,先接通电源,再释放小车,故C错误。
(2)甲同学在实验中得到如图乙所示的一条纸带(相邻两计数点间还有四个点没有画出),已知打点计时器使用的是频率为50 Hz的交流电。根据纸带可求出小车在C点的瞬时速度为________ m/s,加速度为______ m/s2。(结果保留两位有效数字)
打点计时器使用的是频率为50 Hz的交流电,相邻两计数点间还有四个点没有画出,则相邻两计数点间的时间间隔为
C点的速度为BD两点间的平均速度,则
(3)乙同学根据测量数据作出如图丙所示的a-F图线没经过原点,该同学做实验时存在的问题是_____________________________。
补偿阻力不足或者没有补偿阻力
由图丙中可看出当加速度为零时,拉力F不为零,可知存在的问题为补偿阻力不足或者没有补偿阻力。
4.(2023·湖北卷·11)某同学利用测质量的小型家用电子秤,设计了测量木块和木板间动摩擦因数μ的实验。如图(a)所示,木板和木块A放在水平桌面上,电子秤放在水平地面上,木块A和放在电子秤上的重物B通过跨过定滑轮的轻绳相连。调节滑轮,使其与木块A间的轻绳水平,与重物B间的轻绳竖直。在木块A上放置n(n=0,1,2,3,4,5)个砝码(电子秤称得每个砝码的质量m0为20.0 g),向左拉动木板的同时,记录电子秤的对应示数m。
(1)实验中,拉动木板时________(填“必须”或“不必”)保持匀速。
木块与木板间的滑动摩擦力与两者之间的相对速度无关,则实验拉动木板时不必保持匀速;
(2)用mA和mB分别表示木块A和重物B的质量,则m和mA、mB、m0、μ、n所满足的关系式为m=________________。
mB-μ(mA+nm0)
对木块A和砝码有μ(mA+nm0)g=FT对重物B有FT+mg=mBg解得m=mB-μ(mA+nm0)
(3)根据测量数据在坐标纸上绘制出m-n图像,如图(b)所示,可得木块A和木板间的动摩擦因数μ=______(保留2位有效数字)。
根据m=mB-μmA-μm0·n
5.(2022·浙江6月选考·17)(1)①“探究小车速度随时间变化的规律”实验装置如图甲所示,长木板水平放置,细绳与长木板平行.图乙是打出纸带的一部分,以计数点O为位移测量起点和计时起点,则打计数点B时小车位移大小为____________________ cm。由图丙中小车运动的数据点,求得加速度为________________ m/s2(保留两位有效数字)。
6.20(6.15~6.25均可)
1.9(1.7~2.1均可)
由题图乙可得打计数点B时小车位移大小为6.20 cm,考虑到偶然误差,在6.15~6.25 cm的范围内均可;由题图丙中小车运动的数据点,有考虑到偶然误差,在1.7~2.1 m/s2的范围内均可。
②利用图甲装置“探究加速度与力、质量的关系”的实验,需调整的是______。A.换成质量更小的车B.调整长木板的倾斜程度C.把钩码更换成砝码盘和砝码D.改变连接小车的细绳与长木板的夹角
利用题图甲装置“探究加速度与力、质量的关系”的实验时,需要将钩码更换成砝码盘和砝码,应满足小车的质量远远大于砝码和砝码盘的总质量,所以不需要换质量更小的车,故A错误,C正确;
利用题图甲装置“探究加速度与力、质量的关系”的实验时,需要利用小车斜向下的分力以平衡摩擦阻力,所以需要将长木板安装打点计时器一端较安装滑轮一端适当的高一些,故B正确;实验过程中,需让连接砝码盘和小车的细绳跟长木板始终保持平行,故D错误。
(2)“探究求合力的方法”的实验装置如图丁所示,在该实验中,①下列说法正确的是______;A.拉着细绳套的两只弹簧秤,稳定后读数应相同B.在已记录结点位置的情况下,确定一个拉力的 方向需要再选择相距较远的两点C.测量时弹簧秤外壳与木板之间不能存在摩擦D.测量时,橡皮条、细绳和弹簧秤应贴近并平行于木板
在不超出弹簧秤的量程和橡皮条形变限度的条件下,使拉力适当大些,不必使两只弹簧秤的示数相同,故A错误;在已记录结点位置的情况下,确定一个拉力的方向需要再选择相距较远的一个点就可以了,故B错误;
实验中弹簧秤外壳与木板之间是否存在摩擦不影响实验结果,故C错误;为了减小实验误差,拉橡皮条时,橡皮条、细绳和弹簧秤应贴近并平行于木板,故D正确。
②若只有一只弹簧秤,为了完成该实验至少需要______(选填“2”“3”或“4”)次把橡皮条结点拉到O。
若只有一只弹簧秤,为了完成该实验,用手拉住一条细绳,用弹簧秤拉住另一条细绳,互成角度的拉橡皮条,使其结点达到某一点O,记下位置O和弹簧秤示数F1和两个拉力的方向;交换弹簧秤和手所拉细绳的位置,再次将结点拉至O点,使两力的方向与原来两力方向相同,并记下此时弹簧秤的示数F2;再仅用一个弹簧秤将结点拉至O点,并记下此时弹簧秤的示数F的大小及方向;所以若只有一只弹簧秤,为了完成该实验至少需要3次把橡皮条结点拉到O。
6.(2023·天津卷·9)如图放置实验器材,连接遮光片小车与托盘砝码的绳子与桌面平行,遮光片与小车位于气垫导轨上,这里没有画出(视为无摩擦力),重力加速度为g。接通电源,释放托盘与砝码,并测得:a.遮光片长度db.遮光片小车到光电门长度lc.遮光片小车通过光电门时间Δtd.托盘与砝码质量m1,小车与遮光片 质量m2
(1)小车通过光电门时的速度为______;
(2)从释放到小车经过光电门,这一过程中,系统重力势能减少量为______,动能增加量为______________;
从释放到小车经过光电门,这一过程中,系统重力势能减少量为ΔEp=m1gl
(3)改变l,做多组实验,作出如图以l为横坐标,以 为纵坐标的图像。若机械能守恒成立,则图像斜率为________。
改变l,做多组实验,作出如图以l为横坐标,
7.(2022·福建卷·11)某实验小组利用图(a)所示装置验证小球平抛运动的特点。实验时,先将斜槽固定在贴有复写纸和白纸的木板边缘,调节槽口水平并使木板竖直;把小球放在槽口处,用铅笔记下小球在槽口时球心在木板上的水平投影点O,建立xOy坐标系。
然后从斜槽上固定的位置释放小球,小球落到挡板上并在白纸上留下印迹。上下调节挡板进行多次实验。实验结束后,测量各印迹中心点O1、O2、O3…的坐标,并填入表格中,计算对应的x2值。
(1)根据上表数据,在图(b)给出的坐标纸上补上O4数据点,并绘制“y-x2”图线。
根据上表数据在坐标纸上描出O4数据点,并绘制“y-x2”图线如图所示
(2)由y-x2图线可知,小球下落的高度y,与水平距离的平方x2成_______(填“线性”或“非线性”)关系,由此判断小球下落的轨迹是抛物线。
由y-x2图线为一条倾斜的直线可知,小球下落的高度y,与水平距离的平方x2成线性关系。
(3)由y-x2图线求得斜率k,小球平抛运动的初速度表达式为v0=________(用斜率k和重力加速度g表示)。
根据平抛运动规律可得x=v0t
(4)该实验得到的y-x2图线常不经过原点,可能的原因是______________________。
水平射出点未与O点重合
y-x2图线是一条直线,但常不经过原点,说明实验中测量的y值偏大或偏小一个定值,这是小球的水平射出点未与O点重合,位于坐标原点O上方或下方所造成的。
8.(2023·辽宁卷·11)某同学为了验证对心碰撞过程中的动量守恒定律,设计了如下实验:用纸板搭建如图所示的滑道,使硬币可以平滑地从斜面滑到水平面上,其中OA为水平段。选择相同材质的一元硬币和一角硬币进行实验。
测量硬币的质量,得到一元和一角硬币的质量分别为m1和m2(m1>m2)。将硬币甲放置在斜面某一位置,标记此位置为B。由静止释放甲,当甲停在水平面上某处时,测量甲从O点到停止处的滑行距离OP。将硬币乙放置在O处,左侧与O点重合,将甲放置于B点由静止释放。当两枚硬币发生碰撞后,分别测量甲乙从O点到停止处的滑行距离OM和ON。保持释放位置不变,重复实验若干次,得到OP、OM、ON的平均值分别为s0、s1、s2。
(1)在本实验中,甲选用的是_______(填“一元”或“一角”)硬币;
根据题意可知,甲与乙碰撞后没有反弹,可知甲的质量大于乙的质量,甲选用的是一元硬币;
(2)碰撞前,甲到O点时速度的大小可表示为________(设硬币与纸板间的动摩擦因数为μ,重力加速度为g);
(3)若甲、乙碰撞过程中动量守恒,则 ______(用m1和m2表示),然后通过测得的具体数据验证硬币对心碰撞过程中动量是否守恒;
同理可得,碰撞后甲的速度和乙的速度分别为
若动量守恒,则满足m1v0=m1v1+m2v2
(4)由于存在某种系统或偶然误差,计算得到碰撞前后甲动量变化量大小与乙动量变化量大小的比值不是1,产生这种误差可能的原因________。
相关课件
这是一份第一篇 专题七 第十八讲 热学和光学实验-【高考二轮】新高考物理大二轮复习(课件+讲义+专练),文件包含第一篇专题七第18讲热学和光学实验pptx、第一篇专题七第18练热学和光学实验专练docx、第一篇专题七第18讲热学和光学实验教师版docx、第一篇专题七第18讲热学和光学实验学生版docx等4份课件配套教学资源,其中PPT共60页, 欢迎下载使用。
这是一份第一篇 专题七 第十七讲 电学实验-【高考二轮】新高考物理大二轮复习(课件+讲义+专练),文件包含第一篇专题七第17讲电学实验pptx、第一篇专题七第17练电学实验专练docx、第一篇专题七第17讲电学实验教师版docx、第一篇专题七第17讲电学实验学生版docx等4份课件配套教学资源,其中PPT共60页, 欢迎下载使用。
这是一份第一篇 专题六 第十五讲 热学-【高考二轮】新高考物理大二轮复习(课件+讲义+专练),文件包含第一篇专题六第15讲热学pptx、第一篇专题六第15练热学专练docx、第一篇专题六第15讲热学教师版docx、第一篇专题六第15讲热学学生版docx等4份课件配套教学资源,其中PPT共60页, 欢迎下载使用。

