所属成套资源:【备战2025】新高考物理大二轮复习课件+讲义+专练
第一篇 专题七 第十七讲 电学实验-【高考二轮】新高考物理大二轮复习(课件+讲义+专练)
展开
这是一份第一篇 专题七 第十七讲 电学实验-【高考二轮】新高考物理大二轮复习(课件+讲义+专练),文件包含第一篇专题七第17讲电学实验pptx、第一篇专题七第17练电学实验专练docx、第一篇专题七第17讲电学实验教师版docx、第一篇专题七第17讲电学实验学生版docx等4份课件配套教学资源,其中PPT共60页, 欢迎下载使用。
以闭合电路欧姆定律为核心的实验
(2023·北京卷·16)采用图甲所示的电路图来测量金属丝Rx的电阻率。(1)实验时,闭合开关S前,滑动变阻器的滑片P应处在_____(填“M”或“N”)端。
实验时,闭合开关S前,为保护电路,滑动变阻器滑片P应处在使并联部分电压为零处,滑动变阻器的滑片P应处在M端。
(2)按照图甲连接实物图,如图乙所示。闭合开关前检查电路时,发现有一根导线接错,该导线为____(填“a”“b”或“c”)。若闭合开关,该错误连接会带来的问题有_____________________________________。
滑动变阻器采用分压式接法,滑动变阻器下端两接线柱与电源相连,故b导线接错;该错误带来的问题是移动滑片的过程中电压表和电流表的示数不变。
移动滑片时,电压表和电流表的示数不变
(2023·辽宁卷·12)导电漆是将金属粉末添加于特定树脂原料中制作而成的能导电的喷涂油漆。现有一根用导电漆制成的截面为正方形的细长样品(固态),某同学欲测量其电阻率,设计了如图(a)所示的电路图,实验步骤如下:
a.测得样品截面的边长a = 0.20 cm;b.将平行排列的四根金属探针甲、乙、丙、 丁与样品接触,其中甲、乙、丁位置固 定,丙可在乙、丁间左右移动;c.将丙调节至某位置,测量丙和某探针之间的距离L;d.闭合开关S,调节电阻箱R的阻值,使电流表示数I=0.40 A,读出相应 的电压表示数U,断开开关S;e.改变丙的位置,重复步骤c、d,测量多组L和U,作出U-L图像如图(b) 所示,得到直线的斜率k。
回答下列问题:(1)L是丙到______(填“甲”“乙”或“丁”)的距离;
由于电压表测量的是乙、丙之间的电压,则L是丙到乙的距离。
(2)写出电阻率的表达式ρ =_____(用k、a、I表示);
(3)根据图像计算出该样品的电阻率ρ =__________ Ω·m(保留两位有效数字)。
根据图像可知k=6.5 V/m则根据(2)代入数据有ρ=6.5×10-5 Ω·m
(2023·云南保山市三模)如图所示,图甲为多用电表中欧姆表的电路图,已知灵敏电流计表头内阻Rg=900 Ω,满偏电流Ig=100 μA,电源电动势E
=1.5 V,内阻r=1 Ω。定值电阻R1=10 Ω,R2=90 Ω。图乙为多用电表的表盘,请回答下列问题:(1)电源的_____端为负极(填“左”或“右”)。
在多用电表当欧姆表使用的过程中,电流从红表笔流入,从黑表笔流出,所以黑表笔接着内部电源正极,所以电源的左端为负极。
(2)当开关拨至1时,欧姆表的倍率是_______(填“×1”“×10”“×100”或“×1 k”)。
(3)某同学把开关拨至1后,进行欧姆调零,当调零完毕时,滑动变阻器接入电路的电阻应为______ Ω。接着测量某一电阻,电表指针指示位置如图乙所示,则该电阻阻值为______ Ω。
(2023·湖北卷·12)某实验小组为测量干电池的电动势和内阻,设计了如图(a)所示电路,所用器材如下:电压表(量程0~3 V,内阻很大);电流表(量程0~0.6 A);电阻箱(阻值0~999.9 Ω);干电池一节、开关一个和导线若干。(1)根据图(a),完成图(b)中的实物图连线。
(2)调节电阻箱到最大阻值,闭合开关。逐次改变电阻箱的电阻,记录其阻值R、相应的电流表示数I和电压表示数U。根据记录数据作出的U-I图像如图(c)所示,则干电池的电动势为______ V(保留3位有效数字)、内阻为______ Ω(保留2位有效数字)。
由电路结合闭合电路的欧姆定律可得U=E-Ir由图像可知E=1.58 V
(3)该小组根据记录数据进一步探究,作出 图像如图(d)所示。利用图(d)中图像的纵轴截距,结合(2)问得到的电动势与内阻,还可以求出电流表内阻为______ Ω(保留2位有效数字)。
根据E=I(R+RA+r)
(4)由于电压表内阻不是无穷大,本实验干电池内阻的测量值______(填“偏大”或“偏小”)。
由于电压表内阻不是无穷大,则实验测得的是电压表内阻与干电池内阻的并联值,即实验中测得的干电池内阻偏小。
1.测量电阻创新方案对比
(2023·海南卷·15)用如图所示的电路测量一个量程为100 μA,内阻约为2 000 Ω的微安表头的内阻,所用电源的电动势约为12 V,有两个电阻箱可选,R1(0~9 999.9 Ω),R2(0~99 999.9 Ω)(1)RM应选____,RN应选___;
根据半偏法的测量原理可知,RM与RA相当,当闭合S2之后,滑动变阻器上方的电流应基本不变,就需要RN较大。故RM应选R1,RN应选R2。
(2)根据电路图,请把实物连线补充完整;
根据电路图连接实物图有
(3)下列操作顺序合理排列是___________:①将变阻器滑动头P移至最左端,将RN调至最大值;②闭合开关S2,调节RM,使微安表半偏,并读出RM阻值;③断开S2,闭合S1,调节滑动头P至某位置再调节RN使表头满偏;④断开S1、S2,拆除导线,整理好器材
半偏法的实验步骤应为①将变阻器滑动头P移至最左端,将RN调至最大值;③断开S2,闭合S1,调节滑动头P至某位置再调节RN使表头满偏;②闭合开关S2,调节RM,使微安表半偏,并读出RM阻值;④断开S1、S2,拆除导线,整理好器材。
(4)如图是RM调节后面板,则待测表头的内阻为_________,该测量值_____(填“大于”“小于”或“等于”)真实值。
RM调节后面板读数为1 998.0 Ω,即待测表头的内阻为199 8.0 Ω。闭合S2后,RM与RA的并联阻值小于RA的阻值,则流过RN的电流大于原来的电流,则流过RM的电流大于 故待测表头的内阻的测量值小于真实值。
(5)将该微安表改装成量程为2 V的电压表后,某次测量指针指在图示位置,则待测电压为______ V(保留3位有效数字)。
将该微安表改装成量程为2 V的电压表,则需要串联一个电阻R0,则有U=Ig(Rg+R0)此时的电压读数有U′=I′(Rg+R0)其中U=2 V,Ig=100 μA,I′=64 μA联立解得U′=1.28 V
(6)某次半偏法测量表头内阻的实验中,S2断开,电表满偏时读出RN值,在滑动头P不变,S2闭合后调节电阻箱RM,使电表半偏时读出RM,若认为OP间电压不变,则微安表内阻为________(用RM、RN表示)
(2023·山东青岛市一模)某同学要准确测量某型号电池的电动势和内阻,该电池的电动势E1约为3 V,内阻r1约为2 Ω,实验室里还备有下列实验器材:A.另一电池(电动势E2约为4.5 V,内阻r2约为3 Ω)B.电压表(量程为1 V,内阻约为3 000 Ω)C.电压表(量程为3 V,内阻约为5 000 Ω)D.电流表(量程为0.3 A,内阻约为0.5 Ω)E.电流传感器(内阻未知)F.滑动变阻器(最大阻值为10 Ω)G.滑动变阻器(最大阻值为40 Ω)H.滑动变阻器(最大阻值为60 Ω)I.开关两个,导线若干
根据所提供的实验器材,该同学设计了如图甲所示测量电路。
实验步骤如下:①将R1、R2调至适当阻值,闭合开关S1;②闭合开关S2,再调节R1、R2,使电流传感器的示数为零;③多次改变R1阻值,相应调节R2阻值,使电流传感器的示数仍然为零,并读取多组电压表、电流表的示数;④根据测得数据描绘出电压表示数U随电流表示数I变化的U-I图像。
请回答下列问题:(1)按所设计的实验电路,请在图乙中用笔画线代替导线将实物图连接补画完整;
(2)在实验中,电压表应选择____,若滑动变阻器R1选G,则滑动变阻器R2应选____;(选填器材前面的字母代号)
A.另一电池(电动势E2约为4.5 V,内阻r2约为3 Ω)B.电压表(量程为1 V,内阻约为3 000 Ω)C.电压表(量程为3 V,内阻约为5 000 Ω)D.电流表(量程为0.3 A,内阻约为0.5 Ω)E.电流传感器(内阻未知)F.滑动变阻器(最大阻值为10 Ω)G.滑动变阻器(最大阻值为40 Ω)H.滑动变阻器(最大阻值为60 Ω)I.开关两个,导线若干
根据题意,要使电流传感器的示数为零,则电流传感器两端电势差为零,则R1两端电压应满足U=E1-Ir1,E1约为3 V,故电压表选择C;要使电流传感器的示数为零,则R1两端电压应接近E1,R2两端电压应接近E2,而E2大约是E1的1.5倍,且流过R1与R2电流相同,则R2应该比R1大一些,故R2应选H;
(3)作出的U-I图像如图丙所示,则电动势E1=______ V,内阻r1=_____ Ω;(结果均保留2位有效数字)
U=E1-Ir1,将U-I图像中的点代入知E1=2.9 V,r1=2.0 Ω;
(4)请从实验误差角度简要评价该实验方案:___________________________________________________________。
电流传感器的示数为零,整个电路等效为串联回路,流过两电源的电流相等,电流表所测电流为流过待测电源的真实值,电压表所测电压是待测电源两端的真实路端电压,避免了电压表的分流作用或电流表的分压作用,消除了系统误差。
避免了电压表的分流作用
或电流表的分压作用,消除了系统误差
1.(2023·河南许昌、济源、洛阳、平顶山四市质检)某同学用伏安法测量一阻值约为几欧姆的电阻Rx,所用电压表内阻为1.00×103 Ω,电流表内阻为0.50 Ω。该同学采用两种测量方案,方案一是将电压表跨接在图甲所示电路的O、P两点之间,方案二是将电压表跨接在图甲所示电路的O、Q两点之间。
测量数据如下列表格:方案一表格(电压表跨接在图甲所示电路的O、P两点之间)
方案二表格(电压表跨接在图甲所示电路的O、Q两点之间)
回答下列问题:(1)在如图乙所示的坐标系中,画出两种方案分别对应的U-I图线,并标注。
(2)根据所用实验器材和图乙可判断出:把电压表跨接在________(选填“O、P”或“O、Q”)两点得到的结果更接近待测电阻的真实值,结果为______ Ω(结果保留2位小数)。
(3)考虑到实验中电表内阻的影响,需对问题(2)中得到的结果进行修正,修正后待测电阻的阻值为________ Ω(结果保留2位小数)。
考虑到实验中电表内阻的影响,问题(2)中电流表采用外接法,误差来源于电压表的分流,电阻测量值为待测电阻与电压表并联后的阻值,则有R测= =5.00 Ω代入RV=1.00×103 Ω,可得R真≈5.03 Ω。
2.(2023·福建省七地市质检)学校物理课外学习小组要测量一节干电池的电动势(约1.5 V)和内阻(小于1 Ω),选用的实验器材如下:A.电流表A(量程0~0.6 A,内阻约为0.1 Ω);B.微安表G(量程0~400 μA,内阻为100 Ω);C.滑动变阻器R′(0~20 Ω);D.电阻箱R(0~9 999.9 Ω);E.定值电阻R1(阻值为2.50 Ω);F.定值电阻R2(阻值为10.00 Ω);G.开关、导线若干。
(1)给定的两个定值电阻,选用____(选填“R1”或“R2”)最合适;
依题意,可知定值电阻在该电路中主要用于控制干路电流,从而起到保护电流表的作用,若选用定值电阻R1,当滑动变阻器的阻值调到零时,此时干路中的最大电流为Imax=
(2)将微安表G改装量程为2 V的电压表,该小组应将电阻箱调到阻值为________ Ω。
(3)根据选用的实验器材,请在图甲中虚线框内完善实验电路。
由于电源内阻较小,为了减小实验误差,电流表应相对于电源外接,则根据选用的实验器材,完善实验电路如图所示
(4)该小组根据记录的数据,作出微安表G的示数I1随电流表A的示数I2变化的图像如图乙所示,则该节干电池的电动势E=_____ V,内阻r=________ Ω。(结果均保留3位有效数字)
根据闭合电路欧姆定律有E=I1(R+Rg)+(I1+I2)(r+R1)
联立解得该节干电池的电动势E=1.44 V ,内阻r=0.502 Ω。
1.(2023·新课标卷·22)在“观察电容器的充、放电现象”实验中,所用器材如下:电池、电容器、电阻箱、定值电阻、小灯泡、多用电表、电流表、秒表、单刀双掷开关以及导线若干。
(1)用多用电表的电压挡检测电池的电压。检测时,红表笔应该与电池的______(填“正极”或“负极”)接触。
多用电表应满足电流“红进黑出”,因此红表笔与电源的正极相连;
(2)某同学设计的实验电路如图(a)所示。先将电阻箱的阻值调为R1,将单刀双掷开关S与“1”端相接,记录电流随时间的变化。电容器充电完成后,开关S再与“2”端相接,相接后小灯泡亮度变化情况可能是_____。(填正确答案标号)A.迅速变亮,然后亮度趋于稳定B.亮度逐渐增大,然后趋于稳定C.迅速变亮,然后亮度逐渐减小至熄灭
电容器放电过程中,电流由大逐渐变小,则小灯泡迅速变亮,然后亮度逐渐减小至熄灭,故C正确;
标轴所围面积等于该次充电完成后电容器上的________(填“电压”或“电荷量”)。
(3)将电阻箱的阻值调为R2(R2>R1),再次将开关S与“1”端相接,再次记录电流随时间的变化情况。两次得到的电流I随时间t变化如图(b)中曲线所示,其中实线是电阻箱阻值为____(填“R1”或“R2”)时的结果,曲线与坐
实线表示充电慢,用时长,最大电流小,故接入的电阻应该为大的电阻,即R2,因此实线表示电阻箱阻值为R2;根据公式 则I-t图像与坐标轴所围的面积表示电容器上电荷量。
2.(2023·全国乙卷·23)一学生小组测量某金属丝(阻值约十几欧姆)的电阻率。现有实验器材:螺旋测微器、米尺、电源E、电压表(内阻非常大)、定值电阻R0(阻值10.0 Ω)、滑动变阻器R、待测金属丝、单刀双掷开关K、开关S、导线若干。图(a)是学生设计的实验电路原理图。完成下列填空:
(1)实验时,先将滑动变阻器R接入电路的电阻调至最大,闭合S
(2)将K与1端相连,适当减小滑动变阻器R接入电路的电阻,此时电压表读数记为U1,然后将K与2端相连,此时电压表读数记为U2。由此得到流过待测金属丝的电流I=________,金属丝的电阻r=________。(结果均用R0、U1、U2表示)
根据题意可知,R0两端的电压为U=U2-U1则流过R0及待测金属丝的电流
(3)继续微调R,重复(2)的测量过程,得到多组测量数据,如下表所示:
(4)利用上述数据,得到金属丝的电阻r=14.2 Ω。(5)用米尺测得金属丝长度L=50.00 cm。用螺旋测微器测量金属丝不同位置的直径,某次测量的示数如图(b)所示,该读数为d=________ mm。多次测量后,得到直径的平均值恰好与d相等。
螺旋测微器的读数为d=0+15.0×0.01 mm=0.150 mm
(6)由以上数据可得,待测金属丝所用材料的电阻率ρ=_____×10-7 Ω·m。(保留2位有效数字)
代入数据联立解得ρ≈5.0×10-7 Ω·m
3.(2023·四川成都市二模)某同学欲利用半偏法测量量程为2.0 V的电压表V的内阻(约为几千欧),设计了如图甲所示电路,可供选择的器材有:电阻箱R(最大阻值9 999.9 Ω),滑动变阻器R1(最大阻值20 Ω),滑动变阻器R2(最大阻值2 kΩ),直流电源E(电动势3 V),开关2只,导线若干。实验步骤如下:a.按图甲连接线路;b.闭合开关S1、S2,调节滑动变阻器滑片,使电压表满偏;c.保持滑动变阻器滑片位置不变,断开开关S2,调节电阻 箱使电压表示数为1.0 V,记下电阻箱的阻值。
(1)实验中滑动变阻器应选择________(填“R1”或“R2”)。
滑动变阻器由于采用的是分压接法,为了便于操作,应该选择最大阻值较小的滑动变阻器,故选择R1。
(2)根据图甲电路,用笔画线代替导线,将图乙中实物图连接成实验电路。
(3)在步骤b中,闭合开关S1、S2前,滑动变阻器的滑片应该移到图甲中最____(填“左”或“右”)端。
在步骤b中,闭合开关S1、S2前,滑动变阻器的滑片应该移到图甲中最左端,其目的是保护电表,且使电压表的示数从零开始调节。
(4)在步骤c中,记录的电阻箱阻值为1 998.0 Ω,若认为调节电阻箱时滑动变阻器上的分压不变,则该电压表的内阻为______ Ω(结果保留到整数位)。实际上在调节电阻箱时滑动变阻器上的分压会发生微小变化,如果要考虑其变化的影响,用半偏法测量的电压表内阻与其真实值相比,测量值____(填“小于”“等于”或“大于”)真实值。
在步骤c中,记录的电阻箱阻值为1 998.0 Ω,若认为调节电阻箱时滑动变阻器上的分压不变,根据串联电路的分压特点有RV=R=1 998 Ω。根据设计的电路,实际上在调节电阻箱时滑动变阻器上的分压要变大,大于2 V,故电阻箱分得的电压大于1 V,电阻箱的阻值大于电压表的真实阻值,测量值大于真实值。
(5)该同学进一步研究了该电压表的内部结构,发现它是由一个表头和电阻串联而成,由此可以推断该表头的满偏电流为_____。A.500 μA B.750 μAC.1 mA D.10 mA
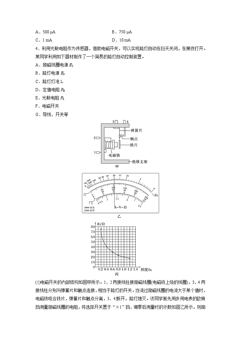
4.利用光敏电阻作为传感器,借助电磁开关,可以实现路灯自动在白天关闭,在黑夜打开。某同学利用如下器材制作了一个简易的路灯自动控制装置。A.励磁线圈电源E1B.路灯电源E2C.路灯灯泡LD.定值电阻R0E.光敏电阻R1F.电磁开关G.导线、开关等
(1)电磁开关的内部结构如图甲所示。1、2两接线柱接励磁线圈(电磁铁上绕的线圈),3、4两接线柱分别与弹簧片和触点连接,相当于路灯的开关。当流过励磁线圈的电流大于某个值时,电磁铁吸合铁片,弹簧片和触点分离,3、4断开,路灯熄灭。该同学首先用多用电表的欧姆挡测量励磁线圈的电阻,将选择开关置于“×1”挡,调零后测量时的示数如图乙所示,则励磁线圈的电阻约为______ Ω。
由多用电表欧姆挡的读数规则可知,励磁线圈的电阻约为r=20 Ω
(2)图丙为光敏电阻的阻值随照度的变化关系(照度可以反映光的强弱,光越强,照度越大,单位为lx)。从图丙中可以看出,光敏电阻的阻值随照度的增大而________(选填“减小”“不变”或“增大”)。
从题图丙中可以看出,光敏电阻的阻值随照度的增大而逐渐减小;
(3)如图丁所示,请用笔画线代替导线,将该同学设计的自动控制电路补充完整。
(4)已知励磁线圈电源E1=6.0 V(内阻不计),定值电阻R0=60 Ω。若设计要求当流过励磁线圈的电流为0.05 A时点亮路灯,则此时的照度约为_____ lx。
因定值电阻R0=60 Ω,励磁线圈的电阻r=20 Ω,故此时光敏电阻的阻值应为R1=R-R0-r=40 Ω,由题图乙可知此时的照度约为0.4 lx。
5.(2023·广西南宁市二模)某同学在实验室分别研究多用电表的内置电源。
(1)该同学先找来一量程为2 mA、内阻未知的毫安表,进行了如下操作:①将多用电表选择开关置于“OFF”挡,观察指针是否指在电流零刻度处,若没有,则调节机械调零旋钮使指针指在电流零刻度处。②将选择开关旋至电阻“×100”挡,再将红表笔和黑表笔短接,调节欧姆调零旋钮使指针指在电阻零刻度处。
③将红、黑表笔接在待测毫安表的两个接线柱上,发现多用电表指针刚好指在表盘正中间,如图甲所示,毫安表的指针也刚好指在表盘正中间,该同学由此算出此多用电表内置电源的电动势约为_____ V。
将多用电表红、黑表笔接在待测毫安表的两个接线柱上,发现多用电表指针刚好指在表盘正中间,毫安表的指针也刚好指在表盘正中间,根据闭合电路欧姆定律可得
又RA=15×100 Ω=1 500 Ω=rΩ故此多用电表内置电源的电动势为E=3 V
(2)为了进一步研究,该同学取下此多用电表的内置电源,按图乙所示的电路测量其电动势和内阻。连接好电路,闭合开关,改变电阻箱的阻值R,记录对应电压表的读数U,作出的 图像如图丙所示,图线与横、纵坐标轴的截距分别为-b、a,定值电阻的阻值用R0表示,电压表可视为理想电表,则该电池组的电动势为____,内阻为______(均用所给物理量的字母表示)。
由题图乙电路图,根据闭合电路欧姆定律可得
6.(2023·河南省五市联考)如图甲所示为物理兴趣小组设计的多用电表的电路原理图。他们选用内阻Rg=10 Ω、满偏电流Ig=10 mA的电流表、标识不清的电源,以及定值电阻、导线、滑动变阻器等组装成多用电表。该多用电表表盘如图乙所示,下排刻度均匀,上排刻度线对应数值还没有标出。
该兴趣小组在实验室找到了一个电阻箱,利用组装好的多用电表设计了如下从“校”到“测”的实验:(1)将选择开关接“2”,红黑表笔短接,调节R1的阻值使电表指针满偏;
(2)将多用电表红黑表笔与电阻箱相连,调节电阻箱使多用电表指针指在电表刻度盘中央C处,此时电阻箱如图丙所示,则C处刻度线的标注值应为______,多用电表内部电源的电动势E=____ V。
将多用电表红黑表笔与电阻箱相连,调节电阻箱使多用电表指针指在电表刻度盘中央C处,此时电阻箱如图丙所示,则C处刻度线的标注值应为RC=(0×1 000+1×100+5×10+0×1) Ω=150 Ω红黑表笔短接时,根据闭合电路欧姆定律可得
联立解得E=1.5 V,R欧=150 Ω
(3)用待测电阻Rx代替电阻箱接入两表笔之间,表盘指针指在图乙所示位置,则计算可知待测电阻约为Rx=________________ Ω(结果保留三位有效数字)。
67.4(65.8~69.0)
(4)小组成员拿来一块电压表,将两表笔分别触碰电压表的两接线柱,其中____(填“红”或“黑”)表笔接电压表的正接线柱,该电压表示数为1.45 V,可以推知该电压表的内阻为________ Ω。
7.(2023·湖南卷·12)某探究小组利用半导体薄膜压力传感器等元件设计了一个测量微小压力的装置,其电路如图(a)所示,R1、R2、R3为电阻箱,RF为半导体薄膜压力传感器,C、D间连接电压传感器(内阻无穷大)。
(1)先用欧姆表“×100”挡粗测RF的阻值,示数如图(b)所示,对应的读数是_______ Ω;
欧姆表读数为10×100 Ω=1 000 Ω
(2)适当调节R1、R2、R3,使电压传感器示数为0,此时,RF的阻值为_______(用R1、R2、R3表示);
当电压传感器读数为零时,C、D两点电势相等,
(3)依次将0.5 g的标准砝码加载到压力传感器上(压力传感器上所受压力大小等于砝码重力大小),读出电压传感器示数U,所测数据如下表所示:
根据表中数据在图(c)上描点,绘制U-m关系图线;
(4)完成前面三步的实验工作后,该测量微小压力的装置即可投入使用。在半导体薄膜压力传感器上施加微小压力F0,电压传感器示数为200 mV,则F0大小是___________ N(重力加速度取9.8 m/s2,保留2位有效数字);
由图像可知,当电压传感器的读数为200 mV时,所放物体质量为1.75 g,则F0=mg=1.75×10-3×9.8 N≈1.7×10-2 N
相关课件
这是一份第一篇 专题七 第十八讲 热学和光学实验-【高考二轮】新高考物理大二轮复习(课件+讲义+专练),文件包含第一篇专题七第18讲热学和光学实验pptx、第一篇专题七第18练热学和光学实验专练docx、第一篇专题七第18讲热学和光学实验教师版docx、第一篇专题七第18讲热学和光学实验学生版docx等4份课件配套教学资源,其中PPT共60页, 欢迎下载使用。
这是一份第一篇 专题七 第十六讲 力学实验-【高考二轮】新高考物理大二轮复习(课件+讲义+专练),文件包含第一篇专题七第16讲力学实验pptx、第一篇专题七第16练力学实验专练docx、第一篇专题七第16讲力学实验教师版docx、第一篇专题七第16讲力学实验学生版docx等4份课件配套教学资源,其中PPT共60页, 欢迎下载使用。
这是一份第一篇 专题六 第十五讲 热学-【高考二轮】新高考物理大二轮复习(课件+讲义+专练),文件包含第一篇专题六第15讲热学pptx、第一篇专题六第15练热学专练docx、第一篇专题六第15讲热学教师版docx、第一篇专题六第15讲热学学生版docx等4份课件配套教学资源,其中PPT共60页, 欢迎下载使用。

