陕西省西安市高新第一中学2024-2025学年九年级上学期10月考化学试题
展开可用到的相对原子最: O-16 Cl-35.5 K-39
一、选择题 (共9小题,每题2分,计18分,每小题只有一个选项符合题意)
1.空气中的成分中带“气”的物质,属于氧化物的是
A. 氮气 B.水蒸气 C. 氧气 D.人呼出气
2. 我国科学家制备出“人造树叶”,可将二氧化碳变成氧气,二氧化碳一定条件下能产生氧气的原因是因为二氧化碳中含有
A. 氧元素 B. 氧分子 C. 氧原子 D. 氧离子
3.空气中各成分的应用越来越广泛,下列物质用途主要利用物理性质的是 ( )
A. 氮气--充氮包装食品 B. 氧气——医疗急救
C. 稀有气体——激光技术 D. 天然气---用作燃料
4. 2024年5月 12日是第 16个全国防灾减灾日,主题是“人人讲安全、个个会应急着力提升基层防灾避险能力”,下列做法符舍安全要求的是
A. 厨房安全:察觉燃气泄漏,立即用燃着的火柴检查泄露处
B. 火灾安全:高层住户的室内起火,立即打开所有门窗通风
C. 饮食安全:食物腐败是缓慢氧化,腐败变质的食物不能食用
D. 实验安全:不小心打翻了实验台上燃着酒精灯立即撤离现场
5.下列用高锰酸钾固体制取氧气并验证铁丝在氧气中燃烧的实验操作,其中正确的是
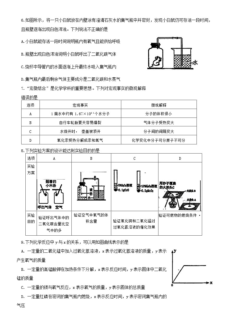
6.如图所示,将一只小白鼠放在内壁涂有澄清石灰水的集气瓶中并密封,发现小白鼠仍可存活一段时间,且瓶壁逐渐出现白色浑浊。下列说法不正确的是
A.小白鼠能存活一段时间说明瓶内有氧气且能供给呼吸
B.瓶壁出现白色浑浊说明小白鼠呼出了二氧化碳气体
C.烧杯中导管内的水面逐渐上升最终水吸入集气瓶内
D.集气瓶内最后剩余气体主要成分是二氧化碳和水蒸气
7.“宏微结合”是化学学科的重要思想。下列对宏观事实的微观解释错误的是
8.下列实验方案的设计能达到实验目的的是
9.下列化学反应中y与x的关系,可以用如图曲线表示的是
A. 一定量的二氧化锰中加入过氧化氢溶液,x表示过氧化氢溶液的质量,y表示产生氧气的质量
B. 一定量的高锰酸钾在加热条件下分解,x表示反应时间,y表示固体中二氧化锰的质量
C. 一定量的镁与氧气反应,x表示氧气的质量,y表示固体的总质量
D. 一定量红磷在密闭的集气瓶内燃烧,x表示反应时间,y表示密闭集气瓶内的气压选项
宏观事实
微观解释
A
1滴水中约有1.67×10²¹个水分子
分子的体积很小
B
自行车轮胎夏天容易爆裂
气体分子受热变大
C
水烧开时, 壶盖被顶开
分子间的间隔变大
D
氧化汞受热分解成汞和氧气
化学变化中分子可分原子不可分
选项
A
B
C
D
实验方案
实验目的
验证呼出气体中的二氧化碳含量比空气中的多
验证空气中氧气的体积含量
验证氧化铜和二氧化锰对过氧化氢溶液的催化效果
验证可燃物的燃烧条件·
二、填空及简答题 (共6小题,计24分)
10. (4分) 在劳动中感悟化学原理。小原和家人一起包饺子。
(1) 煮饺子:打开电子点火器点燃燃气,电子点火器的作用是满足燃烧条件中的 。
(2) 关火:饺子煮熟后,关闭天然气阀门火焰熄灭,其灭火原理是 。
(3) 捞饺子:用漏勺将饺子捞出,利用的原理与实验操作 相同。
(4)配蘸料:打开陈醋瓶能闻到醋的气味,从微观角度看这说明 。
11. (4分) 我国是茶文化的发源地。唐代陆羽《茶经》中记载:“风炉以铜铁铸之……底一窗以为通飚漏烬之所……风能兴火,火能熟水。”
(1) 可以根据铜和铁颜色不同而将二者区分开来,这是利用了这两种物质的 (选填“物理”或“化学”) 性质。
(2) 铸造“风炉”的物质属于 (选填“纯净物”或“混合物”)。
(3)“烬”中含碳酸钾,碳酸钾的化学式为 。
(4)“风能兴火”,风能使火烧得更旺的原因是 。
12. (4分) 正确理解和使用化学用语是学习化学的关键。根据下列几种化学符号,回答问题:①O ②Fe²⁺ ③Fe³⁺ ④Fe ⑤CO₂
(1) 属于单质的是 (填序号)。
(2) 能表示一个分子的是 (填序号)。
(3) ②③④是不同的微粒但元素种类相同,因为它们的 相同。
(4) 标出⑤的物质中碳元素的化合价 。
13. (3分) 空气是一种宝贵的资源,请回答下列问题。
(1)冬季,戴眼镜的同学从室外进入到室内,镜片上瞬间出现一层细密的小液滴,说明空气中含有 (填名称)。
(2)空气的成分按体积计算,氮气约占 %。
(3)空气质量日报可以及时反映空气质量状况。空气污染危害我们的身体健康。下列物质属于空气污染物的是 (填字母)。
A. 二氧化硫 B. 一氧化碳 C. 二氧化碳 D. 稀有气体
14. (4分) 金属镓 ( Ga)可用于制作半导体,镓 Ga元素在元素周期表的信息以及镓 ( Ga)与 A、B、C、D、E的微粒结构示意图如图所示。根据下图回答问题:
(1) 镓原子与 (填字母序号);的化学性质相似。
(2) 图中C所表示的微粒的符号是 。
(3) B与E元素形成化合物的化学式为 。
(4) 结合上图中镓元素在元素周期表的信息,以及镓原子结构示意图,下列说法正确的是 (填字母)。
A. 镓元素属于金属元素
B. 镓原子的核电荷数是31
C. 镓的相对原子质量是69.72g
D. 镓元素在元素周期表中第3周期
15. (5分) 图中A-E是初中化学常见的物质。在通常情况下,A是白色固体,B、E是一种无色液体且组成元素相同。D在C中能燃烧发出耀眼白光,可用来做照明弹。图中“—”表示两端的物质能发生化学反应,“→”表示物质间存在转化关系; 反应条件、部分反应物和生成物已略去。
(1) 写出物质E的化学式 6
(2) B、E的组成元素相同,但其化学性质不同,从微观角度看是因为 。
(3) 写出D在C中燃烧的反应化学方程式 。
(4)根据转化关系,下列有关说法正确的是 (填字母)。
A. B→E的反应中氧元素化合价不变
B. B→C的基本反应类型是分解反应
C. A→C 的反应中二氧化锰在固体混合物中质量分数不变
三、实验及探究题 (共2小题,计13分)
16. (5分) 人类离不开氧气,获得氧气的方法有多种。图1是实验室制取氧气常用的三种方法。图2是实验室制取氧气常用的装置,回答下列问题。
(1) 根据绿色化学的理念,你认为图1的甲、乙、丙三种实验室制取氧气的途径中 (填“甲”、“乙”或“丙”) 途径更能体现化学实验的绿色化追求。
(2) 实验室用甲方法制氧气反应的化学方程式为 。
(3) 实验室用乙方法制取氧气时选用B装置作为发生装置,该装置中使用长颈漏斗的优点是 。
(4) 用C装置收集氧气,验满时应将带火星木条放在 (选填“a”或“b”) 导管口。17. (8分) 关于燃烧的研究是一项重要的课题。某化学兴趣小组以燃烧为主题开展项目式学习。
【任务一】认识燃烧
(1) 硫、木炭、红磷均能在空气和氧气中燃烧,下列对这三种物质在空气中和氧气中燃烧的认识,正确的是 。(填序号)
A.都是氧化反应 B.都产生有毒物质
C.都是化合反应 D.燃烧剧烈程度相同
【任务二】再探燃烧
为进一步探究影响物质燃烧的因素,小组同学进行如图1实验。已知白磷着火点是 40°C。
步骤一:取一粒白磷于试管中,插入温度传感器后,将试管伸入 80°C热水中。
步骤二:打开弹簧夹,将过氧化氢溶液推入装有少量 MnO₂的试管中
观察实验现象,并将整个实验过程中通过温度传感器采集到的温度数据,绘制成曲线,如图2所示。
(2) 步骤二将过氧化氢溶液推入试管后该试管发生反应的化学方程式为 。
(3) 图2的曲线上D点的温度比B点的高,据此你对燃烧的认识是 。
【任务三】探究铁丝燃烧
【提出问题】铁丝燃烧时为什么会有“火星四射”的现象?
【查阅资料】铁丝燃烧时“火星四射”现象与铁丝含碳量有关。
【进行实验】探究铁丝在氧气燃烧时“火星四射”的现象与其含碳量的关系。
【实验拓展】同学们认为燃烧的现象还与氧气的浓度有关,想收集不同浓度的氧气进行相关实验。若用排水法收集一瓶体积分数约为80%的氧气,预先向容积为360mL 的集气瓶中加水,装入水的体积约为 mL (取整数)。实验
现象
解释与结论
实验1:取直径0.2mm,含碳量为0.1%的铁丝,在氧气中燃烧
零星的火星四射
铁丝燃烧的化学反应方程式为______________________。
实验2: 取直径0.2mm, 含碳量为0.32%的铁丝,在氧气中燃烧
较明显的火星四射
铁丝在氧气中燃烧,“火星四射”现象是否明显与铁丝的含碳量有关, 含碳量越高, 火星四射现象越明显。
实验3: 取直径为_________ mm, 含磁盘为0.52%的铁丝,在氧气中燃烧
剧烈燃烧火星四射
四、一计算与分析题 (共1小题,计5分)
18.(5分) 将氯酸钾和二氧化锰的混合物共30g加热,完全反应后,剩余固体质量为20.4g。(已知化学反应前各物质质量总和与反应后各物质质量总和相等,且反应前后各元素质量不变)
(1) 完全反应后生成氧气质量为 g。
(2) 氯酸钾的相对分子质量为 。
(3) 原混合物中氯酸钾的质量为 g。
(4) 剩余固体中二氧化锰的质量为 g。
(5) 剩余固体中氯化钾的质量为 g。
陕西省西安市莲湖区庆安中学2024-2025学年九年级上学期10月月考化学试题: 这是一份陕西省西安市莲湖区庆安中学2024-2025学年九年级上学期10月月考化学试题,共3页。
陕西省西安市莲湖区庆安中学2024-2025学年九年级上学期10月月考化学试题(无答案): 这是一份陕西省西安市莲湖区庆安中学2024-2025学年九年级上学期10月月考化学试题(无答案),共6页。试卷主要包含了单选题,填空题,实验题,计算题等内容,欢迎下载使用。
陕西省西安市高新第一中学2023-2024学年九年级下学期开学收心考化学试题: 这是一份陕西省西安市高新第一中学2023-2024学年九年级下学期开学收心考化学试题,共16页。试卷主要包含了选择题,填空及简答题,实验与探究题,计算与分析题等内容,欢迎下载使用。

