新高考化学一轮复习讲练测第31讲 晶体结构与性质(讲)(解析版)
展开1.了解晶体的类型,了解不同类型晶体中结构微粒、微粒间作用力的区别。
2.了解晶格能的概念,了解晶格能对离子晶体性质的影响。
3.了解分子晶体结构与性质的关系。
4.了解原子晶体的特征,能描述金刚石、二氧化硅等原子晶体的结构与性质的关系。
5.理解金属键的含义,能用金属键理论解释金属的一些物理性质。了解金属晶体常见的堆积方式。
6.了解晶胞的概念,能根据晶胞确定晶体的组成并进行相关的计算。
知识点一 晶胞、晶体结构模型
1.晶体与非晶体
(1)晶体与非晶体的区别
(2)获得晶体的三条途径
①熔融态物质凝固
②气态物质冷却不经液态直接凝固(凝华)
③溶质从溶液中析出
2.晶胞
(1)概念:晶胞是描述晶体结构的基本单元。
(2)晶体中晶胞的排列——无隙并置
①无隙:相邻晶胞之间没有任何间隙。
②并置:所有晶胞平行排列、取向相同。
【特别提醒】(1)具有规则几何外形的固体不一定是晶体,如玻璃。
(2)晶体与非晶体的本质区别:是否有自范性。
(3)晶胞是从晶体中“截取”出来具有代表性的“平行六面体”,但不一定是最小的“平行六面体”。
3.常见晶体的结构模型
知识点二 四种晶体的性质与判断
1.金属键、金属晶体
(1)金属键:金属阳离子与自由电子之间的作用。
(2)本质——电子气理论
该理论认为金属原子脱落下来的价电子形成遍布整块晶体的“电子气”,被所有原子共用,从而把所有的金属原子维系在一起。
(3)金属晶体的物理性质及解释
2.离子晶体的晶格能
(1)定义:气态离子形成1摩离子晶体释放的能量,通常取正值,单位为kJ·ml-1。
(2)影响因素
①离子所带电荷数:离子所带电荷数越多,晶格能越eq \a\vs4\al(大)。
②离子的半径:离子的半径越eq \a\vs4\al(小),晶格能越大。
(3)与离子晶体性质的关系
晶格能越大,形成的离子晶体越稳定,且熔点越高,硬度越eq \a\vs4\al(大)。
3.四种晶体类型的比较
【特别提醒】(1)原子晶体一定含有共价键,而分子晶体可能不含共价键。
(2)含阴离子的晶体中一定含有阳离子,但含阳离子的晶体中不一定含阴离子,如金属晶体。
4.晶体熔、沸点高低的比较
(1)不同类型晶体熔、沸点的比较
①不同类型晶体的熔、沸点高低一般规律:原子晶体>离子晶体>分子晶体。
②金属晶体的熔、沸点差别很大,如钨、铂等熔、沸点很高,汞、铯等熔、沸点很低。
(2)同种类型晶体熔、沸点的比较
①原子晶体
eq \x(原子半径越小)→eq \x(键长越短)→eq \x(键能越大)→eq \x(熔、沸点越高)
如熔点:金刚石eq \a\vs4\al(>)碳化硅eq \a\vs4\al(>)硅。
②离子晶体
一般地说,阴、阳离子的电荷数越多,离子半径越小,则晶格能越大,晶体的熔、沸点越eq \a\vs4\al(高),如熔点:MgOeq \a\vs4\al(>)MgCl2,NaCleq \a\vs4\al(>)CsCl。
③分子晶体
a.分子间范德华力越大,物质的熔、沸点越高;具有氢键的分子晶体熔、沸点反常高。如H2Oeq \a\vs4\al(>)H2Teeq \a\vs4\al(>)H2Se>H2S。
b.组成和结构相似的分子晶体,相对分子质量越大,熔、沸点越高,如SnH4>GeH4>SiH4>CH4。
c.组成和结构不相似的分子晶体(相对分子质量接近),其分子的极性越大,熔、沸点越高,如CH3Cleq \a\vs4\al(>)CH3CH3。
d.同分异构体,支链越多,熔、沸点越低。
如CH3CH2CH2CH2CH3eq \a\vs4\al(>)
④金属晶体
金属离子半径越小,离子电荷数越多,其金属键越强,金属晶体的熔、沸点越高,如熔、沸点:Naeq \a\vs4\al(<)Mgeq \a\vs4\al(<)Al。
【特别提醒】(1)原子晶体的熔点不一定比离子晶体高,如石英的熔点为1 710 ℃,MgO的熔点为2 852 ℃。
(2)金属晶体的熔点不一定比分子晶体的熔点高,如Na的熔点为97 ℃,尿素的熔点为132.7 ℃。
【方法技巧】判断晶体类型的方法
(1)主要是根据各类晶体的特征性质判断
如低熔、沸点的化合物形成分子晶体;熔、沸点较高,且在水溶液中或熔融状态下能导电的化合物形成离子晶体;熔、沸点很高,不导电,不溶于一般溶剂的物质形成原子晶体;晶体能导电、传热、具有延展性的为金属晶体。
(2)根据物质的类别判断
金属氧化物(如K2O、Na2O2等)、强碱(如NaOH、KOH等)和绝大多数的盐类是离子晶体;大多数非金属单质(除金刚石、石墨、晶体硅、晶体硼外)、气态氢化物、非金属氧化物(除SiO2外)、酸、绝大多数有机物(除有机盐外)是分子晶体。常见的原子晶体中单质有金刚石、晶体硅、晶体硼等;常见的原子晶体中化合物有碳化硅、二氧化硅等。金属单质(注:汞在常温为液体)与合金是金属晶体。
高频考点一 晶体类型判断
【例1】(2022·江苏卷)下列说法正确的是( )
A. 金刚石与石墨烯中的夹角都为
B. 、都是由极性键构成的非极性分子
C. 锗原子()基态核外电子排布式为
D. ⅣA族元素单质的晶体类型相同
【变式探究】(2021·辽宁卷)单质硫和氢气在低温高压下可形成一种新型超导材料,其晶胞如图。下列说法错误的是
A.S位于元素周期表p区B.该物质的化学式为
C.S位于H构成的八面体空隙中D.该晶体属于分子晶体
【变式探究】(2021·天津卷)下列各组物质的晶体类型相同的是
A.SiO2和SO3B.I2和NaClC.Cu和AgD.SiC和MgO
【变式探究】(2021·全国甲卷)太阳能电池板主要材料为单晶硅或多晶硅。Si 的价电子层的电子排布式为 ;单质硅的晶体类型为 。
【变式探究】(2020·山东卷)CdSnAs2是一种高迁移率的新型热电材料,回答下列问题:
(1)Sn为ⅣA族元素,单质Sn与干燥Cl2反应生成SnCl4。常温常压下SnCl4为无色液体,SnCl4空间构型为_____________,其固体的晶体类型为_____________。
高频考点二 晶胞粒子数与晶体化学式判断
【例2】(2022·湖北卷)某立方卤化物可用于制作光电材料,其晶胞结构如图所示。下列说法错误的是( )
A. 的配位数为6B. 与距离最近的是
C. 该物质的化学式为D. 若换为,则晶胞棱长将改变
【变式探究】(2022·广东卷)我国科学家发展了一种理论计算方法,可利用材料的晶体结构数据预测其热电性能,该方法有助于加速新型热电材料的研发进程。化合物X是通过该方法筛选出的潜在热电材料之一,其晶胞结构如图1,沿x、y、z轴方向的投影均为图2。
①X的化学式为_______。
②设X的最简式的式量为,晶体密度为,则X中相邻K之间的最短距离为_______(列出计算式,为阿伏加德罗常数的值)。
【变式探究】(2022·湖南卷)钾、铁、硒可以形成一种超导材料,其晶胞在xz、yz和xy平面投影分别如图所示:
①该超导材料的最简化学式为_______;
②Fe原子的配位数为_______;
③该晶胞参数、。阿伏加德罗常数的值为,则该晶体的密度为_______(列出计算式)。
【变式探究】(2021·天津卷)用X射线衍射测定,得到Fe的两种晶胞A、B,其结构如图所示。晶胞A中每个Fe原子紧邻的原子数为___________。每个晶胞B中含Fe原子数为___________。
高频考点三 晶体密度及粒子间距的计算
【例3】(2022·全国甲卷)萤石(CaF2)是自然界中常见的含氟矿物,其晶胞结构如图所示,X代表的离子是_______;若该立方晶胞参数为a pm,正负离子的核间距最小为_______pm。
【变式探究】(2022·全国乙卷)晶体中离子作体心立方堆积(如图所示),主要分布在由构成的四面体、八面体等空隙中。在电场作用下,不需要克服太大的阻力即可发生迁移。因此,晶体在电池中可作为_______。
已知阿伏加德罗常数为,则晶体的摩尔体积_______(列出算式)。
【变式探究】 (2022·北京卷)晶胞为立方体,边长为,如图所示。
①与紧邻的阴离子个数为___________。
②晶胞的密度为___________ 。
【变式探究】(2021·山东卷)XeF2晶体属四方晶系,晶胞参数如图所示,晶胞棱边夹角均为90°,该晶胞中有___________个XeF2分子。以晶胞参数为单位长度建立的坐标系可以表示晶胞中各原子的位置,称为原子的分数坐标,如A点原子的分数坐标为(,,)。已知Xe—F键长为rpm,则B点原子的分数坐标为_______________;晶胞中A、B间距离d=_________pm。
【变式探究】(2021·广东卷)理论计算预测,由汞(Hg)、锗(Ge)、锑(Sb)形成的一种新物质X为潜在的拓扑绝缘体材料。X的晶体可视为Ge晶体(晶胞如图9a所示)中部分Ge原子被Hg和Sb取代后形成。
①图9b为Ge晶胞中部分Ge原子被Hg和Sb取代后形成的一种单元结构,它不是晶胞单元,理由是__________________。
②图9c为X的晶胞,X的晶体中与Hg距离最近的Sb的数目为_________;该晶胞中粒子个数比Hg:Ge:Sb = _________。
③设X的最简式的式量为Mr,则X晶体的密度为________g/cm3(列出算式)。
【变式探究】(2021·湖南卷)下图是Mg、Ge、O三种元素形成的某化合物的晶胞示意图。
①己知化合物中Ge和O的原子个数比为1:4,图中Z表示_____________原子(填元素符号),该化合物的化学式为________V_____;
②已知该晶胞的晶胞参数分别为anm、bnm、cnm,,则该晶体的密度____________(设阿伏加德罗常数的值为NA,用含a、b、c、NA的代数式表示)。
【变式探究】(2020·新课标Ⅱ卷)一种立方钙钛矿结构的金属卤化物光电材料的组成为Pb2+、I﹣和有机碱离子,其晶胞如图(b)所示。其中Pb2+与图(a)中__________的空间位置相同,有机碱中,N原子的杂化轨道类型是__________;若晶胞参数为a nm,则晶体密度为_________g·cm-3(列出计算式)。
【变式探究】(2020·新课标Ⅲ卷)研究发现,氦硼烷在低温高压条件下为正交晶系结构,晶胞参数分别为a pm、b pm、c pm,α=β=γ=90°。氨硼烷的2×2×2超晶胞结构如图所示。
氨硼烷晶体的密度ρ=___________g·cm−3(列出计算式,设NA为阿伏加德罗常数的值)。
【变式探究】(2020·天津卷)CO的面心立方晶胞如图所示。设阿伏加德罗常数的值为NA,则CO晶体的密度为______g﹒cm-3:三种元素二价氧化物的晶胞类型相同,其熔点由高到低的顺序为_______________。
高频考点四 常见晶体模型的微观结构分析
【例4】(2022·山东卷)是一种钠离子电池正极材料,充放电过程中正极材料立方晶胞(示意图)的组成变化如图所示,晶胞内未标出因放电产生的0价Cu原子。下列说法正确的是
A. 每个晶胞中个数为x
B. 每个晶胞完全转化为晶胞,转移电子数为8
C. 每个晶胞中0价Cu原子个数为
D. 当转化为时,每转移电子,产生原子
【变式探究】(2021·湖北卷)某立方晶系的锑钾(Sb—K)合金可作为钾离子电池的电极材料,图a为该合金的晶胞结构图,图b表示晶胞的一部分。下列说法正确的是
A.该晶胞的体积为a3×10-36cm-3B.K和Sb原子数之比为3∶1
C.与Sb最邻近的K原子数为4D.K和Sb之间的最短距离为apm
【变式探究】(2021·全国甲卷)我国科学家发明了高选择性的二氧化碳加氢合成甲醇的催化剂,其组成为ZnO/ZrO2固溶体。四方ZrO2晶胞如右图所示。Zr4+离子在晶胞中的配位数是 ,晶胞参数为apm、apm、cpm,该晶体密度为g·cm-3 (写出表达式)。在ZrO2中掺杂少量ZnO后形成的催化剂,化学式可表示为ZnxZr1-xOy,则y= (用x表达)。
【变式探究】(2021·全国乙卷)在金属材料中添加AlCr2颗粒,可以增强材料的耐腐蚀性、硬度和机械性能。AlCr2具有体心四方结构,如图所示。处于顶角位置的是 原子。设Cr和Al原子半径为rCr和rAl,则金属原子空间占有率为 %(列出计算表达式)。
。
比较
晶体
非晶体
结构特征
结构微粒周期性有序排列
结构微粒无序排列
性质特征
自范性
有
无
熔点
固定
不固定
异同表现
各向异性
各向同性
二者区别方法
间接方法
测定其是否有固定的熔点
科学方法
对固体进行X射线衍射实验
晶体
晶体结构
晶体详解
原子晶体
金刚石
①每个碳与相邻eq \a\vs4\al(4)个碳以共价键结合,形成正四面体结构
②键角均为109°28′
③最小碳环由eq \a\vs4\al(6)个C组成且六原子不在同一平面内
④每个C参与4条C—C键的形成,C原子数与C—C键数之比为1∶2
SiO2
①每个Si与eq \a\vs4\al(4)个O以共价键结合,形成正四面体结构
②每个正四面体占有1个Si,4个eq \f(1,2)O,n(Si)∶n(O)=1∶2
③最小环上有eq \a\vs4\al(12)个原子,即6个O,6个Si
分子晶体
干冰
①8个CO2分子构成立方体且在6个面心又各占据1个CO2分子
②每个CO2分子周围等距且紧邻的CO2分子有eq \a\vs4\al(12)个
冰
每个水分子与相邻的eq \a\vs4\al(4)个水分子以氢键相连接,含1 ml H2O的冰中,最多可形成eq \a\vs4\al(2) ml氢键
离子晶体
NaCl型
①每个Na+(Cl-)周围等距且紧邻的Cl-(Na+)有6个,每个Na+周围等距且紧邻的Na+有eq \a\vs4\al(12)个
②每个晶胞中含eq \a\vs4\al(4)个Na+和eq \a\vs4\al(4)个Cl-
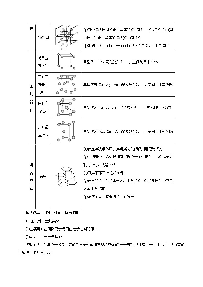
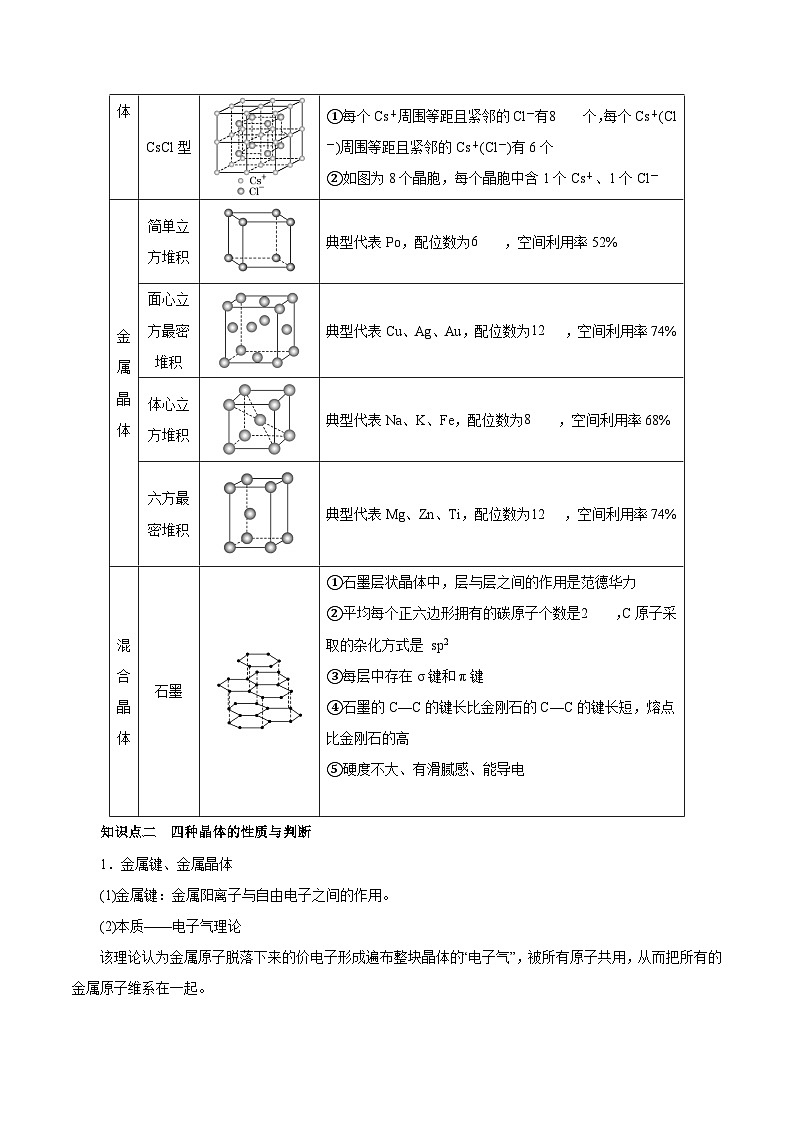
CsCl型
①每个Cs+周围等距且紧邻的Cl-有eq \a\vs4\al(8)个,每个Cs+(Cl-)周围等距且紧邻的Cs+(Cl-)有6个
②如图为8个晶胞,每个晶胞中含1个Cs+、1个Cl-
金属晶体
简单立方堆积
典型代表P,配位数为eq \a\vs4\al(6),空间利用率52%
面心立方最密堆积
典型代表Cu、Ag、Au,配位数为eq \a\vs4\al(12),空间利用率74%
体心立方堆积
典型代表Na、K、Fe,配位数为eq \a\vs4\al(8),空间利用率68%
六方最密堆积
典型代表Mg、Zn、Ti,配位数为eq \a\vs4\al(12),空间利用率74%
混合晶体
石墨
①石墨层状晶体中,层与层之间的作用是范德华力
②平均每个正六边形拥有的碳原子个数是eq \a\vs4\al(2),C原子采取的杂化方式是 sp2
③每层中存在σ键和π键
④石墨的C—C的键长比金刚石的C—C的键长短,熔点比金刚石的高
⑤硬度不大、有滑腻感、能导电
分子晶体
原子晶体
金属晶体
离子晶体
构成微粒
分子
原子
金属阳离子、自由电子
阴、阳离子
微粒间的相
互作用力
范德华力
(某些含氢键)
共价键
金属键
离子键
硬度
较小
很大
有的很大,有的很小
较大
熔、沸点
较低
很高
有的很高,有的很低
较高
溶解性
相似相溶
难溶于任何溶剂
难溶于常见溶剂
大多易溶于水等极性溶剂
导电、导热性
一般不导电,溶于水后有的导电
一般不具有导电性
电和热的良导体
晶体不导电,水溶液或熔融态导电
物质类别及举例
大多数非金属单质、气态氢化物、酸、非金属氧化物(SiO2除外)、绝大多数有机物(有机盐除外)
部分非金属单质(如金刚石、硅、晶体硼)、部分非金属化合物(如SiC、SiO2)
金属单质与合金(如Na、Al、Fe、青铜)
金属氧化物(如K2O、Na2O)、强碱(如KOH、NaOH)、绝大部分盐(如NaCl)
新高考化学一轮复习讲练测第33讲 烃(讲)(解析版): 这是一份新高考化学一轮复习讲练测第33讲 烃(讲)(解析版),文件包含新高考化学一轮复习讲练测第33讲烃讲原卷版docx、新高考化学一轮复习讲练测第33讲烃讲解析版docx等2份试卷配套教学资源,其中试卷共27页, 欢迎下载使用。
新高考化学一轮复习讲练测第31讲 晶体结构与性质(练)(解析版): 这是一份新高考化学一轮复习讲练测第31讲 晶体结构与性质(练)(解析版),文件包含新高考化学一轮复习讲练测第31讲晶体结构与性质练原卷版docx、新高考化学一轮复习讲练测第31讲晶体结构与性质练解析版docx等2份试卷配套教学资源,其中试卷共28页, 欢迎下载使用。
新高考化学一轮复习讲练测第19讲 化学平衡(讲)(解析版): 这是一份新高考化学一轮复习讲练测第19讲 化学平衡(讲)(解析版),文件包含新高考化学一轮复习讲练测第19讲化学平衡讲原卷版docx、新高考化学一轮复习讲练测第19讲化学平衡讲解析版docx等2份试卷配套教学资源,其中试卷共36页, 欢迎下载使用。

